Материал: Манипулятор. Анализ кинематики и построение рабочей зоны

Внимание! Если размещение файла нарушает Ваши авторские права, то обязательно сообщите нам

Скорость элемента плеча манипулятора:

 

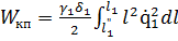
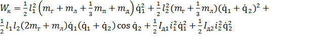
Кинетическая энергия элемента манипулятора

 ,

Кинетическая энергия плеча манипулятора определяем в результате интегрирования по длине плеча от - до +

 ;

Поскольку ось поворота плеча О1 проходит через его конечную точку, то . С учетом этого получаем:

;

2.5 Расчет кинетической энергии двигателя локотя

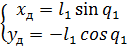
Двигатель Д2 приводит в движение локоть и расположен в точке  Координаты двигателя на оси х и у

 ;

Проекции вектора скорости двигателя локтя на оси х и у

 ;

Скорость двигателя локтя

=;

Кинетическая энергия двигателя локтя:

;

Поскольку двигатель плеча расположен в точке О1, и не перемещается, то его кинетическая энергия равна нулю.

2.6 Расчет потенциальной энергии груза.

Потенциальная энергия груза рассчитывается по формуле

 , (2.5)

где

После подставки получим

 

2.7 Расчет потенциальной энергии локтя

Выберем точку массой  , находящуюся на расстоянии  от точки , тогда по аналогии с грузом получим

 

где

- плотность материала локтя;

- площадь поперечного сечения локтя.

;

;

где  примем равным нулю.

2.8 Расчет потенциальной энергии плеча

Выберем точку массы  , находящуюся на расстоянии  от точки , тогда получим

 ;

Где ;

 ;

где  примем равным нулю.

2.9 Расчет потенциальной энергии двигателя локтя

Двигатель локтя расположен в точке

;

.

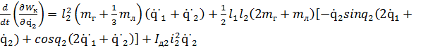
2.10 Уравнения обобщённых сил

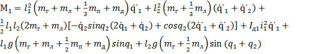
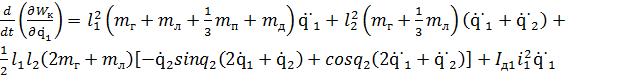
Суммарная кинетическая энергия манипулятора

 ;

Суммарная потенциальная энергия манипулятора

 

Применительно к двухзвенному ПР получаем два уравнения обобщенных сил

 

 ;

 ;

 

 ;

 ;

 ;

 ;

 ;

; (2.8)

.

3. Выбор двигателей звеньев манипулятора

3.1 Расчет и построение нагрузочных диаграмм звеньев

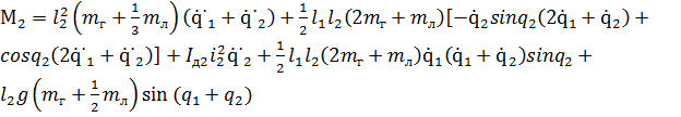
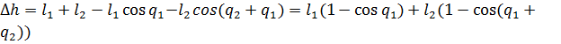
Подставляя численные значения масс и длин звеньев  в полученные выражения обобщенных сил ( 3.8; 3.9), получим численные выражения зависимостей обобщенных сил  от параметров движения звеньев . Подставляя в эти выражения значения  для различных значений времени получим функции  и  - нагрузочные диаграммы звеньев.

В блок-схеме математической модели для расчета нагрузочных диаграмм двигателей звеньев манипулятора, представленной на рис. 3.1, были определены моменты, действующие на осях звеньев, для приведения которых к валу двигателя использовали формулу

 

где  - момент, приведенный к валу двигателя -го звена ,Н*м;

 - соответственно передаточное отношение механической передачи i-го звена.

Значение передаточного отношения механической передачи i-го звена определяем по формуле, исходя из условия, что максимальной скорости звена манипулятора соответствует максимальная скорость вала двигателя

 

Поскольку при одинаковой мощности двигателей меньшую массу имеют двигатели с большей скоростью, то будем выбирать двигатели с максимальной скоростью, равной 314 рад/с. С учётом этого для первого звена манипулятора получим

 

для второго звена манипулятора получим:

 

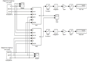
На рис.3.2 для примера показана блок-схема математической модели подсистемы Мd1, предназначенной для расчета нагрузочной диаграммы двигателя плеча манипулятора Д1. Графики  приведены на рис. 3.3.

Рис. 3.1 Блок-схема математической модели для расчета нагрузочных диаграмм двигателей звеньев манипулятора Д1 и Д2

Рис. 3.2 Блок-схема математической модели подсистемы Мd1, предназначенной для расчета нагрузочной диаграммы двигателя плеча манипулятора Д1

Диаграммы момента развиваемого двигателем 1-го звена (а) и 2-го звена (б) манипулятора с учётом массы двигателя Д2, равной 20 кг и момента инерции якорей двигателей Д1 и Д2, равном 3,83 10-3 кгм2 и КПД редукторов равных 100%. представлены в виде графика на рис. 3.3.

Рис. 3.3 Диаграммы момента развиваемого двигателем 1-го звена (а) и 2-го звена (б) манипулятора с учётом массы двигателя Д2, равной 20 кг и момента инерции якорей двигателей Д1 и Д2, равном 3,83 10-3 кгм2 и КПД редукторов равных 100%.

3.2 Представительный выбор двигателей звеньев

Блок-схема математической модели для расчета нагрузочных диаграмм двигателей звеньев манипулятора, представленная на рис. 3.1, оценивает также и среднеквадратичное значение момента за рабочий цикл. Так с помощью этой модели было получено, что среднеквадратичное значение момента двигателей Д1 и Д2 равно

МЭКВ Д1=16,97 Нм;

МЭКВ Д2=13,37 Нм;

Выбираем одноступенчатый волновой редуктор КПД которого равно

ηМП1= ηМП2=0.95


МН Д1 ≥ МЭКВ Д1/ ηМП1

МН Д2 ≥ МЭКВ Д2/ ηМП2

После подстановки получим

МН Д1 ≥ 16,97/ 0,95=17,86 Нм,

МН Д2 ≥ 13,37/ 0,95=14,07 Нм.

Выбираем двигатель серии 3ДВУ

Для первого звена - 3ДВУ300L ;

Для второго звена - 3ДВУ265L ;

Таблица 3.1 Данные двигателей 2ДВУ165L и 2ДВУ165М

Тип двигателя

Длительный момент   

Максимальная частота вращения вала  об/хв

Момент инерции двигателя J

Длительный ток

Максимальный ток   A

Сопротивление фазы обмотки статора, RФ, Ом

Масса двигателя, кг

2ДВУ165L

23

3000

6,9× 10-3

16

80

0,36

23

2ДВУ165М

17

3000

5,1× 10-3

12

60

0,49

19


После проверки на модели с учётом паспортных параметров двигателей и с учётом КПД редукторов равным 0,95 получили

МЭКВ Д1=18,84 Нм;

МЭКВ Д2=17,07 Нм;

Поскольку температура окружающей среды в месте эксплуатации манипулятора равна 25о С а не 40о С (что соответствует требованиям паспорта двигателя), то двигатель Д2 перегреваться не будет из-за превышения эквивалентным моментом номинального значения на 0,07 Нм.

Поэтому оставляем выбранный ранее двигатель для приведения в движение 2-го звена.

Рис.3.4. Диаграммы момента развиваемого двигателем 1-го звена (а) и 2-го звена манипулятора с учётом паспортных параметров двигателей и КПД редукторов равных 0,95

Максимальному току цепи статора двигателя Д1, равного 80А соответствует максимальный момент

МД1МАХД01 × IД1МАХ / IД01

МД1МАХ=23×80 / 16=115,2 Нм

Максимальному току цепи статора двигателя Д2, равного 60А соответствует максимальный момент

МД2МАХ= МД02 × IД2МАХ / IД02

МД2МАХ=17×60 / 12=85,0 Нм

Поскольку из нагрузочных диаграмм (рис.3.4) следует, что максимальный момент, развиваемый двигателем Д1, МД1МАХ=51 Нм, а двигателем Д2 - МД2МАХ=65,4 Нм, то можно утверждать, что выбранные двигатели проходят по перегрузочной способности для заданного рабочего цикла.

4. Выбор комплектных электроприводов звеньев

4.1 Определение основных параметров СУЕП

Силовой преобразователь, питающий двигатель, должен обеспечивать необходимые значения максимального напряжения в звене постоянного тока , длительного тока  и максимального тока нагрузки .

Максимальное напряжение преобразователя

 

где  ,  - максимальное значение скорости и момента на валу двигателя.

Определим значение конструктивного коэффициента вентильного двигателя по моменту и по ЭДС

 

где - соответственно длительный момент и соответствующий ему ток двигателя.

Определим значение конструктивного коэффициента вентильного двигателя Д1

 Нм/А;

Определим значение конструктивного коэффициента вентильного двигателя Д2

 Нм/А;

Определим значение максимального напряжения преобразователя для вентильного двигателя Д1

 ;

Определим значение максимального напряжения преобразователя для вентильного двигателя Д2

 ;

Длительный выпрямленный ток преобразователя

 

где  - эквивалентный момент на валу двигателя за цикл работы;

Определим значение длительного выпрямленного тока преобразователя для вентильного двигателя Д1

 ;

 ;

Ток перегрузки должен удовлетворять соотношению

 

где  - ток, соответствующий максимальному моменту двигателя;

 ;

 ;

Окончательно получаем:

 ;  ;  ;

;  ;  .