Материал: Манипулятор. Анализ кинематики и построение рабочей зоны

Внимание! Если размещение файла нарушает Ваши авторские права, то обязательно сообщите нам

Манипулятор. Анализ кинематики и построение рабочей зоны













ДИПЛОМНЫЙ ПРОЕКТ

Манипулятор. Анализ кинематики и построение рабочей зоны

Введение

Появление механических манипуляторов, а затем систем числового программного управления (ЧПУ) привело к созданию промышленных роботов - программируемых манипуляторов, предназначенных для разнообразных технологических операций.

Первые промышленные роботы начали создавать в середине 50-х годов XX века в США. В 1954 году американский инженер Дж. Девол запатентовал способ управления погрузочно-разгрузочным манипулятором с помощью сменных перфокарт, то есть получил патент на робот промышленного назначения. Вместе с Д. Энгельбергом в 1956 г. он организовал первую в мире компанию по выпуску промышленных роботов. Ее название «Unimation» (Юнимейшн) является сокращением термина «Universal Automation» (универсальная автоматика).

В 1959 году фирма «Консолидейтед Корпорейшн» (США) опубликовала описание манипулятора с ЧПУ, а в 1960-1961 гг. в американской печати появились первые сообщения о манипуляторах «Transferrobot» и «Eleximan», предназначенных для автоматизации сборочных работ. В 1962 году в США были созданы первые в мире промышленные роботы «Юнимейт» фирмы "Юнимейшн Инкорпорейд" и «Версатран» фирмы «АМФ Версатран». Их сходство с человеком ограничивалось наличием манипулятора, отдаленно напоминающего человеческую руку. Некоторые из них работают до сих пор, превысив 100 тысяч часов рабочего ресурса.

Промышленный робот «Юнимейт» имел 5 степеней подвижности с гидроприводом и двухпальцевое захватное устройство с пневмоприводом. Перемещение объектов массой до 12 кг осуществлялось с точностью 1,25 мм. В качестве системы управления использовался программоноситель в виде кулачкового барабана с шаговым двигателем, рассчитанный на 200 команд управления, и кодовые датчики положения. В режиме обучения оператор задавал последовательность точек, через которые должны пройти звенья манипулятора в течение рабочего цикла. Робот запоминал координаты точек и мог автоматически перемещаться от одной точки к другой в заданной последовательности, многократно повторяя рабочий цикл. На операции разгрузки машины для литья под давлением «Юнимейт» работал с производительностью 135 деталей в час при браке 2 %, тогда как производительность ручной разгрузки составляла 108 деталей в час при браке до 20 %.

Промышленный робот «Версатран», имевший три степени подвижности и управление от магнитной ленты, мог у обжиговой печи загружать и разгружать до 1200 раскаленных кирпичей в час. В то время соотношение затрат на электронику и механику в стоимости робота составляло 75 % и 25 %, поэтому многие задачи управления решались за счёт механики; сейчас же это соотношение изменилось на противоположное, причем стоимость электроники продолжает снижаться.

Предлагаются необычные кинематические схемы манипуляторов. Быстро развиваются технологические роботы, выполняющие такие операции, как высокоскоростные резание, окраска, сварка. Появление в 70-х гг. микропроцессорных систем управления и замена специализированных устройств управления на программируемые контроллеры позволили снизить стоимость роботов в три раза, сделав рентабельным их массовое внедрение в промышленности. Этому способствовали объективные предпосылки развития промышленного производства.

Различные аспекты применения промышленных роботов рассматриваются, как правило, в рамках типовых проектов промышленного производства: исходя из имеющихся требований, выбирается оптимальный вариант, в котором конкретизирован необходимый для данной задачи тип роботов, их количество, а также решаются вопросы инфраструктуры питания (силовые подводки, подача охлаждающей жидкости - в случае использования жидкостного охлаждения элементов оснастки) и интеграции в производственный процесс (обеспечение заготовками/полуфабрикатами и возврат готового продукта в автоматическую линию для передачи следующей технологической операции).

Промышленные роботы в производственном процессе способны выполнять основные и вспомогательные технологические операции.

К основным технологическим операциям относятся операции непосредственного выполнения формообразования, изменения линейных размеров заготовки и др.

К вспомогательным технологическим операциям относятся транспортные операции в том числе операции по загрузке и выгрузке технологического оборудования.

Среди самых распространённых действий, выполняемых промышленными роботами, можно назвать следующие:

загрузка / разгрузка технологических машин, станков;

манипулирование деталями (например: укладка, сортировка, транспортировка и ориентация);

перемещение деталей и заготовок от станка к станку или от станка к системам сменных поддонов;

сварка швов и точечная сварка;

сборка механических и электрических деталей;

сборка электронных деталей;

покраска;

укладка кабеля;

выполнение операций резания с движением инструмента по сложной траектории и др.

Современные роботы функционируют на основе принципов обратной связи, подчинённого управления и иерархичности системы управления роботом.

Иерархия системы управления роботом подразумевает деление системы управления на горизонтальные слои, управляющие общим поведением робота, расчётом необходимой траектории движения манипулятора, поведением отдельных его приводов, и слои, непосредственно осуществляющие управление двигателями приводов.

Подчинённое управление служит для построения системы управления приводом. Если необходимо построить систему управления приводом по положению (например, по углу поворота звена манипулятора), то система управления замыкается обратной связью по положению, а внутри системы управления по положению функционирует система управления по скорости со своей обратной связью по скорости, внутри которой существует контур управления по току со своей обратной связью.

Современный робот оснащён не только обратными связями по положению, скорости и ускорениям звеньев. При захвате деталей робот должен знать, удачно ли он захватил деталь. Если деталь хрупкая или её поверхность имеет высокую степень чистоты, строятся сложные системы с обратной связью по усилию, позволяющие роботу схватывать деталь, не повреждая её поверхность и не разрушая её.

Управление роботом осуществляться системой управления промышленным предприятием (ERP-системой), согласующими действия робота с готовностью заготовок и станков с числовым программным управлением к выполнению технологических операций.

Таким образом, ПР - это автоматическая машина, состоящая из механизма, информационно-измерительной, управляющей и исполнительной систем и предназначенная для выполнения механических действий в производственном процессе. Манипулятором промышленного робота принято называть устройство, состоящее из, приводов и рабочего органа (например, захватов) и предназначенное для имитации рабочих функций руки человека.

Экономически выгодно использование промышленных роботов совместно с другими средствами автоматизации производства (автоматические линии, участки и комплексы). Применение автоматических манипуляторов - промышленных роботов - позволяет заменить человека, занятого физическим трудом. Они применяются в первую очередь для автоматизации смены деталей и инструмента.

Как показывает статистические исследования, машинное время обработки на станках составляет 5-6 % общего фонда времени при мелкосерийном производстве, 7-8% при среднесерийном и до 22% при крупносерийном и массовом производстве. Остальное время расходуется в основном на ожидание очереди на обработку и является резервом повышения производительности.

Работая в составе роботизированного комплекса, ПР выполняет следующие операции: загрузку и разгрузку станка, смену инструмента, взаимодействие с конвейером, складом заготовок и готовой продукции и т.п. Объединяя в единый комплекс задачи автоматизации процессов металлообработки и вспомогательных операций, ПР являются одним из главных звеньев создания современного высокопроизводительного оборудования нового типа, работающего с минимальным участием человека.

Для управления работами используются различные устройства. Для управления работами с ограниченными манипуляционными возможностями используются цикловые устройства позиционного управления.

В данной работе предлагается разработать систему управления электроприводами двухзвенного манипулятора, предназначенного для выполнения подъемно-транспортной работы, выполняющего операции типа «взять-перенести-положить» при обслуживании технического оборудования.

Целью дипломной работы является разработка системы управления 2-координатного электропривода для 2-звенного универсального манипулятора.

Основные параметры 2-звенного универсального манипулятора приведены в таблице В1.

Таблица В1. Исходные данные

Параметры

Обозначение, единицы измерения

Значение

Грузоподъемность промышленного робота

, кг

32

Частота циклов промышленного робота

N, 1/час

750

Масса 1-го звена манипулятора

, кг

400

Масса 2-го звена манипулятора

, кг

165

Длина 1-го звена манипулятора

l1, м

0,85

Длина 2-го звена манипулятора

l2, м

1,28

Заданное перемещение 1-го звена манипулятора

qЗ1, рад

0,5

Заданное перемещение 2-го звена манипулятора

qЗ2, рад

0,6

Максимальная скорость при разгоне и торможении 1-го звена манипулятора

, рад/c

2,0

Максимальная скорость при разгоне и торможении 2-го звена манипулятора

, рад/c

1,7

Максимальное ускорение при разгоне и торможении 1-го звена манипулятора

, рад/c2

6,0

Максимальное ускорение при разгоне и торможении 2-го звена манипулятора

, рад/c2

20

Погрешность позиционирования захвата манипулятора

Δq, рад

±0,15



1.      Анализ кинематики ПР и построение диаграмм цикла движения звеньев

1.1.   Построение рабочей зоны

Рассматриваемый манипулятор является двухзвенным (рис.1.1). Звенья манипулятора соединяются друг с другом с помощью кинематических пар пятого класса, которые допускают относительное движение звеньев только по одной координате.

Рис.1.1. Двухзвенный универсальный манипулятор

Рабочая зона ПР - это объем, ограниченный поверхностью, представляющей собой геометрическое место точек возможных конечных положений захвата.

Рабочая зона ПР приведена на рисунке 1.2. Кинематическая схема манипулятора приведена на рисунке 1.3

Рис. 1.2 Рабочая зона ПР

Рис. 1.3 Кинематическая схема манипулятора

1.2 Исследование зависимости момента инерции от изменения конфигурации манипулятора

Запишем формулу для определения момента инерции груза, который расположен в точке О3, относительно точки О1

;

Запишем формулу для определения момента инерции двигателя, который приводит в движение локоть и расположен в точке О2, относительно точки О1

;

Запишем формулу для определения момента инерции локтя относительно точки О1

;

где - плотность материала, из которого сделан локоть

 - площадь поперечного сечения локтя

Запишем формулу для определения момента инерции груза относительно точки О2

;

Запишем формулу для определения момента инерции локтя относительно точки О2

;

Запишем формулу для определения момента инерции плеча относительно О1

;

Запишем формулу для определения суммарного момента инерции манипулятора относительно О1

 

.

Запишем формулу для определения суммарного момента инерции манипулятора относительно О2

;

 

Из формулы (1.1) видно, что момент инерции манипулятора относительно оси О1 зависит как от конфигурации манипулятора (q2), так и от массы перемещаемого груза.

Оценим влияние изменения массы перемещаемого груза на момент инерции манипулятора относительно оси О1. Поскольку двигатель Д2, приводящий в движение локоть манипулятора, ещё не выбран, то принимаем mД2=0. При этом чувствительность момента инерции манипулятора относительно оси О1 будет большей, чем при учёте наличия двигателя Д2. Например, при отсутствии детали в захвате его масса будет равна 0,5 mГН. Суммарный момент инерции манипулятора относительно О1 будет максимальным при q2=0 и . На основании формулы (1.1) получим ;

При наличии детали в захвате его масса будет равна mГН. Суммарный момент инерции манипулятора относительно О1 при q2=0 и . Будет равен

Оценим вариацию момента инерции манипулятора относительно осей О1, обусловленную изменением массы перемещаемого груза

;

;

Из формулы (1.2) видно, что момент инерции манипулятора относительно оси О2 зависит только от массы перемещаемого груза. Оценим влияние изменения массы перемещаемого груза на момент инерции манипулятора относительно оси О2.

Суммарный момент инерции манипулятора относительно О2 будет минимальным при . На основании формулы (1.2) получим ;

Суммарный момент инерции манипулятора относительно О2 будет максимальным при . На основании формулы (1.2) получим

Оценим вариацию момента инерции манипулятора относительно осей О1, обусловленную изменением массы перемещаемого груза

;

;

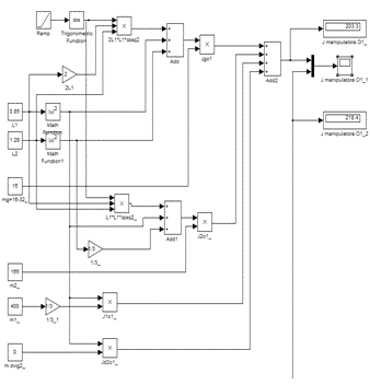
Оценим влияние изменения конфигурации манипулятора (q2) на момент инерции манипулятора относительно оси О1. На основании формулы (1.1) в пакете Simulink , бала разработана модель расчёта момента инерции манипулятора относительно оси О1 для разной массы перемещаемого груза, которая показана на рис.1.4.

Рис.1.4.

Проведём анализ зависимости  от  ( изменяется от 0 до π (180°)) при разных  ( и ) с использованием формулы