Материал: m013800e

Внимание! Если размещение файла нарушает Ваши авторские права, то обязательно сообщите нам

The numerical format

The resolution of 750-472 and 750-474 are 15 Bit.

Input current

Input current

Binary value

 

 

 

 

0-20mA

4-20mA

 

 

Hex.

Dec.

Status

LED

>20,5

>20,5

0111 1111

1111 1111

7F FF

32767

42

on

 

 

 

 

 

 

 

 

20

20

0111 1111

1111 1111

7F FF

32767

0

off

 

 

 

 

 

 

 

 

10

12

0100 0000

0000 0000

40 00

16384

0

off

 

 

 

 

 

 

 

 

5

8

0010 0000

0000 0000

20 00

8192

0

off

 

 

 

 

 

 

 

 

2,5

6

0001 0000

0000 0000

10 00

4096

0

off

 

 

 

 

 

 

 

 

0,156

4,125

0000 0001

0000 0000

01 00

256

0

off

 

 

 

 

 

 

 

 

0,01

4,0078

0000 0000

0001 0000

00 10

16

0

off

 

 

 

 

 

 

 

 

0,005

4,0039

0000 0000

0000 1000

00 08

8

0

off

 

 

 

 

 

 

 

 

0

4

0000 0000

0000 0000

00 00

7

0

off

 

 

 

 

 

 

 

 

0

3,5 - 4

0000 0000

0000 0000

0

0

0

off

 

 

 

 

 

 

 

 

0

0 - 3,5

0000 0000

0000 0000

0

0

41

on

 

 

 

 

 

 

 

(4-20

 

 

 

 

 

 

 

 

Analog Inputs 750-472, 474

3

:$*2Ç, 2Ç6<67(0

The numerical format for Siemens

In addition to the full 16 Bit indication of the measured value it is possible to use the „Siemens format“. The measured value is represented by the most significant 12 Bits. The 3 least significant Bits are reserved for diagnostic and status purpose (750-472/000- 200, 750-474/000-200). The numerical format for 750-472/000-200 is equivalent to S5 463, 750-474/000-200 equivalent to S5 460/465.

Input

Binary value

X : without meaning

 

 

 

 

current

 

F : short circuit or

Hex.

Dec.

Status

LED

4-20mA

 

F: open circuit

 

 

 

 

 

 

Ü : overflow

 

 

 

 

 

 

X F Ü

 

 

 

 

32

0111 1111 1111 1

0 0 1

7F F9

32761

42

on

 

 

 

 

 

 

 

31,99

0111 1111 1111 0

0 0 0

7F F0

32752

0

off

 

 

 

 

 

 

 

20,5

0101 0010 0000 0

0 0 1

52 00

20992

0

off

 

 

 

 

 

 

 

20

0101 0000 0000 0

0 0 0

50 00

20480

0

off

 

 

 

 

 

 

 

16

0100 0000 0000 0

0 0 0

40 00

16384

0

off

 

 

 

 

 

 

 

12

0011 0000 0000 0

0 0 0

30 00

12288

0

off

 

 

 

 

 

 

 

8

0010 0000 0000 0

0 0 0

20 00

8192

0

off

 

 

 

 

 

 

 

4,0078

0001 0000 0000 1

0 0 0

10 08

4104

0

off

 

 

 

 

 

 

 

4

0001 0000 0000 0

0 0 0

10 00

4096

0

off

 

 

 

 

 

 

 

3,5

0000 1110 0000 0

0 1 1

0E 00

3584

0

on

 

 

 

 

 

 

 

0

0000 0000 0000 0

0 0 0

00 00

0

0

on

 

 

 

 

 

 

 

Analog Inputs 750-472, 474

4

:$*2Ç, 2Ç6<67(0

 

 

 

 

 

 

 

 

 

 

 

 

 

 

 

 

 

 

 

 

 

 

 

 

 

 

 

 

 

 

 

 

 

 

 

 

 

 

 

 

 

 

 

 

 

 

 

 

 

Input

Binary value

X : without meaning

 

 

 

 

 

 

 

 

 

current

 

F : short circuit or

Hex.

Dec.

Status

LED

 

0-20mA

 

F: open circuit

 

 

 

 

 

 

 

 

 

 

 

Ü : overflow

 

 

 

 

 

 

 

 

 

 

 

X F Ü

 

 

 

 

 

 

 

 

 

30

0110 0000 0000 0

0 0 1

6001

24577

42

 

on

 

 

 

 

 

 

 

 

 

 

29,98

0101 1111 1111 1

0 0 0

5F F8

24568

0

 

on

 

 

 

 

 

 

 

 

 

 

20,5

0100 0001 1001 1

0 0 0

41 98

16762

0

 

on

 

 

 

 

 

 

 

 

 

 

20

0100 0000 0000 0

0 0 0

4000

16384

0

 

off

 

 

 

 

 

 

 

 

 

 

10

0010 0000 0000 0

0 0 0

2000

8192

0

 

off

 

 

 

 

 

 

 

 

 

 

5

0001 0000 0000 0

0 0 0

1000

4096

0

 

off

 

 

 

 

 

 

 

 

 

 

2,5

0000 1000 0000 0

0 0 0

0800

2048

0

 

off

 

 

 

 

 

 

 

 

 

 

1,25

0000 0100 0000 0

0 0 0

0400

1024

0

 

off

 

 

 

 

 

 

 

 

 

 

0,625

0000 0010 0000 0

0 0 0

0200

512

0

 

off

 

 

 

 

 

 

 

 

 

 

0,00976

0000 0000 0000 1

0 0 0

0008

8

0

 

off

 

 

 

 

 

 

 

 

 

 

0

0000 0000 0000 0

0 0 0

0000

0

0

 

off

 

 

 

 

 

 

 

 

 

 

 

 

If you have questions about the formatting of this data, please contact WAGO for I/O System technical support.

Analog Inputs 750-472, 474

5

:$*2Ç, 2Ç6<67(0

2-Channel Analog Input

±

10 V, 16 Bit, single ended

750-476

0

-10 V, 16 Bit, single ended

750-478

 

 

 

 

 

 

 

 

 

 

 

 

 

 

 

 

 

 

 

 

 

 

 

 

 

 

 

 

 

 

 

 

 

 

 

 

 

 

 

 

 

 

 

 

 

 

 

 

 

 

 

 

 

 

 

 

 

 

 

 

 

 

 

 

 

 

 

 

 

 

 

 

 

 

 

 

 

 

 

 

 

 

 

 

 

 

 

 

 

 

 

 

 

 

 

 

 

 

 

 

 

 

 

 

 

 

 

 

 

 

 

 

 

 

 

 

 

 

 

 

 

 

 

 

 

 

 

 

 

 

 

 

 

 

 

 

 

 

 

 

 

 

 

 

 

 

 

 

 

 

 

 

 

 

 

 

 

 

 

 

 

 

 

 

 

 

 

 

 

 

 

 

 

 

 

 

 

 

 

 

 

 

 

 

 

 

 

 

 

 

 

 

 

 

 

 

 

 

 

 

 

 

 

 

 

 

 

 

 

 

 

 

 

 

 

 

 

 

 

 

 

 

 

 

 

 

 

 

 

 

 

 

 

 

 

 

 

 

 

 

 

 

 

 

 

 

 

 

 

 

 

 

 

 

 

 

 

 

 

 

 

 

 

 

 

 

 

 

 

 

 

 

 

 

 

 

 

 

 

 

 

 

 

 

 

 

 

 

 

 

 

 

 

 

 

 

 

 

 

 

 

 

 

 

 

 

 

 

 

 

 

 

 

 

 

 

 

 

 

 

 

 

 

 

 

 

 

 

 

 

 

 

 

 

 

 

 

 

 

 

 

 

 

 

 

 

 

 

 

 

 

 

 

 

 

 

 

 

 

 

 

 

 

 

 

 

 

 

 

 

 

 

 

 

 

 

 

 

 

 

 

 

 

 

 

 

 

 

 

 

 

 

 

 

 

 

 

 

 

 

 

 

 

 

 

 

 

 

 

 

 

 

 

 

 

 

 

 

 

 

 

 

 

 

 

 

 

 

 

 

 

 

 

 

 

 

 

 

 

 

 

 

 

 

 

 

 

 

 

 

 

 

 

 

 

 

 

 

 

 

 

 

 

 

 

 

 

 

 

 

 

 

 

 

 

 

 

 

 

 

 

 

 

 

 

 

 

 

 

 

 

 

 

 

 

 

 

 

 

 

 

 

 

 

 

 

 

 

 

 

 

 

 

 

 

 

 

 

 

 

 

 

 

 

 

 

 

 

 

 

 

 

 

 

 

 

 

 

 

 

 

 

 

 

 

 

 

 

 

 

 

 

 

 

 

 

 

 

 

 

 

 

 

 

 

 

 

 

 

 

 

 

 

 

 

 

 

 

 

 

 

 

 

 

 

 

 

 

 

 

 

 

 

 

 

 

 

 

 

 

 

 

 

 

 

 

 

 

 

 

 

 

 

 

 

 

 

 

 

 

 

 

 

 

 

 

 

 

 

 

 

 

 

 

 

 

 

 

 

 

 

 

 

 

 

 

 

 

 

 

 

 

 

 

 

 

 

 

 

 

 

 

 

 

 

 

 

 

 

 

 

 

 

 

 

 

 

 

 

 

 

 

 

 

 

 

 

 

 

 

 

 

 

 

 

 

 

 

 

 

 

 

 

 

 

 

 

 

 

 

 

 

 

 

 

 

 

 

 

 

 

 

 

 

 

 

 

 

 

 

 

 

 

 

 

 

 

 

 

 

 

 

 

 

 

 

 

 

 

 

 

 

 

 

 

 

 

 

 

 

 

 

 

 

 

 

 

 

 

 

 

 

 

 

 

 

 

 

 

 

 

 

 

 

 

 

 

 

 

 

 

 

 

 

 

 

 

 

 

 

 

 

 

 

 

 

 

 

 

 

 

 

 

 

 

 

 

 

 

 

 

 

 

 

 

 

 

 

 

 

 

 

 

 

 

 

 

 

 

 

 

 

 

 

 

 

 

 

 

 

 

 

 

 

 

 

 

 

 

 

 

 

 

 

 

 

 

 

 

 

 

 

 

 

 

 

 

 

 

 

 

 

 

 

 

 

 

 

 

 

 

 

 

 

 

 

 

 

 

 

 

 

 

 

 

 

 

 

 

 

 

 

 

 

 

 

 

 

 

 

 

 

 

 

 

 

 

 

 

 

 

 

 

 

 

 

 

 

 

 

 

 

 

 

 

 

 

 

 

 

 

 

 

 

 

 

 

 

 

 

 

 

 

 

 

 

 

 

 

 

 

 

 

 

 

 

 

 

 

 

 

 

 

 

 

 

 

 

 

 

 

 

 

 

 

 

 

 

 

 

 

 

 

 

 

 

 

 

 

 

 

 

 

 

 

 

 

 

 

 

 

 

 

 

 

 

 

 

 

 

 

 

 

 

 

 

 

 

 

 

 

 

 

 

 

 

 

 

 

 

 

 

 

 

 

 

 

 

 

 

 

 

 

 

 

 

 

 

 

 

 

 

 

 

 

 

 

 

 

 

 

 

 

 

 

 

 

 

 

 

 

 

 

 

 

 

 

 

 

 

 

 

 

 

 

 

 

 

 

 

 

 

 

 

 

 

 

 

 

 

 

 

 

 

 

 

 

 

 

 

 

 

 

 

 

 

 

 

 

 

 

 

 

 

 

 

 

 

 

 

 

 

 

 

 

 

 

 

 

 

 

 

 

 

 

 

 

 

 

 

 

 

 

 

 

 

 

 

 

 

 

 

 

 

 

 

 

 

 

 

 

 

 

 

 

 

 

 

 

 

 

 

 

 

 

 

 

 

 

 

 

 

 

 

 

 

 

 

 

 

 

 

 

 

 

 

 

 

 

 

 

 

 

 

 

 

 

 

 

 

 

 

 

 

 

 

 

 

 

 

 

 

 

 

 

 

 

 

 

 

 

 

 

 

 

 

 

 

 

 

 

 

 

 

 

 

 

 

 

 

 

 

 

 

 

 

 

 

 

 

 

 

 

 

 

 

 

 

 

 

 

 

 

 

 

 

 

 

 

 

 

 

 

 

 

 

 

 

 

 

 

 

 

 

 

 

 

 

 

 

 

 

 

 

 

 

 

 

 

 

 

 

 

 

 

 

 

 

 

 

 

 

 

 

 

 

 

 

 

 

 

 

 

 

 

 

 

 

 

 

 

 

 

 

 

 

 

 

 

 

 

 

 

 

 

 

 

 

 

 

 

 

 

 

 

 

 

 

 

 

 

 

 

 

 

 

 

 

 

 

 

 

 

 

 

 

 

 

 

 

 

 

 

 

 

 

 

 

 

 

 

 

 

 

 

 

 

 

 

 

 

 

 

 

 

 

 

 

 

 

 

 

 

 

 

 

 

 

 

 

 

 

 

 

 

 

 

 

 

 

 

 

 

 

 

 

 

 

 

 

 

 

 

 

 

 

 

 

 

 

 

 

 

 

 

 

 

 

 

 

 

 

 

 

 

 

 

 

 

 

 

 

 

 

 

 

 

 

 

 

 

 

 

 

 

 

 

 

 

 

 

 

 

 

 

 

 

 

 

 

 

 

 

 

 

 

 

 

 

 

 

 

 

 

 

 

 

 

 

 

 

 

 

 

 

 

 

 

 

 

 

 

 

 

 

 

 

 

 

 

 

 

 

 

 

 

 

 

 

 

 

 

 

 

 

 

 

 

 

 

 

 

 

 

 

 

 

 

 

 

 

 

 

 

 

 

 

 

 

 

 

 

 

 

 

 

 

 

 

 

 

 

 

 

 

 

 

 

 

 

 

 

 

 

 

 

 

 

 

 

 

 

 

 

 

 

 

 

 

 

 

 

 

 

 

 

 

 

 

 

 

 

 

 

 

 

 

 

 

 

 

 

 

 

 

 

 

 

 

 

 

 

 

 

 

 

 

 

 

 

 

 

 

 

 

 

 

 

 

 

 

 

 

 

 

 

 

 

 

 

 

 

 

 

 

 

 

 

 

 

 

 

 

 

 

 

 

 

 

 

 

 

 

 

 

 

 

 

 

 

 

 

 

 

 

 

 

 

 

 

 

 

 

 

 

 

 

 

 

 

 

 

 

 

 

 

 

 

 

 

 

 

 

 

 

 

 

 

 

 

 

 

 

 

 

 

 

 

 

 

 

 

 

 

 

 

 

 

 

 

 

 

 

 

 

 

 

 

 

 

 

 

 

 

 

 

 

 

 

 

 

 

 

 

 

 

 

 

 

 

 

 

 

 

 

 

 

 

 

 

 

 

 

 

 

 

 

 

 

 

 

 

 

 

 

 

 

 

 

 

 

 

 

 

 

 

 

 

 

 

 

 

 

 

 

 

 

 

 

 

 

 

 

 

 

 

 

 

 

 

 

 

 

 

 

 

 

 

Function clamp and variants

Item-No.

Description

Identification

750-476

2-Channel Analog Input

2 AI ± 10 V DC

 

± 10 V, single ended

16 Bit s.e.

750-476/000-200

2-Channel Analog Input

2 AI ± 10 V DC

 

± 10 V, single ended

16 Bit s.e.

 

with status infomation within the data word

S5-466

 

 

 

750-478

2-Channel Analog Input

2 AI 0-10 V DC

 

0-10 V, single ended

16 Bit s.e.

750-478/000-200

2-Channel Analog Input

2 AI 0-10 V DC

 

0-10 V, single ended

16 Bit s.e.

 

with status infomation within the data word

S5-466

Analog Inputs 750-476, 478

1

4;13614<<<

:$*2®,22®6<67(0

Technical description

This description is only intended for hardware and software version

X X X X 0 4 0 1 - - - - .The serial number can be found on the right side of the module.

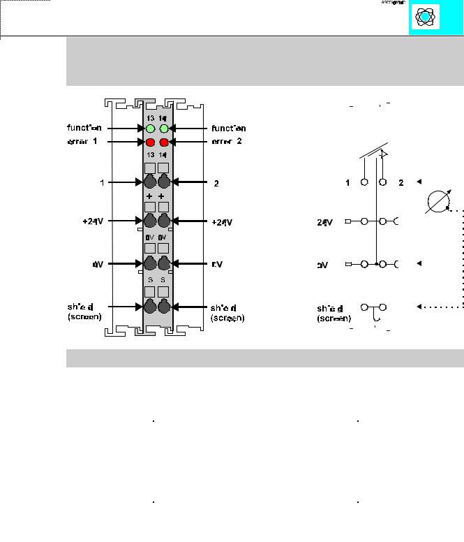
The input channels are single ended and they have a common ground potential.

The inputs are connected to I and 0V.

The shield is connected to „S“. The connection is made automatically when snapped onto the DIN rail.

Attention:

The lowest power jumper contact is not carried out for some modules (e.g. 4-channel)! A module which needs all contacts (e.g. 2-channel digital) may not be connected to the right hand side of modules which do not have 3 power jumper contacts (e.g. 4-channel modules).

The input module can be connected to all buscouplers of the :$*2®,22®6<67(0 (except for the economy type).

Analog Inputs 750-476, 478

2

4;13614<<<

:$*2®,22®6<67(0