Материал: Лабораторный практикум Ч 1

Внимание! Если размещение файла нарушает Ваши авторские права, то обязательно сообщите нам

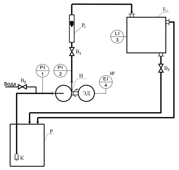
Рис. 4.4. Схема лабораторной установки для определения характеристик центробежного насоса 1 при n = 2900 об/мин [5]:

Н– насос; ЭД – электродвигатель; Р – резервуар; Е1 – ёмкость;

К– клапан; РТ – ротаметр; В1, В2; В3 – вентили регулировочные

Во избежание переполнения ёмкость Е1 оборудована линией перелива воды обратно в резервуар Р. Слив воды из заполненной ёмкости Е1 осуществляется также в резервуар Р.

Методика выполнения работы

Нормальное испытание насосной установки проводится в следующем порядке: определяются значения Н, Nе, ηн в зависимости от подачи

36

насоса V при заданном постоянном числе оборотов рабочего колеса. Изменение подачи V осуществляется с помощью вентиля В1 на нагнетательном трубопроводе (рис. 4.3, 4.4). Первое наблюдение проводят при полностью закрытом вентиле В1, а дальнейшие измерения – при постепенном открытии вентиля В1 (вентиль В4 всегда должен быть закрыт).

Результаты измерений необходимо внести в табл. 4.1.

 

 

 

 

 

 

Таблица 4.1

 

 

Измеренные величины (насос 1)

 

 

 

 

 

 

 

 

 

Объём во-

 

Показания

Показания

Показания

Показания

 

ды по во-

 

 

 

ротаметра,

 

манометра

вакууметра

ваттметра

домерному

Время t, с

 

Vрот. ,

pман,

pвак,

Nдв,

 

стеклу,

 

 

 

V, л

 

л/мин

МПа

МПа

Вт

 

 

 

 

 

 

 

 

 

 

 

 

1

 

 

 

 

 

 

2

 

 

 

 

 

 

3

 

 

 

 

 

 

4

 

 

 

 

 

 

5

 

 

 

 

 

 

6

 

 

 

 

 

 

1.Перед началом работы слейте воду из ёмкости Е1, открыв сливной вентиль В2.

2.Закройте вентили В1 (на напорной линии) и В2 (сливной)

3.Кнопкой автоматического пускателя включите электропитание (насос заполнения не требует, так как жидкость в нём удерживается обратным клапаном на всасывающей линии).

4.Снимите показания ваттметра, манометра (поз. 1 на рис. 4.3, 4.4) и вакуумметра (поз. 1 на рис. 4.3, 4.4). Показания занесите в табл. 4.1.

5.Откройте немного вентиль В1 на напорной линии насоса так, чтобы вода начала поступать в ёмкость Е1 с небольшим расходом.

Измерьте по мерному стеклу объём воды, поступившей в ёмкость Е1 за время t, используя секундомер. Снимите показания ротаметра, ваттметра, манометра и вакуумметра.

6.Сделайте шесть–восемь измерений при разной степени открытия вентиля В1 в диапазоне от полностью открытого до полностью закрытого.

37

7.После окончания измерений отключите электропитание кнопкой на автоматическом регуляторе. Слейте воду из ёмкости Е1.

8.Замерьте расстояние по вертикали между точками установки манометра и вакуумметра (как разницу горизонтальных высот осей манометра и вакуумметра от пола). Диаметры напорного и всасывающего трубопроводов равны.

Примечание. Если при выполнении измерений уровень воды в ёмкости Е1 превысит 2/3 объёма, необходимо, не отключая двигатель, прикрыть напорный вентиль В1 и, открыв сливной вентиль В2, опорожнить ёмкость Е1.

Обработка экспериментальных данных

1. Рассчитайте подачу насоса в каждом опыте.

Подача насоса рассчитывается по объёму воды V в ёмкости Е1, поступившей туда за измеренный промежуток времени t:

V

V

.

(4.6)

 

 

t

 

2.Рассчитайте напор насоса в каждом опыте по формуле (4.1).

3.Рассчитайте полезную мощность по формуле (4.2).

4.Зная полезную и потребляемую из электрической сети мощности, определите коэффициент полезного действия насосной установки по фор-

муле (4.5).

5.Считая, что коэффициент полезного действия двигателя ηдв = 0,95,

акоэффициент полезного действия передачи ηпер = 1, определите коэффициент полезного действия насоса ηн.

6.По рассчитанным величинам постройте рабочую характеристику

насоса: зависимости Н, Nе, ηн от подачи V при n = const.

7. Оцените точность измерений с помощью ротаметра, считая основным и корректным значение расхода, вычисленное по соотношению (4.6):

 

Vрот . V

 

100 % .

(4.7)

 

V

 

 

 

 

 

 

 

 

 

 

 

38

8. Рассчитанные величины внесите в табл. 4.2.

Таблица 4.2

Результаты расчёта (насос 1)

 

 

Подача

 

Полез-

 

 

Потреб-

 

 

 

по ро-

Напор

КПД

 

 

 

Подача

ная

КПД

ляемая

 

 

таметру

насоса,

уста-

 

мощ-

насоса,

мощ-

, %

V , м3

Vрот.

,

Н, м

новки,

 

ность,

ηн

ность,

 

 

 

ηуст

 

 

 

м3

 

 

Nпол, Вт

 

Ne, Вт

 

 

 

 

 

 

 

 

1

 

 

 

 

 

 

 

 

 

2

 

 

 

 

 

 

 

 

 

3

 

 

 

 

 

 

 

 

 

4

 

 

 

 

 

 

 

 

 

5

 

 

 

 

 

 

 

 

 

6

 

 

 

 

 

 

 

 

 

Насос 2

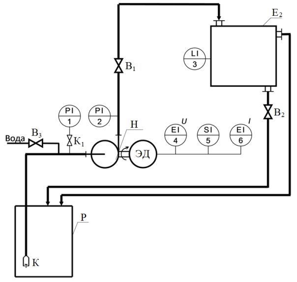
Цель работы: практическое ознакомление с насосной установкой, определение опытным путём рабочих характеристик центробежного насоса (зависимости напора, коэффициента полезного действия, потребляемой мощности от производительности насоса) и проверка законов пропорциональности.

Описание установки

Схема лабораторной установки изображена на рис. 4.5.

Основным элементом установки является двухступенчатый центробежный насос Н типа 1,5К-6, рабочее колесо которого приводится во вращение электродвигателем ЭД постоянного тока типа П-31 номинальной мощностью 3,2 кВт. Для питания электродвигателя переменный ток преобразуется в постоянный с помощью выпрямителя.

Рабочая жидкость (вода) перекачивается насосом из резервуара Р, расположенного ниже уровня пола, в ёмкость Е2 по трубопроводу, состоящему из линии всасывания размером 49 5,5 мм и линии нагнетания размером 43 5,5 мм. Линия всасывания оборудована обратным клапа-

39

ном К, предотвращающим сток жидкости из неработающего насоса в резервуар Р.

На линии всасывания установлен вакуумметр (поз. 1); на линии нагнетания установлен манометр (поз. 2).

Расход перекачиваемой жидкости регулируется вентилем В1.

Для измерения расхода воды приёмная ёмкость Е2 оборудована водомерным стеклом (поз. 3) с отградуированной шкалой.

Рис. 4.5. Схема лабораторной установки для определения характеристик центробежного насоса 2 при n = 2900 об/мин [5]:

Н – насос; ЭД – электродвигатель; Р – резервуар; Е2 – ёмкость; К – клапан; К1 – кран; В1, В2; В3 – вентили регулировочные

40