Материал: Лабораторный практикум Ч 1

Внимание! Если размещение файла нарушает Ваши авторские права, то обязательно сообщите нам

Дисперсия времени пребывания (в единицах времени):

 

 

 

 

 

2

 

 

 

 

2

 

 

 

2

 

 

 

 

 

 

 

 

 

 

 

 

 

 

 

 

t

2 (1

F ) t dt

(1 F ) dt

 

2 I t dt I dt . (5.2)

 

0

 

0

 

 

0

 

0

 

 

Безразмерная дисперсия времени пребывания частиц жидкости в аппарате определяется соотношением:

 

 

2 t2 ,

(5.3)

 

 

 

t

2

 

 

где

t

– среднее время пребывания частиц в аппарате.

 

 

По величине безразмерной дисперсии

времени пребывания частиц в

аппарате можно судить о числе ячеек полного перемешивания, так как связь между ними определяется простым соотношением:

 

1

 

n

2 .

(5.4)

Цель работы: получение кривой отклика на ступенчатый ввод трассёра в аппарат с мешалкой; определение среднего времени пребывания частиц в аппарате; расчёт числа ячеек идеального смешения в исследуемом аппарате.

Описание установки

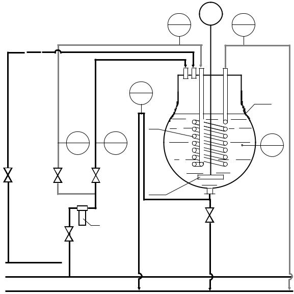
Схема лабораторной установки изображена на рис. 5.1.

Основным элементом лабораторной установки является стеклянный реакционный сосуд С грушевидной формы вместимостью 30 дм3.

Сосуд может быть заполнен горячей водой, подаваемой в ёмкость из водонагревателя автономной системы горячего водоснабжения (на рис. 5.1 не показана). На линии, соединяющей водонагреватель (не показан на схеме) и сосуд С установлен кран К1 (вблизи водонагревателя). В сосуд С может быть подана холодная вода (трассёр) из водопровода, протекающая через фильтр Ф. Расход холодной воды регулируется вентилем В2 и измеряется ротáметром (поз. 2), имеющим на поверхности трубки шкалу, отградуированную в «л/мин» («LPM»). Благодаря специально организован-

46

ному стоку воды через гидравлический затвор, объём жидкости в заполненном сосуде постоянен и равен VС 24,57 дм3.

 

 

 

 

TI

ЭД

TI

 

 

 

 

 

 

 

 

 

4

5

 

 

 

 

 

 

 

 

 

 

TI

 

 

 

 

 

 

3

 

С

 

 

 

 

З

 

 

 

 

FI

FI

 

 

TI

 

 

1

2

 

 

6

 

 

 

 

 

 

К1

В1

В2

 

 

 

 

 

 

 

 

М

 

 

 

 

 

Ф

 

К3

 

 

 

 

 

 

 

 

К2

 

 

 

 

 

 

Вода горячая

 

 

 

 

 

 

Вода холодная

 

 

 

 

 

Канализация

 

 

 

 

Рис. 5.1. Схема лабораторной установки для изучения

 

 

гидродинамической структуры потока [6]

 

Сосуд снабжён змеевиком З и стеклянной лопастной мешалкой М диаметром dм 136 мм, вращаемой электродвигателем ЭД. Частота вращения мешалки n 2 с 1.

Лабораторная установка оборудована электронным термометром (поз. 3), установленным на линии стока воды из сосуда в канализацию. Температура в объёме сосуда измеряется ртутным термометром (поз. 6).

47

Методика выполнения работы

Для проведения эксперимента сосуд должен быть заполнен горячей водой, подаваемой из водонагревателя автономной системы горячего водоснабжения.

Предварительную подготовку установки к эксперименту рекомендуется выполнить в следующем порядке:

1.Убедитесь, что кран К1 на линии подачи горячей воды закрыт.

2.Откройте кран К3 и опорожните сосуд.

3.Закройте кран К3. Откройте кран К1 на линии подачи горячей воды

изаполните сосуд.

Если вода, заполняющая сосуд, имеет температуру, близкую к комнатной (так как сначала сосуд заполняется водой, имеющей в коммуникационных трубопроводах комнатную температуру), то следует дождаться поступления в сосуд нагретой в водоподогревателе воды, прекратить её подачу и опорожнить сосуд. После опорожнения сосуда повторить действия пункта 3 с начала.

4.При достижении уровня воды в аппарате, покрывающим на 1,5–2 см верхний виток спирали змеевика, закройте кран К1 на линии подачи горячей воды.

5.Дождитесь полного стока избытка воды из сосуда в канализацию. После заполнения сосуда горячей водой установка подготовлена к проведению эксперимента.

Далее рекомендуется выполнение следующих процедур:

6.Включите привод мешалки М.

7.Откройте кран К2; с помощью вентиля В2 организуйте подачу трассёра (холодной воды) в сосуд, установив заданный постоянный расход, определяемый по отметке шкалы ротаметра, обозначенной верхним краем поплавка.

8.Периодически через равные интервалы времени t 3 мин производите измерение температуры воды на выходе из сосуда. Эксперимент рекомендуется выполнять в течение 30 мин.

9.Завершив накопление информации для построения кривой откли-

48

ка, закройте вентиль В2 и кран К2, выключите привод мешалки.

Обработка экспериментальных данных

1. Рассчитайте для каждого момента времени t безразмерный параметр F кривой отклика на ступенчатый ввод трассёра:

F

T0 Ti

,

(5.5)

 

 

T0 Tk

 

а также безразмерный параметр I:

 

 

 

I 1 F ,

(5.6)

где T0, Ti и Tk – температуры воды на выходе из сосуда соответственно в начальный, промежуточный и конечный моменты времени проведения эксперимента.

2.Постройте кривую отклика в координатах «Ft».

3.Рассчитайте по формулам (5.1)–(5.4): экспериментальное значение среднего времени пребывания частиц жидкости в сосуде, дисперсию времени пребывания в единицах времени и её безразмерную величину, число ячеек полного перемешивания.

Численное интегрирование экспериментальных данных может быть выполнено “методом трапеций”, при этом

 

 

 

I

0

 

i=k -1

I

 

 

 

 

 

 

 

 

 

 

 

 

 

 

 

 

 

 

 

 

 

 

 

 

I d t

 

 

Ii

 

k

 

t ,

 

 

(5.7)

 

2

2

 

 

 

0

 

 

 

i=1

 

 

 

 

 

 

 

 

 

 

I t

0

 

i=k -1

 

 

 

 

I t

 

 

 

 

 

 

 

 

 

 

 

 

 

I t dt

2

 

I t i

 

2

k

t ,

(5.8)

0

 

 

 

 

 

 

i=1

 

 

 

 

 

 

 

 

где i 0…k.

4. Рассчитайте теоретическое среднее время пребывания частиц жидкости в сосуде:

 

 

VA

,

(5.9)

t

теор V

где VA – объём жидкости в сосуде, V – объёмный расход трассёра.

49

Следует иметь в виду, что при подаче трассёра с расходом 1,2–1,8 л/мин в сосуде создается подпор воды (необходимый для преодоления гидравлического сопротивления отводящей линии) дополнительным объёмом Vдоп 0,6 дм3. Таким образом, при проведении опыта объём жидкости в сосуде составляет VA VE + Vдоп.

5. Экспериментальные и рассчитанные величины параметров занесите в табл. 5.1.

Таблица 5.1

Экспериментальные и рассчитанные величины параметров

i

t,

Тi ,

F

I

I∙t,

мин

°С

мин

 

 

 

0

0

 

0,0000

1,0000

 

1

3

 

 

 

 

2

6

 

 

 

 

 

 

 

 

k – 1

 

 

 

 

 

k

 

 

1,0000

0,0000

 

6. Сравните теоретическое среднее время пребывания частиц жидкости в сосуде, рассчитанное по формуле (5.9) с расчётным значением, полученным по формуле (5.1).

Среднее теоретическое время пребывания частиц жидкости в сосуде:

tтеор ___ мин .

Среднее экспериментальное время пребывания частиц жидкости в сосуде: tэксп ___ мин .

Число ячеек полного перемешивания: п = ____.

7. Проанализируйте полученные данные и сделайте выводы по рабо-

те.

50