якої буде паралельна площині вікна. Для цього слід активізувати потрібне вікно та вирівняти площину XY:
Рисунок 5.3 – Побудовані вісі
View ► Coordinates ►
View.
Запам'ятати 4-х-віконну конфігурацію з установками атрибутів під будь-яким ім'ям:
View ► Model Viewports ►
Named ► New Viewports.
Приховайте шар ВІСІ.
Перейти у простір листа, натиснувши у рядку під кресленням закладку Layout1. Якщо на полі креслення з'явилося зображення вікна, слід видалити його.
Зберегти активне креслення як шаблон з іменем 3D.dwt, після чого закрити файл.
5.2.2 Формування просторової моделі.
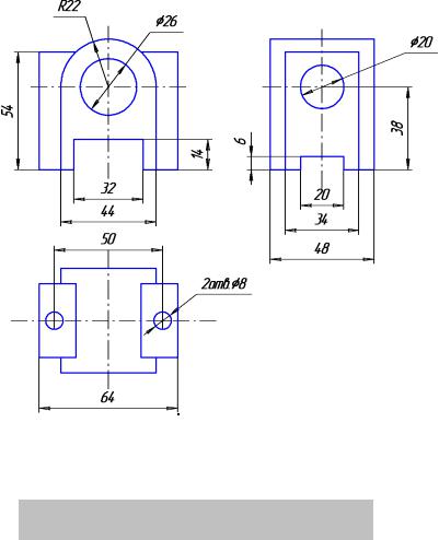
У цій частині роботи слід виконати 3D-модель деталі, креслення якої наведене на рис. 5.4.
Рисунок 5.4 – Завдання до роботи
Створити нове креслення AutoCAD за допомогою майстра на основі шаблона 3D.dwt:
Create New Drawing ►
Use A Template
Змініть робочий простір на 3D Modeling.
Активізувати ліве верхнє вікно. За замовчанням креслення відбуватиметься безпосередньо у площині XY. Щоб розташувати елементи у паралельній площині (вздовж вісі Z) слід змінювати значення системної змінної ELEVATION (додатні – зсув назовні екрану, від'ємні – всередину). Задати значення системної змінної
ELEVATION -24.
УВАГА! Для подальшого отримання твердотільних об'єктів необхідно виконувати цільні замкнені контури (якщо контур буде складатися з декількох окремих елементів — отримаємо відкриту поверхню). Цього можна досягти або за допомогою команди PLINE з ключами Arc, Line або звичайними командами LINE, CIRCLE та інші, та застосувати до накреслених примітивів команду JOIN (об'єднати).
Home ► Modify ►
Join
Координати точок задавати відповідно до розмірів деталі. Повинні отримати зображення як на рис.5.5.
Рисунок 5.5 – Створення базового контура
УВАГА! Також необхідно стежити за режимами прив'язок, тому що можна помилково прив'язатись до точки у паралельній площині.
На основі замкненого контура створити твердотільний об'єкт шляхом видавлювання на відстань 48 (рис. 5.6):
Home ► Modeling ►
Extrude
Примітка. Операція видавлювання виконується у напрямку перпендикулярно до площини примітива.
Рисунок 5.6 – Створення базового тіла
Активізувати праве верхнє вікно. Встановити значення змінної ELEVATION -32 та накреслити прямокутник 34х54:
RECTANG 7,-38 41,16.
Створити твердотільний об'єкт видавлюванням прямокутника, висота видавлювання 64.
Об'єднати створені об'єкти в один:
Home ►Solid Editing ►
Union.
Результат наведений на рис. 5.7.
Активізувати ліве верхнє вікно. Встановити значення ELEVATION -25. Виконати креслення прямокутника 32х14 та окружності радіуса 13.
УВАГА! Рекомендується вимкнути режим динамічних систем координат у інструментах креслення, тому що крок курсору може зсуватися в контексті елементів, що знаходяться під ним.
Рисунок 5.7 - Результат об'єднання об'єктів
Створити твердотільні об'єкти видавлюванням прямокутника та окружності на глибину видавлювання 50. Нові об'єкти повинні виходити за межі раніше створеного об'єкта.
Відняти два нові об'єкти від раніше створеного:
Home ► Edit ► Subtract 
На запит системи спочатку указати об’єкт, від якого слід відняти, а потім – об’єкти, що віднімаються.
Активізувати праве верхнє вікно. Встановити значення ELEVATION -35. Виконати креслення прямокутника 20х6 та окружності радіуса 10. Створити твердотільні об'єкти видавлюванням прямокутника та окружності на глибину видавлювання 70. Відняти нові об'єкти з раніше створеного за допомогою команди Subtract. Результат наведений на рис. 5.8.
Активізувати ліве нижнє вікно. Встановити значення ELEVATION -40. Виконати дві окружності радіусом 4. Створити твердотільні об'єкти видавлюванням на глибину 60. Відняти нові об'єкти з раніше створеного за допомогою команди Subtract.