Материал: Контроллер заряда аккумуляторной батареи от солнечной панели

Внимание! Если размещение файла нарушает Ваши авторские права, то обязательно сообщите нам

Солнечные батареи, могут быть изготовлены на основе кремния разного качества (чистоты): монокристаллического, поликристаллического, аморфного. На рисунке 1.6 пример солнечной батареи на основе фотоэлектрического модуля. Качество кремния влияет на срок службы солнечной батареи, на ее производительность, и на ее стоимость. Также на стоимость, надежность, долговечность и эффективность влияет множество других параметров солнечной батареи: качество стекла и подложки, качество профиля, сбор коробки и т.д.

Рисунок 1.4 - Фотоелектрический модуль

.4.2 Контроллер заряда аккумуляторных батарей

Контроллер заряда управляет процессами заряда блока аккумуляторных батарей от солнечных батарей (рис. 1.8). Контроллеры заряда различаются по алгоритмам заряда оn/off, pwn, mppt. От алгоритма заряда зависит: полностью используется емкость аккумуляторных батарей (для алгоритма оn/оff заряд до 90% от емкости), срок службы аккумуляторных батарей, полностью будет использована мощность солнечных батарей (контроллеры работают по алгоритму mррт позволяют снимать на 10-30% больше энергии из солнечных батарей).

Рисунок 1.5 - Контроллер заряда аккумуляторных батарей

Устройствами наиболее адаптированными к условиям эксплуатации, емкости и напряжению аккумуляторных батарей является МРРТ - контролеры. МРРТ - контроллеры представляют собой последнее поколение контроллеров заряда с лучшей технологии преобразования энергии, генерируемой фотомодулей. Аббревиатура МРРТ (Maximum power point tracker) - слежения за точкой максимальной мощности (ТМП). Эти контроллеры сами выбирают оптимальное соотношение напряжения и тока, которые снимаются с фотомодулей. Такие контроллеры снимают более высокое напряжение с солнечных батарей и конвертируют ее в оптимальное напряжение для заряда аккумуляторных батарей (АКБ).

Оптимальное напряжение фотомодуля почти всегда отличается от напряжения на АКБ. Для стандартных 12 В аккумулятора необходимо выдерживать заряд напряжением 14,4 В течение 2-4 часов. Эта стадия называется стадией абсорбции (насыщения).

При слабой освещенности, когда напряжение на фотомодулях ниже напряжения аккумуляторной батареи и как следствие отсутствие заряда, МРРТ контроллеры повышают это напряжение и заряд все равно происходит. МРРТ контроллер все время следит за током и напряжением на фотомодулях, умножает их значение и определяет пару ток-напряжение, при которых мощность солнечной батареи максимальна. Процессор следит за стадией заряда, в которой находится аккумулятор (наполнение, насыщение, выравнивание, поддержка) и на основании этого регулирует ток, подаваемый в АКБ.

Также процессор может давать индикацию параметров на табло (при наличии), хранить данные и т.п.

Применение МРРТ контроллеров позволяет получать от солнечных батарей на 15-30% больше электроэнергии по сравнению с другими контроллерами.

Если рассмотреть стандартную вольтамперную характеристику фотоэлектрического модуля, можно отметить, что произведенная электроэнергия может быть увеличена, если контроллер заряда отследит точку максимальной мощности фотомодуля (рис. 1.9).

Рисунок 1.6 - Изменение напряжения в точке максимальной мощности при различных температурах модуля

Точка максимальной мощности может исчисляться различными способами. Как правило, контроллер последовательно снижает напряжение от точки холостого хода к напряжению на аккумуляторе. Точка максимальной мощности будет находиться где-то в промежутке между этими значениями.

Положение точки максимальной мощности зависит от ряда факторов - от освещенности, температуры модуля, разнородности используемых модулей и т.д. Контроллер время от времени пытается слегка "отойти" от найденной точки в обе стороны, и если мощность при этом увеличивается, то он переходит на работу в этой точке. Теоретически, при поиске ТМП теряется немного энергии, но эта потеря очень незначительна по сравнению в той дополнительной энергии, которую обеспечивает МРРТ контроллер.

С помощью постоянного преобразования напряжений контроллер поддерживает различное напряжение на входе и выходе. Количество дополнительно полученной энергии, которую дают МРРТ контроллеры, сложно однозначно оценить численно. Основными факторами, влияющими на дополнительную выработку, являются температура и уровень заряженности аккумуляторной батареи. Наибольшая добавка будет заметна при низких температурах модуля и разряженных АКБ.

Напряжение может изменяться в точке максимальной мощности при различных температурах модуля, чем больше нагретый солнечный модуль, тем ниже его напряжение, и, соответственно, вырабатываемая энергия фотомодуля.

Поэтому, как правило, при использовании МРРТ контроллеров солнечные модули собирают на более высокое напряжение. Основная масса контроллеров отслеживает точку максимальной мощности в достаточно широких пределах. Такое решение позволяет увеличивать выработку энергии солнечной батареей при низкой освещенности. Однако не следует делать слишком большую разницу между входной и выходным напряжением, так как это приводит к снижению КПД контроллера.

Основные преимущества контроллеров МРРТ:

отсутствие потерь при заряде АКБ;

оптимальная работа при затенении части площади солнечных панелей;

повышенная отдача при слабой освещенности и при облачной погоде;

возможность использовать более высокую входное напряжение от фото-модулей;

позволяет уменьшить сечение кабелей;

позволяет увеличить дистанцию от панелей к контроллеру.

Сравнительная диаграмма генерации энергии фотоэлектрической системы с ШИМ-контролером и МРРТ представлена на рисунке 1.10.

Рисунок 1.7 - Сравнительная диаграмма PWM контроллера и МРРТ

Как видно из диаграммы, прирост электроэнергии в год системой с МРРТ контроллером против ШИМ составляет около 20%.

В приведенном ниже графике (рис. 1.11) показано, как при определенном значении напряжения сила тока начинает резко падать. Вместе с силой тока падает мощность, а, следовательно, уменьшается эффективность использования батареи. Для того, чтобы использовать всю мощность батареи, были разработаны специальные контроллеры заряда, которые могут отслеживать точку максимальной мощности.

Рисунок 1.8 - Реальный график мощности и тока солнечной батареи 80 Вт в зависимости от напряжения

Принципиальное отличие контроллера заряда МРРТ от всех остальных заключается в том, что он находит и отслеживает точку максимальной мощности солнечной батареи и использует всю доступную мощность путем широтно-импульсного преобразования при всех режимах заряда, а не только при последнем режиме для поддержки предельного напряжения зарядки. Таким образом, использование МРРТ контроллера позволяет увеличить количество используемой солнечной энергии от одной и той же батареи на 10-30% в зависимости от глубины разряда аккумулятора.

.4.3 Инвертор

Инвертор предназначен для преобразования постоянного тока аккумуляторных батарей в переменный с необходимыми параметрами (АС 230В, АС 380В, чистая или модифицированная синусоида 50Гц). Некоторые модели инверторов обладают расширенными функциями: автоматический ввод резерва, запуск генератора, встроенный контроллер заряда или интерфейс для совместной работы с контроллером заряда.

Основной параметр при выборе инвертора - это номинальная мощность нагрузки и пусковые токи нагрузки. Мощность инвертора определяется на основе суммарной мощности (кВт или кВА) и суммарных пусковых токов электрических потребителей дома, подключаемых к солнечной электростанции. То есть мощность инвертора должна быть не менее общей мощности электрических потребителей дома, подключаются к этому инвертора. А часто и большей, если присутствует оборудование с высокими пусковыми токами.

.5 Существующие схемотехнические решения устройств преобразования солнечной энергии

.5.1 Простые схемотехнические решения

Рисунок 1.9 - Схема зарядного устройства от солнечной батареи

В данном зарядном устройстве используется 12-ти вольтовая солнечная батарея со стабилизатором напряжения. Солнечная батарея состоит из солнечной панели по 1,2 вольта. 12-ти вольтовая солнечная батарея способна заряжать 12-ти вольтовый автомобильный аккумулятор.

Ток от солнечных элементов, через диод D1 поступает на стабилизатор напряжения LМЗ17. Вывод ADJ (регулирования) позволяет регулировать выходной ток и напряжение. Для зарядки необходимо напряжение 9В, которая получается, путем подстройки переменного резистора VR. Резистор R3 ограничивает ток заряда, а диод D 2 служит для предотвращения разряда аккумулятора.

Транзистор T1 и стабилитрон ZD служат для исключения зарядки после того, как аккумулятор превышает 6,8В, стабилитрон открывается и ток поступает на базу транзистора Т1, который также отказывается и ток от LМЗ17 теперь проходит через него на минус источника питания.

Источник питания на солнечной батарее

Пример источника питания на солнечной батарее может быть собран по схеме, изображенной на рисунке 1.17.

Рисунок 1.10 - Схема источника питания на солнечной батарее

Аккумуляторные батареи GВ1 и GВ2 подзаряжаются от солнечной батареи GL1. Диод VD1 не допускает их разрядки через солнечную батарею, когда ее напряжение ниже номинального значения, в результате недостаточного освещения.

Нажимая на кнопки SВ1-SВЗ, которые контролируют напряжение батарей, подключая к ним через балластный резистор R1 миллиамперметр РА1. Ток, потребляемый при измерении, намеренно выбран достаточно большим (около 100 мА). Это позволяет более точно оценить освещенность солнечной батареи и степень заряженности аккумулятора.

.5.2 Cхемотехнические решения средней сложности

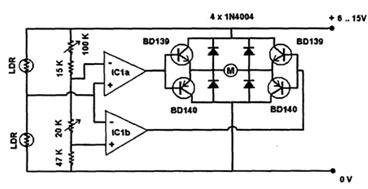
Принципиальная схема устройства слежения за солнцем изображена на рисунке 1.18, схема содержит микросхему операционного усилителя(К140УД20), транзисторы ВБ139 (КТ815Г, КТ961А) и ВБ140

Рисунок 1.11 - Принципиальная схема устройства слежения за солнцем

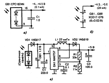
Схемы питания микроконтроллеров от солнечных элементов На рисунке 1.19 различные схемы питания от солнечных элементов.

Рисунок 1.12 - Различные схемы питания от солнечных элементов

а) малогабаритная солнечная батарея ОВ1 в планарном корпусе SOIC - 16. Ее энергии достаточно для питания МК, работает в максимальном режиме с низкой тактовой частотой 32768 Гц. Максимальный ток обеспечивается при прямом солнечном освещении или поблизости от яркой лампы накаливания. Замена солнечной батареи GВ1 - СРС1822 фирмы IXYS;

б) GВ1 ... GВ8 - это сборная солнечная панель, состоящая из восьми батарей фирмы IXYS. Каждая батарея выдает напряжение 0,63 В при токе 24 мА с высоким (17%) КПД;

в) напряжение от солнечной батареи ОВ1 одновременно заряжает;

Рисунок 1.13 - Различные схемы питания от солнечных элементов

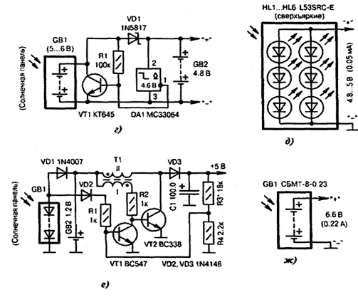
г) совместная работа солнечной батареи GВ1 и аккумулятора GВ2. Как только напряжение на выходе аккумулятора становится меньше +4,6 В, супервизор DA1 закрывает транзистор VТ1 и энергия начинает поступать от солнечной батареи. Диод VD1 предотвращает разряд аккумулятора GВ2 через открытый транзистор VТ1;

д) нестандартное применение более ярких светодиодов HL1 ... НL6 в качестве солнечных элементов для питания микромощных конструкций, в том числе и с применением МК. Выходное напряжение одного светодиода составляет 1,65 В при токе 25 мкА. Используется принцип световой оборачиваемости, или принцип частичной взаимозаменяемости светодиодов и фотодиодов;

е) совместная работа солнечной батареи GВ1 и аккумулятора GВ2. На транзисторах VT1, VТ2 собранный DС/DС-преобразователь по схеме блокинг- генератора с регулированием напряжения резистором RЗ. Трансформатор ТI наматывается на ферритовых кольцах диаметром 7-10 мм и содержит в первичной обмотке 20 витков, а во вторичной - 35 витков провода ПEВ-0,3;

ж) промышленная солнечная батарея GВ1 может служить бесплатным источником энергии для питания мобильных телефонов в тех местах, где по статистике наблюдается большое количество солнечных дней в году. Использовать такую батарею для питания самодельных конструкций из МК.

.5.3 Сложные схемотехнические решения

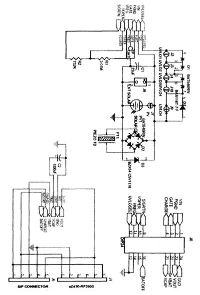
Как видно из схемы на рисунке 1.17, энергия света, превращенная солнечными батареями в электрическую, поступает на вход модуля СВС5300. Включен в модуль преобразователь step up, работающий в диапазоне входных напряжений от 0,5 V до 4,1 V, поднимает напряжение до 4,1 V. Этим напряжением заряжают два твердотельных аккумулятора СВС050 емкостью 50 mkAh и напряжением 3,8 V. Одновременно с зарядом аккумуляторов, заряжается и конденсатор емкостью 1000 ТКР, установленный в модуле СВС - SЕН-01.

Рисунок 1.14 - Принципиальная схема модуля солнечной батареи СВС-SHE-01

Эти аккумуляторы и конденсатор не дадут упасть напряжению питания микроконтроллера при работе радио модуля датчика. Питание 3,5 V, стабилизированную модулем СВС5300 поступает на беспроводной датчик T430 - RF2500Т через разъем J1 модуля.

Выводы по разделу

В результате изучения материалов аналитического обзора, в качестве разработки выделенный контроллер заряда аккумуляторной батарей от солнечных модулей.

Из рассмотренных вариантов наиболее перспективным решением, при построении контроллера, представляется МРРТ-контроллер - поиск ТОЧКИ максимальной мощности (ТМП).

Данному вопросу и будут посвящены следующие разделы.

На основании приведенной в аналитическом обзоре информации и тщательного рассмотрения ключевых и наиболее значимых моментов данной темы составим структурную схему устройства.

. Разработка структурной схемы

Опишем общую структуру всей фотоэлектрической системы. Основными элементами являются: солнечная панель, контроллер заряда и аккумуляторная батарея. Солнечная панель является источником энергии. Контроллер заряда обеспечивает отбор максимальной мощности от солнечной панели при изменении условий окружающей среды (температуры солнечного модуля, уровня освещенности, угла падения светового потока, географического расположения и т.д.).

На рис. 2.1 показана структурная схема контроллера заряда аккумуляторной батареи от солнечной панели.

Рисунок 2.1 - Структурная схема контроллера заряда с питанием от солнечной батареи

Импульсный преобразователь, служит основным элементом заряда аккумуляторной батареи и выступает исполнительным элементом в системе контроля за точкой максимума на кривой мощности солнечного модуля.