Материал: Контроллер заряда аккумуляторной батареи от солнечной панели

Внимание! Если размещение файла нарушает Ваши авторские права, то обязательно сообщите нам

 (5.16)

 (5.17)

DD 2 - IR2121 DIР 8.

Мощность элемента Рел = 0,23 Вт.

Площадь поверхности элемента Sел = 0,0003462 м2.

Удельная рассеиваемая мощность определяется зависимостью

.

Перегрев поверхности элемента определяется зависимостью

.

Перегрев окружающей элемент среды определяется следующей зависимостью

.

Температура поверхности элемента определяется по формуле

.

Температура среды, окружающей элемент

Мощность элемента Рел = 0,04 Вт.

Площадь поверхности элемента Sел = 0,0003462 м2.

Удельная рассеиваемая мощность определяется зависимостью

.

Перегрев поверхности элемента определяется зависимостью

.

Перегрев окружающей элемент среды определяется следующей зависимостью

.

Температура поверхности элемента определяется по формуле

.

Температура среды, окружающей элемент

.

Так как температура поверхности элемента меньше максимальной рабочей температуры (85°С), то элемент не перегревается и работает нормально.-АСS712 SOIС8.

Мощность элемента Рел = 0,07 Вт.

Площадь поверхности элемента Sел = 0,000069 м2.

Удельная рассеиваемая мощность определяется зависимостью

.

Перегрев поверхности элемента определяется зависимостью


Перегрев окружающей элемент среды определяется следующей зависимостью


Температура поверхности элемента определяется по формуле

.

Температура среды, окружающей элемент

.

Так как температура поверхности элемента меньше максимальной рабочей температуры (125° С), то элемент не перегревается и работает нормально.- 1986BE92У Н18.64-1В.

Мощность элемента Рел = 0,04 Вт.

Площадь поверхности элемента Sел = 0,0003462 м2.

Удельная рассеиваемая мощность определяется зависимостью


Перегрев поверхности элемента определяется зависимостью


Перегрев окружающей элемент среды определяется следующей зависимостью


Температура поверхности элемента определяется по формуле

.

Температура среды, окружающей элемент


Так как температура поверхности элемента меньше максимальной рабочей температуры (125°С), то элемент не перегревается и работает нормально.-АD7524 - DIР 16.

Мощность элемента Рел = 0,45 Вт.

Площадь поверхности элемента Sел = 0,0006 м2.

Удельная рассеиваемая мощность определяется зависимостью


Перегрев поверхности элемента определяется зависимостью

.

Перегрев окружающей элемент среды определяется следующей зависимостью

.

Температура поверхности элемента определяется по формуле



Температура среды, окружающей элемент

.

Так как температура поверхности элемента меньше максимальной рабочей температуры (125°С), то элемент не перегревается и работает нормально.-АDС08161 - DIР20.

Мощность элемента Рел = 0,1 Вт.

Площадь поверхности элемента Sел = 0,0004016 м2.

Удельная рассеиваемая мощность определяется зависимостью

.

Перегрев поверхности элемента определяется зависимостью

.

Перегрев окружающей элемент среды определяется следующей зависимостью


Температура поверхности элемента определяется по формуле

.

Температура среды, окружающей элемент

.

Так как температура поверхности элемента меньше максимальной рабочей температуры (85°С), то элемент не перегревается и работает нормально.-К525ПС2Б - DIР16.

Мощность элемента Рел = 0,11 Вт.

Площадь поверхности элемента Sел - 0,0006 м2.

Удельная рассеиваемая мощность определяется зависимостью


Перегрев поверхности элемента определяется зависимостью

.

Перегрев окружающей элемент среды определяется следующей зависимостью

.

Температура поверхности элемента определяется по формуле



Температура среды, окружающей элемент


Так как температура поверхности элемента меньше максимальной рабочей температуры (125°С), то элемент не перегревается и работает нормально.

С2-23Н-0,125 Вт.

Мощность элемента Рел = 0,125 Вт.

Площадь поверхности элемента Sел = 0,00006248 м2.

Удельная рассеиваемая мощность определяется зависимостью

.

Перегрев поверхности элемента определяется зависимостью

.

Перегрев окружающей элемент среды определяется следующей

зависимостью

.

Температура поверхности элемента определяется по формуле

.

Температура среды, окружающей элемент

.

Так как температура поверхности элемента меньше максимальной рабочей температуры (155°С), то элемент не перегревается и работает нормально.

.7 Расчет надежности устройства

Определение надежности устройства осуществляется по методике расчета по внезапным эксплуатационным отказам по известным показателям надежности элементов устройства с учетом следующих допущений: отказы элементов статистически независимые и отказ любого элемента приводит к отказу всего устройства.

Интенсивность отказов устройства определится по формуле (5.18)


где λ0i - интенсивность отказа i-го элемента;

αi - поправочный коэффициент, учитывающий влияние температуры окружающей среды и электрическую нагрузку прибора;

k λ = kλ1 * kλ2 * kλз - поправочный коэффициент, учитывающий условия эксплуатации устройства;

kλ1 - влияние механических факторов

kλ2 - влияние климатических факторов

kλз - условия работы при пониженном атмосферном давлении

Интегральные микросхемы.

Интенсивность отказов λ0 = 0,5 10 -6 1 / ч.

Количество элементов: 10.

Резисторы постоянного сопротивления.

Интенсивность отказов λ0 = 0,5 -10-6 1 / ч.

Поправочный коэффициент α = 0,84.

Количество элементов: 17.

Резисторы переменные.

Интенсивность отказов λ0 = 0,5-10-6_1 / ч.

Количество элементов: 2.

Резисторы подстроечные.

Интенсивность отказов λ0 = 0,5-10-6 1 / ч

Количество элементов: 4.

Конденсаторы.

Интенсивность отказов λ0 = 0,7 10-6 _1 / ч

Коэффициент нагрузки: kн = 0,6.

Поправочный коэффициент α = 0,9.

Количество элементов: 23.

Кнопки тактовые.

Интенсивность отказов λ0 = 5-10-6 1 / ч

Коэффициент нагрузки: kн = 0,5.

Поправочный коэффициент α = 0,21.

Количество элементов: 5.

Кварцевый резонатор.

Интенсивность отказов λ0 = 0,7 10-6 1 / ч

Коэффициент нагрузки: kн = 0,6.

Поправочный коэффициент α = 0,9.

Количество элементов: 1.

Элементы крепления.

Интенсивность отказов λ0 = 0,4 10-6 1 / ч

Количество элементов: 16.

Плата печатная.

Интенсивность отказов λ0 = 0,1 10-6 1 / ч

Количество элементов:

Пайка соединительная.

Интенсивность отказов λ0 = 0,04 10-6 1 / ч

Количество элементов:

Провод соединительный.

Интенсивность отказов (на 1 погонный метр) λ0 = 0,12 10-6 1 / ч

Количество элементов:

Итак, интенсивность отказа устройства вычисляется, как

 .

Средняя наработка устройства на отказ рассчитывается по формуле 5.19

 (5.19)

6. Имитационное моделирование работы устройства

.1 Принцип работы импульсного преобразователя постоянного напряжения ИППН

Поскольку одним из важнейших блоков разрабатываемой системы является импульсный преобразователь постоянного напряжения понижающего-повышающего типа - ИППН, поэтому в этом разделе будет проведено моделирование работы именно этой части устройства.

Импульсные преобразователи постоянного напряжения характеризуются высоким значением КПД, массогабаритным показателям и надежности работы. Они используются в тех случаях, когда нужно согласовать напряжение питания нагрузки с выходным напряжением источника первичного электропитания.

Блок - схема преобразователя ИППН приведена на рисунке 4.1.

На рисунках 6.1 и 6.2 приведены диаграммы тока и напряжения в ИППН в непрерывном и прерывистом режимах соответственно.

Рисунок 6.1 - Ток и напряжение в ИППН в непрерывном режиме

Рисунок 6.2 - Ток и напряжение в ИППН в прерывистом режиме

Данный ИППН может осуществлять повышение или понижение постоянного напряжения, то есть в зависимости от частоты и / или коэффициента заполнения (величина, обратная скважности) управляющих импульсов на ключ, напряжение на нагрузке (аккумуляторной батареи) может быть больше или меньше напряжения источника (фотоэлектрического модуля).

Целью моделирования является воссоздание работы импульсного преобразователя постоянного напряжения в режимах снижения и повышения напряжения.

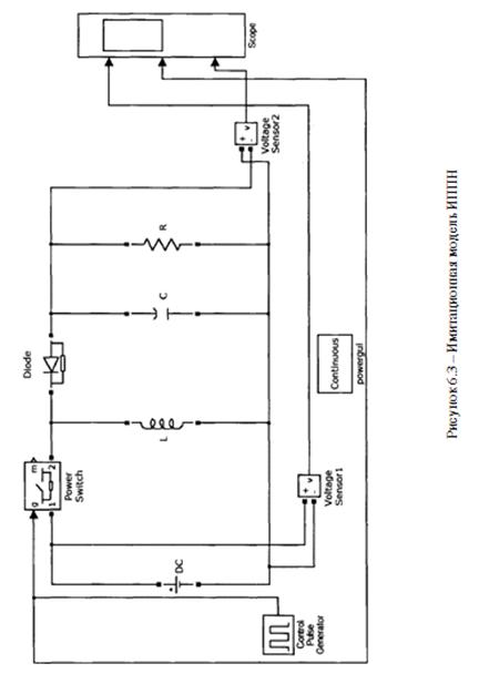
.2 Имитационная модель ИППН

Моделирование осуществляется в приложении Sym Power System системы Matlab. Имитационная модель ИППН изображена на рисунке 6.3.

Напряжение источника питания, составляет 17,5В.

Модель преобразователя состоит из идеального ключа, индуктивности, обратного диода, конденсатора и формирователя импульсов.

Описание блоков, используемых в модели, приведено ниже.



Рисунок 6.4 - Диаграмма работы ИППН в понижающем режиме

Рисунок 6.5 - Диаграмма работы ИППН в повышающем режиме

Соntrol Рulse Generator - формирователь прямоугольных импульсов, используется для моделирования системы управления преобразователем. В таблице 6.1 приведены параметры блока Соntrol Рulse Generator.

Таблица 6.1 - Параметры блока Соntrol Рulse Generator

Название блока

Режим работи

Период, с

Ширина импульсов, % от периода

Соntrol Рulse Generator

Понижающий

0,002

10


Повышающий

0,002

зо


Роwеr Switch - используется в качестве ключевого элемента для коммутации напряжения. Параметры блока Роwеr Switch и параметры блока Diode остались по умолчанию.

В таблице 6.2 и 6.3 приведены параметры блоков L, С, R, и источника напряжения соответственно.

Таблица 6.2 - Параметры блоков L, С, R (Фильтр)

Название блока

Сопротивление, Ом

Индуктивность, Гн

Емкость, Ф

L

0

0,01

Inf

С

0

0

100е-6

R

ІеЗ

0

inf


Таблица 6.3 - Параметры источника напряжения

Назва блока

Амплитуда, В

ОС

17,5


На рисунках 6.4 и 6.5 представлены диаграммы, характеризующие работу ИППН в понижающем и повышающем режимах соответственно.

По результатам моделирования можно сделать вывод о том, что данный преобразователь соответствует необходимым требованиям, а именно повышает/понижает напряжение до нужного для нагрузки уровня. Обеспечивает надежную работу всей системы в целом и осуществляет корректную зарядку аккумуляторной батареи.

7. Охрана труда

.1 Анализ опасных и вредных производственных факторов

В данном дипломном проекте разработано устройство заряда аккумуляторной батареи с питанием от солнечного модуля. Устройство имеет свои "конструктивные и схемотехнические особенности, которые необходимо учесть при монтаже и наладке, так как в противном случае он или его отдельная часть на стадии сборки и монтажа может выйти из строя. Особое внимание надо уделить вредным факторам при работе, обслуживании и утилизации аккумуляторных батарей, а также общей опасности поражения электрическим током.