где ![]()
Определяем площадь
поршня:
![]()
где ![]()
- давление рабочей
жидкости.
Определяем диаметр
поршня:

Определяем диаметр
штока:
![]()
Определяем площадь
сечения штока:
![]()
Определяем наружный
диаметр гасителя:
![]()
Определяем длину
гасителя колебаний:
![]()
где ![]()
- динамический прогиб;
![]()
- статический прогиб.
Определяем коэффициент
сопротивления гасителя:
![]()
Определяем коэффициент
демпфирования:
где ![]()
- критический
коэффициент демпфирования;
![]()
- жесткость листовой
рессоры;
![]()
- подрессоренная масса
электробуса, которая приходится на подвеску.
Полученное значение
коэффициента демпфирования удовлетворяет условию
.
Определяем коэффициент
сопротивления гасителя:
Определяем площадь
калиброванных отверстий перепускных клапанов, обеспечивающих линейность
характеристики гасителя:

где
-
коэффициент расхода рабочей жидкости через калиброванные отверстия перепускных
клапанов;
![]()
- плотность рабочей
жидкости.
6. Алгоритм расчета
упругого подвешивания
Система упругого подвешивания является составным элементом ХЧ ПС, от которой в значительной степени зависят безопасность движения, качество обслуживания пассажиров, срок службы ПС и т.п. Система упругого подвешивания предназначена для обеспечения требуемой плавности хода экипажа за счет смягчения динамических вертикальных, продольных и боковых нагрузок, которые действуют на ПС при прохождении им неровностей путевой структуры и вписывании в кривые.
При проектировании системы упругого подвешивания необходимо:
. Определить количество ступеней упругого подвешивания;
. Определить величину прогиба каждой ступени под статической нагрузкой;
. Выбрать тип и рассчитать характеристики упругих элементов каждой ступени подвешивания;
. Выбрать тип и определить габаритные показатели гасителей колебаний каждой ступени подвешивания;
. Скомпоновать ходовые части ПС с размещенными в них элементами системы упругого подвешивания в трех положениях: под статической нагрузкой, соответствующей нормальному наполнению; при динамическом прогибе сжатия, соответствующем максимальному наполнению ПС; при динамическом прогибе отбоя под тарой кузова.
Наиболее возможный
(конструктивный) прогиб упругого подвешивания, определяемый ограничителями
хода, рассчитывается по формуле:
![]()
,
где
-
коэффициент запаса прогиба;
- статический прогиб,
.
Величина статического
прогиба системы упругого подвешивания определяется из условия обеспечения
необходимой плавности хода, которая оценивается по формуле:
где
-
амплитуда колебаний, м;
- частота колебаний, Гц.
Удовлетворительным
показателем плавности хода электробуса считают если
.
Оптимальное с точки
зрения воздействия на организм человека значение частоты колебаний лежит в
пределах
Гц,
чему соответствует величина статического прогиба системы упругого подвешивания
м.
Для упругих элементов с
переменной жесткостью:
,
где
-
максимальная по условиям допускаемых напряжений для материала упругого элемента
сила, вызывающая конструктивный прогиб, Н;
- статическая нагрузка
на элемент, Н.
При проектировании целесообразно использовать упругие элементы с переменной жесткостью, т.к. они не допускают больших колебаний кузова, а, следовательно, и подножек.
Гашение колебаний
обеспечивается или путем установки специальных гасителей колебаний, или
применением упругих элементов с трением. Внутреннее трение упругого элемента
характеризуется коэффициентом относительного трения:
,
где
-
приведенная сила трения в упругом элементе, Н;
- нагрузка, приложенная
к упругому элементу, Н.
Коэффициент
относительного трения пружин и пневматических упругих элементов практически равен
нулю; коэффициент листовых упругих элементов зависит только от их
геометрических характеристик и коэффициента трения; коэффициент резиновых
упругих элементов зависит от амплитуды и частоты колебаний. Для резины
,
поэтому она используется как амортизатор и гаситель.
Спроектированная система
упругого подвешивания должна быть проверена на устойчивость в поперечной
плоскости. Устойчивость кузова при крене проверяется по формуле:
, м,
где
-
коэффициент запаса устойчивости против валкости кузова;
- расстояние между
упругими элементами в поперечной плоскости, м.
7. Алгоритм разработки
конструктивного исполнения ходовых частей
Ходовыми частями (ХЧ) называются элементы ПС, расположенные между кузовом и путевой структурой и предназначенные:
. Для обеспечения необходимой кинематической связи кузова с путевой структурой;
. Передачи вертикальных, продольных и боковых сил от взаимодействия ПС с путевой структурой;
. Преобразования энергии, полученной от источника, в работу, затрачиваемую тяговым приводом на приведение экипажа в движение.
ХЧ подразделяются на колесные и бесколесные. Первые из них могут быть тележечного и бестележечного исполнения.
У ПС бестележечного исполнения ХЧ экипажа связаны рамой кузова. Конструкция ХЧ тележечного исполнения более сложна, т.к. предполагает наличие специального устройства (рамы или элементов, выполняющих ее функции), объединяющего колеса ПС в самостоятельный узел - тележку. Тележки ПС выполняются одно- и двухосными, поворотными и неповоротными.
При разработке конструктивного исполнения ХЧ безрельсового ПС в зависимости от его типа могут быть применены тележечные ХЧ или мостовые. При использовании мостовых конструкций целесообразно в ведущих мостах применять разнесенные редукторы, позволяющие увеличить клиренс; в ведущих и управляемых мостах - бездисковые колеса; в системе упругого подвешивания - пневмоэлементы.
Спроектированные ХЧ должны обеспечивать:
. Необходимую безопасность движения при установленных скоростях;
. Требуемую плавность хода;
. Установку кузова в необходимом положении относительно посадочных пассажирских платформ;
. Ограничение бокового крена кузова при движении в кривых участках пути;
. Минимальное динамическое воздействие на кузов и путевую структуру;
. Минимальное сопротивление движению;
. Простоту обслуживания
при эксплуатации и ремонтопригодность.
8. Определение схемы
тягового привода
Тяговым электроприводом движущих колес ХЧ ПС называют устройство для управляемого преобразования электрической энергии в механическую (режим тяги) или механической в электрическую (режим реостатного или рекуперативного торможения). Механическая энергия привода расходуется на создание на движущих колесах крутящего момента, обеспечивающего поступательное движение ПС.
Схема тягового электропривода существенно влияет на ряд таких важных показателей ПС, как габариты и масса ходовых частей, состав и размещение элементов тяговой передачи, способы крепления кузова к ходовым частям и т.д.
В настоящее время различают три типа тягового электропривода:
. Индивидуальный;
. Групповой;
. Дифференциальный.
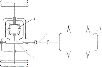
В данном курсовом
проекте будем использовать дифференциальный тяговый электропривод,
кинематическая схема которого представлена на рисунке 8.1.
Рисунок 8.1 -
Кинематическая схема дифференциального тягового электропривода
На рисунке 8.1 введены следующие обозначения:
- тяговый электропривод;
- карданная передача;
- редуктор;
- межколесный
дифференциал.
9. Проектирование и
расчет рулевого управления
В ходе расчетов рулевого управления однокузовного ПС определяются: кинематика поворота управляемых колес и рулевой передачи; усилия, действующие в элементах рулевой передачи и привода; геометрические размеры деталей.
Детали рулевого механизма рассчитывают из условия приложения к рулевому колесу окружной силы величиной 400 Н (максимально возможная сила водителя).
На рисунке 14, а
представлена кинематическая схема вписывания в кривые, а на рисунке 14, 6 -
схема сил, действующих на детали рулевого управления при использовании в
качестве рулевого механизма винта с кривошипом.
Рисунок 9.1 -
Кинематическая схема вписывания в кривые
Рисунок 9.2 - схема сил,
действующих на детали рулевого управления при использовании в качестве рулевого
механизма винта с кривошипом (б)
10. Выбор типа и расчет
механических тормозов электромобиля
Тормозные устройства на подвижном составе предназначены для снижения скорости движения, полной остановки и затормаживания на уклоне после остановки.
При проектировании тормозных устройств требуется выполнить расчет тормозного устройства или его элементов и определить эффективность их действия. Для данной модели электромобиля используется барабанный тормоз с внутренним расположением.
Полную величину тормозной силы (при
торможении всеми колесами) можно найти из уравнения:
,
где ат = 3,2
м/с2 - замедление предполагаемого равномерно-замедленного движения
при торможении; Gп - полный вес ЭПС.
Так как на задний мост
приходится половина веса всего ЭПС, то и тормозная сила, приходящаяся на задний
мост:
;
Тормозной момент на движущем колесе заднего моста определяется по тормозному усилию моста Вт:
,
где Rк =
0,203 м - радиус колеса; Вт/2 - тормозное усилие на один тормозной механизм.
.
Силы нажатия на тормозные колодки при фиксированных разжимных устройствах в тормозном механизме с приработавшимися тормозными колодками определяются:
· на активную (левую)
колодку
,
где а = 0,145 м; μ = 0,3 - коэффициент трения накладки по барабану; r = 0,185 м - радиус тормозного барабана; h1 = 0,28 м.
.
· на пассивную правую
колодку.
,
где h2=0,31
м.
.
Рисунок 10.1 - Схемы действия сил на
тормозные колодки барабанного тормоза а - активную; б - пассивную
Момент Мd приложенный к
валу разжимного кулака, для получения усилий на тормозные колодки Р1
и Р2 определяется формулой:
,
где d = 0,02 м.
.
По моменту Мd разжимного кулака производится расчет его вала, рычажной передачи и тормозного привода.
Работоспособность и эффективность тормозного механизма определяется по удельному давлению тормозных колодок на барабан, удельной работе, мощности трения и температуре нагрева тормозного механизма.