Материал: konspekt_vpe

Внимание! Если размещение файла нарушает Ваши авторские права, то обязательно сообщите нам

71

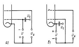
Рис. Схема сіткової (а) та катодної (б) модуляцій: Uс – напруга сигналу; Uп – напруга на електроді прискорення.

При сітковій модуляції змінюється напруга між модулятором та катодом.

При катодній модуляції одночасно змінюється напруга між катодом та електродом прискорення на потенціал сигналу Uс, що приводить до збільшення крутизни модуляційної характеристики трубки, особливо в електронних прожекторах з малими потенціалами електроду прискорення.

Рис. Схема прожектора електронів тринітронного (планарного) типу.

Для трьох променів використовується загальна електронна оптична система. Використовується катодна модуляція електронного променя. Модулятор, електроди прискорення, перший та другий аноди є загальними для трьох променів.

Системи відхилення електронного пучка – забезпечують зміну траєкторій електронних пучків. Поділяються на електростатичні та магнітні.

Вимоги до систем відхилення:

-повинна мати як найбільшу чутливість до відхилення: більше відхилення при меншому відхиляючому факторі (потенціал відхилення або напруженість магнітного поля);

-повинна бути лінійною: відхилення променя пропорційне відхиляючому фактору у будь-якому місці; повинна забезпечувати необхідний кут відхилення не впливаючи на фокусування променя.

72

Чутливість електростатичного та магнітного відхилення відповідно пропорційні 1/Uа та 1/, що означає меншу чутливість останньої до потенціалу останнього аноду (часто використовуються у високовольтних трубках).

Чутливість магнітної системи відхилення залежить від відношення заряду до маси частинок. Масивні іони будуть відхилятися менше ніж електрони що приводить до утворення на екрані іонної плями – індикатора руйнування люмінофору.

Індуктивність котушок магнітних систем обмежує швидкість зміни значень струму. Інерційність проявляється на частотах в декілька десятків кілогерц. Електростатична система відхилення використовується до сотень мегагерц.

Перевага магнітної системи у малих абераціях, що дозволяє в декілька разів збільшувати кути відхилення та зменшувати довжину трубки.

Електростатичні системи є більш економічними, мають невеликі габарити та масу. До недоліків відносять малі кути відхилення.

Люмінофор повинен мати наступні характеристики:

високий ККД ;

високу світлову віддачу;

добре дегазовуватися;

бути термічно стійким;

стабільно зберігати свої властивості;

мати достатній термін служби.

73

Люмінофор (катодолюмінофор) – речовина, що перетворює кінетичну енергію електронів у випромінювання видимого діапазону довжин хвиль. Процес даної трансформації енергії має назву катодолюмінісценції.

Люмінофор складається з основної речовини (основа), речовини активатора та слідів домішок плавенів. В якості основи використовують: сульфіди; силікати; сульфід-селеніди; вольфрамати; фосфати; оксиди

металів; фторіди; боріди та інш.

Сульфідні люмінофори мають гарну світловіддачу, але чутливі до забруднення.

Силікатні люмінофори мають хімічну та термічну стійкість та стійкі до електронного бомбардування. Світлова віддача нижча ніж у сульфідних люмінофорів.

Оксидні люмінофори мають високу стійкість до електронного бомбардування. Колір світла дуже залежить від характеру обробки.

Фторидні люмінофори мають найтриваліше післясвічення. Чутливі до електронного бомбардування.

В якості активаторів використовують: мідь; срібло; олово; марганець; титан; вісмут та інші метали і рідкоземельні елементи.

Концентрації активаторів від 0,01% до 1 %.

Кількість та хімічний склад активатора визначає світлову віддачу та час післясвічення.

Плавні – легкоплавкі речовини (типу КСl, MgCl2), що додаються в шихту люмінофору для зменшення температури сплавлення люмінофору з активатором. Після кристалізації люмінофору плавні мають бути видалені з нього.

Характеристики люмінофорів екранів ЕПП.

Часом післясвічення зазвичай називають час, за який яскравість свічення В спадає до 1 % від початкового значення В0. Люмінофори за часом післясвічення діляться на п'ять груп:

а) дуже коротке післясвічення (менше 10 мксек) б) коротке післясвічення (10 мксек -- 0,01 сек) в) середнє післясвічення (0,01 -- 0,1 сек)

г) тривале післясвічення (0,1 -- 16 сек)

д) дуже тривале післясвічення (більше 16 сек).

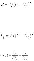
Яскравість свічення екрану (кд/м2) – сила світла, що випромінюється 1 м2 екрану у напрямку перпендикулярному до поверхні. Залежить від люмінофорів та умов їх збудження. Визначається емпіричною формулою:

де j – густина струму (А /см2); U0 -- потенціал, при якому зачинається свічення люмінофору; А -- стала, що характеризує люмінофор; показник ступеня т в робочому діапазоні напрузі має величину m=1 - 3.

Яскравість сучасних кінескопів складає 120-150 кд/м2 .

Помноживши яскравість на площу отримуємо залежність сили світла від струму електронів та напруги прискорення останнього аноду:

Для характеристики ефективності люмінофорів по яскравості користуються параметром – світлова віддача люмінофору, що визначається як відношення сили світла у канделах до потужності електронного променя.

де Iф -- сила світла плями, U а -- потенціал останнього анода трубки. Значення світлової віддачі сучасних екранів складає 0,14 10 кд/Вт.

74

75

Електронний мікроскоп – прилад для спостерігання та фотографування багаторазово збільшеного (до 106 разів) зображення об‘єкта за допомогою пучків електронів, прискорених до енергій 30-1000 кеВ і більше в умовах вакууму.

Розділяються на:

-просвічувальний електронний мікроскоп (ПЕМ);

-надвисоковольтний електронний мікроскоп (НВЕМ);

-растровий електронний мікроскоп (РЕМ);

-просвічувально – растровий електронний мікроскоп (ПРЕМ);

-скануючий тунельний (зондовий) мікроскоп (СТМ) або атомарно-силовий мікроскоп (АСМ).

Хід променів в електронному мікроскопі, призначеному для отримання зображення тонкого об'єкту в електронних променях такий же, як в аналогічному оптичному мікроскопі.

Воптичному мікроскопі контраст обумовлений різним поглинанням світлових променів в різних частинах

об'єкту.

Велектронному мікроскопі електрони в об'єкті не поглинаються, а розсіюються. Ділянки об'єкту з більшою щільністю або товщини розсіюють електрони сильніше і відхиляють їх на більший кут. Відмінність у ступені розсіяння електронів різними частинами об'єкту і використовується для формування контрастного зображення в електронній мікроскопії.

Якщо зображення виходить за допомогою електронних променів відхилених в об'єкті на малі кути, то воно називається світлопольним. Зображення може бути сформоване і за допомогою променів розсіяних на великі кути,

аелектрони з малими кутами відхилення до площини зображення за допомогою якихось пристосувань не пропускаються. В цьому випадку зображення називається темнопольним.

Основними характеристиками мікроскопа є збільшення і роздільна здатність.

Збільшення визначається спільним збільшенням об'єктиву і проекційної лінзи. Причому збільшення тим більше, чим менше фокусні відстані лінз.