Материал: Комплекс технических эксплуатационных и наладочных мероприятий для устранения неисправности в токарном обрабатывающем центре

Внимание! Если размещение файла нарушает Ваши авторские права, то обязательно сообщите нам

Комплекс технических эксплуатационных и наладочных мероприятий для устранения неисправности в токарном обрабатывающем центре

ВВЕДЕНИЕ

Единичное, мелко серийное и серийное производство являются основной тенденцией современного машиностроения. Такие производства характеризуются изготовлением единичных изделий либо партий изделий, регулярно повторяющемся через определенные промежутки времени.

Станки с ЭСПУ - это прогрессивный вид металлообрабатывающего оборудования, сочетающего производительность станков автоматов и гибкость универсального оборудования, воплотившие в себе последние достижения и вычислительной техники. Особенностью станков с ЭСПУ является низкая трудоемкость переналадки при переходе от выпуска одной детали к другой, для чего достаточно заменить программу обработки и осуществить минимальное количество других действий (частичная переналадка приспособлений, замена инструмента т.д.). таким образом станки с ЭСПУ обладают высокой гибкостью в сочетании с высокой производительностью. Высокая мобильность, снижение трудоемкости подготовки производства при освоении предприятием новых изделий важна в условиях рыночной экономики. При рациональном использовании станков с ЭСПУ экономия на трудовых затратах составляет 25-80%. Один станок с ЭСПУ заменяет от 3 до 8 станков с ручным управлением, увеличивается машинное время и производительность труда повышается на 50%.

Однако такая эффективность станка с ЭСПУ может быть достигнута только при правильном выборе режущего инструмента, инструментальной оснастки и профессиональной эксплуатации станка. Надо отметить, что в первую очередь эффективность работы числового программного управления зависит от установленной управляющей программы. Совершенствование ЭСПУ происходит за счёт разработки новых, учитывающих всё большее число требований, управляющих программ.

Также можно отметить, что широкое внедрение в машиностроение станков с программным управлением поставило задачу подготовки квалифицированного персонала, участвующего в создании, освоении и обслуживании этой сложной техники. В указанных процессах принимают участие конструкторы, технологи, программисты, наладчики станков, операторы, специалисты ремонтных служб. Следует подчеркнуть особую роль наладчиков. Освоение нового станка с программным управлением и настройка его на обработку детали требуют от наладчика широкого круга знаний в различных областях техники. Эрудиция наладчика в теоретических вопросах должна сочетаться с умением решать чисто практические задачи по настройке станка. Наладчик должен уметь выявлять недочеты в управляющих программах и корректировать их, добиваясь при минимальных затратах времени наилучших результатов по производительности, точности обработки и расходу режущих инструментов. Особая ответственность лежит на наладчике в тех случаях, когда возникают неисправности в работе станка. Наладчик должен в кратчайшие сроки отыскать причину неисправности и принять меры к ее устранению своими силами или с привлечением специалистов из соответствующих служб.

Таким образом, от наладчика в значительной степени зависит производительность и качество обработки, а также надежность работы оборудования.

1. ТЕХНИЧЕСКАЯ ЧАСТЬ

бесконтактный датчик безотказный алгоритм

1.1 Функциональное назначение заданного комплекса технологического оборудования: ЭСПУ - электропривод - станок (без технических даныых)

Токарный центр модели «SBL 300 CNC» выпускается с одним или двумя шпинделями (противошпиндель).Особые характеристики этого токарного обрабатывающего центра предназначают его применять в средне и крупносерийном производстве для точной обработки деталей сложной конфигурации из металлов или пластмасс. Наличие противошпинделя позволяет производить с перехватом комплексную обработку деталей с двух сторон на одном станке (включая финишные операции). Во всех областях применения - в подшипниковом производстве, в серийном производстве, при изготовлении фланцев, дисков для сцеплений или карданных валов для автомобилей - в значительной степени повысит производительность труда и уменьшит капитальные затраты. Из-за своих технических характеристик и не большой занимаемой площадью также является идеальным учебным пособием для обучения студентов ВУЗ - в и техникумов.840D - полностью цифровая система для практически всех типов применений. Это системная платформа с прогрессивными функциями.

Совместно с цифровым преобразователем SIMODRIVE 611D и ПЛК SIMATIC S7-300 SINUMERIK 840D представляет полностью цифровую систему, которая подходит для сложных задач обработки и демонстрирует высокий уровень динамики и точности.

Во всем мире SINUMERIK 840D применяется для токарной обработки, сверления, фрезерования, шлифования, лазерной обработки, порезки, перфорации, изготовления оснастки и инструмента, как система управления прессами, для высокоскоростного раскроя материалов, обработки древесины и стекла, транспортировки, складских задач.840D в модуле NCU (NumericControlUnit - устройство числового управления) объединяет задачи ЭСПУ, ПЛК и коммуникации. Установленный в каркас-носитель, NCU встраивается непосредственно в цифровую систему преобразования SIMODRIVE 611D, при этом он располагается справа, непосредственно у модуля питания-рекуперации.

Варианты процессоров NCU и системное программное обеспечение дает возможность оптимальной адаптации к станку и к задаче обработки. Такой модульный принцип позволяет оснастить целый ряд станков различного типа.

При помощи SINUMERIK 840D можно управлять максимум 31 осями/шпинделями. При максимальном использовании поддерживается до 10 каналов на каждую группу режимов работы и максимум 12 осей/шпинделей на каждый канал. Каждый канал может иметь свою собственную группу режимов работы.840D позволяет просто и экономично обеспечить высокоэффективную защиту обслуживающего персонала и станков благодаря встроенным сертифицированным функциям защиты.

Все NCU изначально имеют встроенное подключение 4 быстрых цифровых входов/выходов ЭСПУ.

Возможно объединение нескольких систем управления в одну.611 - это гибко проектируемая система приводов, отвечающая как экономически, так и экологически техническим требованиям современных станков. SIMODRIVE 611 предлагает систему приводов с аналоговым (Simodrive 611A) или цифровым (Simodrive 611U/Simodrive 611D) управлением, отвечающую наивысшим требованиям в динамике, установленном диапазоне оборотов и точности вращения.

Благодаря модульной конструкции системы приводов, могут быть реализованы конфигурации приводов с практически любым количеством осей или главных шпинделей. Осевые модули предназначены для двигателей подачи 1FT/1FK/1FW/1FN, а также двигателей главного движения 1PH/1FE/2SP/1LA. Мощность двигателя определяет необходимый силовой модуль. Требуемая для этого силового модуля мощность промежуточного контура определяет выбор необходимого модуля питания. Через модуль питания системная структура SIMODRIVE 611 подключается к сети напряжения с заземленной нейтралью (сеть TN). SIMODRIVE 611 - это гибко проектируемая система приводов, отвечающая как экономически, так и экологически техническим требованиям современных станков. SIMODRIVE 611 предлагает систему приводов с аналоговым (Simodrive 611A) или цифровым (Simodrive 611U/Simodrive 611D) управлением, отвечающую наивысшим требованиям в динамике, установленном диапазоне оборотов и точности вращения.

Благодаря модульной конструкции системы приводов, могут быть реализованы конфигурации приводов с практически любым количеством осей или главных шпинделей. Осевые модули предназначены для двигателей подачи 1FT/1FK/1FW/1FN, а также двигателей главного движения 1PH/1FE/2SP/1LA. Мощность двигателя определяет необходимый силовой модуль. Требуемая для этого силового модуля мощность промежуточного контура определяет выбор необходимого модуля питания. Через модуль питания системная структура SIMODRIVE 611 подключается к сети напряжения с заземленной нейтралью (сеть TN). Все модули системы приводов SIMODRIVE 611 имеют унифицированную конструкцию. Интерфейсы для питания и коммуникации друг с другом, а также стандартизированнные интерфейсы между платами управления и силовыми модулями.

1.2 Анализ и описание работы электропривода и его взаимодействие с ЭСПУ

Приводная система SIMODRIVE 611 выполнена в единой конструкции по модульному принципу. Благодаря стандартным интерфейсам и соединениям пользователь может построить конфигурацию с любым сочетанием координатных осей и шпинделей.

Приводная система состоит из следующих компонентов:

)        Трансформатор (Т) (при необходимости согласования напряжений);

)        Сетевой предохранитель(СП) ;

)        Сетевой фильтр(СФ) и коммутирующий дроссель(КД) для снижения уровня радиопомех, генерируемых преобразователями частоты;

)        Модуль питания (МП) (нерегулируемый UE-модуль или регулируемый модуль питания/рекуперации E/R) ;

)        Силовые модули (СМ)(преобразователи частоты для двигателей);

)        Платы управления (ПУ) (аналоговые, цифровые и универсальные) ; настроенные на определенные типы и технологии использования двигателей.

)        Асинхронный и синхронный двигатель.

Приводная система подключаются к сети с глухозаземленной нейтралью (TN-сеть) напряжениями 400В, 415В или 480В частотой 50/60 Гц в такой последовательности: трансформатор (при необходимости), фильтр, коммутирующий дроссель, модуль питания.

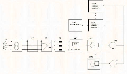
Модуль питания вырабатывает постоянное напряжение 490В или 680В для промежуточного контура, а также напряжения  для электроники. На рисунке 1.1 представлена функциональная схема электропривода SIMODRIVE 611D

Рисунок 1.1 - Функциональная схема электропривода Simodrive 611

Через модули питания структура приводов подключается к сети питания. Из сетевого напряжения 480В 50Гц модули питания вырабатывают постоянное напряжение для промежуточного контура. Дополнительно напряжения питания электроники ±24В, ±15В, +5В и т.д, подаются централизованно через шину устройств на модули приводов и расположенные в структуре системы SINUMERIK 840D. Для проводки с экранированными силовыми кабелями, соответствующей требованиям ЭМС, имеются пластины для подключения экрана.

Платы управления с цифровым интерфейсом заданного значения по аппаратным свойствам в комбинации с управлением Performance могут использоваться универсально как привод подачи или главного движения. ПО с алгоритмами управления имеется в SINUMERIK 810D/840D/840C. При включении ЭСПУ и приводов ПО загружается в цифровые платы управления. При вводе в эксплуатацию через конфигурацию привода определяется, идет ли речь о приводе подачи или приводе главного движения.

1.3 Принцип работы датчиков входящих в станок и сопряжение их с ЭСПУ

Как правило, в станках с ЭСПУ для определения положения и состояния исполнительных органов используются два типа датчиков: линейные датчики положения и вращающиеся датчики положения. На рисунке 1.2 представлено устройство вращающегося датчика положения

Рисунок 1.2 - Устройство вращающегося датчика положения

Вращающийся датчик положения крепится на валу двигателя и позволяет определять его угловое положение. Этот датчик состоит из источника света, оптического датчика (приемника) и диска с маленькими радиальными прорезями (растрами). Растровый диск укреплен на валу, источник света и оптический датчик находятся с разных сторон от диска. Когда диск вращается, то лучи проходят сквозь его прорези и падают на оптический датчик. Оптический датчик работает как переключатель, который включается или выключается при попадании на него лучей света. Это дает возможность определить относительное или абсолютное положение и направление вращения двигателя. Полученная информация отправляется в подсистему.

Все вращающиеся датчики имеют один существенный недостаток. Так как они устанавливаются непосредственно на валу двигателя, то не могут напрямую измерить линейное положение исполнительного органа станка. Они дают рассчитанное положение, основанное на данных о шаге ходового винта, и в высокоточных станках для определения линейного положения не применяются. Их можно использовать в конструкции шпинделя для определения числа оборотов при вращении и для нахождения его углового положения.

Линейные датчики положения используются практически во всех современных станках с ЭСПУ для точного определения абсолютной или относительной позиции исполнительных органов. Датчики содержат два взаимосвязанных узла: растровую шкалу и считывающую головку. На рисунке 1.3 представлено устройство линейного датчика положения

Рисунок 1.3 - Устройство линейного датчика положения

Растровая шкала (1), расположенная вдоль направляющих, представляет собой линейку с маленькими прямоугольными прорезями (растрами). Считывающая головка, перемещающаяся вместе с исполнительным органом станка, состоит из осветителей (2), фотоприемников (3) и индикаторной пластины (4). Причем осветители и индикаторная пластина находятся с одной стороны от растровой шкалы, а фотоприемники с другой. На индикаторной пластине так же присутствует два растровых участка со смещенным шагом для формирования двух сигналов. Когда считывающая головка перемещается вдоль растровой шкалы, то световые сигналы от осветителей проходят через индикаторную пластину, затем через шкалу и регистрируются фотоприемниками. Полученные сигналы дают возможность определить величину и направление перемещения. На растровой шкале может находиться дополнительная дорожка референтных меток для задания собственного начала отсчета.

Системе ЭСПУ также необходима информация о скорости, ускорении и замедлении исполнительного органа станка. Расчет величины ускорения и замедления необходим для точного позиционирования. Дело в том, что когда рабочий стол перемещается в требуемую позицию, он заранее замедляет скорость перемещения, чтобы "не промахнуться" мимо требуемой координаты.

В станке так же применяются индуктивные бесконтактные датчики для сигнализации конечного или промежуточного положения металлического объекта. Эти датчики реагируют только на металлические предметы, на другие материалы датчик не реагирует

На рисунке 1.4 представлено стройство индуктивного бесконтактного датчика

Рисунок 1.4 - Устройство индуктивного бесконтактного датчика

Структура индуктивного бесконтактного датчика.

1)      Генератор создает электромагнитное поле взаимодействия с объектом.

)        Триггер обеспечивает гистерезис при переключении и необходимую длительность фронтов сигнала управления.

)        Усилитель увеличивает амплитуду сигнала до необходимого значения.

)        Светодиодный индикатор показывает состояние выключателя, обеспечивает контроль работоспособности, оперативность настройки. твердых частиц и воды.

)        Компаунд обеспечивает необходимую степень защиты от проникновения твердых частиц и воды.

)        Корпус обеспечивает монтаж выключателя, защищает от механических воздействий. Выполняется из латуни или полиамида, комплектуется метизными изделиями.

Работа индуктивного датчика заключается в том, чтобы определить индуктивность замкнутого металлического контура. При проникновении металлического предмета через контур или рядом возле него, включается датчик изменения индуктивности. Моментально перед плоскостью индуктивного выключателя появляется электромагнитное поле, созданное катушкой индуктивности. Электромагнитное поле срабатывает после подачи электропитания. При появлении предмета в зоне индуктивного датчика, амплитуда колебаний снижается, уменьшается и качество колебательного контура. Коммутационное состояние индуктивного датчика меняется после срабатывания триггера.