Материал: Кинематический расчет передачи

Внимание! Если размещение файла нарушает Ваши авторские права, то обязательно сообщите нам

Кинематический расчет передачи

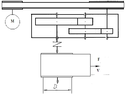
1. ЗАДАНИЕ

ДАНО:  = 5000 H    V = 0,9 m/c          D = 350 mm

КИНЕМАТИЧЕСКИЙ РАСЧЕТ


КПД привода

Определяем по таблицам:

h1 - КПД соединительной муфты, h1 = 0,98

h2 - КПД пары подшипников приводного вала, h2 = 0,99

h3 - КПД цилиндрической закрытой передачи

h4 - КПД ременной передачи, h4 = 0,95

h = h1 h4 = 0.98            h = 0.859

Требуемая мощность двигателя

 =  =   Bт

Частота вращения выходного вала

 =  =  = 49.1 1

Принимаем двигатель 4А112M4Y3

n = 1500         S=4.7   = 5500 Вт  = 38 мм

Частота вращения вала электродвигателя

 =  (100 - S) =  (100 - 4.7)        = 1429. 5

Передаточное отношение привода

 =  =   = 29.11

Принимаю для ременной передачи  = 2.5

Для редуктора

 =  =   = 11.64

Разбиваем по ступеням

 = 0.88   = 0.88   = 3

Для редуктора принимаем стандартные значения передаточных чисел

 = 4  = 3.15

Для ременной передачи

 =  =  = 2.31

Мощности на валах, передаваемые крут. моменты, частота вращения валов:

 =                                                                 = 5239. 26 Вт

 h4  h2 = 5239.26  0.95  0.99                 = 4927. 52 Вт

 h3  h2 = 4927.52  0.98  0.99                 = 4780.68 Вт

 h3  h2 = 4780.68  0.98  0.99                 = 4638. 22 Вт

 h1  h2 = 4638.22  0.98  0.99                 = 4500 Вт

 = 1429.5

 =                                             = 618.79

 =  =                               = 154.7

 =  =                                         = 49.11

 =  = 49.11

 = 9.55   = 9.55                             = 35

 = 9.55   = 9.55                             = 79.05

 = 9.55   = 9.55                             = 259.13

 = 9.55   = 9.55                             = 901.94

 = 9.55   = 9.55                                         = 875.06

2. РАСЧЕТ ПЛОСКОРЕМЕННОЙ ПЕРЕДАЧИ

цилиндрический подшипник вал шпонка

Исходные данные для расчета:

Передаваемая мощность  = 5239 Вт

Частота ведущего вала  = 1429.5

Передаточное отношение  = 2.31

Скольжение  = 0.01

Момент  = 35 Hm

Диаметр меньшего шкива

 = 60   = 60    = 196.29 мм  Приняли  =200 мм

Диаметр большего шкива

 =     ( 1 - ) = 2.31 1 - 0.015)  = 457.41 мм

Приняли  =460 мм

Уточняю передаточное отношение и частоту

 =  =                            = 2.32

 =  =                                                 = 615.31

 =  100 =  100 = 0.56

(Допустимо до 3%)

Межосевое расстояние

a = 2 ) = 2 (200 + 460) a = 1320 мм

Приняли а =1400 мм

Расчетная длина ремня

L = 2a +   () +  = 2  1400 +   ( 200 + 460) + = 3849

При монтаже передачи необходимо обеспечить возможность уменьшения его на 0,01L для облегчения надевания ремней, и увеличения на 0,025L, для подтягивания по мере износа.


 = 180 - 60  = 180 - 60   = 169

Коэффициент угла обхвата в зависимости от  :

 = 1 - 0.003 (180 -  = 1 - 0.003 (180 - 169)  = 0.97

Скорость ремня

V =  =  V = 14.97

Окружная сила

Ft =  =  Ft = 350 H

Принимаем ремень Б 800 с числом прокладок

z = 3  = 1.5  = 3

Проверим выполнение условия   0.025

 =   z  = 4.5 мм 0.0025  = 5 - условие выполнено