Материал: Исследование цифрового рекурсивного фильтра

Внимание! Если размещение файла нарушает Ваши авторские права, то обязательно сообщите нам


График АЧХ представлен на рисунке 9. В результате понижение АЧХ системы ЦФ + ЦАП с ростом частоты достигает ~3 дБ при

Для компенсации возникающих искажений сигнала последовательность можно предварительно пропустить через ЦФ, амплитудная характеристика которого аппроксимируется функцией:


Последовательное включение ЦФ с такой АЧХ обеспечит в целом равномерную характеристику системы компенсирующей ЦФ + ЦАП.

Рисунок 8 - Сигнал на входе y(n) и выходе y(t) ЦАП

Рисунок 9 -АЧХ ЦАП

Литература

1.      Рабинер Л., Гоулд Б. Теория и применение цифровой обработки сигналов. Пер. с англ. -М.:Мир, 1978. -848с.

.        Каппелин В., Константинидис А.Дж., Эмилиани П. Цифровые фильтры и их применение. Пер. с англ. -М.: Энергоатомиздат,1983. -360с.

.        Брюханов Ю.А., Приоров А.Л. Цифровые фильтры: Учеб. Пособие. Ярославль: Яросл. гос. ун-т., 2012. -288с.

.        Отнес Р., Эноксон Л. Прикладной анализ временных рядов. Основные методы. -М.:Мир, 1982. -428с.

.        Баскаков С.И. Радиотехнические цепи и сигналы. -М.:Высшая школа, 2010. -462с.

.        Зюко А.Г., Кловский Д.Д., Коржик В.И., Назаров М.В. Теория электрической связи: Учебник для вузов / Под ред. Д.Д. Кловского. -М.:Радио и связь, 2009. -432с.

.        Солонина А.И., Улахович Д.А., Арбузов С.М., Соловьева Е.Б. Основы цифровой обработки сигналов: Курс лекций. -СПб:БХВ-Петербург, 2005. -768с.

.        Воробьев В.И., Грибунин В.Г. Теория и практика вейвлет-преобразования. СПб.:ВУС, 1999.-203с.

.        С.Н.Кей, С.Л.Марпл Современные методы спектрального анализа. Обзор. //ТИИЭР, т.69, №11, 1981. С.5-51.

.        Хемминг Р.В. Цифровые фильтры. - М.: Недра, 1987. - 221 с.

.        Оппенгейм А.В., Шафер Р.В. Цифровая обработка сигналов. - М.: Связь, 1979. - 416 с.

.        Гутников В.С. Фильтрация измерительных сигналов. - Л.: Энергоатомиздат, 1990. - 192 с.

.        Бендат Дж., Пирсол А. Прикладной анализ случайных данных. - М.: Мир, 1989. - 540 с.

.        В.Г. Карташов "Основы теории дискретных сигналов и цифровых фильтров. " М., "ВШ", 1982, с.7-22,28-33,55-68.

.        У. Титце, К. Шенк "Полупроводниковая схемотехника." М., "Мир", 1982, с.418-420,425-426,427-431

Приложение

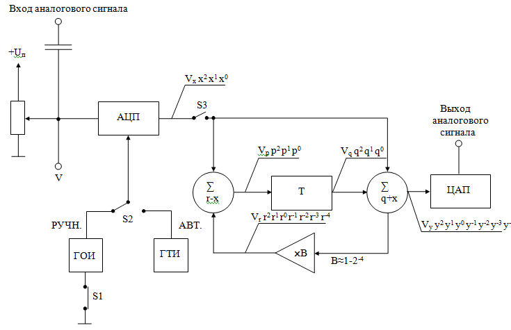
Рисунок 10 - Блок-схема лабораторного макета