Материал: Исследование цифрового рекурсивного фильтра

Внимание! Если размещение файла нарушает Ваши авторские права, то обязательно сообщите нам

Исследование цифрового рекурсивного фильтра















Реферат

Исследование цифрового рекурсивного фильтра

Введение

Цели реферативной работы:

·        Дать представление о дополнительном двоичном коде.

·        Изучить назначение и некоторые характеристики аналого-цифрового преобразователя (АЦП).

·        Изучить и экспериментально исследовать выполнение основных операций в цифровом фильтре (ЦФ).

В ЦФ сигнал представлен в цифровом виде вместе с тем, большинство сигналов, с которыми приходится иметь дело в радиотехнике, являются непрерывными. Ведь сигнал отображает некоторый физический процесс, а почти все физические процессы непрерывны по своей природе. В то же время цифровой сигнал является дискретным и по времени, и по величине. Преобразование непрерывного сигнала в последовательность чисел, называемое аналого-цифровым преобразованием должно осуществляться без потери информации.

Представление чисел в дополнительном двоичном коде

Всем знакомая десятичная система счисления не единственная из тех, которые можно определить. На самом деле это лишь одна из немногих позиционных систем счисления по основанию. Она для изображения чисел использует 10 цифровых символов, её основание равно десяти. Например, число 536,4 можно считать сокращенным изображением полинома . Видно, что при сокращенной записи весовой коэффициент при каждой цифре зависит от её положения (позиции), отсюда и название подобных систем счисления. В общем виде в любой позиционной системе счисления по некоторому основанию b число


можно считать обозначением полинома


В цифровых устройствах чаще всего для изображения чисел используют двоичный код, где любое число записывается цепочкой из 0 и 1. Объясняется это, как известно, простотой физического представления всего лишь двух символов, обычно "0" соответствует наличие тока, высокий потенциал или замкнутое состояние ключа, а "1" - напротив, отсутствие тока, низкий потенциал или разомкнутый ключ. Итак, двоичный код, где x = 0 или 1, соответствует десятичному числу


Как и в десятичной системе, старшинство (вес) разрядов возрастает справа налево. Во избежание ошибок в изображении числа с помощью индекса обычно указывают основание системы счисления. Как, например, в этом равенстве . При работе с цифровыми устройствами часто приходится переводить числа из одной системы счисления в другую. В случае необходимости преобразовать некоторое число из системы с некоторым основанием  в систему с другим основанием  можно применить следующую процедуру: сначала преобразовать число из системы  в десятичную систему, а затем из десятичной в систему . Перевод в систему с основанием 10 выполняется в соответствии с выражением , дальнейший переход к системе с основанием  чуть более сложен. Поясним его. Поскольку задача сводится к отысканию коэффициентов при различных степенях , запишем преобразуемое число в виде полинома

 

Разделим обе части предыдущего выражения на . Получим целое частное


Таким образом, остаток равен младшей цифре числа в системе с основанием  т.е.. Если процесс деления повторить для целого частного , получим новое целое частное


соответствующий следующей слева цифре числа с основанием системы. Повторяя описанный процесс вплоть до нулевого частного, получим все цифры искомого числа.

Поясним процедуру на примере перевода десятичного числа 52 в эквивалентную двоичную форму

остаток

2 0=

20 =

21 =

2

3 2 1 =

1 2 1 =

0

Следовательно, 5210 = .

Рассмотрение чисел до сих пор велось без учета их знака, т.е. число предполагалось положительным. Но очевидно, что при вычислениях не обойтись без отрицательных чисел. Поскольку вся информация в компьютере представляется в виде нулей и единиц, эти же символы используются для изображения знака числа. Напрашивающийся вариант - зарезервировать один разряд (старший) в качестве знакового и считать, что 0 соответствует положительным, а 1 -отрицательным числам, остальные же разряды использовать для представления абсолютной величины числа в двоичной системе. Несмотря на естественность получившегося так называемого прямого кода, он редко применяется в цифровых устройствах. Чаще используется дополнительный код. В таблице 1 приведены в качестве примера десятичные числа со знаком и их представления в четырехразрядном прямом и дополнительных кодах. Старший разряд знаковый. Точка, отделяющая знаковый разряд, введена только для наглядности и не является частью кода.

Положительные числа (0 в знаковом разряде) в дополнительном коде выглядят также, как и в прямом. Формирование дополнительного кода некоторого отрицательного числа можно представить как обращение кода соответствующего положительного числа. Для выполнения обращения необходимо заменить 0 и 1 в коде соответственно на 1 и 0 и затем прибавить к результату 1. Поясним процедуру обращения на примере получения дополнительного кода числа (-6): код соответствующего положительного числа (+6) имеет вид 0.110. После замены 0 и 1 (это называется инвертированием кода) получается код 1.001. Добавление 1 приводит к коду, коду 1.010, изображающему (см. таблицу) десятичное число (-6). Заметим, что применив обращение к числу (-6), получим двоичный код числа (+6). Преимущество дополнительного кода станет ясным при рассмотрении арифметических операций в ЦФ, чему посвящен следующий раздел.

Таблица 1 Прямой и дополнительный код для десятичного числа

Десятич. число

Прямой код

Дополн. код

+7

0.111

0.111

+6

0.110

0.110

+5

0.101

0.101

+4

0.100

0.100

+3

0.011

0.011

+2

0.010

0.010

+1

0.001

0.001

0

0.000

0.000


1.000


-1

1.001

1.111

-2

1.010

-3

1.011

1.101

-4

1.100

1.100

-5

1.101

1.011

-6

1.110

1.010

-7

1.111

1.001

-8

----

1.000


Двоичная арифметика

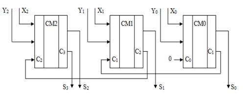
Номенклатура арифметических операций в ЦФ ограничена: сложение, вычитание и умножение. В таблице 2 даны правила сложения двух двоичных цифр, технически такое сложение выполняется уже знакомым одноразрядным полным сумматором (условное изображение дано на рисунке 1). Заметим, что при двоичном сложении 1+1 возникает бит переноса и что бит суммы при этом равен 0. Чтобы сложить пару многоразрядных двоичных чисел необходимо применить правило таблице 2 многократно, отправляясь от пары младших разрядов, так, как это делается при десятичном сложении. После сложения пары младших цифр и получения значения младшего разряда суммы S0 складывается следующая пара цифр (X1 и X2) с учетом переноса из младшего разряда. При этом получается значение следующего разряда суммы (S1) и, возможно, перенос С2. Описанный процесс повторяется нужное число раз. Пример поясняет сказанное, а рисунок 2 - устройство трехразрядного сумматора. Сложение чисел со знаками при использовании дополнительного кода реализуется просто сложением их кодов как положительных чисел, как только что рассмотрено. Возможный перенос из старшего разряда отбрасывается. В результате получается правильный результат (см. примеры ниже), т.е. правильное представление в дополнительном коде алгебраической суммы чисел, коды которых суммировались.


Вычитание в дополнительном коде заменяется сложением на основании очевидного соотношения . Необходимо только независимо от знака вычитаемого произвести обращение его кода, а затем сложить с вычитаемым с помощью того же многоразрядного сумматора (рисунок 2). Таким образом, в отличие от прямого кода нет необходимости в различных схемах для выполнения суммирования и вычитания.

Пример (+6)= 0.110 =0.110

(+3)=-0.011 обращение =+1.101

.011=(+3)

перенос игнорируется

Таблица 2 Правило сложения двух двоичных чисел X и Y



Х



0

1

Y

0

0

1


1

1

0 (формируется перенос)


Рисунок 1 - Одноразрядный сумматор

Рисунок 2 - Трехразрядный сумматор

Аналого-цифровое преобразование

Превращение некоторого непрерывного сигнала  (пусть это будет, напряжение, например) в достаточно точно соответствующую ему последовательность чисел поясняет блок схема АЦП и временные диаграммы на рисунке 3. Преобразование выполняется в два этапа. Сначала сигнал подвергается дискретизации по времени с помощью электронного ключа (рисунок 3а), замыкающегося через интервалы времени Т на очень короткое время <<Т. Сигнал на выходе дискретизатора имеет вид последовательности тонких импульсов (рисунок 3в), амплитуда которых равна величине непрерывного сигнала в моменты времени nТ (n= 0,1,2,3,..) . Эти импульсы называются выборками (отсчетами) сигнала  a F=l/T называется частотой дискретизации. Согласно теореме Котельникова, дискретизированный сигнал полностью определяет непрерывный сигнал , если частота дискретизации удовлетворяет

F=,

где - граничная частота спектра сигнала. Она определяет максимальную скорость изменения сигнала. Обычно F выбирают лишь незначительно выше величины . Более высокие значения частоты дискретизации допустимы, но бесполезны с точки зрения повышения точности преобразования.

На втором этапе отсчеты квантуются по величине: точное значение каждого отсчета заменяется величиной ближайшего меньшего уровня. Эти уровни с равномерным расстоянием между ними , называемым шагом квантования, заполняют весь диапазон допустимых значений уровня входного сигнала от  до . Величина некоторого уровня равна  где - номер уровня. Общее число уровней обычно равно , и для кодирования номеров уровней используются r-разрядные двоичные числа.

Рисунок 3 - Преобразование аналогового сигнала в цифровой

Чаще применяют пропорциональное кодирование, когда более высокому уровню присваивают больший номер. Двоичный код номера уровня, соответствующего данному отсчету, и является конечным продуктом АЦ преобразования. АЦП - сложное электронное устройство, оно характеризуется большим количеством параметров. Их разделяют на статические и динамические. Последние (в данной работе они не рассматриваются) касаются работы АЦП при изменяющемся во времени входном сигнале. Основной статической характеристикой является характеристика квантования (рисунок 4) - зависимость входного кода от величины входного сигнала. Обычно она имеет вид равномерной "лестницы". Из характеристики квантования можно определить такие статистические параметры:

·        шаг квантования или минимальное изменение входного сигнала, при котором входной код изменяется на единицу младшего разряда. Шаг квантования определяет абсолютную погрешность АЦ - преобразования.

·        разрядность r, определяемая как двоичный логарифм от общего числа уровней квантования, важный параметр для согласования АЦП с вычислительным устройством: разрядность последнего должна быть не меньше, чем у преобразователя. Характеристика квантования на рисунке 4 соответствует 4-разрядному АЦП.

·        вид кода (в приведенном примере это дополнительный код) и возможность работы с отрицательными значениями входного сигнала.

·        относительная погрешность преобразования равна 1/2r, т.е. ~6% для 4-разрядного АЦП. Современные интегральные АЦП имеют до 12 разрядов ( или соответственно 4096 уровней квантования), т.е. относительную погрешность ~0.05%. Заметим, что величина l/2r определяет минимальную относительную погрешность, реализуемую при максимально допустимом уровне входного сигнала.

·        допустимый диапазон изменений входного сигнала . Он равен, очевидно, . При выходе за пределы этого диапазона выходной код перестает изменяться при изменении величины входного сигнала. В результате погрешность преобразования возрастает.