В результате мощные МДП-транзисторы все больше вытесняют биполярные транзисторы там, где требуется высокое быстродействие и повышенная надежность работы.
|
Таблица 4.1 |
|
Свойства биполярных и МДП-транзисторов |
||
|
|
|
Биполярные транзисторы |
МДП-транзисторы |
|
|
|
|
Физические свойства |
||
Управляемый физический процесс – |
Управляемый физический процесс – |
|
инжекция неосновных носителей за- |
эффект поля, вызывающий изменение |
|
ряда: изменяется ток управления – |
концентрации носителей заряда в ка- |
|
нале: изменяется управляющее |
||
изменяется поток инжектированных |
||
напряжение – изменяется проводи- |
||
носителей заряда, что приводит к из- |
мость канала, что приводит к измене- |
|
менению выходного тока |
нию выходного тока |
|
|
||
Выходной ток обеспечивается носи- |
Выходной ток обеспечивается основ- |
|
телями заряда обоих знаков (дырками |
ными носителями заряда одного зна- |
|
и электронами) |
ка (или дырками, или электронами) |
|
Низкая теплостойкость: с увеличени- |
Высокая теплостойкость: рост темпе- |
|
ем тока растет температура структу- |
ратуры структуры приводит к увели- |
|
ры, что приводит к большему увели- |
чению сопротивления канала, и ток |
|
чению тока |
уменьшается |
|
Особенности эксплуатации |
||
Прибор управляется током, т. к. |
Прибор управляется напряжением, |
|
на входе имеется прямосмещенный |
входное сопротивление очень велико, |
|
p–n-переход и входное сопротивле- |
т. к. входная цепь от выходной цепи |
|
ние мало |
изолирована диэлектриком |
|
Относительно небольшой коэффици- |
Очень большой коэффициент усиле- |
|
ент усиления по току |
ния по току |
|
Необходимость специальных мер по |
Высокая помехоустойчивость |
|
повышению помехоустойчивости |
|
|
Высокая вероятность саморазогрева и |
Низкая вероятность теплового само- |
|
вторичного пробоя: сужение области |
разогрева и вторичного пробоя – |
|
безопасной работы (ОБР) |
расширение ОБР |
|
Высокая чувствительность к токовым |
Низкая чувствительность к токовым |
|
перегрузкам |
перегрузкам |
|
Однако МДП-транзисторы имеют и недостатки. Во-первых, вследствие высокого сопротивления канала в открытом состоянии МДП-тран- зисторы имеют большее падение напряжения, чем падение напряжения на насыщенном биполярном транзисторе. Во-вторых, МДП-транзисторы
156
имеют существенно меньшее значение предельной температуры структуры, равное 150 °C (для биполярных транзисторов – 200 °C).
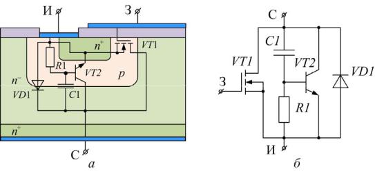
К числу основных недостатков мощных МДП-транзисторов также следует отнести вредное влияние на его работу ряда паразитных элементов, возникающих в структуре транзистора на стадии его изготовления. Все базовые ячейки мощного МДП-транзистора содержат внутренний «паразитный» биполярный n–p–n-транзистор (рис. 4.12), образованный
n -истоком (эмиттер), p-областью инверсного канала (база) и эпитакси-
альным n слоем (коллектор). Паразитный транзистор фактически параллельно подключен к рабочему каналу МДП-транзистора.
Рис. 4.12. Паразитные элементы структуры мощного МДП-транзистора (а), эквивалентная схема базовой ячейки (б)
Для сохранения положительных свойств МДП-транзистора и исключения начала работы биполярного транзистора часть p-области всегда подключают к металлизированному контакту истока (это эквивалентно закорачиванию эмиттерного перехода паразитного транзистора). Биполярный транзистор оказывается запертым и не оказывает существенного влияния на работу полевого транзистора. Однако быстрый спад или, наоборот, рост напряжения «сток–исток» полевого транзистора, что является обычным в динамических режимах, может привести к несанкционированному открытию паразитного транзистора, а это, в свою очередь, может привести к выходу из строя всей силовой схемы.
Подключение p-области транзистора к истоку создает еще один дополнительный элемент – обратновключенный диод. Поэтому МДПтранзистор проектируют таким образом, чтобы данный диод соответствовал аналогичным показателям МДП-транзистора и имел малое время восстановления запирающих свойств.
157
4.6. Комбинированные транзисторы
Вред от паразитного биполярного транзистора в составе МДПтранзистора можно обратить в пользу, если к нему добавить еще один дополнительный биполярный транзистор обратного типа проводимости по отношению к паразитному. Такое компромиссное решение, позволившее объединить положительные качества биполярного и МДП-транзистора, представляет собой создание монолитной структуры, называемой IGBT
(Insulated Gate Bipolar Transistor), т. е. биполярный транзистор с изолиро-
ванным затвором (БТИЗ). Отличие в структуре заключается в материале исходной подложки, в качестве которой используется полупроводниковая
пластина с дырочной p -электропроводностью (рис. 4.13, а).
В результате получится комбинированная схема рис. 4.13, б, содержащая: МДП-транзистор, паразитный биполярный транзистор VT1 и подключенный к нему еще один биполярный транзистор VT 2 . Образовавшаяся структура из транзисторов VT1 и VT 2 имеет положительную внутреннюю обратную связь, т. к. базовый ток транзистора VT1 является частью коллекторного тока транзистора VT 2 , и, наоборот, базовый ток транзистора VT 2 является частью коллекторного тока транзистора VT1.
Рис. 4.13. Структура IGBT (а) и ее эквивалентная схема (б)
Коэффициенты передачи по току транзисторов VT1 и VT 2 равны соответственно α1 и α2 .
Тогда токи коллектора и эмиттера определяются так:
iк2 iэ2α2; |
(4.8) |
iк1 iэ1α1; |
(4.9) |
iэ iк1 iк2 iс. |
(4.10) |
158
Ток стока полевого транзистора определяется по выражению
iс iэ(1 α1 α2 ). |
(4.11) |
С другой стороны, ток стока можно определить через крутизну S стокозатворной характеристики:
ic SUзэ. |
(4.12) |
Ток силовой части всей схемы определяется как |
|
|
|
|
|
|
|
|
iк iэ |
SUзэ |
|
|
SэквUзэ, |
(4.13) |
|
|
|
|
|
|
|
1 α α |
2 |
|
|||
|
|
|
|
|
|
1 |
|
|
|
|||
где S |
экв |
|
S |
|
|
|
– эквивалентная крутизна всей схемы. |
|
||||
|
|
1 (α |
α |
2 |
) |
|
|
|
|
|
|
|
|
|
|
1 |
|
|
|
|
|
|
|
|
|
Очевидно, что при α1 α2 1 эквивалентная крутизна значительно |
||||||||||||
превосходит крутизну S МДП-транзистора, входящего в эту схему. Ко- |
||||||||||||
эффициентами |
α1 и α2 можно управлять величиной резисторов R1 |
|||||||||||
и R2, которая осуществляется на этапе изготовления этой схемы. |
|
|||||||||||
Всю рассмотренную схему можно представить как единый полупроводниковый прибор, имеющий вывод коллектора, эмиттера и затвора, который управляется электрическим полем, как МДП-транзистор, но имеет по сравнению с ним значительно бόльшую крутизну и значительно меньшее сопротивление в открытом состоянии. Кроме того, здесь отсутствует явление вторичного пробоя, характерное для классических биполярных транзисторов.
Конструктивно IGBT выполняются в виде дискретных элементов (рис. 4.14, а) либо в виде силовых модулей (рис. 4.14, б), имеющих в своем составе несколько IGBT, выполненных в едином корпусе. Условное графическое изображение транзисторов представлено на рис. 4.14, в, г. На рис. 4.15 изображены типовые коллекторные характеристики (выходные).
Динамические свойства IGBT несколько хуже, чем у МДП-транзи- сторов, но значительно лучше, чем у биполярных транзисторов. Это связано с явлением накопления заряда неосновных носителей в базе биполярного транзистора и, как следствие, – со временем рассасывания этих носителей.
Процесс запирания IGBT представлен на рис. 4.16. Заряд, накопленный в базе биполярного транзистора, вызывает характерный «хвост» тока при выключении IGBT.
Как только имеющийся в составе IGBT полевой транзистор прекращает проводить ток, в силовой цепи начинается рекомбинация неосновных носителей, которая является началом «хвоста». Этот «хвост»
159
ведет к увеличению тепловых потерь, а также его необходимо учитывать в мостовых схемах и вводить промежуток между интервалами проводимости двух ключей, установленных в одном плече моста. Для уменьшения «хвоста» необходимо снизить коэффициент усиления биполярного транзистора, но тогда увеличивается напряжение насыщения открытого IGBT и соответственно статические потери.
К
З
Э
а |
в |
К
З
Э
б |
г |
Рис. 4.14. Конструкции IGBT: дискретное (а) и модульное (б) исполнение; условное графическое обозначение: отечественное (в); зарубежное (г)
Iк |
Uзи5 Uзи4 |
|
|
|
Uзи4 Uзи3 |
|
Uзи3 Uзи2 |
|
Uзи2 Uзи1 |
|
Uзи1 Uзипор |
|
Uзипор |
|
Uкэ |
Рис. 4.15. Типовые коллекторные характеристики
Тем не менее, несмотря на отмеченные особенности, IGBT на сегодняшний день представляются самыми перспективными элементами для использования в качестве силовых управляемых ключей в диапазоне мощностей от единиц киловатт до единиц мегаватт.
160