Материал: Фильтр верхних частот

Внимание! Если размещение файла нарушает Ваши авторские права, то обязательно сообщите нам

В таблице 3 представлены электрические параметры устройства.

Таблица 3 Электрические параметры

1

Напряжение питания

 (5...18) В

2

Максимальное выходное напряжение при Uп=  15 В, Rн = 2 кОм

 12 В

3

Напряжение смещения нуля при Uп=  15 В, Rн = 2 кОм

10 мВ

4

Входной ток при Uп=  15 В, Rн = 2 кОм

не более 500 нА

5

Разность входных токов при Uп=  15 В, Rн = 2 кОм

не более 200 нА

6

Ток потребления при Uп=  15 В

не более 10 мА

7

Коэффициент усиления напряжения

не менее 25000

8

Скорость нарастания выходного напряжения при Uп=  15 В, Rн = 2 кОм

(20...50) В/мкс

9

Коэффициент ослабления синфазных входных напряжений при Uп=  15 В

не менее 70 дБ


Таблица 4 Предельно допустимые режимы эксплуатации

1

Напряжение питания (с учетом пульсаций)

 20 В

2

Входное синфазное напряжение

не более  15 В

3

Температура окружающей среды

-10...+70 ° C



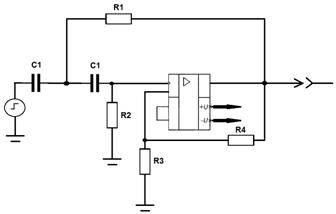
9. Рассмотрение основных характеристик электрической схемы устройства

Используемый фильтр имеет характеристику Бесселя. При построении рабочей схемы в программе аналогового и цифрового моделирования Micro-Cap, открывается возможность просмотра характеристик схемы. На рисунке изображена амплитудно-частотная характеристика разработанной схемы, на которой видно, что частота среза совпадает с заданной в техническом задании.

Рисунок - 12 АЧХ ФВЧ на ОУ

На следующем рисунке представлена фазо-частотная характеристика собранной схемы, на которой так же видно совпадение спада с частотой среза устройства.

Рисунок 13 - ФЧХ ФВЧ на ОУ



Заключение

Результатом работы является рассчитанная, спроектированная схема фильтра верхних частот на ОУ, выполняющая требования технического задания и согласованная с электрокардиографом Kenz-Cardico 1211. В данной работе так же отрабатываются навыки работы в программе схемотехнического моделирования Micro-Cap и оформления технической документации.


Список используемой литературы

1. Павлов В.Н., Ногин В.Н. «Схемотехника аналоговых электронных устройств»: учебник для вузов. М.: Горячая Линия-Телеком, 1999.

. Кореневский Н.А., Попечителев Е.П. «Элементы и узлы медицинской техники»: учебник для вузов. Старый оскол: ТНТ, 2012.

. Хоровиц и Хилл «Искусство Схемотехники».

4. Самоучитель по Electronics Workbench Multisim. Хернитер Марк Е. 2006 г.