Материал: Электроснабжение населенного пункта

Внимание! Если размещение файла нарушает Ваши авторские права, то обязательно сообщите нам

Пример расчета для ТП5 Л1 участок 0 1:


11. Расчет токов короткого замыкания


Коротким замыканием (к.з.) называется всякое не предусмотренное нормальным условием работы соединение 2х и более точек электрической цепи (непосредственно или через переходное сопротивление). В трехфазных сетях переменного тока при расчетах учитывают трехфазное и однофазное к.з., трансформаторов, линий электропередачи и других элементов сельской электрической сети.

Расчеты токов короткого замыкания необходимы для выбора и проверки электрооборудования, проектирования релейных защит и заземляющих устройств ТП. Для расчета токов короткого замыкания, для каждого ТП, необходимо составить расчетную схему. Одновременно с составлением расчетной схемы определяются точки сети, в которых следует вычислять значения токов короткого замыкания. При составлении расчетных схем, как правило, применяется упрощенный метод, когда в схеме замещения учитываются лишь активные и индуктивные сопротивления.

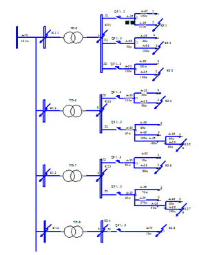
На схемах рис. 12.1 показаны все точки, в которых при проектировании необходимо рассчитать токи короткого замыкания следующих выводов:

1 в точках К1.1; К 1.2 - (на шинах 10кВ проектируемых ТП) ток трехфазного к.з. для выбора и проверки разъединителя, предохранителя и другого оборудования на стороне 10кВ ТП 10/0,4кВ

2 в точках К2.1…К2.3 (на выходных зажимах автоматических выключателей отходящих линий 0,38кВ проектируемых ТП10/0,4кВ) - ток однофазного к.з. для проверки на чувствительность предохранителей 10кВ проектируемого ТП к однофазным к.з. на шинах 0,4кВ: - токи трехфазных к.з. для выбора и проверки рубильника, трансформатора тока, автоматических выключателей и другого оборудования РУ 0,4кВ.

3 в точках КЗ. 1...К3.3 (в самых удаленных точках каждой из отходящих линий 0,38кВ) - токи однофазного или двухфазного к.з. для проверки на чувствительность выключателей /или других защитных аппаратов/ отходящих линий 0,38кВ к этому виду к.з.

Расчетная схема приведена на рисунке 12.1

Рисунок 11.1 - Расчетная схема токов КЗ

Расчет токов короткого замыкания можно вести двумя методами: методом относительных единиц и методом именованных единиц.

Расчет будем производить методом именованных единиц.

Рассчитаем активное сопротивление линии ВЛ 10 кВ по формуле:

 (11.1)


Рассчитаем индуктивное сопротивление линии ВЛ 10 кВ по формуле:

 (11.2)

Активное и индуктивное сопротивления трансформатора:

 (11.3)

 (11.4)

 (11.5)

 (11.6)


Расчет активного и реактивного сопротивлений линии:

 (11.7)

 (11.8)

 (11.9)

 (11.10)

Рассчитаем сопротивление линии 1 ТП5 ВЛ 0,38 кВ по формуле:


Рассчитаем токи к.з. в точках К1.1, К1.2 и К1.3

 (11.11)

где: UБ1 - базовое напряжение (10 кВ)



Рассчитаем токи КЗ в точке К2.1:

Рассчитаем токи к.з. в точке К3.1



Таблица 11.1 - Расчет токов однофазного короткого замыкания

№ ТП

Rт1, Ом

Xт1, Ом

Rт0, Ом

Xт0, Ом

Rлин1, Ом

Xлин1, Ом

Rлин0, Ом

Xлин0, Ом

Iкз(1), кА











ТП5 Л1

0,036

0,066

0,36

0,46

0,395

0,248

0,601

0,58

0,394

ТП5 Л2

0,036

0,066

0,36

0,46

0,067

0,096

0,384

0,481

0,816

ТП5 Л3

0,036

0,066

0,36

0,46

0,149

0,142

0,438

0,511

0,640

ТП6 Л1

0,1

0,104

0,59

0,73

0,221

0,182

0,699

0,777

0,430

ТП6 Л2

0,1

0,104

0,59

0,73

0,252

0,206

0,719

0,792

0,404

ТП7 Л1

0,1

0,104

0,59

0,73

0,102

0,146

0,620

0,753

0,521

ТП7 Л2

0,1

0,104

0,59

0,73

0,296

0,218

0,749

0,800

0,380

ТП8 Л1

0,1

0,104

0,59

0,73

0,080

0,124

0,605

0,738

0,555



12. Выбор и проверка аппаратуры трансформаторных пунктов 10/0,4 кВ


На ТП необходимо выбрать:

Со стороны 10 кВ: разъединитель, предохранитель, разрядник;

Со стороны 0,4 кВ: рубильники, трансформаторы тока, автоматические выключатели отходящих линий.

12.1 Выбор аппаратуры для стороны 10 кВ

Разъединители

Условия выбора разъединителей:

 Uс

 Iр;(12.1.1)



где Uн - номинальное напряжение разъединителя;

Uс - номинальное напряжение сети;

Iн, Iр - номинальный и расчётный ток.

При выборе разъединителя необходимо проверить его на:

- динамическую прочность,

- термическую стойкость

Для выбора разъединителей необходимо рассчитать рабочие токи линий по формуле:

, А,(12.1.2)



где SН - номинальная мощность ТП, кВА;

UН - номинальное напряжение линии UН =10 кВ.

Определим рабочие токи для ТП5, ТП6, ТП7, ТП8:


Для всех ТП выбираем разъединители для наружной установки РЛНДА-10/200.

Проверяем разъединитель на динамическую устойчивость.

Значение расчётного ударного тока определяется по формуле:уд - ударный коэффициент, kуд =1.

Проверка на динамическую устойчивость Iн.дин ≥ iуд:

 (12.1.3)

,уд1= iуд2= kуд×Ö2×I(3)К1.1 (12.1.4)

где kуд=1;

уд1= iуд2= 1×Ö2×183=259 А

кА ≥ 259А

Проверка на термическую стойкость:

I2нт ×tнт >= I2× tп (12.1.5)

где: Iнт - номинальный ток термической стойкости (5кА);нт - предельное время действия тока короткого замыкания (10сек.);=139,2 А - расчетное значение тока трехфазного короткого замыкания;п - время короткого замыкания (1 сек.).

×10 › 0,259

› 0,259

Так как все условия выполняются, то разъединитель РЛНДА-10/200 подходит.

Все условия выполняются, следовательно, разъединители подходят.

Плавкие предохранители 10 кВ выбираются по следующим условиям:

н.пр IР (12.1.6)

где Uн.пр - номинальное напряжение предохранителя, В;н.пр - номинальный ток предохранителя, А;Р - рабочий ток ТП, А;о пр - предельный отключаемый ток, А;в - номинальные токи вставок, А;нв - номинальный ток плавкой вставки предохранителя, А.

Результаты выбора предохранителей сведём в таблицу 12.1

Таблица 12.1- Выбор предохранителей 10 кВ

№ТП

Марка

Uн, В

Uс, В

Iнпр, А

Iр, А

Iо.пр, А

Iв, А

ТП5

ПК1-10У3

10

10

8

6,48

20

7,5

ТП6

ПК1-10У3

10

10

8

5,71

20

7,5

ТП7

ПК1-10У3

10

10

8

4,13

20

5

ПК1-10У3

10

10

8

5,77

20

7,5

Выбор разрядников

Разрядники аппараты, служащие для защиты от перенапряжения, разрушающе воздействующих на изоляцию электроустановок. Разрядники выбирают по номинальному напряжению Uн, и конструктивному исполнению.

Для ТП5, ТП6, ТП7, ТП8 выбираем вентильные разрядники РТВ-10:

Uн =10 кВ; Iн =2 кА; Iверх =10 кА.

12.2 Выбор аппаратуры со стороны 0,4 кВ

Выбор рубильников

Определим рабочие токи линий

, А,(12.2.1)



где Sрл - расчётная мощность линии, кВА;

Uн - номинальное напряжение линии (0,4 кВ).


Рубильники проверяют по следующим условиям:

Uн ≥Uс; Iн ≥Iр;

где Uн - номинальное напряжение рубильника, В;

Iн - номинальный ток рубильника, А;

Uс - номинальное напряжение сети, В;

Iр - максимальный рабочий ток линии, А.

Результаты выбора рубильников сведём в таблицу 12.2

Таблица 12.2 - Результаты выбора рубильников

№ТП

Марка

Uн, В

Uс, В

Iн, А

Iр, А

ТП5

Р-4 У-1

660

400

200

162,1

ТП6

Р-4 У-2

660

400

150

142,7

ТП7

Р-4 У-3

660

400

150

103,1

ТП8

Р-4 У-4

660

400

150

144,3