Материал: Электропитающие установки дома связи

Внимание! Если размещение файла нарушает Ваши авторские права, то обязательно сообщите нам

Типы выпрямительных схем.

)        Схема однополупериодного выпрямления однофазного тока.


)        Схема двухполупериодного выпрямления однофазного тока (мостовая схема).


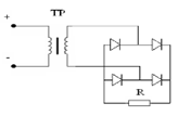
)        Схема однополупериодного выпрямления двухфазного тока (схема двухполупериодного выпрямления однофазного тока с нулевым выводом у вторичной обмотки силового трансформатора).


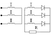
)        Схема однополупериодного выпрямления трехфазного тока.


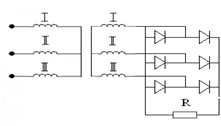
)        Схема двухполупериодного выпрямления трехфазного тока.


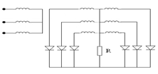
)        Схема однополупериодного выпрямления шестифазного тока.


На основании сравнительной оценки схем выпрямления следует выбрать схему выпрямления (как правило двухполупериодную). Наиболее распространенными являются: однополупериодная, двухполупериодная, однофазная мостовая, трехфазная мостовая, трехфазная с нулевым выводом, шестифазная схемы. Выбор той или иной схемы выпрямления зависит от числа фаз питающей обмотки, типа вентиля, требуемых величин напряжения, токов, мощностей на выходе схемы, коэффициента пульсации выпрямленного напряжения. При однофазной сети применяют однополупериодные и двухполупериодные схемы. При трехфазной сети возможно применение как трехфазных, так и однофазных схем. Однако однофазные схемы при мощностях выше 1кВт не применяются из-за необходимости равномерной нагрузки трехфазной сети. При использовании полупроводниковых вентилей при трехфазной сети рекомендуется применять трехфазную мостовую схему и при малых мощностях. При высоких напряжениях более 1 кВ и малых токах нагрузки применяют однополупериодную схему с емкостным выходом, в качестве вентилей целесообразно использовать кенотроны. Германиевые, кремниевые, селеновые вентили следует использовать в схемах для получения выпрямленных напряжений от единиц вольт до десятков киловольт и токов до десятков ампер. Селеновые вентили допускают большие перегрузки. При питании от трехфазной сети применение двухтактной схемы позволяет получить меньший коэффициент пульсации, а, следовательно, и более компактный фильтр.

Сглаживающие фильтры.

Основной параметр сглаживающих фильтров - коэффициент сглаживания:

,

где  - коэффициент пульсации на выходе выпрямительной схемы при ее нагрузке на активном сопротивлении;

 - коэффициент пульсации на реальной нагрузке при наличии фильтра.

Сглаживающие фильтры сглаживают пульсацию. Они бывают одноэлементные (L или С), двухэлементные (Г-образные, LC- и RC- фильтры), фильтры с резонансными контурами. Все эти фильтры - пассивные. Применяют также и активные транзисторные фильтры.

На основании сравнительной оценки схем сглаживания фильтров с учетом величины тока нагрузки следует выбрать необходимый тип фильтра. При этом следует учитывать, что индуктивные фильтры наиболее эффективны при больших токах нагрузки (десятки ампер), а емкостные - при малых токах нагрузки (до сотен мА), Г - образные LC фильтры однозвенные - оптимальные при kсгл ≤ 25.

.2 Автоматизированный расчет выпрямительного устройства

При составлении алгоритма автоматизированного выбора и расчета выпрямительного устройства следует ориентироваться на материал, изложенный в пункте 3.1.

Так при токе менее 0,01А используется емкостной фильтр, при токе более 10А - индуктивный фильтр, при токе 0,01 ÷ 10A в зависимости от коэффициента сглаживания - одно- или двухзвенный RC- или LC-фильтр. При этом выбор RC- или LC-фильтра производится после расчета их параметров и определения величин ΔЭ и ΔЦ, где ΔЭ(р.) - стоимость потерь электроэнергии на активном сопротивлении RC-фильтра за 10 лет его работы: ΔЭ = I02 ∙R∙365∙24∙10∙2∙10-5;

ΔЦ(р.) - разница в стоимостях RC- и LC-фильтров, принимая равной стоимости индуктивности LC-фильтра и определяется по формуле:

ΔЦ = α∙L,

где L - индуктивность, Гн;

α - стоимость индуктивности величиной в 1 Гн (α = 10 р.).

После выбора фильтра и определения его параметров производится расчет выпрямительной схемы.

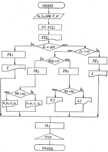
Алгоритм для автоматизированного расчета выпрямительного устройства представлен на рисунке 3.2.

Список идентификаторов:

uo, io ® U0, I0 - напряжение и ток на нагрузке;

n, f ® n, f - число фаз и частота;

ksgl ® Kсгл - коэффициент сглаживания;

kp ® Kп - коэффициент пульсации;

kpn ® Кпн - коэффициент пульсации на нагрузке;

r,l,c - R,L,C - элементы схемы;

de ® DЭ = I02.R.365.24.2.10-5;® DЦ = α.L = 10L;1 - подпрограмма вычисления параметров С-фильтра;

PR2 - подпрограмма вычисления параметров L-фильтра;

PR3 - подпрограмма вычисления параметров двузвенных LC и RC фильтров;

PR4 - подпрограмма вычисления параметров однозвенных LC и RC фильтров;

PR5 - подпрограмма вычисления параметров выпрямителя.

Рис. 3.2 Алгоритм для автоматизированного расчета выпрямительного устройства.

Листинг программы на языке Pascal и результат ее выполнения:

PROGRAM Kyrsovoy;Crt;,io,kpn,f,m,kp,ksgl,r,l,c,ksgl1,dc,de,n : Real;clrscr;('ВВЕДИТЕ:':36);

writeln;('Требуемое значение напряжения на нагрузке':53);

write ('Uo=':32); readln(uo);

writeln('Значение тока в нагрузке':44);

write('Io=':32); readln(io);('Значение коэффициента пульсации':47);('Kpn=':33); readln(kpn);('Частота':35 );('f=':32); readln(f);('Количество фаз':39);('n=':32); readln(n); m:=n*2;;('ПОЛУЧАЕМ:':37);:=2/(m*m-1); ksgl:=kp/kpn;

writeln('Коэффициент сглаживания =':43,ksgl:3:2);

if io<0.01 then begin c:=ksgl*io*(m*m-1)/(4*uo*m*f);('C-фильтр: C=':39,c:5:4,'.');;begin if io>10 then begin:=ksgl*uo/(2*3.14*m*f*io);('L-фильтр: L= ':39,l:3:4,'.');;begin if ksgl>25 thenksgl1:=sqr(ksgl);:=0.001;:=(ksgl1+1)/(4*3.14*3.14*m*m*f*f*c);:=2*l*10;:=ksgl1/(2*3.14*f*m*c);:=io*io*r*365*24*20*0.00001;de>dc then('Двузвeнный LC фильтр: L1=L2=':37,1:3,' ;' C1=C2=',c:2:4,' .')('Двузвeнный RC фильтр: R1=R2=':37,r:3:2,' ; ','C1=C2=',c:2:4,');;begin;:=0.001;:=(ksgl+l)/(4*m*m*3.14*3.14*f*f*c);:=ksgl/(2*3.14*f*m*c); endbegin;:=10*l;:=io*io*r*365*24*10*2*0.00001;de>dc then('Однозвенный LC фильтр: L=':37,l:3:2,' ; ','C= ',c:5:4,')write ('Однозвенный RC фильтр: R= ':37,r: 3:2,' ; ','C=',c:3:2,' .');;;;writeln;('ПРОГРАММА ЗАВЕРШЕНА НАЖМИТЕ ЛЮБУЮ КЛАВИШУ !':56);UNTIL KEYPRESSED.

ВВЕДИТЕ:

Требуемое значение напряжения на нагрузке

Uo=35

Io=35

Значение коэффициента пульсации

Kpn=0.003

Частоту

f=50

Количество фаз

n=3

ПОЛУЧАЕМ:

Коэффициент сглаживания =19.05

L-фильтр: L= 0.0101.

ПРОГРАММА ЗАВЕРШЕНА НАЖМИТЕ ЛЮБУЮ КЛАВИШУ !

3.3 Схема рассчитанного ВУ


Список литературы

1. Методические указания к курсовой работе "Проектирование электропитающих установок АТС на Ж/Д транспорте". Часть 1 - М.: 2000 г.

2. Методические указания к курсовой работе "Автоматизированный расчет элементов ЭПУ". - М.: 1989 г.

3. Методические указания к курсовой работе "ЭПУ дома связи". М.: 1997 г.

4. Дмитриев В.P., Смирнов В.И. Электропитающие устройства Ж/Д АТС - М.: транспорт, 1983 г.