Материал: Электропитающие установки дома связи

Внимание! Если размещение файла нарушает Ваши авторские права, то обязательно сообщите нам

nб = 11, nз = 13

Pб=Iап∙nб∙Uб=0,9∙132∙11∙2,2=2874,96 Вт; Pз=Iз∙nз∙Uз=6∙7∙13∙2,3=1255,8 Вт

Pву = Pб + Pз = 2874,96 + 1255,8 = 4130,76 Вт.

Для ЭПУ - 60 В:

nб = 28, nз = 33

Pб=Iап∙nб∙Uб=35,75∙0,9∙28∙2,2=1981,98 Вт; Pз=Iз∙nз∙Uз=6∙4∙33∙2,3=1821,6 Вт

Pву = Pб + Pз = 1981,98 + 1821,6 = 3803,58 Вт.

1.4 Определение состава коммутирующих и выпрямительных устройств ЭПУ

Состав выпрямительных коммутирующих устройств для автоматизированных ЭПУ с номинальным напряжением 24В и 60В в зависимости от величины тока нагрузки выбирается из приложения 1[1]:

Для ЭПУ - 24 В выбираем: Iн = 168 А, N = 8, 2 выпрямителя типа ВУК-36/260 и 2 коммутирующих устройства типа АКАБ-24/500.

Для ЭПУ - 60 В выбираем: Iн = 42 A, N = 4, 2 выпрямителя типа ВУК-67/70 и коммутирующее устройство типа ШК-60/150.

Для размещения устройств связи применяют дома связи II, III и IV типов, которые отличаются друг от друга составами и количеством аппаратуры связи. Необходимую структурную схему выбираем на основании рассчитанной токовой нагрузки: для ЭПУ - 24 В и ЭПУ - 60 В - выбираем тип дома связи III (рис 1.2).

1.5 Определение мощности, потребляемой ЭПУ от сети переменного тока

Активная мощность, потребляемая ЭПУ от сети переменного тока рассчитывается по формуле:

Pa =Pву + Pосв + Pс,

где Pву = Pб + Pз - мощность выпрямительного устройства;

Pосв и Pс - мощности, потребляемые освещением и силовым оборудованием, выбираются в зависимости от типа поста по таблице 1.

Таблица 1

Тип поста

Pосв+Pс , кВт

Q, кВА

S, кВА

II

9

4,4

10,1

III

49,8

37,2

70

IY

110,3

131,6


Затем следует определить полную мощность, потребляемую от внешней сети, для чего следует просуммировать мощности (Pосв + Pс) выбранного поста и выпрямительных устройств с учетом cosφ (cosφ = 0,7 - для выпрямительных устройств).

Для ЭПУ - 24 В:

Pa =Pву + Pосв + Pс = 4130,76 + 49800 = 53930,76 Вт;

S = Sву + Sосв + Sс = 4130,76/0,7 + 70000 = 75901,09 ВА.

Для ЭПУ - 60 В:

Pa =Pву + Pосв + Pс = 3803,58 + 49800 = 53603,58 Вт;

S = Sву + Sосв + Sс = 3803,58/0,7 + 70000 = 75433,69 ВА.

2. Дистанционное питание

.1 Общие сведения о ДП

Для обеспечения многоканальной связи на относительно большие расстояния требуется большое количество промежуточных усилительных пунктов. Оборудование каждого из них собственными источниками питания экономически невыгодно. Поэтому большинство из них делается необслуживаемыми и питается дистанционно. Дистанционным питанием (ДП) называется передача электрической энергии для питания аппаратуры связи, установленной на необслуживаемых усилительных пунктах (НУП), с использованием тех же цепей, по которым организуется связь.

НУП выполняются в виде металлических баков, зарываемых в землю, с легкой наружной надстройкой объемом 8-10 м3 либо в виде контейнеров, закапываемых в землю без наземной части. Внутри НУП устанавливается аппаратура связи. За счет тепла, рассеиваемого аппаратурой и так называемой хознагрузкой в НУП в течение круглого года, создаются условия (температура и относительная влажность), необходимые для нормальной работы аппаратуры связи.

На рис.2.1 показана структурная схема организации ДП на магистрали связи. Участок магистрали связи между двумя смежными опорными усилительными пунктами (ОУП) называется секцией дистанционного питания. Передача электрической энергии с ОУП при дистанционном питании осуществляется, как правило, на длину полусекции. Необслуживаемые усилительные пункты другой полусекции получают питание со следующего ОУП.

Рис 2.1 Структурная схема организации ДП на магистрали связи.

Основные требования, предъявляемые к системам ДП:

·   наибольшая дальность дистанционного питания, т.е. наибольшая длина секции ДП; бесперебойная подача энергии к потребителям НУП при высокой экономичности системы в целом;

·   простота и малогабаритность устройств питания на НУП;

·   полное отсутствие или сведение к минимуму влияния токов ДП на каналы связи;

·   минимальное влияние со стороны различного рода посторонних ЭДС и токов как на цепи ДП, так и на каналы связи.

Необходимость выполнения перечисленных требований в конкретных системах ДП аппаратуры уплотнения многоканальной связи определяет способы и схемы их реализации.

2.2 Способы дистанционного питания

Конкретный способ и схемы реализации систем ДП зависят от типа уплотняемой линии связи, системы передачи и типа ее аппаратуры. Аппаратура систем передачи может быть ламповой или полупроводниковой.

Дистанционное питание аппаратуры НУП различных типов линий связи может осуществляться постоянным или переменным током. Использование постоянного тока даст системе ДП ряд преимуществ, а именно:

·   более простые электропитающие установки ( ЭПУ ) на ОУП и НУП;

·   полное отсутствие влияния токов ДП на каналы связи;

·   более простая защита каналов связи от наведенных ЭДС в цепях ДП. Однако при использовании для ДП постоянного тока имеются также и недостатки:

·   дальность передачи электроэнергии при заданной мощности ограничена, т.е. длина секции ДП сравнительно небольшая;

·   более сложное преобразование постоянного тока с целью получения различных значений напряжений;

·   имеется гальваническая связь между цепями высокого и низкого напряжений, что усложняет работу технического персонала.

При использовании для дистанционного питания переменного тока перечисленные недостатки отсутствуют вследствие применения трансформаторов, что позволяет посредством повышения напряжения существенно увеличивать передаваемую мощность или дальность передачи ДП, а также легко получать необходимые градации напряжения. Недостатки в этом случае будут такими:

·   более сложные устройства питания на НУП из-за необходимости иметь на каждом НУП трансформаторы, выпрямители с фильтрами и стабилизаторы напряжения;

·   необходимо дополнительно повышать напряжения ДП из-за невысоких значений КПД устройств питания НУП;

·   сложность устранения влияния переменного тока ДП на каналы низкочастотной связи.

В нашей стране наибольшее распространение получило дистанционное питание постоянным током. Переменным током ДП осуществляется только по коаксиальным линиям связи и только некоторой ламповой многоканальной аппаратуры (К-1920, К-1920У).

2.3 Системы дистанционного питания

Основным способом дистанционного питания является "провод-земля", при котором цепь дистанционного питания организовывается по линиям связи только для прямого провода, а обратным проводом служит земля. В некоторых случаях при наличии больших изменяющихся потенциалов между заземлениями ОУП и НУП применение электропередачи для ДП по способу "провод-земля" приводит к значительным колебаниям напряжения на питаемой аппаратуре. Если эти потенциалы превосходят ±15В, но не больше ±75В, то на ОУП в цепь ДП включаются компенсаторы земных потенциалов.

При величине этих потенциалов выше ±75В применяется способ электропередачи "провод-провод". Для компенсации увеличенного падения напряжения в линии вследствие ее высокого сопротивления при способе ДП "провод-провод" прибегают к повышению питающего напряжения на ОУП. При этом может быть организовано меньшее количество цепей ДП, вследствие чего даже при повышенном напряжении ДП секции дистанционного питания (участки между двумя смежными ОУП) значительно уменьшаются по сравнению с секциями ДП при способе электропередачи "провод-земля".

Цепи ДП (по способу "провод-земля") организуются по средней точке пары или четверки жил ВЧ одного кабеля. По одной цепи ДП подается питание для двух систем аппаратуры ВЧ (четырех четырехламповых усилителей) и одного дуплексного усилителя НЧ (двухлампового). Половина систем ВЧ уплотнения получает питание по рабочим, цепям одного кабеля, а другая половина - по рабочим цепям второго кабеля. Соответственно резервные цепи для систем, питаемых по первому кабелю, создаются во втором кабеле и наоборот. Такое разделение рабочих цепей позволяет в два раза уменьшить число перебоев в питании систем уплотнения при снятии напряжения с одного из кабелей для ведения ремонтных работ. Резервное питание подается с того же ОУП, что и рабочее.

При способе электропередачи "провод-провод" в секции обычно не должно быть более четырех НУП. В этом случае для обратного прохождения тока ДП резервные цепи используются так, что для цепи ДП 1 и 2-й систем уплотнения используется резервная цепь 3 и 4-й систем (и наоборот), для цепи 5 и 6-й систем используется резервная цепь 7 и 8-й систем (и наоборот). Рабочего заземления на НУП при этом не требуется. Таким образом, цепи ДП для каждого НУП так же, как и при способе ДП "провод-земля", организуется в одном и в другом кабеле.

Система ДП "провод-земля" имеет малое сопротивление линейной цепи, при одном и том же количестве линейных проводов для ДП сопротивление линейной цепи при системе "провод-земля" в 4 раза меньше, чем при системе "провод-провод". Искусственная цепь ДП создается с помощью средних точек трансформаторов Тр1 и Тр2. Дальность передачи ДП при системе "провод-земля" значительно увеличивается. Все это является достоинством системы ДП "провод-земля" (рис.2.2).

Рис. 2.2 Система дистанционного питания "провод-земля".

Существенным недостатком такой ДП является малая защищенность от помех со стороны соседних линий электропередачи и особенно со стороны контактных сетей переменного тока. Для уменьшения индуктивного мешающего напряжения питающие на ОУП и питаемые на НУП устройства защищают дросселями Др1 и дроссельными фильтрами Ф1, свободно пропускающими постоянный ток, но ограничивающими переменный, индуктированный внешними электромагнитными полями контактных сетей или ЛЭП.

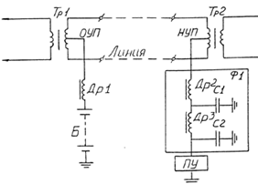
Система ДП "провод-провод" характеризуется тем, что питающие и питаемые устройства включаются между проводами цепи питания. Для того чтобы эти устройства не мешали работе каналов связи, батарея Б подключается через реакторы РС1 и РС2, а питаемый усилитель ПУ - через фильтр, образованный реакторами РС3,PC4 и конденсатором С (рис.2.3).

Рис. 2.3 Система дистанционного питания "провод-провод".

Достоинством такой системы является то, что симметричная двухпроводная цепь питания хорошо защищена от помех, создаваемых соседними линиями электропередач (ЛЭП) и контактной сетью электрифицированных железных дорог. Недостатком же является большое сопротивление двух линейных проводов, которое дает значительные потери напряжения в линии и тем самым ограничивает дальность передачи ДП.

.4 Расчет электропитающих устройств для ДП

Расчету подлежат следующие элементы системы ДП: напряжение, подаваемое в линии ДП, ток, потребляемый цепями ДП от ЭПУ ОУП. Поскольку все усилители НУП каждой системы уплотнения вместе с шунтирующими их транзисторными блоками соединены в общую цепь последовательно, напряжение усилителей при способе ДП "провод-провод" может быть выражено равенством:

Uнуп = 2ΔUнупn, (1)

где ΔUнуп = 24 В - напряжение электропитания каждого НУП;

n - число НУП с полусекции ДП, n = 7 по заданию.

Uнуп = 2 ∙ 24 ∙ 4 = 192 В.

Формула для расчета напряжения, подаваемого в цепь ДП, может быть написана в следующем общем виде (способ электропередачи "провод-провод"):

Uдп = Uнуп + Iдп(0,5∑lпRп + Rраз), (2)

где Iдп - ток в цепи, принимаемый с некоторым запасом, равным 0,2 А;

Rп - сопротивление одного километра пары медных жил диаметром 1,2 мм = 7,75 Ом;

∑lп - суммарная длина усилительных участков в полусекции, км;

Rраз - сопротивление стационарных развязывающих и защитных устройств для способа электропередачи "провод-провод":

Rраз = 2Rр оуп + Rр нуп (2n - 1), (3)

где Rр оуп - сопротивление развязывающих устройств ОУП, равное 30 Ом;

Rр нуп - сопротивление развязывающих устройств НУП, равное 30 Ом.

Подставляя известные величины Rр оуп и Rр нуп в (3) получим:

Rраз = 2∙30 + 30(2∙4 - 1) = 270 Ом.

Подставим в выражение (2) все полученные по расчетам значения и получим:

Uдп = 192 + 0,2(2∙3,38∑lп + 2∙270) = 192 + 0,2(7,75 ∙ 38 + 540) = 358,9 В.

С достаточной для практических надобностей точностью ток, потребляемый каждой цепью ДП, от ЭПУ ОУП номинальным напряжением 24В (учитывая, что на холостом ходу каждый преобразователь потребляет ток около 3А, а при полной нагрузке - около 9А) определяется по формуле:

Iц = 3 + Uдп∙α → Iц = 3 + 358,9∙0,013 = 7,666 А.

Естественно, что ток, потребляемый СПУ от ЭПУ-24В составляет произведение:


где к = 4 - число цепей ДП.

Iсдп = 4∙7,666 = 30,664 А.

Далее на рис 2.4 приведена схема цепей ДП НУП К-60П по заданному способу электропередачи "провод-провод".

Рис. 2.4 Схема цепей ДП НУП К-60П по способу "провод-провод".

3. Автоматизированный расчет элементов электропитающей установки

.1 Общие сведения о выпрямительных устройствах

Выпрямительное устройство (рис 3.1) предназначено для преобразования переменного тока в постоянный. Выпрямительные нестабилизированные устройства включают в себя силовой трансформатор, вентили и сглаживающий фильтр. В стабилизированных выпрямительных устройствах, кроме указанных основных элементов, имеется дополнительный стабилизатор напряжения, который подключается до трансформатора или после сглаживающего фильтра.

Рис 3.1 Схема выпрямительного устройства.

Выпрямительные устройства подразделяются по следующим признакам:

.        По типу выпрямительной схемы. Однополупериодные и двухполупериодные схемы выпрямления однофазного, двухфазного, трёхфазного и шестифазного токов.

2.      По типу вентилей применяемых в ВС. Вентили - германиевые, кремниевые, селеновые. Наибольшее распространение получили кремниевые, т.к. они обладают высокими рабочими температурами до , большой допустимой плотностью тока в прямом направлении, высоким допустимым напряжением, большим сроком службы.

.        По реакции нагрузки. Может быть индуктивная реакция нагрузки, емкостная реакция и работа на противо-ЭДС (на АБ), реакция нагрузки проявляется в особенности работы вентилей и сглаживающих фильтров.

.        По возможности изменять величину Uвых. Выпрямительные устройства подразделяются на неуправляемые (НВУ) и управляемые (УВУ). У НВУ между напряжением на входе и выходом жёсткая связь постоянным коэффициентом передачи. А у УВУ напряжение на выходе можно регулировать, изменять при неизменном входом (для этого выпрямительное устройство имеет какое-то управление (рукоятка)).