Материал: Электропитающие установки дома связи

Внимание! Если размещение файла нарушает Ваши авторские права, то обязательно сообщите нам

Электропитающие установки дома связи

Кафедра «Автоматика и телемеханика на железнодорожном транспорте»











Курсовой проект

по дисциплине «Электропитание устройств ЖАТС»

На тему: ЭЛЕКТРОПИТАЮЩИЕ УСТАНОВКИ ДОМА СВЯЗИ.

Задание

Часть 1. Проектирование электропитающих установок:

Рассчитать ЭПУ для следующих параметров дома связи:

)        Емкость АТС (количество номеров): n = 650;

)        Величина тока, потребляемого аппаратурой на 24 В: Iап = 120 А.

Часть 2. Дистанционное питание:

1)      Длина усилительного участка: l = 9,5 км;

)        Число НУП: n = 7;

)        Система питания: “провод - провод”.

Часть 3. Автоматизированный расчет элементов электропитающей установки:

Исходные данные для автоматизированного расчета выпрямительного устройства:

)        Число фаз: n = 3;

2)      Ток в нагрузке: Io = 35 А;

)        Напряжение на нагрузке: Uo = 35 B;

)        Коэффициент пульсации на нагрузке: kпн = 0,003.

Содержание

1. Проектирование электропитающих установок

.1 Основные положения по проектированию ЭПУ проводной связи

.1.1 Классификация ЭПУ по условиям электроснабжения

.1.2 Основные требования, предъявляемые к ЭПУ

.1.3 Нормы напряжений для ЭПУ аппаратуры связи

.1.4 Типовые системы и схемы электропитания

.1.5 Структурные схемы ЭПУ домов связи

.1.6 Автоматизированные ЭПУ

.1.7 ЭПУ с номинальным напряжением 24 В

.1.8 ЭПУ с номинальным напряжением 60 В

.2 Расчет аккумуляторной батареи

.3 Расчет мощности выпрямительного устройства

.4 Определение состава коммутирующих и выпрямительных устройств ЭПУ

.5 Определение мощности, потребляемой ЭПУ от сети переменного тока

. Дистанционное питание

.1 Общие сведения о ДП

.2 Способы дистанционного питания

.3 Системы дистанционного питания

.4 Расчет электропитающих устройств для ДП

. Автоматизированный расчет элементов электропитающей установки

.1 Общие сведения о выпрямительных устройствах

.2 Автоматизированный расчет выпрямительного устройства

.3 Схема рассчитанного ВУ

Список литературы

1. Проектирование электропитающих установок

При выполнении данного раздела необходимо проделать следующую работу:

. Изучить основные положения по проектированию электропитания аппаратуры проводной связи.

. Ознакомиться с типовыми системами и схемами электропитания аппаратуры проводной связи.

. Рассчитать и выбрать основное оборудование электропитающей установки.

1.1    Основные положения по проектированию ЭПУ проводной связи

При выполнении курсовой работы необходимо начать со знакомства со следующими нормами проектирования установок электропитания: классификацией ЭПУ по условиям электроснабжения, общими требованиями, предъявляемыми к электропитающим установкам, нормами напряжении и допустимых пульсаций напряжения.

связь электропитающий коммутирующий питание

1.1.1 Классификация ЭПУ по условиям электроснабжения

Все дома связи железнодорожного транспорта по обеспечению надежности электроснабжения относятся к потребителям особой группы первой категории.

Электроприемники первой категории должны обеспечиваться электроэнергией от двух независимых источников питания, и перерыв их электроснабжения может быть допущен только на время автоматического ввода резервного питания (не более 1,3 с.). Для особой группы приемников первой категории должно предусматриваться дополнительное электроснабжение от третьего независимого источника аккумуляторной батареи или дизель-генератора. Только необслуживаемые усилительные пункты (НУП) дальней связи относятся к III категории электроприемников электроснабжение которых, осуществляется от одного источника.

1.1.2 Основные требования, предъявляемые к ЭПУ

Для каждого номинального напряжения источников постоянного тока, как правило, предусматривают отдельные ЭПУ, состоящие из одной или двух групп аккумуляторных батарей выпрямительных устройств. Способ электропитания буферный.

ЭПУ в зависимости от поставляемого оборудования могут проектироваться автоматизированными и неавтоматизированными с установкой одной или двух групп аккумуляторных батарей. Общий запас емкости аккумуляторной батареи в домах связи должен обеспечивать электропитание в аварийном режиме аппаратуры связи в часы наибольшей нагрузки и при необходимости - цепей аварийного освещения в течение 1 ч при электроснабжении от двух независимых источников и в течение 2 ч от одного источника. Запас емкости аккумуляторных батарей для электропитания аппаратуры оперативно-технологической связи, устанавливаемой в постах электрической, диспетчерской и горочной централизаций, предусматривается таким же, как и для устройств автоматики.

ЭПУ-24 обслуживаемых усилительных пунктов (ОП, ОУП) систем передачи должны обеспечивать дистанционное питание (ДП) аппаратуры необслуживаемых усилительных пунктов. Для ДП предусматривают статические преобразователи, питаемые от ЭПУ-24. Для узлов связи, требующих относительно небольшой мощности (менее 2,0 кВт) допускается использование опорной батареи и преобразователей постоянного тока. Питание коммутаторов станционной распорядительной связи (кроме ДСП) допускается от сети переменного тока через выпрямительные устройства безбатарейного электропитания. Электропитание каналообразующей аппаратуры и автоматических станций коммутации телеграфной связи и передачи данных (АСК) допускается от сети переменного тока через преобразователи безбатарейного электропитания (выпрямительные установки двухлучевой системы). Электропитание оборудования аппаратных залов телеграфных станций и телеграфных аппаратов абонентских пунктов предусматривается от сети переменного тока. При колебании напряжения в сети, превышающем 3%, необходимо предусматривать стабилизаторы напряжения. Оборудование ЭПУ должно обеспечивать перспективное развитие по блочному принципу, позволяющему наращивать мощность по мере надобности без замены установленных блоков.

Рабочие выпрямительные устройства должны иметь 100% резерв. При параллельной работе нескольких одинаковых по мощности выпрямительных устройств можно устанавливать одно резервное.

Резервное зарядно-буферное выпрямительное устройство каждого номинального напряжения должно обеспечивать:

·   заряд (одной или двух групп) аккумуляторной батареи до напряжения на аккумуляторе 2,3 В для автоматизированных ЭПУ и 2,7 В - для неавтоматизированных;

·   формовку всей аккумуляторной батареи или основной группы до 2,7 В на аккумулятор;

·   полную взаимозаменяемость рабочими выпрямительными устройствами.

В ЭПУ с применением буферных выпрямителей для формовки и заряда дополнительных групп предусматриваются вольтодобавочные выпрямители. В автоматизированных ЭПУ зарядные вольтодобавочные выпрямители должны обеспечивать зарядный ток не менее 2 А на индексный номер аккумуляторов батареи при заряде одной группы и не менее 4 А - при одновременном заряде одним выпрямителем двух групп. В неавтоматизированных ЭПУ зарядный ток принимается разным 6 А на индексный номер аккумуляторов.

Устройства для коммутации, содержания и заряда аккумуляторных батарей в автоматизированных ЭПУ должны обеспечивать заряд аккумуляторных батарей до напряжения 2,3 В и буферную работу в режиме постоянного подзаряда при напряжении 2,2В +2% на аккумулятор. Комплект оборудования должен обеспечивать возможность формовки при напряжении до 2,7 В на аккумулятор.

Для аккумуляторных батарей следует применять стационарные свинцовые аккумуляторы. Батареи, как правило, должны быть секционированными с автоматической коммутацией групп.

1.1.3 Нормы напряжений для ЭПУ аппаратуры связи

В зависимости от состава устанавливаемого оборудования связи проектируют ЭПУ со следующими напряжениями:

В - с заземленным положительным полюсом для электропитания аппаратуры МТС, станций систем передачи и оперативно-технологической связи;

и 60 В - с заземленным соответственно положительным или отрицательным полюсом для электропитания аппаратуры АСК. Разница между одинаковыми напряжениями разной полярности не должна превышать 3%.

Номинальные значения и нормы допустимых отклонений напряжения источника переменного тока (как в системе однофазного, так и в системе трехфазного тока) при допустимых колебаниях частоты 48-52 Гц имеют следующие значения (В): 220 В 127 В

Электросети общего назначения.…………………..……187-242 108-140

Собственные резервные электростанции……………….213-227 123-131

Для поддержания напряжения в цепях постоянного тока в необходимых пределах устанавливают дополнительные аккумуляторы с автоматической или полуавтоматической коммутацией, которые обеспечивают в наибольших пределах ступенчатую регулировку напряжения. Для более точной стабилизации напряжения применяются угольные регуляторы напряжения или полупроводниковые стабилизаторы напряжения.

1.1.4 Типовые системы и схемы электропитания

При изучении данного вопроса следует обратить внимание на классификацию систем электропитания по способам комплектации ЭПУ, резервирования и эксплуатации.

По способу резервирования и комплектации аккумуляторных батарей ЭПУ подразделяют на выпрямительно-аккумуляторные (многобатарейные и однобатарейные) и безбатарейные .

Безбатарейная система рекомендуется при надежном внешнем энергоснабжении в крупных узлах связи и является необслуживаемой автоматизированной (наиболее перспективная).

Выпрямительно-аккумуляторная система рекомендуется как основная система электропитания устройств проводной связи на железнодорожном транспорте.

Однобатарейная система рекомендуется для узлов, связи с потреблением мощности до 2 кВт. Для получения других напряжений в аварийном режиме применяются полупроводниковые преобразователи.

Многобатарейная система предусматривает для каждого напряжения постоянного тока отдельные выпрямительные устройства и отдельные аккумуляторные батареи в качестве резервного источника. Многобатарейные системы могут быть обслуживаемые (неавтоматизированные или полуавтоматизироваиные) и необслуживаемые (автоматизированные).

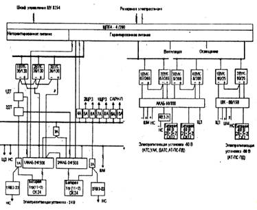
1.1.5 Структурные схемы ЭПУ домов связи

Для размещения устройств связи на железнодорожном транспорте широкое применение получили дома связи II, III и IV типов представленные соответственно на рисунках 1.1, 1.2 и 1.3. Типы домов отличаются друг от друга составом и количеством аппаратуры связи, которую можно разместить в технологических помещениях. Дом связи II применяют для размещения оборудования обслуживаемого усилительного пункта на небольших станциях. Дома связи III и IV типов предназначены для узлов связи на крупных и отделенческих станциях.

Для коммутации и распределения напряжения переменного тока, поступающего от сети внешнего электроснабжения и резервной электростанции, применяют щиты и панели переменного тока типов ЩПТА, ПВ-60 и ПРПТ-65. ЩПТА конструктивно выполнен аналогично выпрямительным установкам ВУ и ВУК. Поэтому специальных коммутационных аппаратов для подключения к его шинам этих выпрямительных устройств не предусматривают, а общестанционные шины переменного тока прокладывают вдоль всего ряда оборудования. Это позволяет значительно упростить схему щитов, а так же сделать ее универсальной, т. е. пригодной для включения любого количества выпрямителей в пределах мощности, пропускаемой аппаратурой ЩПТА. К тем же общестанционным шинам переменного тока могут включатся выпрямители другой конструкции. Шины применяют алюминиевые сечением 4*30. Подключение нагрузки к панелям ПВ-60 и ПРПТ-65 выполняют кабелем через предохранители, установленные на панелях.

Выбор типа вводных панелей переменного тока предусматривается по суммарной мощности, потребляемой электропитающими установками узда связи и другими потребителями от сети переменного тока. В настоящее время в домах связи в зависимости от поставляемого оборудования проектируют автоматизированные и неавтоматизированные выпрямительно-аккумуляторные установки. Автоматизированные ЭПУ буферной системы с секционированными аккумуляторными батареями с автокоммутацией групп дополнительных элементов дают возможность автоматизации процесса после аварийного заряда без отключения батарей от шин потребителей и без применения САРН. Электропитающие установки буферной системы без полной автоматизации обеспечивают эксплуатацию без постоянного обслуживания во всех режимах, за исключением режима заряда аккумуляторных батарей.

В электропитающих установках, коммутирующие установки которых не имеют защиты в разрядных цепях, нагрузочные устройства подключаются через ящик ЯВЗ. В домах связи предусмотрена система аварийной и предупредительной сигнализации ЭПУ и режимов их работы, для чего используются табло ТОС-3, устанавливаемые в выпрямительной. В линейно-аппаратных залах устанавливаются стойки автоматического регулирования напряжения САРН (с угольными или полупроводниковыми стабилизаторами), поддерживающие на аппаратуре стабильное напряжение в пределах 20,6 - 21,8 В для питания транзисторной аппаратуры связи. Для регулирования напряжения 21,6 - 26,4 В в схеме с несанкционированной батареей применяются также стойки САРН. В схеме с секционированной батареей САРН используются только для получения напряжения 20,6-21,8 В.

Рис. 1.1 Структурная схема ЭПУ дома связи типа II.

Рис. 1.2 Структурная схема ЭПУ дома связи типа III.

Рис. 1.3 Структурная схема дома связи типа IV

1.1.6 Автоматизированные ЭПУ

Автоматизированные выпрямительно-аккумуляторные установки содержат ВУК, имеющие свойства автоматики, защиты, а также автоматической коммутации аккумуляторных батарей. Основные режимы работы автоматизированных выпрямительно-аккумуляторных установок:

Нормальный режим - при наличии напряжения переменного тока в сети внешнего электроснабжения. Рабочие комплекты выпрямительных устройств работают в режиме стабилизации напряжения параллельно с заряженными аккумуляторными батареями, находящимися в режиме постоянного подзаряда, и питают аппаратуру связи;

Аварийный режим I - при пропадании напряжения в сети переменного тока аккумуляторные батареи разряжаются, обеспечивая питание аппаратуры связи и необходимых аварийных нагрузок;

Аварийный режим II - автоматически запускается и вступает в действие резервная электростанция. Рабочие и резервные выпрямительные устройства включаются и работают в режиме стабилизации тока для питания аппаратуры связи и подзаряда батарей. По достижении заранее обусловленной величины конечного зарядного напряжения (но не более 2,3 - 2,35 В на один аккумулятор) рабочие выпрямительные устройства переключаются в нормальный режим буферной работы со стабилизацией напряжения, а резервные выпрямительные устройства отключаются;

Послеаварийный режим - при восстановлении напряжения в сети переменного тока внешнего электроснабжения резервная электростанция останавливается. Рабочие и резервные выпрямительные устройства включаются и работают аналогично работе этих устройств в аварийном режиме II происходит дозаряд батарей, после окончания которого восстанавливается нормальный режим работы электроустановки.

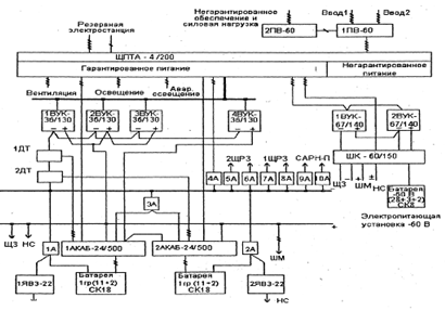
.1.7 ЭПУ с номинальным напряжением 24 В

ЭПУ номинальным напряжением 24 В. ЭПУ-24 относится к автоматизированным установкам и состоит из выпрямителей ВУК на номинальное напряжение 24 В, устройств автоматической коммутации аккумуляторных батарей АКАБ-24 и секционированной аккумуляторной батареи из двух групп. Каждая группа состоит, из 11 основных и 2 дополнительных аккумуляторов. Емкость аккумуляторной батареи (двух групп) рассчитана для питания нагрузки в аварийном режиме в течение 2 ч при температуре воздуха в аккумуляторном помещении не ниже +15° С. Функциональная схема представлена на рисунке 1.4. Коммутация режимов ЭПУ-24 зависит от режимов работы.