Материал: Электропитающие установки дома связи

Внимание! Если размещение файла нарушает Ваши авторские права, то обязательно сообщите нам

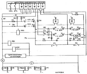
Буферный режим. Питание нагрузки осуществляется от буферных выпрямителей, работающих параллельно с 11 аккумуляторами батареи в режиме постоянного подзаряда через силовые контакторы К1 и К2. В буферном режиме контакты контакторов К1 (7-9) и К2 (7-9) замкнуты. В результате чего осуществляется питание нагрузки по следующей цепочке: плюс БВ, заземленный плюс аппаратуры, 2АКАБ, плюс на нагрузку, нагрузка, контактор ЗА (отключающий нагрузку), амперметр, I обмотка реле 1ДТ, 1 обмотка реле 2ДТ, минус БВ. Параллельно нагрузке в буферном режиме заряжаются 11 основных элементов ОЭ аккумуляторных батарей в 1АКАБ по цепи: плюс БВ, замкнутый контакт 7-9 контактора К2, замкнутый контакт 7-9 контактора К1, плюс ОЭ аккумуляторных батарей, минус которых через первые обмотки реле 1ДТ и 2ДТ соединены с минусом БВ. И в 2АКАБ: плюс БВ, 2АКАБ, замкнутый контакт 7-9 контактора К2, замкнутый контакт 7-9 К1, плюс ОЭ 2АКАБ, минус ОЭ 2АКАБ, 1-е обмотки реле 1ДТ и 2ДТ, минус БВ. БВ работают в режиме стабилизации напряжения 24,2 В ± 2%. Подзаряд двух дополнительных аккумуляторов осуществляется от выпрямителя содержания ВС, входящего в состав АКАБ. Резервно - зарядный выпрямитель РЗВ по постоянному току подключен параллельно буферным выпрямителям через контакт 7-9 контактора К2 и при выходе из строя одного из БВ автоматически заменяет его. Реле, контакторы и цепи управления не показаны.

Аварийный режим. При отключении сети переменного тока питание в первый момент времени осуществляется от ОЭ аккумуляторных батарей через контакты К1 и К2. Цепь питания нагрузки следующая: плюс ОЭ, контакт 7-9 К1, контакт 7-9 К2, плюс нагрузки, нагрузка, минус нагрузки, замкнутый контакт ЗА, амперметр, минус ОЭ. Отпускают реле 1ДТ, 2ДТ, а также переключается контакт контактора К1. В следствии чего к ОЭ подключаются ДЭ аккумуляторных батарей и цепь питания немного меняется: плюс ДЭ, уже замкнутый контакт 7-8 контактора К1, далее К2, нагрузка, замкнутый контакт ЗА, амперметр, минус ОЭ. 2АКАБ работает параллельно 1АКАБ и цепи его работы аналогичны. В момент времени, когда контакт 7-9 К1 разомкнулся, а 7-8 еще не замкнулся питание нагрузки осуществляется через вентиль Д1 минуя контактор К1. Если электроснабжение по истечении 2-х часов не восстановлено, то подключается дизель-генератор ДГА. После этого аккумуляторные батареи становятся на подзаряд.

Послеаварийный режим. При восстановлении напряжения питающей сети отключается дизель-генератор (если он работал), БВ включаются в режиме стабилизации тока. Срабатывают реле 1ДТ и 2ДТ. Последнее своим контактом переключает БВ из режима стабилизации тока в режим стабилизации напряжения. К2 размыкает свой контакт 7-9. В результате чего РЗВ отключается от нагрузки и аккумуляторные батареи начинает получать питание по следующей цепи: плюс РЗВ, замкнутый контакт 7-9 контактора К1, плюс ОЭ, минус ОЭ, 1-е обмотки реле 1ДГ и 2ДТ, минус РЗВ. Питание нагрузки осуществляется независимо от заряда аккумуляторных батарей по цепи, указанной в буферном режиме. ОЭ подключаются к нагрузке через вентили Д1 и Д2. При достижении на 11 основных аккумуляторах напряжения 25,3 В что соответствует 2,3 В на один аккумулятор, сработает вольтметровое реле, которое отключит РЗВ и схема вернется в буферный режим работы. Дальнейший дозаряд 11 элементов производится от БВ, а дополнительных от ВС.

Рис. 1.4 Функциональная схема ЭПУ-24 В с коммутирующими устройствами АКАБ-24.

1.1.8 ЭПУ с номинальным напряжением 60 В

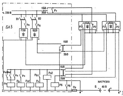
ЭПУ с применением блоков БВ и БАЗ.

ЭПУ с номинальным напряжением 60В для АТС, УАК ДАТС и телеграфных станций. Функциональная схема ЭПУ для максимального тока до 25 А с применением блоков БВ и БАЗ приведена на рисунке 1.5. В состав блока автоматики и заряда БАЗ входит выпрямитель подзаряда ПЗВ, вольтодобавочный выпрямитель ВДВ.

Буферный режим. При включении ключа в положение 1БВ электроснабжение переменного тока напряжением 220 В подается на первый выпрямитель 1БВ. В результате срабатывает реле P2 не показанное на схеме т.к. оно входит в состав выпрямителя и переводит свои контакты давая возможность для работы всех оставшихся в схеме реле Рп, Рд, Ра1, Рз, Ра2. Через замкнутый контакт реле Р2 срабатывают реле Ра1 и Ра2. Те в свою очередь замыкают цепь срабатывания реле Рп, которое самоблокируется своим же контактом и подключают к аккумуляторным батареям выпрямитель подзаряда. Далее обесточенное контактом реле Рп реле Рд отпускает и отключает вольтодобавочный выпрямитель. Последним срабатывает реле РЗ, подключая оставшийся вне работы выпрямитель 2 БВ. В этом режиме производится подзаряд батарей и питание нагрузки.

Цепь питания нагрузки следующая: плюс БВ, нагрузка, переведенный в положение 1 БВ ключ, минус БВ. Подзаряд аккумуляторных батарей производится от ПЗВ по цепи: плюс ПЗВ, аккумуляторные батареи, предохранитель, минус ПЗВ.

В случае, когда необходимо увеличить напряжение, подаваемое на аккумуляторные батареи, реле Рп отпускает, а реле Рд срабатывает, подключая своим контактом вольтодобавочный выпрямитель. Теперь питание батарей будет осуществляться от последовательно включенных выпрямителей БВ и ВДВ.

Аварийный режим. В случае перерыва в энергоснабжении контакты реле Р2 возвращаются в исходное состояние. Срабатывает реле Рб по цепи: плюс батареи, замкнутый в 1БВ контакт реле Р2, переведенный в положение 1БВ ключ, реле Рб, предохранитель, минус батареи и подключает своим контактом батарею на нагрузку. Время коммутации составляет 0,5 с.

Послеаварийный режим. При появлении напряжения в сети схема переходит в буферный режим. Нагрузка снова получает питание от выпрямителей БВ, а аккумуляторные батареи становятся на подзаряд.

Рис. 1.5 Функциональная схема ЭПУ-60 В с применением блоков БВ и БАЗ.

ЭПУ с применением блока ШК-60/150.

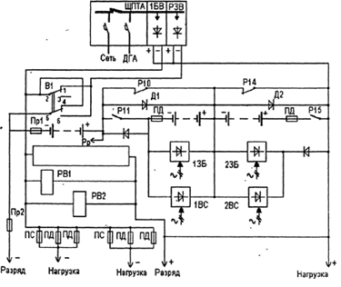
ЭПУ для АТС с Iчин от 25 до 140 А выполнена по буферной схеме с секционированной одногрупповой аккумуляторной батареей (28+3+2) (рис. 1.6). В состав ЭПУ входят выпрямительные устройства ВУК на номинальное напряжение 67 В и шкаф автоматической коммутации и заряда дополнительных элементов ШК -60/150.

В ЭПУ - 60 с применением ШК - 60/150 возможна коммутация в зависимости от режимов работы.

Буферный режим. Питание нагрузки осуществляется от рабочего БВ, который одновременно содержит основную аккумуляторную батарею ( ОЭ - 28 элементов ) при напряжении 2,2 В ±2% на элемент. Дополнительные элементы (1 гр. ДЭ - З элемента, 2гр. ДЭ - 2 элемента) подключены к выпрямителям содержания 1ВС и 2ВС. Цепь питания нагрузки следующая: плюс БВ, плюс на нагрузку, нагрузка, минус нагрузки, параллельно включенные предохранители, минус БВ. По цепи: плюс БВ, замкнутый контакт реле Р14, замкнутый контакт реле Р10, плюс основных элементов ОЭ аккумуляторных батарей, минус ОЭ аккумуляторных батарей, предохранитель Пр1, замкнутый контакт 4-5 ключа В1, минус БВ происходит подзаряд аккумуляторных батарей. Ключ В1 предназначен для перевода схемы в раздельное питание т. е., если замкнуты контакты 2-3 и 5-6 то БВ питает нагрузку и цепи управления и сигнализации, а РЗВ поддерживает ОЭ в заряженном состоянии. Если замкнуты контакты 1-2 и 4-5 ключа В1, то БВ и РЗВ включены в параллель и взаимодополняют друг друга при питании нагрузки и заряда ОЭ.

Аварийный режим. При пропадании напряжения сети батарея ОЭ разряжается на нагрузку: плюс ОЭ аккумуляторных батарей, замкнутый контакт реле Р10, замкнутый контакт реле Р14, плюс нагрузки, нагрузка, минус нагрузки, предохранители, замкнутый контакт 1-2 ключа В1, замкнутый контакт 4-5 ключа В1 , предохранитель Пр1, минус ОЭ. Реле РВ1 и РВ2 следят за напряжением на нагрузке. При снижении напряжения на нагрузке до 59 В реле РВ1 срабатывает в результате чего реле Р10 размыкает, а реле Р11 замыкает свои контакты в результате чего к ОЭ дополнительно подключается первая группа дополнительных элементов ДЭ, состоящая из 3 аккумуляторных элементов: плюс ОЭ, замкнутый контакт реле Р11, минус 1-ой группы ДЭ, плюс ДЭ, замкнутый контакт реле Р14, нагрузка, предохранители, замкнутые контакты 1-2 и 4-5 ключа В1, предохранитель Пр1, минус ОЭ. При последующем понижении напряжения на нагрузке до 59 В срабатывает реле РВ2 в следствии чего реле Р14 разомкнет свой контакт, а реле Р15, напротив, замкнет свой контакт и подключится 2-ая группа ДЭ: плюс ОЭ, замкнутый контакт реле Р11, минус 1-ой гр. ДЭ, плюс 1-ой гр. ДЭ, минус 2-ой гр. ДЭ, плюс 2-ой гр. ДЭ, нагрузка, предохранители, замкнутые контакты 1-2 и 4-5 ключа В1, предохранитель Пр1, минус ОЭ. Если и этих элементов оказалось недостаточно, то к выпрямительным устройствам подключается дизель-генератор.

Послеаварийный режим. При появлении напряжения в сети оба ВУК включаются параллельно в режиме стабилизации тока для заряда всей батареи и нагрузки. При увеличении напряжения на нагрузке до 66В реле РВ2 отпускает вследствие чего контакт реле Р14 замыкается, а Р15 размыкается. 2-я гр. ДЭ при этом отключается от нагрузки и подключается к зарядному блоку 23Б. При вторичном повышении напряжения реле РВ2 отпускает, следовательно, Р10 замкнут и Р11 разомкнут и 1-ая гр. ДЭ подключается к зарядному блоку 13Б. Напряжение на нагрузке становится равным 60,5 В и ВУК переводятся в режим стабилизации напряжения. ДЭ обоих групп дозаряжаются от ЗБ до напряжения 2,3 - 2,7 В на элемент после чего к ним подключаются выпрямители содержания ВС. При снижении тока нагрузки РЗВ отключается.

Рис. 1.6 Функциональная схема ЭПУ-60 В со шкафом ШК-60/150.

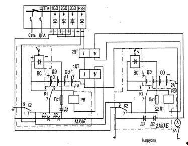
ЭПУ с применением АКАБ-60/800.

ЭПУ для АТС с Iчин от 140 до 800 А выполнена по буферной системе с секционированной двухгрупповой аккумуляторной батареей (28+3+2). В состав ЭПУ, кроме выпрямительных устройств ВУК (рис. 1.7) на номинальное напряжение 67 В, входит устройство автоматической коммутации аккумуляторных батарей АКАБ-60/800. Оно предназначено для работы с выпрямителями ВУК, двумя зарядными устройствами ЗВ (ВУК-8/300) и двумя выпрямителями содержания ВС-6/8. Выпрямители ВС-6/8 входят в комплект АКАБ-60/800. В ЭПУ с применением АКАБ-60/800 возможна коммутация в зависимости от режимов работы.

Буферный режим. Питание нагрузки производится от буферных выпрямителей БВ, работающих параллельно с 28 аккумуляторными батареями в режиме постоянного подзаряда: плюс БВ, нагрузка, параллельно включенные предохранители, амперметр, замкнутый рубильник В2, минус БВ. Подзаряд аккумуляторных батарей осуществляется через замкнутые контакты реле Р3 и Р4: плюс БВ, замкнутый контакт 7 - 8 реле Р4, замкнутый контакт 7 - 8 реле Р3, плюс аккумуляторных батарей, минус аккумуляторных батарей, предохранители, замкнутый рубильник В2 или В1, минус БВ. На каждом элементе поддерживается напряжение 2,2 В ±2% . Дополнительные элементы ДЭ подзаряжаются от выпрямителей содержания ВС. Резервно-зарядный выпрямитель РЗВ по постоянному току подключен параллельно БВ через замкнутый рубильник В1 и при выходе из строя одного из БВ автоматически заменяет его.

Аварийный режим. При отключении напряжения сети питание нагрузки в первый момент времени осуществляется от 28 основных элементов ОЭ батареи через замкнутые контакты реле Р3 и Р4: плюс ОЭ, нормально замкнутый контакт 7 - 8 реле Р3, нормально замкнутый контакт 7 - 8 реле Р4, нагрузка, параллельно включенные предохранители, амперметр, предохранители, минус ОЭ. Когда напряжение на нагрузке понизится до 59 В реле РВ1 отпустит и сработает реле Р3, которое подключит к нагрузке дополнительно первую группу ДЭ: плюс ОЭ, замкнутый контакт 7 - 9 реле Р3, минус ДЭ первой группы, плюс ДЭ первой группы, замкнутый контакт 7 - 8 реле Р4, нагрузка, предохранители, амперметр, предохранители, минус ОЭ. В случае, если реле РВ1 откажет, то при понижении напряжения на нагрузке до 58 В сработает реле РВ3, которое также обеспечивает подключение ДЭ 1 гр. Если после подключения 1 гр. ДЭ напряжение на нагрузке снова уменьшится до 59 В, то срабатывает реле РВ2, обеспечивая подключение 2 гр. ДЭ: плюс ОЭ, замкнутый контакт 7 - 9 реле Р3, 1 гр. ДЭ, 2 гр. ДЭ, замкнутый контакт 7 - 9 реле Р4, нагрузка, предохранители, амперметр, предохранители, минус ОЭ. Контакт 7 - 8 реле Р4 при этом будет разомкнут. В момент переключения контактов реле Р3 и Р4 разряд батарей осуществляется через Д8 и Д9.

Послеаварийный режим. При появлении напряжения сети БВ и РЗВ включаются в режиме стабилизации тока для заряда всей батареи и питания нагрузки. Когда напряжение на нагрузке увеличится до 66 В, отключается реле РВ2 и переводит свои контакты в первоначальное положение, отключая от нагрузки 2 гр. ДЭ, которые продолжают свой Подзаряд от зарядного выпрямителя 23В. При напряжении 59,5 В на ОЭ отпускает реле РВ3. Реле Р3 также отпускает и 1 гр. ДЭ отключается от нагрузки. В момент отключения контакта реле Р3 зарядный ток протекает через вентиль Д7. БВ и РЗВ продолжают заряжать ОЭ до напряжения 2,3 В на каждом элементе, после чего сработает реле переключения режимов Рр и БВ переходит в режим стабилизации напряжения, а РЗВ отключается. ЗВ дополнительных элементов заряжают их до напряжения 2,35 В в режиме стабилизации тока, после чего отключаются. В дальнейшем Подзаряд ДЭ осуществляют выпрямители содержания ВС.

Рис. 1.7 Функциональная схема ЭПУ-60В с коммутирующим устройством АКАБ-60/800.

1.2 Расчет аккумуляторной батареи

Расчет аккумуляторной батареи, составленной из аккумуляторов типа С, сводится к определению индекса и количества аккумуляторов для каждой батареи.

Индекс аккумуляторной батареи определяется по выражению:



где tp - расчетное время разряда батареи;

ηg - коэффициент отбора емкости, зависящий от tp, при tp = 2[ч]

ηg = 0,611 Iн - ток нагрузки;

T = 15o - минимальная температура электролита;

Iап - ток, потребляемый аппаратурой связи, определяется для ЭПУ 24 В как сумма токов, потребляемых всеми указанными в задании устройствами связи, питаемыми от напряжения 24 В; для ЭПУ 60 В

Iап = 0,05n, где n - емкость АТС;

Для ЭПУ - 24 В:


Для ЭПУ - 60 В:

Iн = Iап + Iвсп = 0,05n + 0,1Iап = 0,05∙650 + 0,1∙0,05∙650 = 35,75 [A] →


После расчетов индекс аккумуляторов округляют в сторону увеличения емкости.

Определим теперь время фактического режима разряда батареи, для этого воспользуемся рисунком 1.1, на котором приведен график зависимости отношения tpg от tp. Численное значение этого соотношения:



где N - принятый индекс аккумуляторной батареи;

Iн - ток нагрузки. Для полученного значения по рис. 1.8 определяется фактическое время разряда батареи.







Рис. 1.8 График зависимости отношения tpg от режима разряда.

Количество последовательно включенных аккумуляторов определяется по формуле:


где Umin - минимально допустимое напряжение на зажимах аппаратуры: 21,6 В для ЭПУ - 24 В и 58 для ЭПУ - 60 В;

ΔUпр - падение напряжения в проводах распределительной сети, В;

ΔUком - падение напряжения в коммутационных устройствах;

(ΔUпр + ΔUком) берется не более 10% от Uмин;

Uкр - конечное разрядное напряжение одного аккумулятора.

Определяется по следующему принципу: берется график для фактического разряда батареи (рис 1.9) и при расчетном времени tр определяется напряжение Uкр.

Рис. 1.9 График изменения напряжения у аккумуляторов в процессе разряда.

Для ЭПУ - 24 В:


Для ЭПУ - 60 В:


1.3 Расчет мощности выпрямительного устройства

Pву = Pб + Pз ,

где Pб - мощность, необходимая для буферного питания аппаратуры связи, Вт;

Рз - мощность, необходимая для заряда батареи после аварийного режима, Вт;

Pб = Iап∙nб∙Uб; Pз = Iз∙nз∙Uз;

где nб, nз - число аккумуляторов в группе соответственно в буферном и зарядном режимах работы;

Uб = 2,2 B;

Iап = 0,9∙Iн;

Iз = 6N - ток заряда;

Uз - напряжение аккумулятора в конце заряда: Uз = 2,3 B для автоматизированных ЭПУ и Uз = 2,7 B для неавтоматизированных ЭПУ.

При параллельной работе двух выпрямительных устройств расчетная мощность каждого должна быть увеличена в 1,1 раза (учет неравномерности нагрузки выпрямительных устройств).

Для ЭПУ - 24 В: