Материал: Диссертация Маленьких В.С(ПРО МОЛЬНОЕ СООТНОШЕНИЕ)

Внимание! Если размещение файла нарушает Ваши авторские права, то обязательно сообщите нам

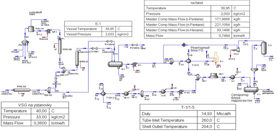
3. Схема блока ГО Изомалк-2 после реализации предложения по дополнительномуподогреву сырьевого потока колонны

141

4. Тепловая схема установки изомеризации после переобвязки теплообменника Т-10 с пара на продуктовый поток

142

5. Тепловая схема установки изомеризации после внедрения дополнительного подогрева сырьевого потока колонны К-3 за счет тепла кубового потока колонны К-2

143

144