Материал: Диссертация Маленьких В.С(ПРО МОЛЬНОЕ СООТНОШЕНИЕ)

Внимание! Если размещение файла нарушает Ваши авторские права, то обязательно сообщите нам

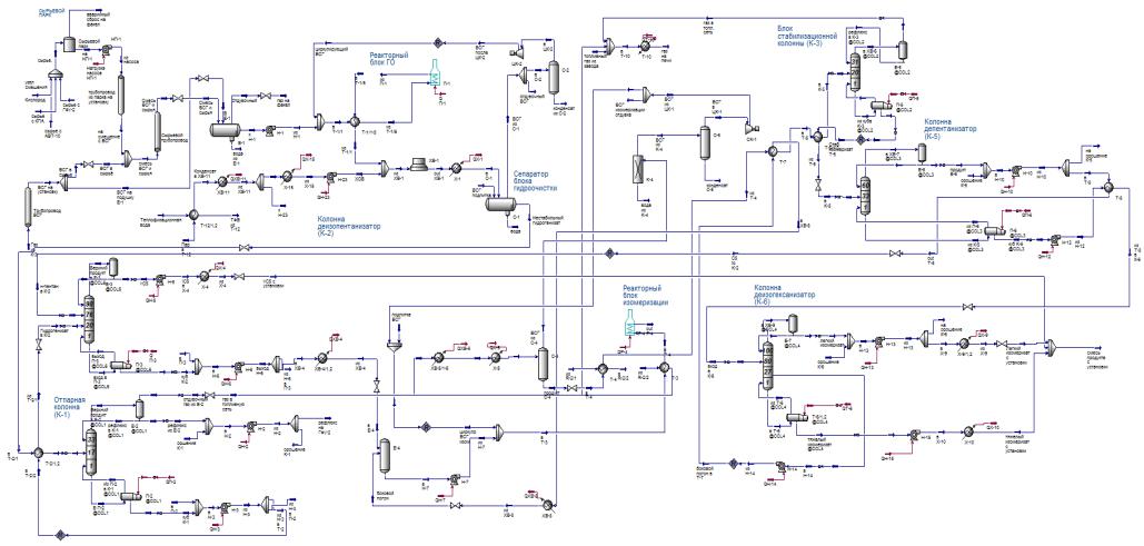
Продолжение прил. 1

Наименование

Ед.изм

Среднесуточные значения

 

 

 

Т на выходе из П-3 по первому потоку

ºС

108,57

 

 

 

Т на выходе из П-3 по первому потоку

ºС

107,27

 

 

 

Т на выходе из П-3 по первому потоку

ºС

107,63

 

 

 

Т на выходе из П-3 по первому потоку

ºС

109,96

 

 

 

Т на выходе из П-3 по первому потоку

ºС

109,04

 

 

 

Т на выходе из П-3 по первому потоку

ºС

108,51

 

 

 

Р после П-3 по первому потоку

Кгс/см²

3,91

 

 

 

Р после П-3 по второму потоку

Кгс/см²

3,93

 

 

 

Р после П-3 по третьему потоку

Кгс/см²

3,94

 

 

 

Р после П-3 по четвертому потоку

Кгс/см²

3,81

 

 

 

Р после П-3 по пятому потоку

Кгс/см²

3,86

 

 

 

Р после П-3 по шестому потоку

Кгс/см²

4,03

 

 

 

Р после П-3 по седьмому потоку

Кгс/см²

3,95

 

 

 

Р после П-3 по восьмому потоку

Кгс/см²

3,94

 

 

 

Общее Р после П-3

Кгс/см²

3,33

 

 

 

Общее Т после П-3

ºС

103,76

 

 

 

Т на 93 тарелке

ºС

69,84

 

 

 

Р в шлемовой линии К-2

Кгс/см²

2,59

 

 

 

Т на выходе из Х-3

ºС

62,15

 

 

 

Т изопентановой фракции

ºС

58,75

 

 

 

Р в Е-3

Кгс/см²

1,90

 

 

 

Расход изопентановой фр. с установки

м³/ч

73,66

 

 

 

Расход изопентановой фр. с установки

Кг/ч

42112,70

 

 

 

Т изопентановой фр. с установке

ºС

41,38

 

 

 

Расход орошения в К-2

м³/ч

728,13

 

 

 

Т после ХВ-4

ºС

52,05

 

 

 

Влажность в кубе К-2

ррм

0,08

 

 

 

Расход кубового продукта в Е-4

м³/ч

9,00

 

 

 

Расход кубового продукта в Е-4

Кгс/см²

138,93

 

 

 

Влажность в Е-4

ррм

0,16

 

 

 

Влажность ВСГ перед К-4

ррм

2,02

 

 

 

Влажность ВСГ после К-4

ррм

0,01

 

 

 

Р в Е-4

Кгс/см²

5,00

 

 

 

Р сырья после Н-7

Кгс/см²

38,59

 

 

 

Расход сырья после Н-7

м³/ч

244,88

 

 

 

Т сырья после Н-7

ºС

51,45

 

 

 

Расход сырья по 1 первой ветке теплообменников

м³/ч

120,27

 

 

 

Расход сырья по 1 первой ветке теплообменников

м³/ч

120,20

 

 

 

Р газосырьевой смеси на входе в теплообменник Т-3/3

Кгс/см²

34,48

 

 

 

Р газосырьевой смеси на входе в теплообменник Т-3/6

Кгс/см²

34,48

 

 

 

Т газосыревой смеси на входе в Т-3/3

ºС

56,86

 

 

 

Т газосыревой смеси на входе в Т-3/6

ºС

57,28

 

 

 

Р ГПС на входе в Т-3/1,2

Кгс/см²

29,05

 

 

 

Р ГПС на входе в Т-3/4,5

Кгс/см²

29,15

 

 

 

Р ГПС на выходе из Т-3/6

Кгс/см²

28,54

 

 

 

Р ГПС на выходе из Т-3/3

Кгс/см²

28,53

 

 

 

Т ГПС на выходе из Т-3/6

ºС

81,47

 

 

 

Т ГПС на выходе из Т-3/3

ºС

81,35

 

 

 

Р ГПС на выходе из Т-3/3

ºС

82,92

 

 

 

136

 

 

Продолжение прил. 1

Наименование

Ед.изм

Среднесуточные значения

 

 

 

Р ГПС на выходе из Т-3/4,5

Кгс/см²

33,73

 

 

 

Р ГПС на выходе из Т-3/1,2

Кгс/см²

33,71

 

 

 

Т ГПС на выходе из Т-3/1,2

ºС

121,41

 

 

 

Т ГПС на выходе из Т-3/4,5

ºС

121,79

 

 

 

Т ГПС на выходе из Т-3/4,5, Т-3/1,2

ºС

156,84

 

 

 

Т на выкиде ЦК-1

ºС

65,74

 

 

 

Расход на выкиде ЦК-1

м³/ч

139762,44

 

 

 

Расход на выкиде ЦК-1

м³/ч

139566,34

 

 

 

Р на вкиде ЦК-1

Кгс/см²

34,61

 

 

 

Р ГСС на входе П-4

Кгс/см²

33,39

 

 

 

Т ГСС на входе в П-4

ºС

122,16

 

 

 

Т на входе в Р-2/1

ºС

142,72

 

 

 

Т на входе в Р-2/1

ºС

142,49

 

 

 

Т на выходе из П-4 по 1 потоку

ºС

148,75

 

 

 

Т на выходе из П-4 по 2 потоку

ºС

135,58

 

 

 

Т на выходе из П-4 по 3 потоку

ºС

139,22

 

 

 

Т на выходе из П-4 по 4 потоку

ºС

142,41

 

 

 

Р на выходе из П-4

Кгс/см²

32,53

 

 

 

Р выходе из Р-2/1

Кгс/см²

31,38

 

 

 

Р входе в Р-2/1

Кгс/см²

32,44

 

 

 

Расход «квенча» на вход в Р-2/1

м³/ч

7,37

 

 

 

Т на выходе из Р-2/1

ºС

160,34

 

 

 

Расход азота на продувку Р-2/1

м³/ч

0

 

 

 

Т ГПС на входе Р-2/2

ºС

144,32

 

 

 

Расход азота на продувку Р-2/2

м³/ч

0

 

 

 

Р входе в Р-2/1

Кгс/см²

30,49

 

 

 

Р выходе из Р-2/2

Кгс/см²

29,45

 

 

 

Расход «квенча» на вход в Р-2/2

м³/ч

4,25

 

 

 

Т на выходе из Р-2/2

ºС

157,02

 

 

 

Т на выходе из ХВ-5

ºС

50,07

 

 

 

Т на выходе из Х-5

ºС

42,79

 

 

 

Расход не стабильного изомеризата

м³/ч

248,26

 

 

 

Т нестабильного изомеризата из Т-4

ºС

155,40

 

 

 

Т нестабильного изомеризата на входе в Т-5/1,2,3

ºС

65,70

 

 

 

Т нестабильного изомеизата перед ХВ-8

ºС

56,96

 

 

 

Т нестабильного изомеризата на выходе в Т-5/3

ºС

144,03

 

 

 

Т циркулируещего ВСГ до К-4/2

ºС

13,39

 

 

 

Т нестабильного изомеризата на входе в К-3

ºС

142,86

 

 

 

Т циркулируещего ВСГ до К-4/1

ºС

41,17

 

 

 

Т циркулируещего ВСГ до К-4/3

ºС

40,85

 

 

 

Т ВСГ перед Х-23

ºС

41,04

 

 

 

Чистота ВСГ

%

89,47

 

 

 

Р верха К-3

Кгс/см²

14,69

 

 

 

Р низа К-3

Кгс/см²

15,01

 

 

 

Т верха К-3

ºС

89,30

 

 

 

Т низа К-3

ºС

168,54

 

 

 

Т стабильного изомеризата на входе в П-5

ºС

168,13

 

 

 

Расход стабильного изомеризата в первом потоку печи П-

м³/ч

229,69

5

 

 

137

 

 

Продолжение прил. 1

Наименование

Ед.изм

Среднесуточные значения

 

 

 

Расход стабильного изомеризата в первом потоку печи П-

м³/ч

228,81

5

 

 

 

 

 

Расход стабильного изомеризата во 2 потоке печи П-5

м³/ч

230,07

 

 

 

Расход стабильного изомеризата во 2 потоке печи П-5

м³/ч

229,03

 

 

 

Р первого потока перед входом в П-5

Кгс/см²

16,39

 

 

 

Р второго потока перед входом в П-5

Кгс/см²

16,42

 

 

 

Р первого потока на выходе из П-5

Кгс/см²

15,23

 

 

 

Р второго потока на выходе из П-5

Кгс/см²

15,23

 

 

 

Т первого потока на выходе из П-5

ºС

171,44

 

 

 

Т второго потока на выходе из П-5

ºС

171,24

 

 

 

Общая Т потоков на выходе из П-5

ºС

171,07

 

 

 

Общее Р потоков на выходе из П-5

Кгс/см²

15,03

 

 

 

Р после ХВ-6

Кгс/см²

14,67

 

 

 

Т перед Х-6

ºС

55,76

 

 

 

Р в Е-5

Кгс/см²

14,60

 

 

 

Расход УВГ в топливную сеть

нм³/ч

3621,40

 

 

 

Р УВГ в топливную сеть

Кгс/см²

6,11

 

 

 

Т УВГ в топливную сеть

ºС

6,11

 

 

 

Орошение в К-3

м³/ч

123,85

 

 

 

Расход сырья перед К-5

м³/ч

262,39

 

 

 

Т сырья перед К-5

ºС

91,35

 

 

 

Р низа К-5

Кгс/см²

2,69

 

 

 

Р верха К-5

Кгс/см²

2,20

 

 

 

Расход сырья 1 потока перед П-6

м³/ч

179,89

 

 

 

Расход сырья 2 потока перед П-6

м³/ч

180,15

 

 

 

Расход сырья 3 потока перед П-6

м³/ч

180,32

 

 

 

Расход сырья 4 потока перед П-6

м³/ч

179,94

 

 

 

Р 1 потока на в ходе в П-6

Кгс/см²

5,15

 

 

 

Р 2 потока на в ходе в П-6

Кгс/см²

5,15

 

 

 

Р 3 потока на в ходе в П-6

Кгс/см²

5,18

 

 

 

Р 4 потока на в ходе в П-6

Кгс/см²

5,15

 

 

 

Р 1 потока на выходе из П-6

Кгс/см²

2,80

 

 

 

Р 2 потока на выходе из П-6

Кгс/см²

2,78

 

 

 

Р 3 потока на выходе из П-6

Кгс/см²

2,83

 

 

 

Р 4 потока на выходе из П-6

Кгс/см²

2,80

 

 

 

Т 1 потока на выходе из П-6

ºС

110,28

 

 

 

Т 2 потока на выходе из П-6

ºС

107,64

 

 

 

Т 3 потока на выходе из П-6

ºС

107,61

 

 

 

Т 4 потока на выходе из П-6

ºС

110,77

 

 

 

Общая Т всех потоков из П-6

ºС

108,48

 

 

 

Р в шлемовой линии К-5

Кгс/см²

2,20

 

 

 

Т после ХВ-7

ºС

56,77

 

 

 

Т после Х-7

ºС

55,00

 

 

 

Р в Е-6

Кгс/см²

1,40

 

 

 

Расход пентановой фракции в К-2

м³/ч

70,15

 

 

 

Т на 55-тарелке в К-5

ºС

70,75

 

 

 

Орошение в К-5

м³/ч

305,48

 

 

 

Т после Т-8

ºС

93,62

 

 

 

Расход загрузки К-2

м³/ч

217,25

138

 

 

Окончание прил. 1

Наименование

Ед.изм

Среднесуточные значения

 

 

 

Расход сырья из К-5 к К-6

м³/ч

183,49

 

 

 

Влажность бокового погона

ррм

0,04

 

 

 

Р верха колонны

Кгс/см²

1,48

 

 

 

Р низа колонны

Кгс/см²

2,29

 

 

 

Т 10 тарелки в К-6

ºС

119,77

 

 

 

Т тяжелого изомеризата на выходе из Т-6/2

ºС

135,04

 

 

 

Т тяжелого изомеризата на выходе из Т-6/1

ºС

135,65

 

 

 

Т на 95 тарелке в Л-6

ºС

85,10

 

 

 

Т низа К-6

ºС

135,54

 

 

 

Т на входе в Т-6/2

ºС

132,53

 

 

 

Т на входе в Т-6/1

ºС

133,19

 

 

 

Расход конденсата из Е-17/2

м³/ч

21,75

 

 

 

Т потокового погона ДИГ на выходе из К-6

ºС

100,92

 

 

 

Расход конденсата из Е-17/2

м³/ч

21,82

 

 

 

Расход тяжелого изомеризата после Н_15

м³/ч

2,90

 

 

 

Т бокового погона в ХВ-8

ºС

56,96

 

 

 

Т после ХВ-8

ºС

49,93

 

 

 

Расход бокового погона

м³/ч

102,46

 

 

 

Т бокового погона при выводе в парк

ºС

11,31

 

 

 

Р легкого изомеризата на выходе из К-6

Кгс/см²

1,48

 

 

 

Р в шлемовой линии в К-6

Кгс/см²

1,50

 

 

 

Р в К-7

Кгс/см²

0,7

 

 

 

Т легкого изомеризата в К-7

ºС

66,00

 

 

 

Орошение в К-6

м³/ч

471,89

 

 

 

Расход легкого изомеризата от насоса

м³/ч

66,23

 

 

 

Т после Х-9

ºС

47,34

 

 

 

Расход продукта после Х-9

Кг/ч

39799,24

 

 

 

Расход продукта после Х-10

Кгс/см²

1505,59

 

 

 

Расход изопентана

Кг/ч

42112,70

139

2. Имитационная модель установки в среде Aspen HYSYS

140