Материал: caO76D6RYL

Внимание! Если размещение файла нарушает Ваши авторские права, то обязательно сообщите нам

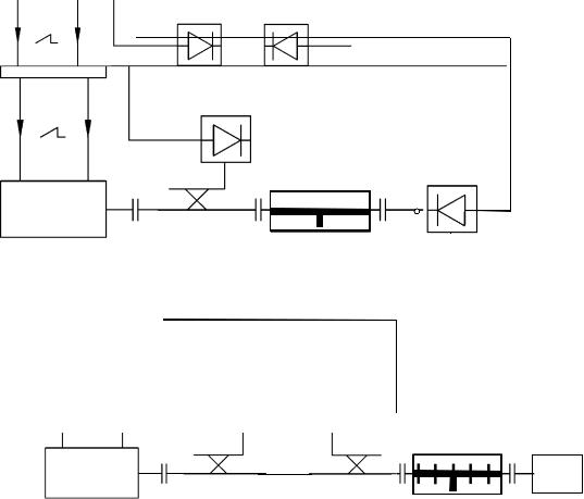
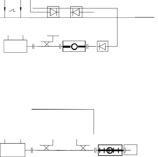
схемы измерительных установок для измерения макета на проход и на отражение представлены на рис. 3.3 и рис. 3.4 соответственно.

1

4

6

5

2

3

Рис. 3.3

В состав установки входят следующие основные элементы: 1 – индикаторный блок; 2 – генератор качающейся частоты; 3 – направленный ответвитель падающей волны; 4, 5 – детекторы падающей и прошедшей волн соответственно; 6 – исследуемый резонатор; 7 – согласованная нагрузка.

1

 

4

5

 

 

 

 

 

 

 

6

 

 

2

3

3

 

 

z

 

7

 

 

 

 

 

 

 

 

 

 

 

 

 

 

 

 

 

Рис. 3.4

Методика измерений аналогична методике измерений коэффициентов передачи в основном тракте направленного ответвителя.

3.3.Порядок выполнения работы

1.Изучить устройство и принцип действия панорамного измерителя КСВ и ослабления (см. инструкцию по эксплуатации измерителя).

2.Включить панорамный измеритель КСВ и ослабления и подготовить его

кработе согласно инструкции.

3.Измерить размеры микрополосковой структуры.

4.Собрать измерительную установку согласно рис. 3.3.

16

5.Измерить частотную характеристику прошедшей волны и записать положение и значение каждого минимума характеристики передачи (в децибелах) по визиру индикаторного блока.

6.Собрать измерительную установку согласно рис. 3.4.

7.Измерить частотную характеристику прошедшей волны и записать положение и значение каждого максимума характеристики передачи в (децибелах) по визиру индикаторного блока.

3.4.Содержание отчета

1.Цель работы.

2.Краткие теоретические сведения.

3.Исходные параметры.

4.Графики полученных экспериментально зависимостей коэффициентов передачи и отражения от частоты S21 (ω) и S11 (ω) .

5.Определенное экспериментально по первому резонансному пику значение эффективной диэлектрической проницаемости.

6.Посчитанные значения первых пяти резонансных частот.

7.Посчитанное значение собственной добротности резонатора.

8.Выводы по полученным результатам.

Контрольные вопросы

1.Описать физический смысл и способ измерения добротности резона-

тора.

2.Спектр резонансных частот кольцевого резонатора.

3.Объяснить связь между коэффициентами передачи и отражения.

4.Объяснить, как влияет изменение коэффициента связи на частотную зависимость коэффициента передачи.

5.Объяснить, как влияет изменение коэффициента связи на частотную зависимость коэффициента отражения.

Лабораторная работа 4 ИССЛЕДОВАНИЕ ФИЛЬТРАЦИИ СИГНАЛА

ЧЕТВЕРТЬВОЛНОВЫМ ШЛЕЙФНЫМ ПРЕОБРАЗОВАТЕЛЕМ

Цель работы: исследование особенностей распространения волн в линиях с четвертьволновым режекторным фильтром; приобретение практических навыков расчета спектров режекторных фильтров.

17

4.1. Основные положения

Режекторные СВЧ-фильтры наряду с полосно-пропускающими широко востребованы в различных системах связи, радиолокации и радионавигации. Эти конструкции необходимы в современных радиотехнических системах с большим числом используемых каналов связи, где предъявляются высокие требования к подавлению паразитных сигналов внутри рабочего диапазона. Среди известных конструкций режекторных фильтров особое место занимают микрополосковые, которые при прочих равных технических характеристиках имеют меньшие габариты и более технологичны в изготовлении.

Pвх

 

 

 

P

 

 

 

 

 

 

 

вых

 

 

 

 

 

Рис. 4.1

Одним из простейших способов создания режекторных фильтров является создание дополнительной линии короткозамкнутой или содержащей разрыв на конце. Принцип работы такого фильтра заключается в следующем. Волна со входа (рис. 4.1) доходит до места сочленения волноведущих структур, где происходит разделение волны и часть ее поступает в шлейфный преобразователь. Отраженная от конца шлейфного преобразователя волна поступает обратно в линию передачи, интерферируя на выходе с волной, распространяющейся в основном тракте. Разность фаз двух интерферирующих волн составляет ∆φ = 2k(ω)l, где k(ω) – волновое число внутри волноведущей структуры на данной частоте, l – геометрическая длина шлейфного преобразователя. В случае, когда ∆φ = (2n + 1)π, n = 1, 2, 3…, то на выходе наблюдаются минимумы прохождения сигнала. В таком случае структура работает подобно полосно-заграждающему фильтру.

4.2. Описание лабораторной установки

Лабораторный макет представляет собой микрополосковый шлейфный ответвитель. Блок-схемы измерительных установок для измерения макета на проход и на отражение представлены на рис. 4.2, а и б соответственно. В состав

18

1

4

6

5

 

2

3

а

1

4

5

 

 

 

 

6

 

 

2

3

 

 

7

3

 

 

 

 

 

 

б

Рис. 4.2

установки входят следующие основные элементы: 1 – индикаторный блок, 2 – генератор качающейся частоты, 3 – направленный ответвитель падающей волны, 4, 5– детекторы падающей и прошедшей волн соответственно, 6 – исследуемый шлейфный преобразователь, 7 – согласованная нагрузка.

4.3.Порядок выполнения работы

1.Изучить устройство и принцип действия панорамного измерителя КСВ и ослабления (см. инструкцию по эксплуатации измерителя).

2.Включить панорамный измеритель КСВ и ослабления и подготовить его

кработе согласно инструкции.

3.Измерить размеры микрополосковой структуры.

4.Собрать измерительную установку согласно рис. 4.2, а.

5.Измерить частотные характеристики прошедших волн.

6.Собрать измерительную установку согласно рис. 4.2, б.

7.Измерить частотную характеристику отраженной волны.

8.По заданию преподавателя рассчитать геометрические размеры шлейфного ответвителя на заданный диапазон частот.

19

9.Провести моделирование передаточных характеристик шлейфного преобразователя для полученных геометрических размеров в среде AWR

Microwave Office.

4.4. Содержание отчета

1.Цель работы.

2.Краткие теоретические сведения.

3.Исходные параметры.

4.Графики полученных экспериментально частотных зависимостей коэффициентов передачи и отражения от частоты.

5.Частотные зависимости характеристик передачи и отражения, посчитанные для полученных геометрических размеров шлейфного преобразова-

теля в среде AWR Microwave Office.

6.Выводы по полученным результатам.

Контрольные вопросы

1.Объясните принцип действия шлейфного преобразователя.

2.Назовите основные блоки и узлы измерительной схемы и их функциональное назначение.

3.Имеется ли связь между характеристиками передачи и отражения?

4.Объясните происхождение осцилляций на характеристиках передачи.

Лабораторная работа 5 ИССЛЕДОВАНИЕ ПРОХОЖДЕНИЯ ВОЛНЫ ЧЕРЕЗ СТРУКТУРУ

С ПЕРИОДИЧЕСКИ ИЗМЕНЯЮЩИМИСЯ ПАРАМЕТРАМИ

Цель работы: исследование особенностей распространения волн в про- странственно-периодических структурах; приобретение практических навыков расчета спектров волн в пространственно-периодических структурах методом волновых матриц передачи.

5.1. Основные положения

Пространственно-периодические структуры широко используются в радиофотонном тракте в качестве брэгговских зеркал при задании рабочей частоты полупроводниковых лазеров и элементов фильтрации оптического сигнала. Любая периодическая с точки зрения распространения волны структура представляет собой волноведущую структуру (систему), совмещающуюся сама с собой при параллельном переносе на некоторое конечное расстояние. При этом в такой структуре периодически меняется волновое сопротивление.

20