где
ke,o =
ke,o
где x = Z0e 
εr
30π или буждения.
|
ε'ef = εef |
- |
1.4(εef |
-1)×t |
s |
|||||||||||||||||||||||||||
|
|
|
|
|
|
|
|
|
|
|
|
|
|
|
|
|
|
|
|
|||||||||||||
K (k ) |
+1.4t |
s |
||||||||||||||||||||||||||||||
|
|
|
|
|
|
|
|
|
|
|
|
|
||||||||||||||||||||
|
|
|
|
|
|
|
|
|
|
|
|
|
|
|
|
|
|
|
|
|
|
|||||||||||
|
|
|
|
|
|
|
|
|
|
|
|
|
|
|
|
|
|
|
|
|||||||||||||
|
|
|
|
|
|
|
|
|
|
|
|
|
K (k ') |
|
|
|
|
|
|
|
|
|||||||||||
|
|
|
|
|
|
W |
= |
2 |
arth |
|
|
|
|
|
|
|
|
|
|
|||||||||||||
|
|
|
|
|
|
keko |
|
|
||||||||||||||||||||||||
|
|
|
|
|
|
|
|
|
|
|
|
|
||||||||||||||||||||
|
|
|
|
|
|
b |
|
π |
|
|
|
|
|
|
|
|
|
|
|
|
|
|
|
|||||||||
|
|
|
|
|
|
|
2 |
|
|
|
|
|
|
1 - ko |
|
|
|
|
|
|
|
|
|
|||||||||
|
|
|
|
s |
= |
|
|
|
|
|
|
|
|
ko |
|
|
|
|||||||||||||||
|
|
|
|
arth |
|
|
|
|
, |
|
|
|||||||||||||||||||||
|
|
|
|
|
|
|
|
|
|
|
|
|
||||||||||||||||||||
|
|
|
b |
|
π |
|
|
|
|
1 - ke |
|
|
|
|
|
|
|
|
||||||||||||||
|
|
|
|
|
|
|
|
|
|
ke |
|
|
||||||||||||||||||||
|
|
|
|
|
|
|
|
|
|
|
|
|
|
|
|
|
|
|||||||||||||||
|
|
exp( π 2) − 2 |
4 |
|
|
|
|
|
|
|
|
|
|
|
|
|||||||||||||||||
1 − |
|
|
|
|
|
|
|
|
|
|
|
|
|
|
|
|
|
для 1 ≤ x ≤ ∞, |
||||||||||||||
|
|
|
|
|
|
|
|
|
|
|
|
|
|
|
|
|||||||||||||||||
|
|
exp( π |
2) + 2 |
|
|
|
|
|
|
|
|
|
|
|
|
|||||||||||||||||
|
exp( π 2) − 2 |
2 |
|
|
|
|
|
|
|
|
|
|
|
|
|
|||||||||||||||||
= |
|
|
|
|
|
|
|
|
|
|
|
|
|
для 0 ≤ x ≤ 1 , |
||||||||||||||||||
|
|
|
|
|
|
|
|
|
|
|
|
|||||||||||||||||||||
|
exp( π 2) + 2 |
|
|
|
|
|
|
|
|
|
|
|
|
|
|
|||||||||||||||||
x = Z0o |
|
|
|
30π для четного и нечетного видов воз- |
||||||||||||||||||||||||||||
|
|
εr |
||||||||||||||||||||||||||||||
2.2. Описание лабораторной установки
Лабораторный макет представляет собой микрополосковый направленный ответвитель (см. рис. 2.3). Принцип его работы основан на возникновении электромагнитной связи между двумя близкорасположенными микрополосковыми линиями.
s
l
Рис. 2.3
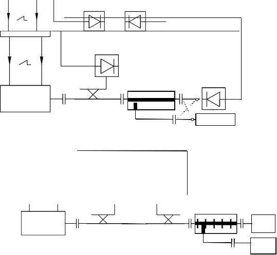
Блок-схемы измерительных установок для измерения макета на проход и на отражение представлены на рис. 2.4 а и б соответственно. В состав установки входят следующие основные элементы: 1 – индикаторный блок; 2 – генератор качающейся частоты; 3 – направленный ответвитель падающей
11
1
4
6 |
5 |
|
2
3
7
а
1
4 |
5 |
|
|
|
|
|
|
6 |
|
|
|
|
|
2 |
3 |
|
|
|
7 |
|
3 |
|
|
|
|
|
|
|
|
|||||
|
|
|
||||
|
б |
7 |
|
|||
|
|
|
||||
|
|
|
||||
Рис. 2.4
волны; 4, 5– детекторы падающей и прошедшей волн соответственно; 6 – исследуемый направленный ответвитель; 7 – согласованная нагрузка.
2.3.Порядок выполнения работы
1.Изучить устройство и принцип действия панорамного измерителя КСВ и ослабления (см. инструкцию по эксплуатации измерителя).
2.Включить панорамный измеритель КСВ и ослабления и подготовить его
кработе согласно инструкции.
3.Измерить размеры микрополосковой структуры.
4.Собрать измерительную установку согласно рис. 2.4, а.
5.Провести измерения частотной характеристики прошедших волн.
6.Собрать измерительную установку согласно рис. 2.4, б.
7.Измерить частотную характеристику отраженной волны.
8.По заданию преподавателя рассчитать геометрические размеры направленного ответвителя на заданный диапазон частот.
12
9.Провести моделирование передаточных характеристик направленного ответвителя для полученных геометрических размеров в среде AWR Microwave Office.
2.4. Содержание отчета
1.Цель работы.
2.Краткие теоретические сведения.
3.Исходные параметры.
4.Графики полученных экспериментально частотных зависимостей коэффициентов передачи и отражения от частоты.
5.Частотные зависимости характеристик передачи и отражения посчитанные для полученных геометрических размеров направленного ответви-
теля в среде AWR Microwave Office.
6.Выводы по полученным результатам.
Контрольные вопросы
1.Объясните принцип действия направленного ответвителя.
2.Назовите основные блоки и узлы измерительной схемы и их функциональное назначение.
3.Какую информацию об исследуемом объекте несут частотные характеристики передачи между различными входами и выходами?
4.Имеется ли связь между характеристиками передачи?
5.Объясните происхождение осцилляций на характеристиках передачи.
6.Как определить направленность и переходное затухание направленного ответвителя по частотным характеристикам передачи, наблюдаемым в данных экспериментах?
Лабораторная работа 3 ИССЛЕДОВАНИЕ ХАРАКТЕРИСТИК КОЛЬЦЕВОГО РЕЗОНАТОРА
Цель работы: исследование особенностей распространения волн в кольцевых резонаторах. Приобретение практических навыков расчета спектров собственных частот в кольцевых резонаторах.
3.1. Основные положения
СВЧ– и оптические полосно-пропускающие фильтры наряду с полоснозаграждающими широко востребованы в различных системах связи, радиоло
13
кации и радионавигации. Эти конструкции необходимы в современных радиотехнических системах с большим числом используемых каналов связи, где предъявляются высокие требования к подавлению паразитных сигналов вне рабочего диапазона.
Одним из простейших способов создания полосно-пропускающих радиофотонных фильтров является создание кольцевых систем, состоящих из замкнутой длинной линии передачи, соединенной с направленными ответвителями для ввода/вывода сигнала (рис. 3.1, а). Другим способом создания высокодобротных резонаторов является использование кольцевых резонаторов или резонаторов в виде плоского диска (рис. 3.1, б), в том числе использующих моды шепчущей галереи. Добротности таких резонаторов в оптическом диапазоне могут достигать нескольких миллионов.
а б
Рис. 3.1
У всех резонаторов принято различать два различных типа добротности – собственную и нагруженную. При расчете собственной добротности учитываются только потери сигнала, возникающие внутри резонатора. При расчете нагруженной добротности учитываются потери внутри резонатора и на излучение в подводящие/выводящие линии передачи. Нагруженную добротность легко измерить экспериментально как Qн = f0
2 f . Здесь f0 – резонансная частота, 2 f – ширина линии резонансной кривой на уровне половинной мощности.
Собственную добротность резонатора Q0 можно вычислить через нагруженную по формуле
Q0 = QнK .
Здесь K – коэффициент связи резонатора с возбуждающей линией. Величина коэффициента связи, как правило, получается из анализа схемы включения резонатора в линию передачи.
В микрополосковом кольцевом резонаторе (рис. 3.1), а резонанс возникает при выполнении условия L=nλ, где L – длина резонатора, n – целое число, λ – длина волны в линии микрополосковой линии передачи, определяемая как
14
λ = λ0 

εef ( λ0 – длина волны в свободном пространстве), εef – эффектив-
ная диэлектрическая проницаемость микрополосковой линии. Для кольцевого резонатора, включенного в схему на проход, при одинаковой связи на входе и на выходе модуль коэффициента отражения Γ и коэффициент связи резонатора соотносятся как [1]:
K = 1− Γ .
Γ
График зависимости Γ (K ) для этого случая изображен на рис. 3.2. Поскольку
S11 = 20lg ( Γ ) [дБ], то окончательная формула для получения коэффициента связи резонатора примет вид
|
|
1 −10 |
S11r |
|
|
||
K = |
|
10 |
|
|
. |
||
|
|
|
|
|
|||
|
|
|
S11r |
|
|||
|
|
1 + 10 |
|
|
|||
2 |
10 |
||||||
|
|
|
|
|
|
|
|
|
|
|
|
|
|
|
|
Здесь S11r – коэффициент отражения на резонансной частоте.
|Γ| |
|
|
|
|
1.0 |
|
|
|
|
0.8 |
|
|
|
|
0.6 |
|
|
|
|
0.4 |
|
|
|
|
0.2 |
|
|
|
|
0.0 |
0.5 |
1.0 |
1.5 |
2.0 |
0.0 |
||||
|
|
|
|
K |
|
|
Рис. 3.2 |
|
|
График зависимости коэффициента отражения от коэффициента связи показан на рис. 3.2. Из графика видно, что существует такое значение коэффициента связи при котором отражения сигнала от резонатора не возникает.
3.2. Описание лабораторной установки
Лабораторный макет представляет собой микрополосковую линию передачи с включенным в разрыв кольцевым резонатором (см. рис. 3.1, а). Блок-
15