Материал: АТП НА 250 (ВКР) (7536730)-2

Внимание! Если размещение файла нарушает Ваши авторские права, то обязательно сообщите нам

высококвалифицированном выполнении работ позволяют повысить долговечность автомобилей, снизить их простои, увеличить сроки межремонтных пробегов, что в конечном счете значительно сокращает непроизводительные издержки и повышает рентабельность эксплуатации автотранспортных средств.

Уровень технической готовности подвижного состава,

обусловливающий эффективность выполнения транспортной работы,

главным образом определяется соответствием производственно-технической базы автомобильного транспорта современным требованиям технической эксплуатации автотранспортных средств.

Поэтому дальнейшее развитие производственно-технической базы автотранспортных предприятий прежде всего направлено на существенное повышение уровня технической готовности подвижного состава автомобильного транспорта.

В задании на дипломный проект поставлена задача выполнить проектирование грузового автотранспортного предприятия на 250

автомобилей «МАЗ-534019» для пригородных перевозок между населенными пунктами в умеренных климатических условиях.

Обоснованием для проектирования является постоянно растущий объем перевозок продовольственных грузов в крупных пригородах в связи с расширением производств данных товаров.

Исходя из этого в дипломном проекте ставятся следующие задачи:

провести расчёт необходимых производственных площадей, количества производственных рабочих, занятых выполнением работ по поддержанию автомобилей в исправном состоянии. Рассчитать необходимое количество постов, зон и участков.

Определить необходимое производственное оборудование и разработать технологический процесс ремонта одного из узлов автомобиля

«МАЗ-534019» и выполнить его планировочное решение.

6

На основании выполненных расчетов провести технико-экономическое обоснование проектирования АТП и определить экономическую эффективность инвестиций в проектируемое предприятие.

Разработать мероприятия по обеспечению условий безопасного труда в производственном корпусе и экономическую безопасность АТП для окружающей среды.

При разработке дипломного проекта необходимо использовать последние достижения науки и техники в области эксплуатации автомобильного транспорта, ремонта и технического обслуживания, защиты окружающей среды от вредного воздействия транспортных средств.

Цель настоящей работы – разработать проект АТП на 250 грузовых автомобилей для перевозки продовольственных товаров. Для достижения поставленной цели необходимо решить следующие задачи:

-рассмотреть технико-экономическое обоснование проекта;

-разработать технологическую часть;

-разработать конструкторскую часть;

-рассмотреть технологию ремонта;

-исследовать безопасность и экологичность проектных решений;

-провести экономическое обоснование целесообразности данного

проекта.

Объектом исследования является АТП на 250 грузовых автомобилей,

предметом исследования – разработка и экономическое обоснование данного

проекта.

Информационную базу для написания работы составили пособия по ТО и ТР автомобилей, проектированию АТП, методические пособия по курсовому и дипломному проектированию.

Цель и задачи ВКР обусловили ее структуру, которая состоит из введения, нескольких глав с разделами, заключения и списка использованных источников.

7

1. Технико-экономическое обоснование проекта

1.1 Назначение АТП и условия эксплуатации

Проектируемое АТП предназначено для обеспечения

продовольственными грузами (молоко, творог, сметана и мясные полуфабрикаты: котлеты, пельмени и т.д.) предприятий среднего бизнеса, а

также для выполнения работ по ТО и ТР, хранению и материально-

техническому обеспечению подвижного состава.

Номенклатура продовольственных грузов разнообразна, поэтому для их

перевозок используют различные типы подвижных составов.

Продовольственные грузы перевозят от мест складирования или

производства до мест продажи, по различным схемам перевозок.

АТП расположено в зоне умеренного климата.

Перевозки осуществляются по автомобильным дорогам первой

категории с асфальтобетонным покрытием.

Рельеф местности равнинный и слабохолмистый. Перевозка грузов

осуществляется на постоянной основе в течение всего года.

Согласно заданию, годовой объем перевозок по всему АТП

определяется возможным объемом перевозок, осуществляемыми

автомобилями МАЗ-534019 в количестве 250 единиц.

Средняя величина партии перевозимого груза за одну ездку

определяется грузоподъемностью принимаемой марки автомобиля.

Режим работы выбираю следующий: 305 дней в году в 1 смену.

Перевозка осуществляется на моделях МАЗ-534019 с изотермическими

фургонами, это необходимо, так как данные грузы являются продовольственными, нуждаются в определенном температурном режиме перевозки и последующей санитарной обработке кузова.

В этом случае среднее время нахождения в наряде автомобилей АТП

составляет величину:

 

Тн = nсм · (tсм-tпз)

(1.1)

8

Тн = 1 · (8-0,3) = 7,7 ч, где

Nсм = 1 - сменность работы автомобилей;

Tсм = 8 ч - продолжительность одной смены;

Tпз = 18 мин = 0,3 ч - подготовительно-заключительное время за одну смену.

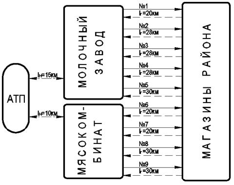
Учитывая характеристику перевозимых грузов составляем схему грузопотоков, а затем таблицу грузопотоков. Потребителями продовольственных грузов, в основном, являются магазины района, а

грузоотправителями заводы изготовления данных грузов.

Принимая во внимание большое количество магазинов, реализующих товары, маршруты разбиты на усредненные, имеющие длину ездки с грузом от соответствующего производственного предприятия до каждого из магазинов.

Кроме того, среднесуточный пробег отдельного автомобиля по АТП колеблется в зависимости от того, на которые маршруты он попадает.

Автомобили на маршрутах взаимозаменяемые в целях предотвращения срыва поставок по организационно-техническим причинам.

Таблица 1.1 - Распределение коэффициента γ от перевозимого груза

Наименование груза

Молочные продукты

Мясные

 

(молоко, масло,

полуфабрикаты

 

творог, сметана)

(пельмени, котлеты,

 

 

фарши)

Коэффициент

 

 

использования

0,6

0,8

грузоподъемности γ

 

 

 

 

 

Определяем среднее расстояние перевозки груза.

Среднее расстояние перевозки грузов (lпг) определяется делением суммарного грузооборота (Робщ) на общий объем перевозок (Qобщ):

lг = Робщ / Qобщ (1.2) Iг = 29086958/1183224 = 24,6 км.

9

Рисунок 1.1 – Схема грузовых потоков

Согласно номенклатуре перевозимых грузов, в качестве подвижного состава берется шасси автомобиля МАЗ-534019. Он предназначен для перевозки продовольственных грузов, требующих соблюдения определенных температурных условий, поэтому данная модель состоит из холодильной установки и герметичного теплоизолирующего фургона

Стенки фургона изготавливают из панелей толщиной до 8 сантиметров.

Между собой панели соединяются герметичными стыками во избежание появления тепловых мостиков. На двери холодильного отделения фургона устанавливают эластичный уплотнительный контур из износостойкой резины.

Для обшивки фургона изнутри и снаружи используются оцинкованная сталь с полимерным защитным покрытием, утеплитель из пенополиуретан

(ППУ). Низкий коэффициент теплоизоляции позволяет минимизировать толщину теплоизолирующего слоя. Другие достоинства материала – водостойкость, малый вес, неподверженность коррозии, гниению,

биологическим факторам.

10