Материал: Tverdotila_elektronika

Внимание! Если размещение файла нарушает Ваши авторские права, то обязательно сообщите нам

 

 

 

UКЕ

-

 

UЕК

+

+

-

 

+

 

-

- UЕБ

UКБ +

-

 

+

 

UЕБ

 

UБК

 

 

 

+

 

-

 

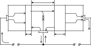
a)

 

 

б)

 

 

в)

 

 

Рисунок 3.3 – Схема вмикання БТ

 

Залежно від величини та полярності напруг на електродах приладу розрізняють такі режими роботи БТ:

1 Режим відсічки (РВ). Обидва p-n переходи

вмикаються у зворотному напрямі. Запірні шари переходів розширюються, їх опори зростають, і через переходи протікають зворотні струми колектора I0 та емітера IÅÁ0 .

Це струми неосновних носіїв емітерної та колекторної областей – електронів, і оскільки концентрація цих носіїв невелика, струми ці незначні. Внаслідок різниці площ

переходів Ï

ÊÏ Ï ÅÏ для сплавних

БТ

IÊÁ

IÅÁ .

БТ

 

 

 

0

0

 

закритий, вихідний струм некерований.

 

 

 

 

2 Режим

насичення (РН). ЕП і

КП

вмикаються

в

прямому напрямі. Дірки інжектують у базу з емітера і

колектора, створюючи великі струми насичення

IK

í àñ

та

 

 

 

 

IÅ

, що визначаються рухом основних носіїв p-

областей.

í àñ

 

 

 

 

У базі відбувається накопичення неосновних нерівноважних носіїв, опір бази і всього БТ різко знижується. Транзистор у цьому режимі вважають відкритим і насиченим, вихідний струм – некерованим.

3 Активний режим (АР). ЕП увімкнено в прямому напрямі, КП – у зворотному. Полярність напруг на електродах БТ, зображених на рисунку 3.3, відповідає цьому режиму. У колі емітера транзистора протікає струм IE за рахунок інжекції дірок з емітера в базу, а колекторний

74

струм IK залежить від струму емітерного. Це основний

режим роботи БТ як підсилювального приладу, коли вихідним струмом можна керувати за допомогою зміни вхідного струму.

4 Інверсний режим. Це також режим керованого вихідного струму, однак ЕП увімкнено у зворотному напрямі, КП – у прямому.

3.1.3 Принцип дії біполярного транзистора в активному режимі

Принцип дії БТ розглянемо на прикладі схеми зі спільною базою (ССБ), яку показано на рисунку 3.4.

 

 

ЕП

 

 

КП

 

 

 

 

 

 

 

 

p

n

 

Дифузія

 

p

 

IEp

 

 

 

Рекомбі-

 

IKp

Е

 

 

 

 

 

К

 

 

 

 

нація

 

 

 

I

 

 

 

 

 

IEn

Б рек

 

 

 

 

IEn

 

I0

 

I

 

 

 

 

 

 

 

0

 

 

 

 

 

 

КП

IК

IЕ

+ -

ЕП IБ

рек

I0

+ -

 

 

 

 

 

 

 

UЕБ

 

 

 

 

 

UКБ

Рисунок 3.4 – Струми в БТ, що працює в активному режимі

На рисунку суцільними стрілками показано діркові струми, або ж умовно прийняті (від “+” до “-”) напрями електронних струмів у p - областях, пунктирними стрілками – електронні струми в базі.

При полярності напруги U ÅÁ , що показано на рисунку

3.4, дірки з емітера інжектують у базу, а електрони – з бази в емітер, оскільки ЕП увімкнено в прямому напрямі. Через ЕП протікають емітерні струми: дірковий IEp та

75

електронний IEn . Отже, в зовнішньому колі протікає емітерний струм

 

 

 

 

 

 

UÅÁ

 

 

 

 

 

 

 

 

 

 

 

IE IEp IEn I

(e Ò

 

1) .

(3.1)

 

 

 

0

 

 

 

 

 

 

 

Співвідношення між складовими струму IE

оцінюється

коефіцієнтом інжекції

 

 

 

 

 

 

 

 

 

 

 

IEp

 

IEp

 

 

1

.

(3.2)

IE

IEp IEn

1

IEn

 

 

 

 

 

 

 

 

IEp

 

 

 

 

 

 

 

 

 

 

Внаслідок інжекції концентрація дірок у базі біля ЕП підвищується до величини pÁÅ , яку можна визначити за формулою (1.19):

 

 

 

U ÅÁ

 

 

 

 

 

 

 

 

p

 

p

e Ò ,

(3.3)

 

ÁÅ

 

n0

 

де pn0 - концентрація дірок у базі в стані рівноваги.

Розглянемо розподіл концентрації неосновних носіїв (дірок) у базі в цьому режимі. Протяжність бази позначимо координатою х, тоді границя ЕП відповідає випадку x 0 , а границя КП – x . При x 0 концентрація дірок визначається за формулою (3.3). Концентрацію дірок у базі біля КП ( x ) визначають за виразом

 

 

 

 

U

 

 

 

 

 

 

 

 

 

p

ÁK

p

 

e Ò .

(3.4)

 

n

 

 

 

 

 

 

 

0

 

 

 

 

Розподіл неосновних носіїв у базі транзистора в установленому режимі визначають за допомогою рівняння неперервності:

76

 

2 ( p

p

 

)

 

 

p

p

 

 

 

 

n

n

 

 

 

n

n

0 ,

 

 

 

 

0

 

 

 

 

0

(3.5)

 

x2

 

 

 

L2 p

 

 

 

 

 

 

 

 

 

розв’язок якого за

граничних

умов

(3.3)

та (3.4) при

Lp має вигляд

 

 

 

 

 

 

 

 

 

 

 

pn

pÁÅ pÁÊ

.

 

(3.6)

 

 

 

 

x

 

 

 

 

 

 

 

 

 

З формули (3.6) випливає, що градієнт концентрації неосновних носіїв у базі є величиною сталою відносно координати х, тобто розподіл концентрації дірок у базі має лінійний характер (рис. 3.5).

Рисунок 3.5 – Розподіл концентрації дірок у базі БТ в активному режимі

З цього рисунка та формул (3.3) і (3.6) бачимо, що градієнт концентрації дірок змінюється при зміні напруги U ÅÁ . Під дією цього градієнта дірки дифундують через базу

від емітера до колектора. Частина дірок, не досягши КП, рекомбінує в області бази з електронами. На місце електронів, що рекомбінували, від джерела U ÅÁ надходять

77

нові електрони, створюючи рекомбінаційну складову струму бази IÁ ðåê .

Дірки, що досягли КП, створюють колекторний дірковий струм IKp , причому внаслідок рекомбінації в базі

IKp IEp . Процес перенесення неосновних носіїв через базу

під дією градієнта концентрації характеризується коефіцієнтом перенесення:

 

IKp

1

 

2

 

 

 

,

(3.7)

 

 

 

IEp

 

 

2L2 p

 

який оцінює міру зменшення колекторного діркового струму IKp стосовно емітерного струму IEp .

Дірки, досягши КП, який увімкнено у зворотному напрямі, потрапляють у його прискорювальне поле і перекидаються (екстрагуються) в p - область колектора.

Екстракція дірок може супроводжуватись ударною іонізацією атомів НП і, як наслідок, лавинним множенням носіїв (при великій зворотній напрузі U ). Дірки, що

потрапили в колектор внаслідок екстракції (при малих U ) або ударної іонізації, порушують електричну нейтральність p - області, і це викликає приплив електронів від джерела

U , тобто

протікання в зовнішньому колі

колектора

 

Процес помноження носіїв у КП оцінюється

струму IK .

коефіцієнтом помноження колекторного струму

 

 

 

 

 

 

M

IK

.

(3.8)

 

 

 

 

IKp

 

Важливо

запам’ятати, що за нормальної

роботи БТ

M 1, і струм

 

IKp

називається керованим колектором

IK

78