Материал: Sb98627

Внимание! Если размещение файла нарушает Ваши авторские права, то обязательно сообщите нам

5.Результаты обработки экспериментальных данных.

6.Выводы о проделанной работе.

Лабораторная работа № 3

ИССЛЕДОВАНИЕ ФУНКЦИИ РАСПРЕДЕЛЕНИЯ ЭЛЕКТРОНОВ ПО ЭНЕРГИЯМ В ГАЗОВОМ РАЗРЯДЕ

Цель работы: ознакомление с экспериментальной методикой нахождения функции распределения электронов в общем случае, в том числе и для немаксвелловского распределения электронов по энергиям.

3.1. Основные сведения

Имеется ряд способов нахождения функции распределения электронов по энергиям (ФРЭ). В частности, если допустить, что ФРЭ – максвелловская, и снять зондовую характеристику, то электронная составляющая зондового тока будет определяться по следующей формуле:

 

 

 

 

 

 

eUз

 

I

з

I

з0

exp

 

.

 

 

 

 

 

 

 

 

 

 

 

 

 

kTe

Прологарифмировав эту формулу, можно убедиться, что если ln Iз = f(Uз) – линейная функция, то ФРЭ близка к максвелловской. При этом имеется простая возможность определения Те и других параметров плазмы. Однако для немаксвелловской ФРЭ данная методика не подходит.

Информация о функции распределения электронов по энергиям необходима для расчета параметров плазмы электрических разрядов в приборах и устройствах плазменной электроники. Для определения этой функции теоретическим путем необходимо решить кинетическое уравнение Больцмана. Это уравнение является нелинейным интегрально-дифференциальным уравнением, решение которого в общем виде является довольно сложной задачей, в связи с исключительными трудностями математического характера. Известны решения лишь для некоторых частных случаев. Поэтому ФРЭ часто определяют экспериментально.

Разработано несколько методов экспериментального определения ФРЭ. В настоящей работе рассматривается зондовый метод определения вида ФРЭ

16

в том случае, когда она изотропна. Вид вольт-амперной характеристики зонда, помещенного в плазму, описывается выражением

 

2 ene

 

E eU f E dE ,

 

jз

 

(3.1)

m2

 

eU

 

 

 

 

где jз – плотность тока электронов в цепи зонда при его потенциале относительно плазмы U; e и m – заряд и масса электрона; ne – концентрация плазмы; f(E) – ФРЭ; E – энергия электрона.

Двойное дифференцирование (3.1) по U приводит к выражению

d 2 j

з

 

2 e3n

f eU .

 

 

 

e

(3.2)

 

 

m2

dU 2

 

 

Из (3.2) следует, что ФРЭ пропорциональна второй производной плотности тока зонда по потенциалу. Это обстоятельство как раз и используется для определения вида ФРЭ с помощью электрических зондов.

Очевидным представляется, что вид ФРЭ можно определить двойным дифференцированием экспериментально полученной ВАХ зонда. Однако последующее дифференцирование экспериментальной зависимости графическим или численным методом приводит к большим погрешностям и поэтому малоценно.

Учитывая вышеизложенное, представляется целесообразным найти способ аппаратурного определения непосредственно второй производной.

Рассмотрим одну из возможностей непосредственного определения вида второй производной в ходе эксперимента.

Если цепь зонда запитать напряжением

Uз Uз Asin ( t) ,

где Uз= – постоянная составляющая напряжения в цепи зонда; А – амплитуда переменной составляющей; ω – частота; t – время, то разложение тока зонда в ряд Фурье будет иметь вид

 

 

 

 

 

 

 

1

 

d

2

Ie з

 

1

 

d

4

Ie з

 

 

I

e з

(U

з

Asin ( t)) I

e

 

A2

 

 

A4

 

 

 

 

 

 

 

 

 

 

 

 

 

 

4

 

dU

2

 

64

 

dU

4

 

 

 

 

 

 

 

 

 

 

 

 

 

 

 

 

dIe з

 

1

 

d

3

Ie з

 

A

 

A3

 

sin ( t)

 

 

 

 

 

 

dU

8

 

dU

3

 

 

 

 

 

 

 

 

 

17

 

 

 

1

 

d

2

Ie з

 

1

 

d

4

Ie з

 

 

 

A2

 

 

A4

 

cos (2 t) .

(3.3)

 

 

 

 

 

 

 

 

 

4

 

dU

2

 

48

 

dU

4

 

 

 

 

 

 

 

 

 

 

Анализ приведенного выражения показывает, что для определения второй производной зондового тока по потенциалу зонда можно использовать два подхода:

1)измерять приращение постоянной составляющей тока в цепи зонда после включения в цепь питания переменной составляющей напряжения малой амплитуды;

2)измерять амплитуду второй гармоники переменной составляющей тока в цепи зонда при изменении постоянной составляющей потенциала зонда.

Воспользуемся первым подходом.

В силу нелинейности вольт-амперной характеристики зонда в его цепи питания проявляется детекторный эффект, выражающийся в изменении постоянной составляющей тока после подключения источника переменного напряжения.

Из (3.3) следует, что постоянная составляющая тока в цепи зонда описывается выражением

Ie з (Uз Asin ( t)) Ie

1

A2

d 2Ie з

 

1

A4

d 4Ie з

 

. (3.4)

4

 

64

 

 

 

dU 2

 

dU 4

 

Из (3.4) следует, что приращение постоянной составляющей зондового тока, обусловленное проявлением детекторного эффекта, будет определятся выражением

I

e з

 

1

A2

d 2Ie з

 

1

A4

d 4Ie з

.

(3.5)

 

 

 

 

 

4

 

dU 2 64

 

dU 4

 

 

 

 

 

 

При выполнении условия А << Uз= в (3.5) всеми членами, кроме первого, можно пренебречь без потери точности, тогда получим:

I

e з

 

1

A2

d 2Ie з

.

(3.6)

 

 

 

4

 

dU 2

 

 

 

 

 

Сопоставление (3.2) и (3.6) позволяет установить, что ФРЭ и приращение постоянной составляющей электронного тока в цепи зонда связаны зависимостью

18

 

2m2

f (eU )

 

Ie з B Ie з ,

 

 

A2e3n S

 

e

где S – площадь приемной поверхности зонда.

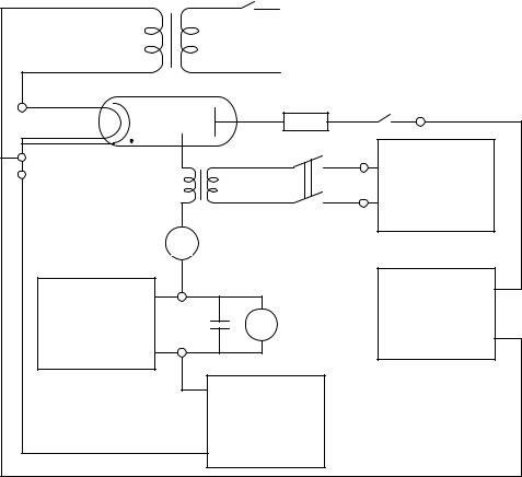
Описание экспериментальной установки. В лабораторной работе сту-

дентам предлагается определить ФРЭ в плазме положительного столба дугового несамостоятельного разряда с накаленным катодом в парах ртути.

Экспериментальный макет представляет собой цилиндрическую колбу, в которую с одной стороны запаян катодный узел, содержащий подогреватель, оксидный катод и управляющий электрод (сетку), а с другой – анод. В стенку макета впаяны металлические проволочные зонды. Схема присоединения источников электрического питания и измерительных приборов приведена на рис. 3.1. Напряжение питания разряда подается от регулируемого источника питания, работающего в режиме стабилизации тока, через балластный резистор. Напряжение на зонд подается от источника постоянного напряжения, отрицательный полюс которого подключен к катоду.

 

 

 

S1

 

 

 

 

 

 

 

 

 

 

 

 

 

 

220В

 

 

 

 

3

K

A

R

 

S3

4

 

 

 

 

2

 

 

S2

7

 

Генератор

 

1

 

 

 

 

 

переменной

 

 

 

 

 

 

составляющей

 

 

 

Тр

 

8

 

Г3-33

 

 

 

I1

 

 

 

 

 

Блок

+

5

 

 

 

Блок

+

 

 

 

питания

 

питания

 

 

 

 

 

 

 

C

 

 

 

анода

 

зонда

 

V1

 

 

 

 

 

 

Б5-49

 

Б5-44

 

 

 

 

 

6

 

 

 

 

 

 

 

 

 

 

 

 

 

Измеритель

 

 

 

 

 

 

 

пост. сост.

 

 

 

 

 

 

 

тока зонда

 

 

 

 

 

 

 

В7

 

 

 

 

Рис. 3.1. Схема экспериментальной установки

 

19

Переменная составляющая напряжения в цепь зонда подается через вторичную обмотку трансформатора. Его первичная обмотка является нагрузкой генератора синусоидальных колебаний с регулируемой частотой и амплитудой.

Значения токов разряда и напряжений, подаваемых на исследуемый макет, оговариваются с преподавателем.

Несамостоятельный дуговой разряд в макете возбуждается в парах ртути, давление которых (p) зависит от температуры (T) в лабораторном помещении и может быть определено из соотношения

lg p = 8.4525 – 3.3225/T.

В общем случае ФРЭ в положительном столбе может быть максвелловской и тогда описывается выражением

 

e

3/ 2

 

 

 

 

eU

 

 

 

 

 

 

 

 

U exp

 

 

 

,

 

 

f U 2

kT

 

 

kT

 

 

 

 

 

 

e

 

 

 

 

e

 

а может иметь и другой вид.

3.2. Порядок выполнения работы

1.Ознакомиться с устройством экспериментальной установки.

2.Перед началом снятия ФРЭ необходимо определить параметры схемы питания цепи зонда. Порядок этой процедуры: включить накал макета, выждать 7 мин, включить анодное напряжение (блок Б5-49), установить анодный ток 200 мА, включить блоки питания цепи зонда переменным и постоянным токами и измеритель высокочастотного напряжения – милливольт-

метр В3-38 (Uз~).

3. При отсутствии переменного напряжения (S2 – выключен) определить «плавающий» потенциал стенки (Uст), для чего, меняя подаваемое на зонд постоянное напряжение, найти переход от ионного тока на зонд к электронному, что проявляется в смене знака тока. Точно этот переход можно определить с помощью амперметра, который включается при размыкании ключа К1. Первоначально предел по току установить 20 мА.

4. Найти рабочую частоту и амплитуду переменного сигнала генератора, нагруженного на плазму (ключ S2 замкнут), обеспечивающую стабильную работу генератора. Частоту менять от 200 до 2000 Гц, амплитуду А брать не более 2 В.

5. Исследовать влияние амплитуды переменного напряжения А на вели-

20