МИНОБРНАУКИ РОССИИ
––––––––––––––––––––––––––––––––––––––––––––––––––––
Санкт-Петербургский государственный электротехнический университет «ЛЭТИ» им. В. И. Ульянова (Ленина)
––––––––––––––––––––––––––––––––––––––––––––
В. А. ПАВЛОВА М. А. КУЗНЕЦОВ
СИЛОВАЯ ЭЛЕКТРОНИКА
Электронное учебно-методическое пособие
Санкт-Петербург Издательство СПбГЭТУ «ЛЭТИ»
2017
1
УДК 621.382.026(07) ББК З264.53я7
П12
Павлова В. А., Кузнецов М. А.
П12 Силовая электроника: электрон. учеб.-метод. пособие к лабораторным работам. СПб.: Изд-во СПбГЭТУ «ЛЭТИ», 2017. 32 с.
ISBN 978-5-7629-2144-2
Содержат описание лабораторных работ по первому разделу дисциплины силовая электроника, по анализу управляемых выпрямителей. Приводятся основные сведения по расчету выпрямителей и методика анализа и оценки основных характеристик.
Предназначены для студентов направлений «Управление в технических системах» и «Электроэнергетика и электротехника», а также могут быть полезны инженерно-техническим работникам этой области.
УДК 621.382.026(07) ББК З264.53я7
Рецензент: канд. техн. наук, доцент Т. Н. Королёва.
Утверждено редакционно-издательским советом университета
в качестве электронного учебно-методического пособия
ISBN 978-5-7629-2144-2 |
СПбГЭТУ «ЛЭТИ», 2017 |
2
Лабораторная работа 1.
Исследование однофазного мостового неуправляемого выпрямителя
Цель работы
Исследование однофазного мостового неуправляемого выпрямителя при работе на различную активно-индуктивную нагрузку.
Общие сведения:
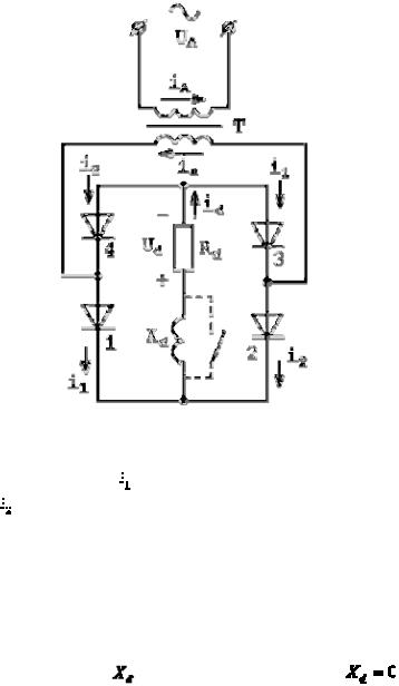
Предлагаемая лабораторная работа позволяет исследовать работу однофазного мостового неуправляемого управляемого выпрямителя. Принципиальная схема исследуемой схемы представлена на рисунке 1.1.
Рис.1.1 Однофазный мостовой выпрямитель.
В первом полупериоде ток 
протекает через вентили 1 и 3, а во втором
полупериоде ток 
протекает через вентили 2 и 4. Временные диаграммы,
характеризующие работу схемы, представлены на рис. 1.2. На временных диаграммах здесь и далее ось абсцисс – это ось времени, измеряемая в электрических градусах: t . Оси ординат – изменение во времени соответствующих электрических величин. Кривые эпюры выпрямленного напряжения на нагрузке и тока нагрузки приведены на оси 2.
Форма кривых выпрямленного, фазных и анодных токов зависит от
индуктивного сопротивления |
. Кривые токов и при |
приведены на |
осях 2, 3, 4, 5 и 6 рис.1.2. На осях 7,8 и 9 приведены эпюры токов вентилей и потребляемого фазного тока при
.
3
Рис.1.2 Временные диаграммы токов и напряжений мостового выпрямителя с различными нагрузками.
Описание лабораторной установки
В лабораторной работе используется виртуальная установка для исследований, предусмотренных содержанием работы. Виртуальная лабораторная установка показана на рис.1.3, она содержит:
•источник синусоидального напряжения (220 V, 50 Hz);
•однофазный линейный трансформатор (Linear Transformer);
•однофазный диодный мост (Universal Bridge);
•активно-индуктивную нагрузку (R,L);
•нулевой диод (Diode);
•измерители мгновенных токов в источнике питания (I 1) и нагрузке (I Load), мгновенного напряжения на нагрузке (U Load);
•блок для измерения гармонических составляющих тока питания (Fourier I 1), для измерения постоянных составляющих тока нагрузки
4
(Fourier I 0), для измерения постоянных составляющих напряжения на нагрузке (Fourier U 0);
•блок для наблюдения (измерения) мгновенных значений тока в цепи питания, тока нагрузки и напряжения на нагрузке (Scope);
•блок для наблюдения и измерения мгновенных значений величин, выбранных в поле Measurement соответствующих блоков (Multimeter);
•блок для измерения амплитудного значения тока первой гармоники и ее фазы в цепи питания (Display 1), блок для измерения средних значений тока и напряжения на нагрузке (Display 2).
Рис.1.3 Модель однофазного неуправляемого мостового выпрямителя
Окно настройки параметров источника питания показано на рис. 1.4. В полях настройки задаются амплитуда напряжения (Peak amplitude, V) в вольтах, начальная фаза напряжения (Phase, deg) в градусах, • частота напряжения (Frequency, Hz) в герцах.
Параметр Sample time задает дискретность задания напряжения. Такой параметр имеется во многих библиотечных блоках, он должен быть согласован с временем дискретизации при задании параметров моделирования. При моделировании аналоговых систем его можно установить равным нулю.
Окно настройки параметров трансформатора показано на рис.1.5. В полях окна настройки вводятся номинальная мощность и частота трансформатора (Nominal power and frequency), параметры первичной и вторичной обмоток (Winding 1 parameters, Winding 2 parameters) (величина действующего значения фазного напряжения (U1ф;U2ф ); активное (R) и
индуктивное (L) сопротивление обмотки в относительных (безразмерных) единицах); а также параметры ветви намагничивания (Magnetization resistance and reactance) ( Rm , Lm в относительных (безразмерных) единицах).
5