Беручись за виконання другого завдання розрахункової частини РГР, необхідно визначити за статичними характеристиками відсутні показники початкового режиму (струм бази спокою IБо та напругу база-емітер спокою UБЕо).
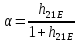
Розрахунок h – параметрів транзистора за статичними характеристиками для заданого режиму (UБЕо, IБо, UКЕо, IКо) виконується графоаналітичним способом у відповідності до гібридної системи рівнянь:
|
|
(1) |
яка для транзистора у ССЕ набуває наступного вигляду:
|
|
(2) |
|
|
|
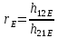
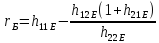
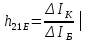
де h – параметри можна визначити з системи рівнянь:
|
|
(3) |
Зразок графоаналітичного визначення h – параметрів наведений на рис.1.
За вхідними характеристиками БТ знаходимо:
|
|
|
За вихідними характеристиками:
|
|
|
|
|
|
|
|
|
Рис.1.
Визначення параметрів
|
||
Вказані у формулах прирости повинні бути мінімальними.
Знак
« - » при визначенні
пояснюється тим. що напрям струму
в транзисторі протилежний до напряму
вихідного струму в еквівалентному
чотириполюснику.
Розрахунок фізичних параметрів БТ на основі знайдених h – параметрів виконується за формулами:




Результатом розрахунків повинні бути значення фізичних параметрів та фізична еквівалентна Т-подібна схема транзистора ввімкненого за ССЕ.
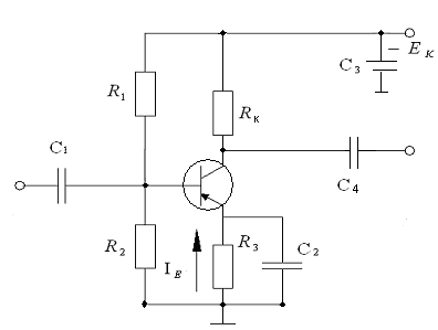
Розрахунок підсилювального каскаду з БТ увімкненим за ССЕ та температурною стабілізацією робочої точки (рис.2) у режимі спокою слід починати з визначення напруги негативного зворотного зв’язку UR3.
Зазвичай
в реальних схемах приймають
тому значення UR3
вибирають
у вказаних межах. Потім на основі заданих
у відповідності до варіанту завдань
величин IКо
та UКЕо,
а також визначених за характеристиками
транзистору IБо
та UБЕо
розраховують
послідовно опори R1.
R2.
R3.
RК,
що входять до схеми (див. рис.2):
Рис. 2. Транзисторний каскад с фіксованим струмом бази
,
,
,
,
,
,
.
На основі розрахованих величин опорів у подальшому потрібно обрати з таблиці 4 близькі їм номінальні значення R.
Таблиця 4. Ряд номінальних опорів постійних резисторів (одиниці, десятки, сотні Ом, кОм, мОм)
|
R, Ом, кОм, мОм |
||||
|
1,0 |
1,6 |
2,7 |
4,3 |
6,8 |
|
1,1 |
1,8 |
3,0 |
4,7 |
7,5 |
|
1,2 |
2,0 |
3,3 |
5,1 |
8,2 |
|
1,3 |
2,2 |
3,6 |
5,6 |
9,1 |
|
1,5 |
2,4 |
3,9 |
6,2 |
|
При розрахунку параметрів режиму підсилення каскаду (рис.2) необхідно мати на увазі, що до них належать:
коефіцієнт підсилення за струмом
|
|
(4) |
|||
|
|
|
|||
|
та напругою
|
(5) |
|||
|
|
|
|||
вихідна потужність
|
|
(6) |
|
|
|
коефіцієнт підсилення за потужністю
|
|
(7) |
|
|
|
вихідний опір
|
|
(8) |
|
|
|
вхідний опір
|
|
(9) |
У
формулах (4), (5), (6), (8) та (9) величини
(
)
та
– амплітуди напруги та струмів на
вихідних (вхідних) електродах транзистора.
Порядок розрахунку
На сім’ї статичних вихідних характеристик БТ будується вихідна пряма навантаження (рис.3 а).
Для вихідного кола каскаду
.
Оскільки
.
то рівняння вихідної прямої навантаження
за постійним струмом має вигляд:
.
Змінна
складова колекторного струму через
резистор
не проходить, тому пряма навантаження
за змінним струмом описується рівнянням
.
|
|
|
Рис. 3. До графоаналітичного визначення параметрів режиму підсилення транзисторного каскаду
де
.
Таким
чином, вихідна пряма навантаження за
змінним струмом перетинає вісь
у точці
.
У
багатьох практичних прикладах як вхідна
навантажувальна характеристика
використовується статична вхідна
характеристика приладу, що знімається
при нульовій напрузі
(наприклад.
.
На
вхідних та вихідних навантажувальних
характеристиках БТ позначити положення
початкової робочої точки за заданими
значеннями:
– на вхідних,
– на вихідних.
На
вхідній навантажувальній характеристиці
відносно значення
розгорнути
змінну напругу з амплітудою
.
За допомогою цієї характеристики
отримати приріст струму
приростом
Амплітуду
струму
визначити усередненням верхньої
та нижньої
амплітуд.
У таблиці 5 вказана тема та номери питань за варіантами. Їх необхідно брати з переліку питань для самоконтролю у відповідній темі методичних вказівок. Наприклад, питання 6.1 (тема 6, питання 1) – Розглянути типову конструкцію, принцип дії та ВАХ ЛПД.
Таблиця 5. Питання реферативної частини РГР2
|
Варіанти |
1 |
2 |
3 |
4 |
5 |
6 |
7 |
8 |
9 |
10 |
|
Теми та питання |
6.1 |
6.2 |
6.3 |
6.4 |
6.5 |
6.6 |
6.7 |
6.8 |
6.9 |
6.10 |
|
7.11 |
7.12 |
7.13 |
7.14 |
7.15 |
7.16 |
7.17 |
7.18 |
7.19 |
7.20 |
|
|
8.10 |
8.9 |
8.8 |
8.7 |
8.6 |
8.5 |
8.4 |
8.3 |
8.2 |
8.1 |
|
|
Варіанти |
11 |
12 |
13 |
14 |
15 |
16 |
17 |
18 |
19 |
20 |
|
Теми та питання |
7.1 |
7.2 |
7.3 |
7.4 |
7.5 |
7.6 |
7.7 |
7.8 |
7.9 |
7.10 |
|
7.21 |
7.22 |
7.23 |
7.24 |
7.11 |
7.12 |
7.13 |
7.14 |
7.15 |
7.16 |
|
|
8.1 |
8.2 |
8.3 |
8.4 |
8.5 |
8.6 |
8.7 |
8.8 |
8.9 |
8.10 |