Материал: Lekcija_No_8_

Внимание! Если размещение файла нарушает Ваши авторские права, то обязательно сообщите нам

зависимости от размеров повреждения внутри бака трансформатора.

5.Газовая защита не реагирует на повреждения вне бака трансформатора, поэтому не может быть единственной основной защитой трансформатора. Кроме того, необходимо временно выводить защиту из действия на отключение при доливке масла.

8.4.Защиты от сверхтоков внешних к.з.

Защиты трансформаторов и автотрансформаторов от сверхтоков внешних междуфазных и однофазных к.з. являются резервными защитами, предназначенными для отключения от источников питания как в случаях повреждения самих трансформаторов (автотрансформаторов) и отказах их основных защит, так и при повреждениях на смежных присоединениях и отказах их защит или выключателей.

В качестве защит трансформаторов (автотрансформаторов) от сверхтоков при междуфазных к.з. в зависимости от мощности трансформаторов и их назначения могут применяться:

максимальная токовая защита;

токовая защита обратной последовательности.

Для защиты от внешних 1 фазных к.з.:

максимальная токовая защита нулевой последовательности.

Возможно применение в качестве защиты от междуфазных к.з. дистанционной защиты реагирующей на Z=f(ϕP).

Защиты от сверхтоков при междуфазных к.з. устанавливаются со стороны источника питания, а при нескольких источниках питания – со стороны более мощных (главных) источников.

Защиты от сверхтоков при однофазных к.з. устанавливаются со стороны обмоток, соединенных в схему звезды с заземлённой нулевой точкой.

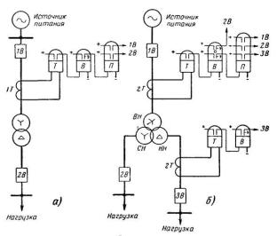
На рис. 8-12 приведены примеры размещения защит повышающих трансформаторов от сверхтоков при внешних к.з.

На 2-х обмоточном повышающем трансформаторе (рис. 8-12,а) максимальная токовая защита с независимой выдержкой времени от сверхтоков при междуфазных к.з. устанавливается со стороны шин генераторного выключателя и действует на отключение выключателей и с обеих сторон трансформатора, а максимальная токовая защита нулевой последовательности от однофазных к.з. – со стороны обмотки ВН трансформатора соединенной в звезду с заземленной нейтралью с действием на отключение выключателя этой обмотки.

На 3-х обмоточном повышающем трансформаторе при отсутствии питания со стороны обмотки СН (рис. 8-12,б) устанавливаются два комплекта защиты от сверхтоков при междуфазных к.з. (максимальные токовые защиты): один со стороны

обмотки СН трансформатора с действием на отключение выключателя этой обмотки и второй – со стороны обмотки ВН, который с меньшей выдержкой времени действует на отключение выключателя обмотки ВН, а с большей выдержкой времени

– на отключение всех выключателей трансформатора. Для защиты от однофазных к.з. со стороны обмотки ВН соединенной в звезду с заземленной нейтралью устанавливается максимальная токовая защита нулевой последовательности, действующая на отключение выключателя обмотки ВН.

Рис. 8 12. Защиты от сверхтоков на повышающих трансформаторах, двухобмоточном (а) и трехобмоточном (б).

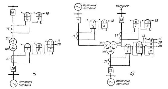
На рис. 8-13 приведены примеры размещения защит от сверхтоков при внешних к.з. на понижающих трансформаторах.

На 2-х обмоточном понижающем трансформаторе с односторонним питанием (рис. 8-13,а) устанавливается один комплект МТЗ со стороны источника питания, действующей на отключение всех выключателей трансформатора.

На 3-х обмоточном понижающем трансформаторе с односторонним питанием (рис. 8-13,б) устанавливаются два комплекта МТЗ. Один комплект защиты со стороны обмотки НН действует на отключение выключателя этой обмотки. Второй комплект защиты со стороны обмотки ВН действует с двумя выдержками времени: с меньшей – на отключение выключателя обмотки СН и с большей – на отключение всех выключателей трансформатора.

Рис. 8 13. Защиты от сверхтоков на понижающих трансформаторах, двухобмоточном (а) и трёхобмоточном (б).

Схемы и выбор уставок МТЗ, защит обратной последовательности от междуфазных к.з., а также защит нулевой последовательности применяемых в качестве защит трансформатора от сверхтоков внешних к.з. аналогичны рассмотренным ранее схемам и выбору уставок защит линий.

Примеры принципиальных схем токовой защиты обратной последовательности и токовой защиты нулевой последовательности для повышающих трансформаторов представлены на рис. 8-14 и 8-15 соответственно.

Рис. 8 14. Принципиальная однолинейная схема токовой защиты обратной последовательности для двухобмоточного трансформатора с 2 х сторонним питанием.