Материал: Lekcija_No_8_

Внимание! Если размещение файла нарушает Ваши авторские права, то обязательно сообщите нам

Рис. 8 15. Принципиальные схемы токовой защиты нулевой последовательности двухобмоточного повышающего трансформатора.

а) – со встроенным ТТ

Выводы:

1.В качестве резервных защит от сверхтоков внешних (междуфазных и однофазных) к.з. на трансформаторах и автотрансформаторах, в зависимости от их мощности и назначения, применяются максимальные токовые защиты, токовые защиты обратной последовательности, дистанционные защиты – от междуфазных к.з., а также максимальные токовые защиты нулевой последовательности – от однофазных к.з.

2.Защиты от сверхтоков при междуфазных к.з., как правило, устанавливаются со стороны источников питания, а защиты от сверхтоков при однофазных к.з. – со стороны обмоток трансформатора соединенных в схему звезды с заземленной нулевой точкой.

3.Схемы защит трансформаторов (автотрансформаторов) от сверхтоков при внешних к.з., а также расчёт параметров срабатывания этих защит аналогичны схемам и выбору уставок защит от междуфазных и однофазных к.з. линий.

8.5.Токовая отсечка

На трансформаторах малой мощности (ниже 6,3 мВА), работающих одиночно, как правило, в качестве основной защиты вместо диф. защиты, устанавливается мгновенная токовая отсечка.

Токовая отсечка является самой простой быстродействующей защитой от повреждений в трансформаторе, однако имеет существенный недостаток – реагирует только на большие токи к.з. и охватывает своей зоной действия лишь часть трансформатора со стороны источника питания.

Принцип действия и однолинейная схема токовой отсечки трансформатора приведены на рис. 8-16.

Рис. 8 16. Принцип действия (а) и однолинейная схема токовой отсечки трансформатора.

Токовая отсечка устанавливается со стороны источника питания и выполняется при помощи реле тока типа РТ-40 или РТ-80.

На трансформаторах, питающихся от сети с глухозаземлённой нейтралью, отсечка устанавливается на 3-х фазах, а при питании от сети с изолированной нейтралью – на 2-х фазах.

Токовая отсечка трансформатора выполняется аналогично токовой отсечки линий.

При к.з. на выводах трансформатора со стороны источника питания ток к.з. значительно больше, чем ток к.з. со стороны нагрузки, поэтому ток срабатывания токовой отсечки выбирают таким, чтобы она не работала при к.з. за трансформатором:

 

 

Iñ.ç. = Ê í IÊ 2ìàêñ

где:

 

 

IÊ 2ìàêñ

-

максимальный ток к.з. через трансформатор при к.з. за ним

Кн

-

коэффициент надёжности принимаемый равным 1,3-1,4 для реле тока

 

 

РТ-40 и 1,5-1,6 для реле тока РТ-80.

Кроме того, токовая отсечка должна отстраиваться от броска тока намагничивания при включении трансформатора под напряжение

Iс.з > Iнам

Для выполнения этого условия ток срабатывания отсечки должен в 3-5 раз превышать номинальный ток трансформатора.

В зону действия отсечки входят: ошиновка, выводы и часть обмотки со стороны трансформатора, где она установлена.

Токовая отсечка является основной защитой от внутренних к.з. в трансформаторе и должна действовать на отключение выключателей со всех сторон трансформатора, имеющих источники питания.

Токовая отсечка в сочетании с МТЗ и газовой защитой обеспечивает полноценную защиту для трансформаторов малой мощности.

Коэффициент чувствительности отсечки:

 

 

 

 

Ê

÷ =

IK

1

ìèí.

 

 

 

 

 

 

 

 

Iñ.ç.

 

 

 

 

 

 

 

 

 

 

 

где:

 

 

 

 

 

 

 

 

 

 

 

 

IK1ìèí.

-

минимальный

ток

при

к.з.

на выводах

трансформатора

со стороны

 

 

источника питания

 

 

 

 

 

 

 

 

Кч

-

должен быть

не

менее

2,

 

т.к. отсечка

в данном случае

выполняет

 

 

функции основной защиты.

 

 

 

 

 

 

 

Выводы:

1.Токовая отсечка является самой простой быстродействующей защитой от к.з. в трансформаторе и совместно с МТЗ и газовой защитой трансформаторов малой мощности.

2.Из-за значительной величины тока срабатывания отсечки (Iс.з. превышает в 3-5 раз Iном.т) зона действия защиты охватывает только часть трансформатора со стороны источника питания.

8.6. Защита от перегрузок

Перегрузки трансформаторов (автотрансформаторов) обычно бывают симметричными. Поэтому защиты от перегрузок выполняются на одном реле тока, включаемом на ток одной фазы.

Силовые трансформаторы, независимо от системы охлаждения, допускают длительную симметричную перегрузку (таблица 8-1), поэтому защиты от перегрузок выполняются с выдержкой времени большей выдержек времени защит от к.з. с действием на сигнал, а на необслуживаемых подстанциях – на отключение.

Таблица 8-1

Кратность перегрузки

1,3

1,45

1,6

1,75

2

3

 

 

 

 

 

 

 

Допустимая длительность перегрузки,

120

80

45

20

10

1,5

мин.

 

 

 

 

 

 

 

 

 

 

 

 

 

Для 2-х и 3-х обмоточных трансформаторов с односторонним питанием защита от перегрузки устанавливается с питающей стороны.

На трансформаторах, имеющих 2-х или 3-х стороннее питание, как правило, защиту от перегрузки устанавливают со всех сторон трансформатора. Как правило, защита действует через общее реле времени.

На автотрансформаторах с 3-х сторонним питанием защита от перегрузки устанавливается со стороны основного питания, а также со стороны обмотки ВН и для контроля за перегрузкой общей части обмотки со стороны обмотки подключённой к нулевой точке.

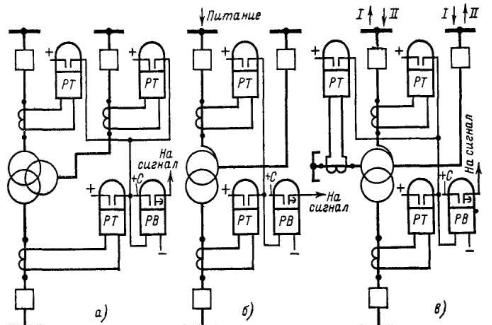
Примеры принципиальных схем токовых защит от перегрузок трансформаторов приведены на рис. 8-17.

Рис. 8 17. Принципиальные схемы токовой защиты от перегрузок трансформаторов и автотрансформаторов

а) 3 х обмоточный трансформатор с двух и трехсторонним питанием;

Ток срабатывания защиты от перегрузки определяется по формуле:

 

 

Iñ.ç. = Êí Iíîì.Ò

 

 

Ê Â

где:

 

 

Кн=1,05

-

коэффициент надёжности отстройки

КВ

-

коэффициент возврата реле тока

Iном.Т

-

номинальный ток обмотки трансформатора (автотрансформатора), на

 

 

которой установлена защита.

Выводы: