Материал: IR1

Внимание! Если размещение файла нарушает Ваши авторские права, то обязательно сообщите нам

Типы приборов, схемы

Введение

Изучение ИК спектров соединений позволяет получить значительную информацию о строении, составе, взаимодействии структурных единиц (фрагментов), составляющих вещество как в твердом состоянии (кристаллическом или аморфном), так и в растворе. ИК спектры дают также сведения о состоянии молекул, сорбированных на поверхности вещества или находящихся внутри его объема благодаря наличию каналов, пор, интервалов между слоями и межзеренных пространств.

ИК область спектра охватывает длины волн от границы видимой области, т. е. от 0,7 до 1000 мкм, что соответствует 10 см-1 нижнему пределу колебательных частот молекул. Вся ИК область условно делится на ближнюю, среднюю и дальнюю, или длинноволновую. Такое подразделение возникло в связи со свойствами оптических материалов (прозрачностью и линейной дисперсией) Если границей между ближней и средней областью принято считать ~ 2 мкм (~ 5000 см-1), то граница между средней и длинноволновой областью связывалась с длинноволновым пределом рабочего диапазона призмы из кристалла КВr —25 мкм (400 см- 1). В связи с созданием, с одной стороны, призм из бромида и иодида цезия, а с другой, ИКспектрометров с дифракционными решетками и интерферометров Международным союзом по чистой и прикладной химии (IUPAC) было рекомендовано называть длинноволновой область ниже 200 см-1 (низкочастотный предел рабочего диапазона призмы CsI, соответствующий длине волны 50 мкм). Принципиальных различий между интервалами 10200 и 10-400 см-1, как и областью выше 400 см-1, конечно, нет, но аппаратура и методики имеют свою специфику для каждой из областей. Спектральный интервал ниже 10 см-1 (λ > 1000 мкм) обычно исследуется методами микроволновой и радиоспектроскопии.

Принципы устройства и действия ИК-спектрометров

Благодаря успехам в развитии спектрального приборостроения, в настоящее время имеются приборы различных конструкций, которые охватывают весь диапазон инфракрасного излучения.

По принципу получения спектра приборы для ИК-области можно разделить на две основные группы: диспергирующие и недиспергирующие [4, c.287].

Диспергирующие спектрометры

В качестве диспергирующего устройства используются призмы из материала с соответствующей ИК-диапазону дисперсией и дифракционные решетки. Обычно для средней ИК-области (400-5000 см-1) применяют призмы из монокристаллов KBr, NaCl и LiF. В настоящее время призмы находят незначительное применение и практически вытеснены дифракционными решетками, дающими большой выигрыш в энергии излучения и высокое разрешение. Но, несмотря на высокое качество этих приборов, они все больше заменяются на фурье-спектрометры, относящиеся к группе недиспергирующих приборов.

Одно- и двух-лучевые схемы

Сканирующие диспергирующие ИК-спектрометры по схеме освещения бывают однолучевыми и двухлучевыми. При однолучевой схеме спектр поглощения исследуемого регистрируется на совпадающей с длиной волны кривой интенсивности и вместе с фоновым поглощением. Обычно используется двухлучевая схема, которая позволяет выравнивать фон, т.е. линию полного пропускания, и компенсировать поглощение атмосферных паров Н2О и СО2, а также ослабление пучков окнами кюветы и, если необходимо, поглощение растворителей.

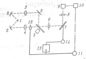
Рис. 1.4 Блок-схема двухлучевого сканирующего ИК-спектрометра [4, c.288]: 1 – источник ИКизлучения; 2 – система зеркал; 3 – рабочий пучок и образец; 4 – пучок сравнения и компенсатор фона; 5 – прерыватель-модулятор; 6 – входная щель монохроматора; 7 – диспергирующий элемент (дифракционная решетка или призма с зеркалом Литтрова); 9 – приемник; 10 – усилитель; 11 – мотор отработки; 12фотометрический клин; 13 – самописец; 14 – мотор развертки

Блок-схема двухлучевого сканирующего ИК-спектрометра представлена на Рис.1.4. Регистрация спектра осуществляется следующим образом: ИК-излучение от источника 1 делится на два пучка. Рабочий пучок проходит через образец, а пучок сравнения

— через какой-то компенсатор (кювета с растворителем, окно и т. п.). С помощью

прерывателя 5 пучки поочередно направляются на входную щель 6 монохроматора и через нее на диспергирующий элемент 7. При медленном его повороте, осуществляемом мотором развертки 14, через выходную щель 8 монохроматора на приемник 9 последовательно проходят вырезаемые щелью узкие по интервалу длин волн, в идеале монохроматические, лучи. Если излучение данной длины волны в рабочем пучке и пучке сравнения имеет разную интенсивность, например, ослаблено в рабочем пучке поглощением образца, то на приемнике возникает переменный электрический сигнал. После усиления и преобразования этот сигнал поступает на мотор отработки 11, который приводит в движение фотометрический клин 12 (диафрагму) до уравнивания потоков излучения (метод оптического нуля). Движение фотометрического клина связано с движением пера самописца 13 по ординате, а поворот диспергирующего элемента - протяжкой бумажной ленты или движением держателя пера по абсциссе. Таким образом, в зависимости от градуировки в процессе сканирования может регистрироваться спектральная кривая зависимости пропускания (поглощения) в процентах или оптической плотности образца от волнового числа (или длины волны).

Монохроматоры

Принципиальной частью сканирующих спектрометров является монохроматор. В качестве диспергирующего устройства в нем могут служить призмы из прозрачных в ИКобласти материалов с подходящей дисперсией или дифракционные решетки — эшелетты. Поскольку дисперсия материалов является наибольшей у длинноволнового предела их прозрачности и быстро падает с уменьшением длины волны, в средней ИК-области используют обычно сменные призмы, изготовленные из монокристаллов LiF, NaCl, KBr, а для области 200 - 400 см-1 - из CsI.

Недиспергирующие приборы

В основе действия Фурье-спектрометров лежит явление интерференции электромагнитного излучения. Для изготовления этих приборов используют интерферометры нескольких типов. Наибольшее распространение получил интерферометр Майкельсона. В этом приборе поток инфракрасного излучения от источника преобразуется в параллельный пучок и затем разделяется на два луча с помощью светоделителя. Один луч попадает на подвижное зеркало, второй - на неподвижное. Отраженные от зеркал лучи возвращаются тем же оптическим путем на светоделитель. Эти лучи интерферируют благодаря приобретенной разности хода, а, следовательно, и разности фаз, создаваемой подвижным зеркалом. В результате интерференции получается сложная интерференционная

картина, являющаяся наложением интерферограмм, которые отвечают определенной разности хода и длине волны излучения. Объединенный световой поток проходит через образец и попадает на приемник излучения. Усиленный сигнал поступает на вход компьютера, который осуществляет Фурье-преобразование интерферограммы и получение спектра поглощения исследуемого образца.

Фурье-преобразование является сложной вычислительной процедурой, однако интенсивное развитие вычислительной техники привело к созданию небольших по размерам быстродействующих компьютеров, встроенных в спектрометр, которые позволяют за короткое время получить спектр и провести его обработку

Рис. 1.5. Принципиальная оптическая схема интерферометра Майкельсона (без коллимации пучков), [4,

c.291]

В Фурье-спектроскопии используются в основном три типа интерферометров:

Фабри-Перо, Майкельсона и ламеллярный интерферометр.

На рис. 1.5. в качестве примера представлена принципиальная оптическая схема Фурье-спектрометра, построенного по принципу Майкельсона. Поток ИК-излучения от источника 1, модулированный прерывателем 2, делится светоделителем 4 на два пучка. Один из них направляется на зеркало 3, которое связано микрометрической передачей с двигателем и может поступательно перемещаться с определенной длиной пробега и возвращаться в исходное положение. Отраженный от этого зеркала пучок интерферирует, имея заданную зеркалом 3 разность хода, с пучком, отраженным от закрепленного зеркала 5. Дальше излучение фокусируется линзами 6 на приемнике 8, проходя через исследуемый образец, помещенный в кюветное отделение 7. При движении зеркала 3 и интерференции пучков с изменяющейся разностью хода происходит сканирование в определенном спектральном диапазоне.

Регистрируемая интерферограмма представляет зависимость сигнала от разности хода пучков и является функцией энергии источника, видоизмененной поглощением образца. Фурье-преобразование полученной интерферограммы, проводимое по заданной программе мини-ЭВМ, входящей в комплект современных Фурье-спектрометров, дает результирующий спектр поглощения исследуемого образца. Спектральный интервал, который доступен для изучения, определяется используемым светоделителем. Чтобы охватить всю ИК-область, необходимо несколько сменных светоделителей, которые выполнены в виде металлических сеток, пленок или диэлектрических покрытий на подложках.

Фурье-спектроскопия имеет ряд существенных достоинств. Два главных преимущества интерферометров перед обычными спектрометрами заключаются в следующем. Во-первых, это выигрыш в энергии за счет того, что при сканировании в каждый момент времени на приемник попадает излучение всего исследуемого спектрального диапазона длин волн, а не узкий его участок, определяемый в монохроматоре обычного прибора диспергирующей системой и щелями. Иными словами, в интерферометре в течение всего времени сканирования получается информация одновременно обо всем исследуемом спектральном диапазоне, а в обычном спектрометре в разные моменты времени получается информация только об узких спектральных полосах исследуемого диапазона. Данное преимущество интерферометров особенно важно в длинноволновой области, где интенсивность излучения источника мала и отношение сигнала к шуму является лимитирующим фактором.

Во-вторых, большой выигрыш дает возможность повышения разрешающей силы интерферометра без уменьшения потока лучистой энергии. Разрешающая способность Фурьеспектрометра пропорциональна максимальной разности хода пучков и, чтобы повысить, например, вдвое разрешение спектра, нужно просто удвоить длину перемещения зеркала, а соответственно, и время регистрации.

В интерферометрах проще, чем в дифракционных спектрометрах, осуществляется фильтрация излучения нужного спектрального диапазона, т. е. значительно упрощается проблема устранения паразитного, или рассеянного света.

Указанные преимущества обеспечивают такие достоинства Фурье-спектроскопии, как: очень высокая чувствительность и точность измерений интенсивности, особенно при многократном сканировании и накоплении сигнала; очень высокое разрешение (до 10-2 см-1) и высокая точность определения волновых чисел; быстродействие, т. е. возможность быстрого исследования широкой спектральной области (время сканирования для интервала в несколько сотен см-1 составляет < 1 с).