Материал: ACT_LabsW_2

Внимание! Если размещение файла нарушает Ваши авторские права, то обязательно сообщите нам

36

Рисунок 1 – Детектор нулевого уровня с фиксацией уровня входного напряжения положительным перепадом напряжения на выходе компаратора

Рисунок 2 – Детектор нулевого уровня с фиксацией уровня входного напряжения отрицательным перепадом напряжения на выходе компаратора

37

На рисунках 3 и 4 приведены схемы и виды характеристик детекторов положительного уровня входного напряжения. Пороговый уровень входного напряжения в этих схемах задается величиной напряжения смещения, подаваемого на инвертирующий вход ОУ. Напряжение смещения может задаваться стабилитроном, как показано на рисунке 5.

Рисунок 3 – Детектор нулевого уровня с положительным опорным напряжением.

Максимальное и минимальное значение выходного напряжения может задаваться при помощи внешних элементов. На рисунке 6 приведена схема детектора нулевого напряжения с фиксацией уровней выходного напряжения при помощи стабилитрона.

38

Рисунок 4 – Детектор нулевого уровня с отрицательным значением напряжения смещения

Рисунок 5 – Детектор нулевого уровня с напряжением смещения задаваемым стабилитроном

39

Рисунок 6 – Детектор нулевого напряжения с фиксацией уровней выходного напряжения при помощи стабилитрона

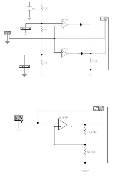
Компаратор, показанный на рисунке 7, позволяет фиксировать наличие входного напряжения в определенном диапазоне значений. Если входное напряжение изменяется в пределах пороговых значений, устанавливаемых внешними элементами, то выходное напряжение имеет низкий уровень. При выходе за установленные пределы пороговых значений выходное напряжение изменяется на высокий уровень.

При работе с компараторами могут возникнуть неприятности, проявляющиеся в том, что вместо однократного изменения уровня выходного напряжения при достижении входным напряжением порогового значения, могут иметь место быстрые колебания между уровнями выходного напряжения, особенно в том случае, когда во входном сигнале присутствует значительный шум. При таком явлении может нарушиться нормальное функционирование некоторых типов схем. Можно избежать этого, если характеристика компаратора имеет гистерезис. Одной из схем такого рода является триггер Шмитта. Схема и еѐ характеристика представлена на рисунке 8.

40

Рисунок 7 – Детектор с фиксацией входного напряжения в определенном диапазоне значений

Рисунок 8 – Детектор с триггером Шмитта