Подготовка к работе и настройка на заданные условия работы.
Провести внешний осмотр машины, обратив особое внимание на надежность заземления, наличие всех облицовок на машине.
Вставить в решетные станы ситовые сегменты, соответствующие вы-
бранному виду очистки и культуре. |
|
|
|
|
|
|
У |
||||||||
|
|
|
|
|
|
|
|||||||||
|
Проводя замену решетных сегментов, проверить наличие прорезинен- |
||||||||||||||
|
|
|
|
|
|
|
|
|
|
|
|
|
|
Т |
|
ных шаров в механизме очистки решетных станов. Верхний решетный стан |
|||||||||||||||
должен содержать 40 шаров (по 1 шару на камеру), нижний решетный стан – |
|||||||||||||||
200 шаров (по 5 шаров на камеру). |
|
|
|
|
А |
|
|||||||||
|
|
|
|
|
|
|
|||||||||
|
Установить желаемую частоту встряхивания решет смещением ремня |
||||||||||||||
привода решетных станов в нужный ручей шкива. |
|
|
|
|
|
||||||||||
|
Отрегулировать противовесы на загрузке согласно рекомендациям. |
|
|||||||||||||
|
Отрегулировать заслонку на подводе к каналу |
основной пневмосепа- |
|||||||||||||
рации. |
|
|
|
|
|
|
|
|
й |
Г |
|
|
|||
|
Запустить машину, включив электродвигатели и приводы решетных |
||||||||||||||
станов, вентилятора, подачу материала (норию). |
Б |
|
|
|
|||||||||||
|
|
|
|
|
|
|
|
|
и |
|
|
|
|
|
|
|
Отрегулировать скорости воздушного потока в каналах предвари- |
||||||||||||||
тельной и основной пневмосепарац . |
|
|
|
|
|
|
|||||||||
|
|
|
|
|
|
|
|
р |
|
|
|
|
|
|
|
|
Правильность настройки маш ны п овер ть путем отбора проб раз- |
||||||||||||||
|
|
|
|
|
|
поте |
|
|
|
|
|
|
|
||
личных фракций. В случае |
|
ь основной культуры (сверх допустимых |
|||||||||||||
норм) в сходную фракцию |
верхнего ешета или проходовую фракцию нижне- |
||||||||||||||
|
|
|
|
|
т |
|
|
|
|
|
|
|
|
||
го произвести замену реше ных п л тен. |
|
|
|
|
|
|
|||||||||
|
|
|
|
и |
|
|
|
|
|
|
|
|
|
|
|
|
После работы, а акже при переходе от очистки зерна одной культуры к |
||||||||||||||
другой, машина должна бы ь |
|
щательно очищена от остатков зерна и сора. |
|||||||||||||
|
|
|
з |
|
|
|
|
|
|
|
|
|
|
|
|
Для очистки п тающего устройства необходимо открыть крышки со стороны |
|||||||||||||||
|
|
о |
|
|
|
с помощью грибковых ручек 1, затем открыть |
|||||||||
обслуживания (р с. 6.22) |
|||||||||||||||
подпружиненную рукоятку заслонки опорожнения, таким образом удалив ос- |
|||||||||||||||
|
п |
|
|
|
|
|
|
|
|
|
|
|
|
|
|
таточный материал. Запустить машину на несколько минут вхолостую при |
|||||||||||||||
максимальных ск ростях воздушного потока в каналах аспирации. Остано- |
|||||||||||||||
е |
|
|
|
|
|
|
|
|
|
|
|
|
|
|
|
вить машину. Демонтировать и очистить решета. Очистить машину внутри, |
|||||||||||||||
монтировать необходимые ситовые сегменты. |
|
|
|
|
|
||||||||||
Р |
|
|
|
|
|
Устранение неполадок |
|
|
|
|
|
||||
|
|
|
|
|
|
|
|
|
|
|
|||||
Возможные неисправности и неполадки, меры по их устранению приведены в таблице 6.7.
81
|
|
|
|
|
|
|
|
|
|
|
|
|
Таблица 6.7 |
||
|
|
|
|
Неисправности и неполадки |
|
|
|
|
|
||||||
|
|
Неполадки |
|
|
|
|
|
Меры по их устранению |
|
|
|
||||
|
1. Неравномерный ход машины |
|
Установка машины на ровной поверх- |
|
|
||||||||||
|
|
|
|
|
|
|
ности и закрепление рамы. При уста- |
У |
|||||||
|
|
|
|
|
|
новке на стальной площадке проверить |
|||||||||
|
|
|
|
|
|
правильное расположение ножек. Про- |
|||||||||
|
|
|
|
|
|
|
|
|
|
|
|
|
Т |
||
|
|
|
|
|
|
верить подшипник приводного вала сит |
|||||||||
|
|
|
|
|
|
и винтовые соединения штанг |
|
|
|
||||||
|
2. Очищаемый материал |
|
|
|
Проверить |
|
|
А |
|
|
|||||
|
|
|
|
горизонтальную установку |
|||||||||||
|
движется по одной стороне |
|
|
машины. Устранить возможные заторы |
|||||||||||
|
|
|
|
|
|
|
в загрузке. Проверить положение за- |
||||||||
|
|
|
|
|
|
|
движки |
|
|
|
|
|
|
|
|
|
3. Засорение сит |
|
|
|
|
|
|
Б |
|
|
|
|
|||
|
|
|
|
Подрегулировать очистку сит. При |
|||||||||||
|
|
|
|
|
|
|
масличных культурах проверить нали- |
||||||||
|
|
|
|
|
|
|
чие масляного осадкаГна поддоне с ша- |
||||||||
|
|
|
|
|
|
|
|
й |
|
|
|
|
|
||
|
|
|
|
|
|
|
рами. При необходимости очистить |
|
|
||||||
|
4. Скорость потока воздуха |
|
|
Проворить |
трубопровод отходящего |
|
|||||||||
|
недостаточна |
|
|
|
|
Очистить |
|
|
|
|
|
|
|||
|
|
|
|
|
воздуха на возможный затор. Прове- |
||||||||||
|
|
|
|
|
|
|
р ть вент ляционный проект |
|
|
|
|||||
|
5. Неплотная посадка сит |
|
р |
|
|
|
|
|
|
|
|
||||
|
|
|
|
Затянуть с та грибковой ручкой или |
|
|
|||||||||
|
|
|
|
|
|
|
под егул ровать упоры |
|
|
|
|
||||
|
|
|
|
о |
|
|
вентилятор от слоя пыли |
|
|
||||||
|
6. Неравномерный ход ротора |
|
|
|
|
|
|
||||||||
|
вентилятора |
|
|
|
|
|
|
|
|
|
|
|
|
|
|
|
Машина |
зерноочис |
и ельная универсальная МЗУ-60 |
|
|
|
|
||||||||
|
|
|
ельная |
универсальная МЗУ-60 (рис. 6.26) |
|||||||||||
|
Машина зернооч |
||||||||||||||
предназначена для предварттельной, первичной и вторичной очисток зерна и |
|||||||||||||||
семян зерновых колосовых, зернобобовых, крупяных культур и рапса. |
|||||||||||||||
Используется в составе зерноочистительно-сушильных комплексов и |
|||||||||||||||
|
п |
|
|
|
|
|
|
|
|
|
|
|
|
|
|
отдельных линийз. |
|
|
|
|
|
|
|
|
|
|
|
|
|||
|
Техн л гический процесс. Работа машины осуществляется следую- |
||||||||||||||
щим образом: исходный материал поступает в загрузочные устройства 11, |
|||||||||||||||
откуда |
итающим вальцом 9 |
подается |
|
в канал |
предварительного |
||||||||||
Р |
|
|
|
|
|
|
|
|
|
|
|
|
|
|
|
пн вмосепаратора 8. Поток воздуха, создаваемый вентилятором, уносит |
|||||||||||||||
легкие |
и пылевидные примеси в осадочную камеру 6. |
Осевшие в камере |
|||||||||||||
частицы сбрасываются выгрузным шнеком 7 в лоток отходов и выводятся из машины. Зерновая масса, прошедшая через канал предварительного пневмосепаратора 8, поступает на верхний решетный стан, оборудованный цепочно-скребковым транспортером 5. Фракция, идущая сходом с решет (крупные примеси), при помощи цепочно-скребкового транспортера 5
82
сбрасывается в лоток крупных примесей 16 и выводится из машины. Частицы, провалившиеся через ячейки ситовых сегментов (зерно и мелкие примеси), подаются по скатным доскам на среднее 2 и нижнее 1 решета, которые работают параллельно. Мелкие примеси проваливаются через ячейки
|
|
|
|
|
|
|
|
|
|
|
|
У |
ситовых сегментов, направляются в лоток мелких примесей 20 и выводятся из |
||||||||||||
машины. Фракция, идущая сходом с решет, поступает в канал основного |
||||||||||||
|
|
|
|
|
|
|
|
|
|
|
Т |
|
пневмосепаратора 18, где за счет разрежения, создаваемого вентилятором, из |
||||||||||||
нее удаляются легкие и пылевидные примеси и уносятся в осадочную камеру |
||||||||||||
15, а затем, с помощью выгрузного шнека |
|
А |
|
|||||||||
14, сбрасывается в лоток и |
||||||||||||
выводится из машины. Очищенное зерно, выйдя из канала основного |
||||||||||||
|
|
|
|
|
|
|
|
|
Г |
|
|
|
пневмосепаратора, направляется в зернопровод и выводится из машины. |
|
|||||||||||
|
|
|
|
|
|
|
|
|
Б |
|
|
|
|
|
|
|
|
|
|
|
й |
|
|
|
|
|
|
|
|
|
|
|
и |
|
|
|
|
|
|
|
|
|
|
|
р |
|
|
|
|
|
|
|
|
|
|
|
о |
|
|
|
|
|
|
|
|
|
|
|
т |
|
|
|
|
|
|
|
|
|
|
|
и |
|
|
|
|
|
|
|
|
|
|
|
з |
|
|
|
|
|
|
|
|
|
|
|
о |
|
|
|
|
|
|
|
|
|
|
|
Р |
п |
|
Рис. 6.26. Схема технологическая МЗУ-60: |
|
|
|
||||||
|
|
|
|
|
|
|||||||
|
1 – р шето нижнее; 2 – решето среднее; 3 – делитель потока материала; 4 – решето |
|
||||||||||
еверхнее; 5 – транспортер цепочно-скребковый; 6 – камера осадочная предварительного |
||||||||||||
пневмосепаратора; 7, 14 – шнеки разгрузочные; 8 – пневмосепаратор предварительный; 9 – валец питающий; 10 – заслонка с грузом; 11 – устройство загрузочное; 12, 13 – регулирующие заслонки; 15 – камера осадочная главного пневмосепаратора; 16 – лоток крупных примесей; 17 – пневмосепаратор главный; 18 – заслонка-дозатор; 19 – сход
с нижнего решета; 20 – лоток мелких примесей
83
Преимущества перед аналогами:
- компактная воздушно-решетная универсальная зерноочистительная машина с двумя решетными станами, предварительным и основным пневмосепараторами;
|
|
|
|
|
|
|
|
|
|
|
У |
|
- в составе технологической линии машина может выполнять последо- |
||||||||||
вательно все виды очистки; |
|
|
|
Т |
|||||||
|
- занимает небольшую площадь и может быть использована для выпол- |
||||||||||
нения многочисленных задач по очистке зернового материала, обеспечивает |
|||||||||||
высокое качество работы; |
|
|
|
А |
|
||||||
|
|
|
|
|
|
||||||
|
- использование не требующих ухода подшипников, а также много- |
||||||||||
слойная окраска корпуса обеспечивают надежную работу машины даже в не- |
|||||||||||
благоприятных климатических условиях; |
|
|
|
|
|||||||
|
- закрытое использование машины обеспечивает высокий уровень безо- |
||||||||||
пасности труда. |
|
|
|
|
|
Г |
|
|
|||
|
|
|
|
|
|
|
|
й |
|
|
|
|
Машина обеспечивает номинальную производительность за час основ- |
||||||||||
ного времени на пшенице с объемной массой не менееБ760 г/дм3 при выпол- |
|||||||||||
ганами, – не более 10 %, в |
числе соломистой |
примеси – не более 1 %; |
|
||||||||
нении следующих требований к исходному материалу: |
|
|
|||||||||
|
• на предварительной очистке: влажность материала – не более 20 %; |
||||||||||
|
|
|
|
|
|
|
р |
|
|
|
|
содержание сорной примеси, отдел мой воздушно-решетными рабочими ор- |
|||||||||||
нами, – не более 3 %; |
|
том |
|
|
|
|
|||||
|
• |
на первичной чистке: влажность материала – не более 15 %; со- |
|||||||||
|
|
|
|
|
т |
|
|
|
|
|
|
держание сорной примеси, делим й воздушно-решетными рабочими орга- |
|||||||||||
|
• |
|
|
меси |
|
|
|
|
|
|
|
|
на втор чной оч с ке: влажность материала – не более 15 %; со- |
||||||||||
|
|
|
з |
|
, отделимой воздушно-решетными рабочими орга- |
||||||
держание сорной пр |
|
||||||||||
|
|
более |
2 %. |
|
|
|
|
|
|
|
|
нами, – не |
|
|
|
|
|
|
|
|
|||
|
п |
|
|
|
|
|
|
|
|
|
|
|
6.4. Ст л пневмосортировальный СПС-5 |
|
|
|
|||||||
е |
|
|
|
|
|
|
|
|
|
|
|
|
Задание: |
|
|
|
|
|
|
|
|
||
Р |
1) изучить общее устройство и рабочий процесс машины; |
|
|
||||||||
2) изучить технологические схемы работы машины; 3) изучить способы выполнения регулировок, порядок подготовки ма-
шины к работе.
Оборудование рабочего места: пневматический сортировочный стол СПС-5, плакаты, схемы, методические указания, мультимедийный комплекс.
84
Устройство стола пневмосортировального СПС-5
Назначение. Стол СПС-5 производительностью 5 т/ч предназначен для очистки семян от трудноразделимых сорняков и сортирования семян зерно-
вых, зернобобовых, овощных, крупяных культур и трав. |
|
|
У |
||||||||||
|
|
|
|||||||||||
|
На столе семена разделяются по плотности, крупности, форме и свойст- |
||||||||||||
|
|
|
|
|
|
|
|
|
|
|
|
Т |
|
вам поверхности. При этом хорошо выделяются такие сорняки, как плевел, |
|||||||||||||
василек, полевая горчица, пырей, овсюг, костер, спорынья, головня и другие, |
|||||||||||||
а также поврежденные зерна, части стеблей и т.п. |
|
А |
|
||||||||||
|
|
|
|
||||||||||
|
|
|
|
|
|
|
|
|
|
Г |
|
|
|
|
|
|
|
|
|
|
|
|
|
Б |
|
|
|
|
|
|
|
|
|
|
|
|
й |
|
|
|
|
|
|
|
|
|
|
|
|
и |
|
|
|
|
|
|
|
|
|
|
|
|
р |
|
|
|
|
|
|
|
|
|
|
|
|
о |
|
|
|
|
|
|
|
|
|
|
|
|
т |
|
|
|
|
|
|
|
|
|
|
|
|
и |
|
|
|
|
|
|
|
|
|
|
|
|
з |
|
|
|
|
|
|
|
|
|
|
|
|
о |
|
|
|
|
|
|
|
|
|
|
|
|
п |
|
|
|
|
|
|
|
|
|
|
|
|
е |
|
|
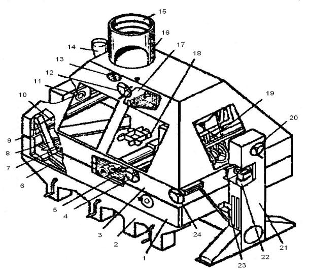
Рис. 6.27. Пневматический сортировальный стол: |
|
|
|
|||||||
|
|
|
|
|
|
|
|||||||
|
1 – стан; 2 – приемник фракций; 3 – зонт; 4 – регулятор частоты колебания деки; |
|
|||||||||||
5 – пружина; 6 – заслонка; 7 – дека; 8 – подвеска; 9 – уплотнение; 10 – стяжка; 11, 22 – оси; |
|||||||||||||
Р |
12 – регулятор скорости воздушного потока; 13 – светильник; 14 – загрузочный рукав; |
||||||||||||
15 – патрубок; 16 – хомут; 17 – бункер; 18 – фильтр; 19 – вибропривод; 20 – регулятор |
|||||||||||||
|
|
продольного угла наклона деки; 21 – станина; 23 – кронштейн; |
|
|
|||||||||
|
|
|
|
24 – регулятор поперечного угла наклона деки |
|
|
|
||||||
Общее устройство. Машина состоит из следующих основных узлов и механизмов (рис. 6.27): стана 1, зонта 3, деки 7, вибропривода 19, механизма
85