Материал: 999

Внимание! Если размещение файла нарушает Ваши авторские права, то обязательно сообщите нам

16

передачи информации, использующую мультиплексор и демультиплексор. Объяснить работу линии.

4.Исследование преобразователя информации.

Преобразователь выполнен на ИМС K155PE3 (D5 на рис. 1), являющейся программируемым ПЗУ. С его помощью осуществляется преобразование двоично-десятичного кода в код семисегментного индикатора HG1 типа АЛС321Б. Схема преобразователя изображена на рис.1, а на рис.5 от этого преобразователя изображен лишь символ индикатора HG1 и входы 11...15, причем вход 11 соответствует младшему разряду кода. Емкость ПЗУ 32 и 8 бит. Входной код можно записать в виде x4x3x2xlx0. При х4=0 в семисегментный код преобразуется двоичнодесятичный код хЗх2ч1х0, а при х4=11 на НG1 высвечивается шестнадцатеричный код. На индикаторе HG1 смонтировано 7 сегментов и точка. Обозначения сегментов приведены на рис. 6. При наборе определенного кода х4...х0 высвечивается определенный символ на индикаторе. Например, при наборе на ключах SA5.. .SAl кода 00010 индикатор покажет 2, а при 11111 – F. Манипулируя SA1...SA5, наблюдать информацию на HG1, записать ее. По результатам эксперимента составить таблицу кодов преобразователя, связывающую входы 1...5 (рис.1), выходы а...H и показания индикатора.

a

f b

g

e c

d

Рис. 6 Обозначения сегментов индикатора

Отчет о работе

Отчет должен содержать:

1.Схему дешифратора и таблицу его кодов.

2.Схему мультиплексора к таблицу результатов эксперимента.

3.Структуру линии передачи информации, использующую мультиплексор и демультиплексор.

4.Таблицу работы преобразователя десятичных и шестнадцатеричных

чисел.

5.Таблицу кодов преобразователя.

17

ЛАБОРАТОРНАЯ РАБОТА N 5

Исследование универсального счетчика

Цель работы исследование работа счетчика в режимах прямого и обратного счета. Исследования выполняются с помощью сменной платы П5.

Описание сменной платы П5

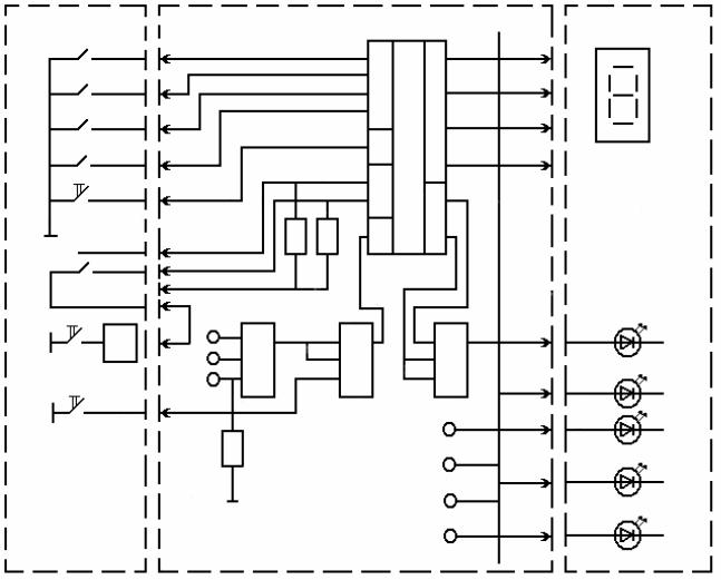
Схема платы представлена на рис.7.

Блок

 

 

 

 

 

 

П5

 

 

 

 

 

 

 

Блок индикации

управления

20

 

 

 

 

 

1

1

11

 

 

 

 

 

 

 

 

 

 

 

D1

CT 1

 

 

 

 

SA1

 

 

 

 

 

 

 

 

 

 

 

 

 

 

21

 

 

D2

 

 

2

2

12

 

SA2

 

 

 

 

2

HG1

 

 

D3

 

 

 

 

 

 

 

 

 

 

 

 

 

 

 

 

 

 

22

 

 

D4

 

 

3

3

13

 

SA3

 

 

 

 

4

 

 

 

 

 

 

 

 

 

 

 

 

 

 

 

 

 

 

 

 

 

 

 

 

SA4

23

 

 

V

 

8

4

4

14

 

 

 

 

 

 

 

 

 

 

 

 

 

 

 

 

 

19

 

 

1

 

 

 

 

 

 

SB2

 

 

1

 

6

 

 

 

 

 

 

 

 

 

 

 

 

 

 

 

 

 

 

 

 

 

 

 

 

 

 

 

 

 

 

 

 

 

 

31

R2

R3

R

D1

6

 

 

 

 

 

 

 

 

 

 

 

 

 

 

26

 

 

 

 

 

 

 

 

 

SA5

1

 

 

 

 

 

 

 

 

 

 

 

 

 

 

 

 

 

 

 

 

24

 

 

 

 

 

 

 

 

 

SB6

27

X3

 

 

 

 

5

1

5

 

F

 

 

 

 

 

 

&

 

&

 

&

 

 

 

HL5

 

 

 

 

 

 

 

X2

 

 

 

 

 

 

 

 

 

 

 

 

 

 

 

 

 

 

 

 

 

 

 

 

 

 

 

 

 

 

 

 

D2.2

 

D2.3

 

D2.4

 

2

4

 

 

 

 

 

 

 

 

 

X1

 

 

 

 

 

HL4

 

18

 

 

 

 

 

 

 

 

SB3

 

 

 

 

 

 

 

 

 

 

 

 

 

 

 

 

 

 

 

 

 

1

3

 

 

 

 

 

 

 

 

 

 

 

 

 

 

Y1

3

HL3

 

 

 

 

 

 

 

 

 

 

 

 

 

 

 

 

 

 

 

 

 

 

 

R1

 

 

 

 

2

 

 

 

 

 

 

 

 

 

 

 

 

 

 

 

Y2

 

 

 

 

 

 

 

 

 

 

 

 

 

 

 

 

4

2

 

 

 

 

 

 

 

 

 

 

 

 

 

 

 

HL2

 

 

 

 

 

 

 

 

 

 

 

 

 

3

 

 

 

 

 

 

 

 

 

 

 

 

 

 

Y3

 

 

 

 

 

 

 

 

 

 

 

 

 

 

 

 

 

 

 

 

 

 

 

 

 

 

 

 

 

 

 

Y4

4

5

10

HL1

 

 

 

 

 

 

 

 

 

 

 

 

 

 

 

Рис. 7 Схема платы П5 и ее подключения к основному блоку

В качестве универсального счетчика выбрана ИМС типа К155ИЕ7 (D1). Микросхема К155ЛА4 (D2) выполняет вспомогательную роль. Сброс счетчика производится подачей логической единицы на вход R. При этом на выходах 1, 2, 4, 8 устанавливаются нули. Если переключатель SA5 установлен в верхнем положении, то каждое нажатие кнопки SB1 увеличивает содержимое счетчика на единицу, а если в нижнем, то

18

содержимое уменьшается на единицу. Набрав с помощью SA1...SA4 определенный код и нажав кнопку SB2, можно осуществить начальную загрузку счетчика. В процессе счета на выходах ≥16 и <0 устанавливаются логические нули. Если же при прямом счете произойдет переполнение, то на выходе ≥16 вырабатывается положительный перепад и счетчик сбрасывается. Аналогично при обратном счете после обнуления формируется отрицательный перепад на выходе <0, а затем счетчик устанавливается. Сигнал сброса от кнопки SB3 подается через секцию микросхемы 2.3. Чтобы эта секция была работоспособна, ко входу xl D2.2 подведен логический нуль через резистор R1. Емкость счетчика равна 16. Любое промежуточное состояние отображается на светодиодах HL2.....HL5 и в виде шестнадцатеричной цифры на индикаторе HG1. После заполнения счетчика следующим импульсом он автоматически сбрасывается в нуль. Емкость счетчика можно уменьшить, устанавливая перемычки между гнездами Y1 и Xl. Таким образом, счетчик может использоваться в качестве одного разряда многоразрядного счетного устройства с основанием системы счисления k, причем можно выбрать 2≤k≤16.

Порядок выполнения работы

1. Исследование процесса прямого счета.

Осуществить сброс счетчика в нулевое состояние. Проконтролировать его по индикаторам. Изобразить временную диаграмму 20 входных (подсчитываемых) импульсов. Нажимая кнопку SB1, наблюдать изменение состояния выходов счетчика (включая ≥16) и изображать эти состояния на диаграммах под диаграммой входных импульсов. Не диаграмме соблюдать точное соответствие моментов нажатия и отжима SВl и моментов изменения состояния выходов.

2. Исследование обратного счета.

Выполняется аналогично п.1, но перед экспериментом в счетчик надо загрузить цифру F и наблюдать за всеми выходами, включая < 0.

3. Исследование счетчика с заданным основанием системы счисления. Установить основание, системы счисления k, заданное преподавателем. Выполнить исследования, аналогичные п.1, 2.

Отчет о работе

Отчет должен содержать:

1.Схему счетчика прямого счета и временные диаграммы его работы.

2.Схему счетчика обратного счета и временные диаграммы его работы.

3.Схему одного разряда счетчика с заданным основанием системы счисления и диаграммы его работы в режима прямого и обратного счета.

4.Схемы трехразрядного счетчика прямого и обратного счета с заданным основанием системы счисления.

19

Вопросы для самоконтроля

1.Принципы построения счетчиков прямого и обратного счета.

2.Принцип построения одного разряда счетчика с заданным основанием системы счисления.

3.Принцип построения многоразрядных счетчиков с основанием системы счисления более двух.

Библиографический список

Основная литература Микроэлектронные схемы цифровых устройств [Текст] / И. Н. Бухреев

[и др.]. – М. : Сов. радио, 1973. – 264 с.

Лебедев, В. И. Логические микроэлектронные схемы [Текст] : учеб. пособие / В. И. Лебедев. – М., 1968. – 79 с.

Полупроводниковые приборы: диоды, тиристоры, оптоэлектронные приборы [Текст]: справ. / А. В. Банков [и др.], под общ. ред. Н. Н. Горюнова.

– М. : Энергоиздат, 1982. – 744с.

Дополнительная литература Интегральные микросхемы [Текст] : справ. / под ред. В. В. Тарабрина. –

М. : Радио и связь, 1984. – 528 с.

Компьютеры: справ. руководство [Текст]. В 3 т. Т. 1 / под ред. Г. Хелмса: пер. с англ. под ред. И. О.Атовмяна. – М. : Мир, 1988. – 113с.

Лабораторный практикум по курсу "Основы автоматики и электронновычислительной техники" [Текст] – М. : MО РСФСР, 1988. – 40 с.

Стенд универсальный по основам автоматики и электронновычислительной техники [Текст]. – Омск : ОГПИ, 1990. – 53 с.

20

Данилов Александр Дмитриевич Кочетов Владимир Иванович Кривотулова Марина Александровна

Микропроцессорная техника

Методические указания к лабораторным работам для студентов специальностей

210200 (220301) – Автоматизация технологических процессов и производств (лесной комплекс),

240400 (190702) – Организация и безопасность движения (автомобильный транспорт)

Подписано в печать 29.08.2007. Формат 60х84

/16. Объем 1,25

п. л.

 

 

Усл. печ. л. 1,16. Уч.-изд. л. 1,54. Тираж 200 экз.

Заказ №

 

ГОУ ВПО «Воронежская государственная лесотехническая академия» РИО ГОУ ВПО «ВГЛТА». УОП ГОУ ВПО «ВГЛТА» 394613, г. Воронеж, ул. Тимирязева, 8