11
ЛАБОРАТОРНАЯ РАБОТА N 3
Исследование регистров
Цель работы - исследование режимов работы регистров, составленных из триггеров или выполненных на ИМС. В работе используются сменные платы П2 и ПЗ.
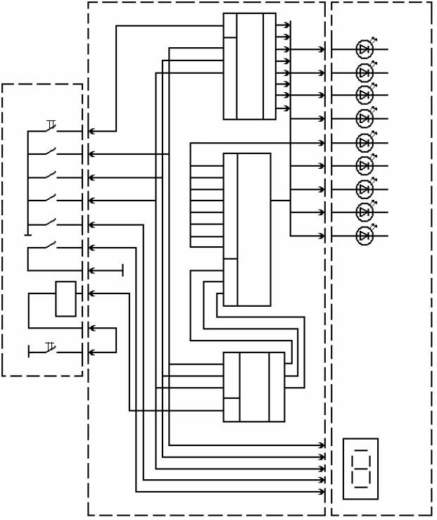
Описание сменной платы П3
Плата используется при исследовании регистров и сумматоров. Принципиальная схема платы приведена на рис.4. Цифры по пунктирному контуру означают номера контактов на разъеме X1 (рис.1). Блоки индикации и управления относятся к блоку ввода-вывода информации.
Порядок выполнения работы
1.Параллельный регистр на триггерах.
Исследования выполняются на плате П2. Регистр составляется из двух триггеров (D3.1 – младший разряд, D3.2 – старший). На младший разряд информация подается от тумблера SA1, а на старший - от SА3. При этом тумблер SA5 должен находиться в нижнем положении, а перемычки Х1Х2 – замкнуты. Запись информации производится кнопкой SB1, а индикации результатов – светодиодами HL9, HL7. На входах установки триггеров R и S должны быть логические единицы.
1.1.Изобразить рабочую схему двухразрядного параллельного регистра с органами управления и индикации.
1.2.Осуществить запись двухразрядных кодов. Составить таблицу истинности с учетом тактовых сигналов.
1.3.Изобразить временную диаграмму записи какого-либо кода.
2.Последовательный регистр на триггерах.
Исследования выполняются на плате П2. По-прежнему младший разряд регистра выполняется на D3.1, а старший – на D3.2. Источником информации является ключ SA1.
2.1.Изобразить рабочую схему последовательного регистра и собрать
его.
2.2.Задаваясь различной входной информацией, наблюдать продвижение информации по регистру и хранение этой информации.
2.3.Изобразить временные диаграммы прохождения кода 101 через предварительно очищенный регистр.
3.Четырехразрядные регистры на ИМС.
Исследования выполняются на плате ПЗ. В качестве регистра используется ИМС К155ИР1. Тактовый сигнал подается от кнопки SB1. Управляющий вход V. При V=0 регистр в последовательном режиме, сдвиг ведется в направлении от D1 к D4, входом является D и информация на него
12
подается с помощью кнопки SB2 (при нажатой кнопке D=0). При V=1 регистр работает в параллельном режиме, информация подводится от ключей SA1...SA4.
Блок управления
SB1 F

SB2
SA5
SB3
1
D4.5
SA1
SA2
SA3
SA4
П3 |
|
|
|
|
|
Блок индикации |
|
|
D1 |
|
1 |
9 |
HL9 |
|
|
RG |
|
|||
|
|
|
|
|||
|
|
D2 |
|
2 |
|
|
|
|
D3 |
|
3 |
8 |
HL8 |
|
|
D4 |
|
4 |
||
|
|
|
|
|
||
27 |
|
|
|
|
|
|
|
|
|
|
|
|
|
|
|
C1 |
|
|
7 |
HL7 |
|
|
|
|
|
||
|
|
C2 |
|
|
|
|
|
X |
|
|
|
|
|
19 |
|
|
|
|
|
|
|
D |
|
|
|
|
|
|
|
D1 |
|
6 |
HL6 |
|
|
|
|
|
|||
|
|
V |
|
|
||
24 |
|
|
|
|
|
|
|
|
|
|
|
|
|
26 |
|
|
|
|
|
|
|
|
|
|
|
Y |
|
|
|
B1 |
SM |
|
11 |
|
|
|
|
1 |
|
||
|
|
|
|
|
12 |
|
|
|
B2 |
|
|
2 |
HG1 |
|
|
B3 |
|
|
13 |
|
|
|
|
|
3 |
|
|
|
|
B4 |
|
|
14 |
|
|
|
|
|
4 |
|
18A1
A2
17A3
A4
25 |
|
10 |
P0 |
D2 P |
HL1 |
20 |
|
5 |
|
|
HL5 |
21 |
|
4 |
|
|
HL4 |
22 |
|
3 |
|
|
HL3 |
23 |
|
2 |
|
|
HL2 |
Рис. 4 Схема платы П3 и ее подключения к основному блоку
13
3.1. Параллельный регистр.
3.1.1.Осуществить запись в регистр шестнадцатеричных цифр 0, 5, 9, С, Е. F. Контроль входной и выходной информации выполнять индикаторам.
3.1.2.Записать в регистр цифру А. Изобразить временную диаграмму записи цифры Е и осуществить ее запись.
3.2. Последовательный регистр.
3.2.1.Используя анод D, записать в регистр цифры 1, 4, В. D.
3.2.2.Изобразить временную диаграмму процедуры записи цифры 5 в последовательный регистр.
3.2.3.Завести в регистр цифру 1 и, соединив перемычкой выход со входом, наблюдать процесс перемещения 1 в закольцованном регистре.
3.2.4.Записать в регистр цифру А и, соединив выход со входом, превратить регистр в генератор прямоугольных импульсов. Нарисовать временные диаграммы.
3.3. Универсальный регистр.
3.3.1.Через параллельный вход занести цифру 8 и разделить ее на 4.
3.3.2.Аналогично цифру А разделить на 2.
3.3.3.Через параллельный вход занести цифру В и с помощью последовательного входа преобразовать ее в D и в 6.
Отчет о работе
Отчет должен содержать:
1.Рабочую схему, таблицу истинности и временную диаграмму записи кода для двухразрядного параллельного регистра.
2.Рабочую схему и временные диаграммы продвижения кода 101 в двухразрядном последовательном регистре.
3.Рабочую схему четырехразрядного регистра с органами управления
ииндикации.
4.Временные диаграммы записи цифры Е в четырехразрядный параллельный регистр.
5.Временные диаграммы записи цифры 5 в четырехразрядный послетельный регистр.
6.Временные диаграммы генератора прямоугольных импульсов на закольцованном регистре.
7.Объяснение процедуры и результата деления цифры А на 2.
Вопросы для самоконтроля
1.Возможность и целесообразность построения регистров на триггерах различных типов.
2.Принцип построения регистров, сдвигающих информацию вправо и
влево.
3.Деление и, умножение целых чисел с помощью сдвигающих регистров.
14
4. Описать процедуры записи, хранения, сдвига и стирания информации в универсальном регистре.
ЛАБОРАТОРНАЯ РАБОТА N 4
Исследование комбинационных устройств
Цель работы – исследование дешифратора, мультиплексора, демультиплексора, преобразователя двоично-десятичного кода в семисегментный. Исследования выполняются на сменной плате П4.
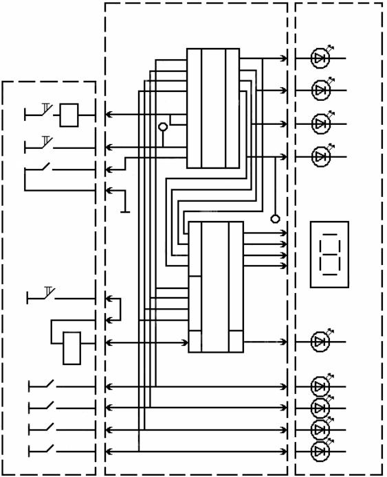
Описание сменной платы П4
Принципиальная схема платы изображена на рис. 5. Дешифратор-де- мультиплексор выполнен на ИМС D1 типа К155ИД4. В качестве мультиплексора используется К155КП5 (ИМС D2). ИМС D3 типа K155ТМ5 используется как регистр для хранения информации, записываемая по тактовому сигналу от кнопки SВ3.
Порядок выполнения работы
1. Исследование дешифратора.
Дешифратор на ИМС D1 при V=1 не работает, и на всех его выходах устанавливаются логические единицы (светодиоды HL2…HL5 светятся). Набирая разные коды тумблерами SА1...SA3 и включая да дешифратор кнопкой SB2, наблюдать его выходные сигналы на индикаторах. Результаты оформить в виде отдельной схемы дешифратора и таблицы результатов
2 Исследование мультиплексора.
В мультиплексоре на D2 адрес коммутируемого канала устанавливается регистром D3. Код адреса набирается тумблерами SA1...SA3 и "защелкивается" кнопкой SB3. Сигнал на вход мультиплексор подается с выхода дешифратора D1 при V=0. Поэтому тумблеры SA1...SA3 совместно с SВ2 задают также входной код мультиплексора. Установив с помощью D3 какой-либо адрес, при SB2=1 записать выходной код дешифратора и сигнал на выходе мультиплексора. Такую же информацию записать при SB2=0 (не изменяя адреса). В экспериментах перебрать все возможные адреса. Результаты оформить в виде таблицы.
Блок
управления
SB2
SA1
SA2
SA3
SA4
1
D4.5
SB3
15
П4
19 |
|
|
20 |
|
|
21 |
2 |
|
3 |
||
|
||
22 |
4 |
|
5 |
||
|
||
|
6 |
|
23 |
7 |
|
|
8 |
|
24 |
9 |
|
26 |
|
|
25 |
|
17
18
|
|
|
|
|
|
|
|
|
|
Блок индикации |
V DC |
|
|
|
|
|
|
|
|
|
|
0 |
|
|
2 |
|
|
|
|
|
||
|
|
3 |
|
|
|
|
|
|||
|
|
1 |
|
|
|
|
|
|
|
|
|
|
|
4 |
2 |
2 |
|
||||
A1 |
|
2 |
|
|
HL2 |
|||||
|
|
|
5 |
|
|
|
|
|||
A2 |
|
3 |
|
|
|
|
|
|
|
|
|
|
|
6 |
|
3 |
3 |
|
|||
A3 |
|
4 |
|
|
|
HL3 |
||||
|
|
|
7 |
|
|
|
|
|||
|
|
5 |
|
|
|
|
|
|
|
|
|
|
|
|
8 |
4 |
4 |
|
|||
|
|
6 |
|
|
HL4 |
|||||
|
|
|
|
9 |
|
|
|
|
||
|
|
7 |
|
|
|
|
|
|
|
|
|
D1 |
|
|
|
5 |
5 |
HL5 |
|||
|
|
|
|
|
||||||
|
|
|
|
|
|
6 |
6 |
|||
|
|
|
|
|
|
HL6 |
||||
|
|
|
|
|
|
|
|
|
|
|
|
MX |
|
|
|
|
7 |
7 |
HL7 |
||
D0 |
|
|
|
|
|
|
|
|
||
|
|
|
|
|
|
|
|
|
|
|
D1 |
|
|
|
|
|
8 |
8 |
|
||
|
|
|
|
|
|
|
||||
D2 |
|
|
|
|
|
|
|
|
|
HL8 |
D3 |
|
|
|
|
|
9 |
9 |
|
||
D4 |
|
|
|
|
|
HL9 |
||||
|
|
|
|
|
|
|
|
|
||
D5 |
|
|
|
|
|
|
|
|
|
|
D6 |
|
|
|
|
|
10 |
10 |
HL1 |
||
D7 |
|
|
|
|
|
|
||||
|
|
|
|
|
|
|
|
|
|
|
1
2
3D2
D1 RG
D2
D3
CD3
11 |
|
12 |
|
13 |
HG1 |
|
|
14 |
|
15 |
|
Рис. 5 Схема платы П4 и ее подключение к основному блоку
3.Исследование демультиплексора.
Демультиплексор реализуется на ИМС D1. Информация по одноканальной линии передачи данный поступает на вход V, а снимается с одного из восьми выходов, адрес которого определяется тумблерами SA1...SA3. Набирая различные коды каналов, осуществлять передачу информации от ключа SB2 к индикаторам. Изобразить структуру линии