Материал: 843

Внимание! Если размещение файла нарушает Ваши авторские права, то обязательно сообщите нам

 

N4

2

 

 

NП2

N5

 

NП3

N6

 

 

 

 

 

 

 

 

 

 

 

 

 

 

 

 

 

N7

1

N9

N8

3

 

 

 

N3

 

N1

N2

 

 

N12

 

 

N11

NП1

 

NП4

 

 

N10

4

Рис.2.1. Схема разрешенных направлений движения на перекрестке: N1 N12 - транспортные потоки; NП - пешеходные потоки;

1 -номер подхода-выхода на перекрестке

Таблица 2.2

Интенсивность пешеходных потоков, чел./ч

Номер

 

 

 

Варианты заданий

 

 

 

Пото-

1

2

3

4

5

6

7

8

9

0

ка

 

 

 

 

 

 

 

 

 

 

NП1

-

100

200

900

-

900

-

200

100

-

NП2

200

-

-

100

200

200

200

-

900

900

NП3

100

100

900

100

-

-

900

-

200

100

NП4

900

200

100

100

900

-

-

900

-

100

Указания к выполнению задания

Пример выполнения данного задания контрольной работы представляется ниже на Т- образном перекрестке.

16

Первым шагом является составление схемы разрешенных направлений движения с нанесением на нее цифрограммы интенсивности потоков в соответствии с заданием (рис. 2.2).

 

2

500

400

 

 

100

1300

500

800

 

800

1

 

600

 

 

1200

400

800

 

800

3

Рис. 2.2. Схема разрешенных направлений движения

 

и цифрограмма заданных потоков

 

б

 

NП2

 

N4

NП3

 

N8

 

N2

 

 

 

 

 

 

N3

 

 

 

 

 

 

 

 

 

 

 

 

 

 

 

 

 

 

 

 

 

 

 

 

 

 

 

 

 

 

 

 

 

 

 

 

 

 

 

 

 

 

 

 

 

 

 

 

 

 

 

 

 

 

 

 

 

 

 

 

 

 

 

 

 

 

 

 

 

 

 

 

 

 

 

 

 

 

 

 

 

 

 

 

 

 

 

 

 

 

 

 

 

 

 

 

 

 

 

 

 

 

 

 

 

 

 

 

 

 

Рис. 2.3. Пофазная организация движения на перекрестке: а- первая фаза; б- вторая фаза

17

Далее на основании цифрограммы определяется необходимая ширина проезжей части подходов и выходов из перекрестка в виде числа полос. В данном случае на первом подходе и выходе необходимо иметь по три полосы в каждом направлении, на третьем – по две полосы, а на втором достаточно назначить по одной полосе. При определении числа полос необходимо ориентироваться на то, что по одной полосе при светофорном регулировании за час можно пропустить только 500 единиц транспорта (величина принимается условно для решения данной задачи).

На случай выключения светофоров необходимо организовать поочередное движение потоков при помощи знаков приоритета. Порядок их установки приведен в ГОСТ 23457-86.

На рис. 2.3 показана пофазная организация движения потоков. Составление схем пофазного пропуска транспортных и пешеходных потоков выполняется с целью уменьшения числа конфликтов на перекрестке. Для этого все разрешенные потоки необходимо объединить в минимальное число групп неконфликтующих или допустимо конфликтующих потоков. Число групп будет равняться количеству фаз светофорного регулирования. В одной фазе пропускают обычно потоки со встречных подходов одной улицы. В этой же фазе парал-

лельно транспортным средствам движутся пешеходы. Поворачивающие транспортные потоки с суммарной интенсивно-

стью более 120 ед./ч и конфликтующий с ними пешеходный поток интенсивностью 900 и более чел./ч должны пропускаться поочередно, т.е. в разных фазах. Это достигается с использованием пешеходных светофоров.

Во второй фазе левоповорачивающий поток движется на дополнительную секцию. Светофоры, запрещающие движение, заштриховываются.

18

2.4

 

4.1.2

5.16

5.16

Св.2.

 

2.1

 

3.18.1

 

5.16

 

Св.3.

1.18

1.3

1.12

 

 

1.16

 

1.6

1.1

1.14.1

 

1.5

 

 

 

Св.1.

Св.4.

2.1

5.16

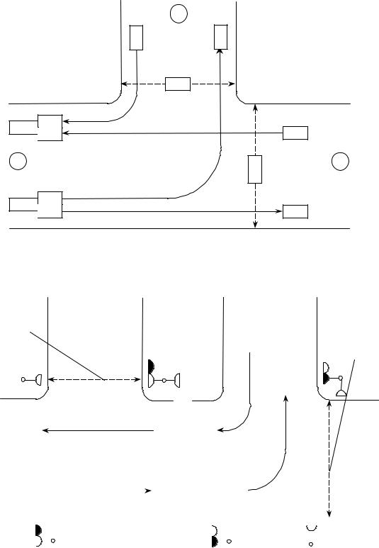
Рис. 2.4. Размещение технических средств регулирования

Размещение технических средств регулирования на перекрестке основывается на принятой организации движения. На схеме размещения технических средств регулирования все знаки и дорожная разметка маркируются в соответствии с ГОСТами (рис. 2.4).

Литература [ 2, 4, 5 ].

19

III. ЛАБОРАТОРНЫЕ РАБОТЫ

Задание 1. Оценка условий движения на перекрестке

Цель работы: приобретение навыков в обследовании и документальном оформлении условий движения транспорта и пешеходов на перекрестке.

Общие положения

Задание выполняется посредством визуального обследования перекрестка на улично-дорожной сети города с последующим оформлением отчета. Один перекресток обследует группа студентов из 4-6 человек. Составленные на дороге протоколы оформляются группой в общий отчет с защитой работы на очередном занятии. Отчет рекомендуется оформлять в школьной тетради. В содержании отчета указываются фамилии студентов, выполнявших конкретные пункты задания. Первой страницей отчета должно быть его "Содержание" отражающее объем выполненной работы (образец "Содержания" приведен ниже). Для получения зачета по лабораторной работе студент защищает отчет в полном объеме задания 1.

Содержание отчета (образец):

1.Составление схемы перекрестка. Выполнили: Иванов, Пуговкин.

2.Оценка условий движения на подходах. Выполнили: Крамаров, Светов.

3.Подсчет интенсивности транспортных и пешеходных потоков. Выполнили: Иванов, Светов.

4.Составление схем пофазного движения через перекресток. Выполнили: Пуговкин, Дудник.

5.Оценка задержки транспорта на подходах. Выполнили: Иванов, Светов, Дудник, Огурцов.

6.Расчет переходных интервалов. Выполнили: Дудник, Огурцов.

7.Построение графика режима работы светофорной сигнализации. Выполнил: Крамаров.

Методические рекомендации к выполнению задания

1. Схема перекрестка выполняется без масштаба на весь лист бумаги. На схеме должны быть отображены: геометрические параметры проезжих частей, название улиц, городской ориентир для привязки в

20