Материал: 4729

Внимание! Если размещение файла нарушает Ваши авторские права, то обязательно сообщите нам

регулирующего клапана 20. Изменение частоты работы насоса и степень открытия регулирующего клапана так же могут изменяться как в автоматическом режиме, так и вручную либо с рабочей станции, либо с помощью задатчиков 13 и 14 типа РЗД-22, установленных на щите управления. Объектом управления является верхний бак. Нижний бак выполняет функции резервуара с водой, в котором установлен ТЭН 29,

предназначенный для нагрева воды.

Принцип работы системы автоматического регулирования уровня воды в баке следующий: сигнал с уровнемера поступает на микропроцессорный контроллер, а затем идѐт на рабочую станцию, с которой осуществляется дистанционное управление объектом регулирования, задаются установки и заданное значение уровня в баке. В соответствии с заданными параметрами контроллером вырабатывается управляющее воздействие либо на частотный регулятор насоса, либо на исполнительный механизм в зависимости от выбранного способа регулирования уровня.

Рабочая станция представляет собой сенсорную панель 8 типа PC 677B Touch со SCADA-пакетом WinCC Flexible. SCADA-пакет WInCC Flexible

позволяет решать задачи управления динамическим объектом, отображать все измеряемые параметры на одном экране, а также строить зависимости изменения этих параметров во времени.

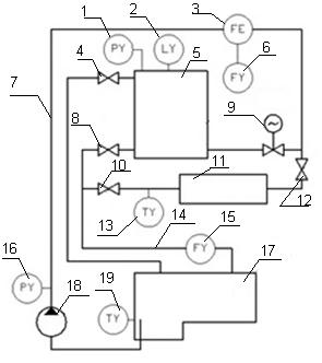
Принцип работы лабораторной установки следующий: вода с помощью насоса 18 по подающему трубопроводу 7 подаѐтся из нижнего бака 17 (рис. 2), выполняющего функции резервуара, в верхний бак 5, который является объектом регулирования. Дросселирование потока воды на подаче в бак осуществляется либо с помощью изменения частоты вращения насоса, либо посредством регулирующего клапана с исполнительным механизмом 9.

Расход воды на подаче измеряется методом переменного перепада давлений,

для чего установлено сужающее устройство 3, а также измерительный преобразователь дифференциального давления 6. Расход воды на сливе

6

измеряется с помощью электромагнитного расходомера 15, установленного на сливном трубопроводе 14. Для измерения тепловой энергии на учебно-

исследовательской установке смонтирован радиатор 11, а так же два измерительных преобразователя температуры – 13 и 19, измеряющие соответственно температуру за радиатором и в нижнем баке. Разность этих температур, помноженная на расход воды, даѐт тепловую энергию в ккал.

Нагрев воды осуществляется с помощью ТЭНа, установленного в нижнем баке (на схеме не показан). Контур радиатора может быть отключѐн: для этого надо перекрыть ручные вентили 10 и 12. Вентиль 4 служит для стравливания избыточного давления внутри бака. С помощью вентиля 8

осуществляется дросселирование потока воды на сливе из бака.

Рис. 2 Упрощѐнная функциональная схема учебно-исследовательской установки

На схеме: 1 – измерительный преобразователь давления в верхнем баке, 2 – ультразвуковой уровнемер; 3 – сужающее устройство; 4, 8, 10, 12 –

ручные вентили; 5 – верхний бак-объект регулирования; 6 – измерительный

7

преобразователь дифференциального давления; 7 – подающий трубопровод; 9 – регулирующий клапан с исполнительным механизмом; 11 – радиатор; 13

– измерительный преобразователь температуры за радиатором; 14 – сливной трубопровод; 15 - электромагнитный расходомер; 16 – манометр; 17 –

нижний бак-резервуар; 18 – насос; 19 – измерительный преобразователь температуры в нижнем баке.

2 ЗАПУСК И ОТКЛЮЧЕНИЕ УСТАНОВКИ

1. Для включения учебно-лабораторной установки повернуть переключатель питания 2, расположенный в верхней левой части щита, слева от контроллеров, в положение «Вкл» (рис. 3):

Рис. 3 Переключатель питания

2.На лицевой панели щита с оборудованием одновременно будут включены в работу следующие устройства:

2.1.Регистратор PMT 69L (Рис. 4)

Рис. 4 Регистратор РМТ 69 L

8

2.2. Измерительные приборы SITRANS RD200, показывающие температуру воды за радиатором (рисунок 5а) и в нижнем баке (рис. 5, б)

а)б)

Рис. 5 Показывающие приборы SITRANS RD 200

2.3. Контроллеры SIMATIC S7 300 (рисунок 6а) и SIMATIC S7 200

(Рис. 6, б)

а) б)

Рис. 6 Контроллеры а) SIMATIC S7 300 и б) SIMATIC S7 200

2.4. Рабочая станция PC 677B Touch, представляющая собой персональный компьютер с сенсорным дисплеем, а так же функцией сервера.

На ней остановимся подробнее.

Загрузку рабочей станции можно считать оконченной, когда полностью прогрузится SCADA-пакет и все значения параметров на экране рабочей станции сменят свой вид с «решѐток» на числовой. Проект, созданный в

WinCC Flexible для учебно-исследовательской установки имеет 3 основных экрана, на которых ведѐтся работа.

Стартовым экраном SCADA-пакета является экран «Процесс» (Рис. 7).

На нѐм изображена мнемосхема объекта регулирования с измерительным оборудованием. Справа от неѐ, а так же под ней находятся органы управления основным и вспомогательным оборудованием; индикатор управления, показывающий, какой из режимов выбран – местное или

9

автоматическое; поля задания уставок по уровню и разнице расходов, а также для ввода параметров настройки регуляторов регулирующего клапана и насоса. В правой нижней части экрана находится мини-экран «Тренды», на котором отображены текущие значения уставки по уровню в верхнем баке,

уровня в верхнем баке, а также процент открытия регулирующего клапана либо частота вращения насоса в зависимости от выбранного способа регулирования. Над мнемосхемой находятся кнопки выбора отображаемого экрана. В правом нижнем углу находятся кнопки выхода из программы, а

также печати. В верхнем правом углу имеются часы, а также текущая дата.

Рис. 7 Стартовый экран «Процесс»

10