Материал: 4643

Внимание! Если размещение файла нарушает Ваши авторские права, то обязательно сообщите нам

6

Дано: F1 =1000 кН;F2 = 1200 кН; F3 = 600 кН; a = 1,0 м; b = 0,8 м; c = 1,2 м;

Е 2 105 МПа 2 106 кгс / см2 ; adm 160МПа 1600 кгс / см2 .

1

6

 

2

7

 

3 8

4 9

7

5 0

Рис. 1.1. Расчетные схемы стержней

 

 

 

 

 

 

 

 

 

Таблица 1.1

 

 

 

 

 

 

 

 

 

 

 

А12

F1

F2

F3

а=d

b

с

F4

Поперечное

 

стр.

 

 

 

 

 

 

 

 

сечение

 

 

 

кН

 

 

м

 

кН

 

 

 

 

 

 

 

 

 

 

 

 

 

 

 

 

 

 

 

1

0,9

1100

1000

2300

1,0

0,9

1,1

1090

 

 

 

 

 

 

 

 

 

 

 

 

 

2

0,8

1200

1250

2400

1,2

0,8

1,7

1280

 

 

 

 

 

 

 

 

 

 

 

 

 

3

0,7

1300

1150

2800

1,3

0,7

1,8

1370

 

 

 

 

 

 

 

 

 

 

 

 

 

4

0,6

1400

900

2700

1,4

0,6

1,9

1460

 

 

 

 

 

 

 

 

 

 

 

 

 

5

0,5

1500

800

2600

1,5

0,5

1,6

1550

 

 

 

 

 

 

 

 

 

 

 

 

 

6

0,6

1600

700

2500

0,9

1,0

2,1

1640

 

 

 

 

 

 

 

 

 

 

 

 

 

7

0,7

1700

600

2350

0,8

1,2

2,3

1730

 

 

 

 

 

 

 

 

 

 

 

 

 

8

8

 

0,8

 

 

1800

500

1350

0,7

1,3

2,2

1820

 

 

 

 

 

 

 

 

 

 

 

 

 

 

 

 

 

 

 

 

 

 

 

 

9

 

0,9

 

 

 

1900

1100

1250

0,6

1,4

2,1

1910

 

 

 

 

 

 

 

 

 

 

 

 

 

 

 

 

 

 

 

 

 

 

 

 

 

 

 

 

 

 

 

 

 

 

 

 

 

 

 

 

 

 

 

 

 

 

 

 

 

 

 

0

 

0,5

 

 

2000

400

2250

0,5

1,5

2,0

2190

 

 

 

 

 

 

 

 

 

 

 

 

 

 

 

 

 

 

 

 

 

 

 

 

 

 

 

 

 

 

 

 

 

 

 

 

 

 

 

 

 

 

 

 

 

д

 

 

 

е

д

е

д

е

д

д

 

 

е

 

 

 

 

 

 

 

 

 

 

 

 

 

 

 

 

 

 

 

 

 

 

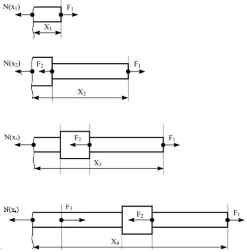
1. Соблюдая масштаб, вычерчиваем заданную схему стержня с приложен-

ными нагрузками и проставляем их числовые значения (рис. 1.2, а).

 

 

 

 

 

 

 

 

 

 

 

 

 

 

 

 

2.

Изображаем ре-

 

 

 

 

 

 

 

 

 

 

 

 

 

акцию R в защем-

 

 

 

 

 

 

 

 

 

 

 

 

 

лении и определя-

 

 

 

 

 

 

 

 

 

 

 

 

 

ем

ее

величину,

 

 

 

 

 

 

 

 

 

 

 

 

 

проектируя все си-

 

 

 

 

 

 

 

 

 

 

 

 

 

лы, приложенные к

 

 

 

 

 

 

 

 

 

 

 

 

 

стержню, на ось X,

 

 

 

 

 

 

 

 

 

 

 

 

 

совпадающую

с

 

 

 

 

 

 

 

 

 

 

 

 

 

осью стержня:

 

 

 

 

 

 

 

 

 

 

 

 

 

 

 

 

 

Fix 0;

 

 

 

 

 

 

 

 

 

 

 

 

 

 

 

 

F1 F2 F3

 

 

 

 

 

 

 

 

 

 

 

 

 

 

 

 

R 0;

 

 

 

 

 

 

 

 

 

 

 

 

 

 

 

 

R F1 F2

 

 

 

Рис. 1.2. Эпюры продольных сил и нормальных

 

F3

1000

 

 

 

 

 

 

 

 

 

 

напряжений

 

 

 

 

1200 600

 

 

 

 

 

 

 

 

 

 

 

 

 

 

 

 

400 кН .

 

 

Знак «+» у R указывает на то, что направление реакции выбрано правильно. 3. Для определения значений продольных сил на каждом участке, применяем метод сквозного разреза (сечений). Для этого в произвольном месте на первом

участке проведем сечение перпендикулярно оси стержня и рассмотрим условие

9

равновесия правой части (рис.1.2). Действие отброшенной части на оставшуюся заменяем внутренней продольной силой N(x).

Продольную силу N лучше всегда изображать растягивающей, т.е. направленной по нормали от рассматриваемого сечения. В этом случае полученный в результате решения уравнений равновесия статики знак N автоматически отразит действительный характер деформации: плюс – растяжение, минус – сжатие.

Проведем сечения на 4 участках и рассмотрим равновесие частей стержня (рис. 1.2). Составим уравнения равновесия для каждого участка (рис. 1.2):

Fix 0; F1 N( x1 ) 0;

N( x1 ) F1 1000кН (растяжение).

Fix 0; F1 F2 N( x2 ) 0;

N ( x2 ) F1 F2 (сжатие).1000 1200 200 кН

Fix 0;

F1 F2 N ( x3 ) 0;

N ( x3 ) F1 F2

1000 1200 200 кН

(сжатие).

Fix 0;

F1 F2 F3N ( x4 ) 0;

N( x4 ) F1 F2 F3 1000 1200 600 400кН (растяжение).

10

Строим эпюру продольных сил, т. е. график изменения N по длине стержня. Величину продольной силы на всех участках откладываем перпендикулярно оси эпюры с учетом знака и в одном масштабе (рис. 1.2).

4. Подбор размеров поперечного сечения (рис. 1.3) производится по критерию прочности:

 

max

 

 

 

N max

 

 

 

adm

.

 

 

 

 

Aнеоб.

 

 

 

 

 

 

 

 

 

 

 

 

 

 

 

 

 

 

 

 

Производим расчёт площади поперечного сечения того участка, где действует наибольшая продольная сила, в данном примере участок с площадью А1.

Aнеоб .

 

 

 

 

1000 кН

 

1000 102 кгс

62,5 см2 ;

 

 

Nmax

 

 

 

 

 

 

 

 

 

 

 

1

 

 

adm

 

 

 

160 МПа

 

1600 кгс / см2

 

 

 

 

 

 

 

А 2а а 2а 2 .

Основание а1необ. равно:

 

 

 

 

 

 

 

 

 

 

 

 

 

 

 

 

 

 

 

 

 

 

 

 

 

 

 

 

 

 

анеоб .

 

 

 

А

 

 

 

 

62,5

 

5 ,59 см ,

 

 

 

 

 

 

 

 

 

 

1

 

 

 

 

2

 

 

 

 

 

2

 

 

 

 

 

 

 

 

 

 

 

 

 

 

 

 

 

 

 

 

 

 

 

 

 

 

 

 

 

Принимаем афакт. 5 ,5 см.

 

 

 

 

 

 

 

 

 

 

 

 

1

 

 

 

 

 

 

 

 

 

 

 

 

Рис. 1.3. Поперечное сечение -

 

 

 

 

 

 

 

 

 

 

 

 

 

 

 

 

 

 

 

 

 

 

 

 

 

 

 

 

 

 

 

 

 

 

 

 

 

 

 

 

 

 

 

 

 

 

 

 

 

прямоугольник

Тогда Афакт. 2 2 5,52

60,5 см2 .

 

 

 

 

 

1

 

 

 

 

 

 

 

 

 

 

 

 

 

 

 

 

 

 

 

 

 

 

max

 

 

 

 

Nmax

 

 

 

 

1000 102 кг

1652,9

кгс

.

 

 

 

 

 

 

 

 

 

 

 

 

 

 

 

 

 

 

 

 

 

 

 

 

 

 

 

 

Aфакт.

 

 

 

60 ,5 см2

 

 

см2

 

 

 

 

 

 

 

 

 

Определяем перегрузку (недогрузку):

 

 

max adm 100 %

1652,9 1600

 

100 % 3,3 %.

 

 

 

 

 

adm

 

 

 

 

 

 

 

1600

 

 

 

 

Перегрузка (недогрузка) не должна превышать 5%, условие выполняется.