а |
б |
в |
г |
Р с. 2.14. Основные схемы внутриквартирных лестниц: |
|
||
а – одномаршевая; б – двухмаршевая; в – трехмаршевая; г – винтовая |
|||
Конструкц я лестн ц состоит из маршей (наклонных плоскостей |
|||
со ступенчатыми поверхностями), межэтажных и этажных площа- |
|||
док. Для безопасного хождения марши ограждаются перилами высо- |
|||
той не менее 0,9 м в соответствии с п. 7.3 работы [1]. В свою очередь |
|||
лестничный марш состоит из ступней, косоуров (балок, располагае- |
|||
мых под ступенями) ли тетив (балок, примыкающих к ступеням). |
|||
Горизонтальная плоскость ступени называется проступью, а верти- |
|||
кальная – подступенком. |
|
|
|
Лестницы могут |
ыть выполнены из металла, железобетона и де- |
||
рева, могут быть монолитными или сборными (из мелкоразмерных |
|||
или крупноразмерных элементов). |
|
|
|
Для удобства пользования лестницей необходимо, чтобы высота |
|||
ширина ступени соответствовали нормальному шагу человека, ко- |
|||
торый равен примерно 600 мм. Исходя из этого, ширина ступени b |
|||
плюс удвоенная высота ступени h в сумме должны составлять 600 мм, |
|||
т.е. |
b + 2h = 600 мм. |
|
|
|
|
|
|
Ширина ступени должна быть равна длине ступни человека, т.е. |
|||
не менее 250 мм, а высота ступени – не более 180 мм. Уклон лестнич- |
|||
ных маршей определяется как отношение высоты ступени h к ее ши- |
|||
СибАДИ |
|||
рине b. Общепринятый уклон лестниц 1:2 (т.е. подступенок высотой |
|||
150 мм и проступь шириной 300 мм). Однако внутриквартирные ле- |
|||
стницы могут изготовляться со следующими уклонами и размерами |
|||
ступеней соответственно: 1:1,75 (165 285); 1:1,5 |
(270 180); |
||
1:1,25 (195 255). Число подъемов в одном лестничном марше или на |
|||
перепаде уровней должно быть не менее 3 и не более 18. Высота про- |
|||
хода между лестничным маршем и перекрытием второго этажа долж- |
|||
на быть не менее 2 м. Минимальная ширина лестничного марша, ко- |
|||
|
31 |
|
|
торый используется в жилых зданиях, – 0,9 м, расстояние между смежными маршами – 100 мм. Ширина межэтажных и этажных площадок – не менее чем ширина лестничного марша. С целью безопасной эксплуатации лестницы должны быть освещены естественным светом.
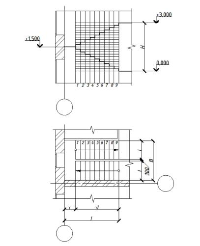
Для определения размеров лестницы и проема в перекрытии под СибАДИлестницу необходимо выполнить расчет. В качестве примера рассмотр м расчет двухмаршевой лестницы П-образной формы в плане.
Для этого необход мо предварительно задаться высотой этажа (Н = 3 м), отметкой межэтажной площадки (+1,500), шириной марша (l = 0,9 м), ш р ной межэтажной площадки (с = 0,9 м) уклоном лестницы (1:2, т.е. пр н мается ступень 150 300 мм).
Ш р на лестн чной клетки В равна суммарной ширине обоих маршей плюс промежуток междуними, равный 100 мм, т.е.
B = 2 · l + 100 = 2 · 900 + 100 = 1900 мм.
Высота одного марша удет равна Н/2 = 3000/2 = 1500 мм, что соответствует отметке межэтажной площадки.
Число подступенков n в одном марше составляет n = 1500/150 = 10 шт.
Число проступей в одном марше будет на единицу меньше числа подступенков, т.к. верхняя проступь располагается на лестничной площадке:
n – 1 = 10 – 1 = 9 шт.
Длина горизонтальной проекции марша d, называемая его заложением, будет определяться как
d = 300 · (n – 1) = 300 · (10 – 1) = 2700 мм.
Полная длина лестничной клетки
L = d + c = 2700 + 900 = 3600 мм.
Графическое построение лестницы производят следующим образом: высоту этажа делят на число частей, равное числу подступенков лестницы, и через полученные точки проводят горизонтальные пря-
32
мые. Затем горизонтальную проекцию (заложение марша) делят на число проступей без одной и через полученные точки проводят вертикальные прямые. По полученной сетке вычерчивают профиль лест-
ницы (рис. 2.15).
СибАДИРис. 2.15. Построение двухмаршевой лестницы жилого дома
Большое значение для квартир в двух уровнях имеет расположение внутриквартирной лестницы (рис. 2.16). Одномаршевую лестницу целесообразно располагать вдоль плит перекрытий или вдоль несущих балок перекрытий (рис. 2.17, а). При расположении лестницы перпендикулярно плитам или балкам последние должны опираться на дополнительную опору – стену или ригель (рис. 2.17, б). Двухмаршевые лестницы (рис. 2.17, в) усложняют конструктивную схему, так как при этом требуется применение дополнительных типоразмеров плит или балок.
33
СибАДИРис. 2.16. Типы размеры внутриквартирных лестниц:
а – одномаршевые с прямыми и забежными ступенями; б – то же двухмаршевые; L – длина марша; а – ширина проступи;
h – высота подступенка
а |
б |
в |
Рис. 2.17. Схемы размещения внутриквартирных лестниц
взависимости от системы укладки и конструкций перекрытий:
а– вдоль плит; б – перпендикулярно плитам или балкам;
в– вдоль балок (двухмаршевая лестница); 1 – стена или ригель
34
Крыша – часть здания, ограждающая его сверху от наружной среды. Крыши обеспечивают восприятие нагрузок, защиту от атмосферных осадков, необходимую теплозащиту и являются архитектур-
ным элементом здания. |
|
СибАДИ |
|
Крыши бывают скатные и плоские. Скатные крыши состоят из |
|
несущ х элементов (стропильная система) и кровли (рубероид, ши- |
|
фер, череп ца |
др.). |
Формы чердачных скатных крыш определяются очертаниями |
|
здания в плане |
стремлением к архитектурной выразительности. |
Крыши могут быть односкатными, двускатными (наиболее часто применяемые), четырехскатными (шатровыми, вальмовыми, полувальмовыми) многоскатными. Основные формы чердачных скатных крыш см. на с. 91 ра оты [26]. Для освещения и вентиляции чердачного пространства на крыше должны быть предусмотрены слуховые окна, расположенные на расстоянии 1 – 1,2 м от верха утеплителя чердачного перекрытия.
Все элементы крыши о означены на рис. 2.18 а, б.
Несущие конструкции крыши состоят из стропил, выполненных из бревен, брусьев или досок. Вы ор схемы стропил крыши производится в зависимости от ширины здания и характера расположения внутренних стен (опор) в соответствии с планом кровли.
Основные элементы стропильной системы крыши: лежень, мау-
эрлат, стойка, коньковый прогон, стропильная нога, подкос, схватка.
Конструкция стропил зависит от формы крыши, наличия и расположения внутренних опор, величины перекрываемого пролета и расположения чердачного перекрытия.
В большинстве гражданских зданий имеются внутренние опоры, расположенные через 4 – 7 м, на которые опирается чердачное перекрытие. В этих случаях, как правило, применяются наиболее простые, так называемые наслонные стропила, элементы которых работают как балки. Если промежуточных опор в здании нет, то применяются висячие стропила, представляющие собой простейший вид стропильной фермы, где наклонные стропильные ноги передают распор на горизонтальную затяжку.
35