Материал: 2461

Внимание! Если размещение файла нарушает Ваши авторские права, то обязательно сообщите нам

Продолжение табл. П.1

1

2

Гидромотор регулируемый с ре-

версивным потоком

Гидроцилиндр двухстороннего действия с односторонним штоком

 

 

 

 

 

 

 

 

 

 

 

 

 

 

 

 

 

 

 

 

 

 

 

 

 

Гидроцилиндр одностороннего

 

 

 

Д

 

 

 

 

 

 

 

 

 

 

 

 

 

 

А

И

 

 

 

 

 

 

действия поршневой (без указания

 

 

 

 

 

 

 

 

 

 

способа возврата штока)

б

 

 

 

 

 

 

 

 

 

 

 

 

 

 

 

 

 

 

 

 

 

 

 

 

 

 

 

 

 

 

 

 

 

 

 

 

 

 

 

 

 

 

 

 

 

 

 

 

 

 

 

 

 

 

 

 

 

 

 

 

 

 

 

 

 

 

 

 

 

 

 

 

 

 

 

 

 

 

 

 

 

 

 

 

 

 

 

 

 

 

 

и

 

 

 

 

 

 

 

 

 

 

 

 

 

 

 

 

 

 

 

 

 

 

 

 

 

 

 

 

 

 

 

 

 

 

 

 

 

 

 

 

 

 

 

 

 

 

 

 

 

 

 

 

 

 

 

 

 

 

 

 

 

 

 

 

 

 

 

 

 

 

 

С

 

 

 

 

 

 

 

 

 

 

 

 

 

 

 

 

 

 

 

 

 

 

 

 

Гидроцилиндр одностороннего

 

 

 

 

 

 

 

 

 

 

 

 

 

 

 

 

 

 

 

 

 

 

 

действия поршневой (с возвратом

 

 

 

 

 

 

 

 

 

 

 

 

 

 

 

 

 

 

 

 

 

штока пружиной)

 

 

 

 

 

 

 

 

 

 

 

 

 

 

 

 

 

 

 

 

 

 

 

 

 

 

 

 

 

 

 

 

 

 

 

 

 

 

 

 

 

 

 

 

 

 

 

 

 

 

 

 

 

 

 

 

 

 

 

 

 

 

 

 

 

 

 

 

 

 

Гидроцилиндр телескопический с

 

 

 

 

 

 

 

 

 

 

 

 

 

 

 

 

 

 

 

 

 

 

 

 

 

 

 

 

 

 

 

 

 

 

 

 

 

 

 

 

 

 

 

 

односторонним выдавливанием

 

 

 

 

 

 

 

 

 

 

 

 

 

 

 

 

 

 

 

 

 

 

 

 

 

 

 

 

 

 

 

 

 

 

 

 

 

 

 

 

 

 

 

 

 

 

 

 

 

216

 

 

 

 

 

Продолжение табл. П.1

1

 

 

 

 

2

Поворотный гидродвигатель

 

 

 

Клапан напорный

 

 

 

 

 

(предохранительный или перелив-

 

 

ной)

 

 

 

 

 

Гидрораспределитель трехпозици-

 

И

онный с ручным управлением

 

 

Гидрораспределитель трехпозици-

 

онный с электромагнитным управ-

Д

лением

 

 

 

 

 

 

 

Клапан обратный

 

 

А

 

 

б

 

 

 

 

 

 

 

и

 

 

 

Гидрозамок односторонний

 

 

 

С

 

 

 

 

Дроссель регулируемый

 

 

 

 

217

Окончание табл. П.1

1

2

Фильтр

Охладитель без указания подвода и отвода

Гидробак

 

 

 

 

И

 

 

 

 

Д

 

 

 

А

 

Аккумулятор пружинный гидрав-

 

 

лический

 

б

 

 

Расходомер

и

 

 

 

С

 

 

 

 

Термодатчик

 

 

 

 

Манометр

218

Присоединительные отверстия гидроаппаратов по ГОСТ 2424280 должны иметь следующие буквенные обозначения:

A,B,C,P,T – отверстия основного потока; X,Y – отверстия потока управления;

М – отверстие для манометра; L – дренажное отверстие.

Рекомендуемые обозначения отверстий основного потока: Р – отверстие для входа рабочей жидкости под давлением;

А,В – отверстия для присоединения к другим гидроустройствам; Т – отверстие для выхода рабочей жидкости в гидробак;

С – отверстие проточного канала специального гидрораспределителя.

 

 

 

 

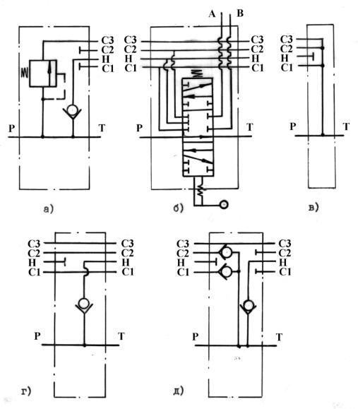
И

 

 

 

Д

 

 

А

 

 

б

 

 

и

 

 

 

С

 

 

 

 

Рис. П.1. Условные обозначения секций гидрораспределителя: а – напорная; б – рабочая трехпозиционная; в – сливная;

г, д – промежуточные

219

Приложение 2

Буквенные позиционные обозначения основных элементов гидропривода на принципиальных гидравлических схемах по ГОСТ 2.704–76

Устройство (общее обозначение)…………………………………

А

Гидроаккумулятор …………………………………………………

АК

Аппарат теплообменный …………………………………………..

АТ

Гидробак ……………………………………………………………

Б

Гидродвигатель поворотный ……………………………………

Д

Делитель потока ……………………………………………………

ДП

Гидродроссель ……………………………………………………...

ДР

 

Д

ЗМ

Гидрозамок …………………………………………………………

Гидроклапан ………………………………………………………..

К

А

 

Гидроклапан обратный ……………………………………………И

КО

Гидроклапан предохранительный ………………………………...

КП

б

 

КР

Гидроклапан редукционный ………………………………………

Гидромотор …………………………………………………………

М

Манометр …………………………………………………………...

МН

Насос ………………………………………………………………..

Н

Насос аксиально-поршневой ……………………………………...

НА

Насос-мотор ………………………………………………………..

НМ

Насос пластинчатыйи……………………………………………….

НМ

Насос радиально-поршневой ……………………………………...

НР

Гидрораспределитель ……………………………………………...

Р

ГидроаппаратСзолотниковый ……………………………………...

РЗ

Гидроаппарат клапанный ………………………………………….

РК

Регулятор потока …………………………………………………..

РП

Сумматор потока …………………………………………………...

СП

Термометр …………………………………………………………..

Т

Гидроусилитель …………………………………………………….

УС

Фильтр ………………………………………………………………

Ф

Гидроцилиндр ……………………………………………………...

Ц

220