Материал: 2416

Внимание! Если размещение файла нарушает Ваши авторские права, то обязательно сообщите нам

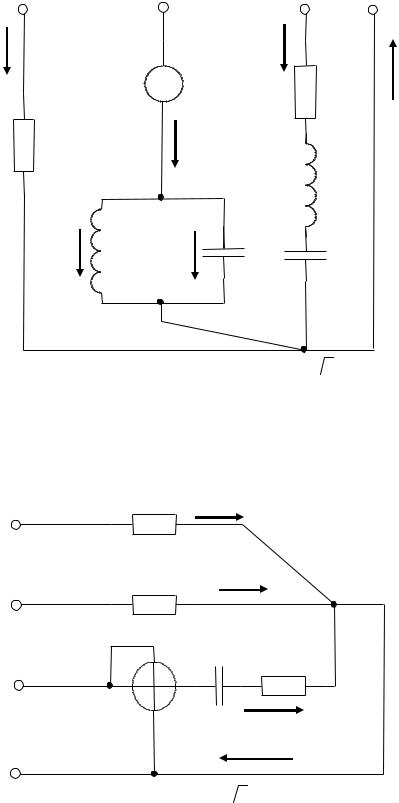
Вариант 15

 

 

XL1

 

IA

R1

 

IA1

A

A

 

 

 

R2

XL2

XC1

IA2

IB

XC2

 

B

 

 

 

 

R3

IR3

 

*

IC

*

 

C

 

W

 

R4

 

 

XC3

 

 

 

 

 

 

 

IR4

 

IN

 

 

N

 

 

 

 

Дано: R1=R2=40 3 Ом; R3=200 3 Ом; R4=50 3 Ом; XL1=40 Ом; XL2=60 Ом;

XС1=20 Ом; XС2=100 Ом; XС3=40 Ом; показания амперметра А составляют 2 А. Определить все токи, фазные и линейные напряжения, показания ваттметра

W, активную, реактивную, полную мощности. Построить векторную диаграмму.

 

 

 

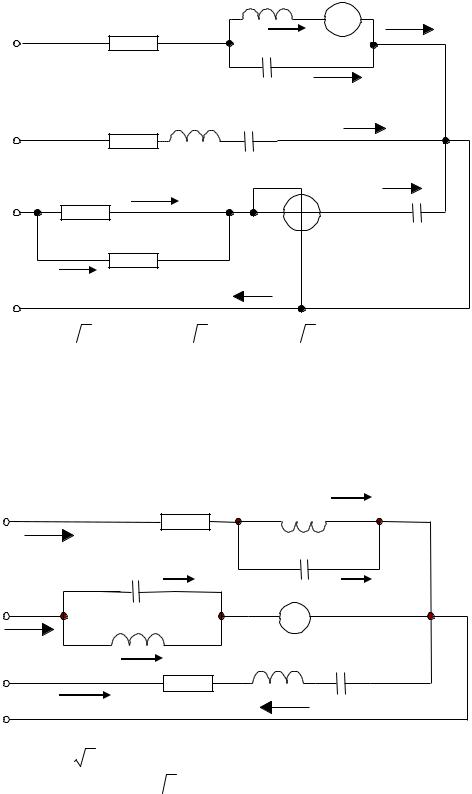
Вариант 16

 

 

 

 

R1

XL1

IL1

A

 

 

 

 

 

 

 

 

 

 

 

 

 

IA

C

IСВ

 

XC1

 

 

 

IС1

B

 

 

 

A

 

L

 

 

 

 

 

 

 

IB

I

 

XL3

XC3

C

 

 

IC

 

 

 

IN

N

 

R3

 

 

 

 

 

 

 

 

 

Дано: R1=R3=30 3 Ом; XL1=30 Ом; XL3=70 Ом; XС1=15 Ом; XС3=100 Ом;

L=0,1 мГн; С=104 мкФ; UЛ=300 3 В; показания амперметра А равны нулю. Определить частоту питающего напряжения f, все токи, фазные напряжения,

активную, реактивную, полную мощности. Построить векторную диаграмму.

350

Вариант 17

A

B

C

N

IA

 

IC

 

 

 

 

A

 

R3

 

 

IB

 

IN

R1

 

 

 

 

XL3

 

XL2

 

XС2

 

IC2

 

 

IL2

XC3

 

 

 

 

Дано: R1=R3=XL2=100 Ом; XL3=XС3=50 Ом; UЛ=300 3 В; показания амперметра А равны нулю.

Определить XC2, все токи, фазные напряжения, активную, реактивную, полную мощности. Построить векторную диаграмму.

Вариант 18

A

R1

IA

 

 

B

R2

IB

 

C

*

XC3

R3

*

 

 

 

 

 

 

 

W

IC

 

 

 

N

 

 

IN

 

 

 

Дано: R1=R2=20 Ом; R3=10 Ом; XС3=10 3 Ом; показания ваттметра W составляют 250 Вт.

Определить все токи, фазные и линейные напряжения, активную, реактивную, полную мощности. Построить векторную диаграмму.

351

Вариант 19

 

 

 

 

 

XC1

IA1

 

 

IA

 

 

 

 

 

 

 

 

 

 

 

 

 

A

 

 

 

XL1

R1

 

 

 

 

 

 

IA2

 

 

 

R2

 

XL2

XC2

 

IB

 

 

B

 

 

 

 

 

 

 

 

 

 

 

 

IC

 

 

C

 

 

 

 

 

 

Дано: R1=20 3 Ом; R2=

80

Ом;

XL1=20

Ом; XL2=

80

Ом; XС1=80 Ом;

XС2= 80

 

3

 

 

 

3

 

Ом; UЛ=160 В.

 

 

 

 

 

 

3

 

 

 

 

 

 

 

Определить все токи, фазные напряжения, активную, реактивную, полную

мощности. Построить векторную диаграмму.

 

 

 

 

 

 

Вариант 20

 

 

 

 

A

R1

 

 

IA

 

 

 

 

 

 

 

 

 

 

IB

*

*

R2

XL1

 

 

 

B

 

 

 

 

 

 

 

 

W

 

 

 

 

 

C

 

 

R3

XC1

 

 

 

 

 

 

 

 

 

 

 

 

 

 

 

IC

N

IN

Дано: R1=40 Ом; R2=R3=20 Ом; XL1=XС1=20 3 Ом; показания ваттметра W составляют 320 Вт.

Определить все токи, фазные и линейные напряжения, активную, реактивную, полную мощности. Построить векторную диаграмму.

352

 

 

Вариант 21

 

 

 

A

B

C

N

IA

IB

IC

 

IN

 

XL1

XL2

XL3

 

XC1

XC2

XC3

 

XL4

Дано: XL1=50 Ом; XL3=70 Ом; XL4=170 Ом; XС1=150 Ом; XС2=200 Ом;

UЛ=150 3 В; нагрузка симметрична.

Определить XL2, XС3, все токи, фазные напряжения, активную, реактивную, полную мощности. Построить векторную диаграмму.

Вариант 22

XL1

XC1

 

A

 

 

V

 

IA

 

 

R2

XL2

 

 

 

B

 

 

 

XC3

IB

R3

I

 

C

C

 

 

Дано: R2=R3=30 3 Ом; XL1=XL2=XС1=XС3=30 Ом; показания вольтметра V составляют 60 В.

Определить все токи, фазные и линейные напряжения, активную, реактивную, полную мощности. Построить векторную диаграмму.

353

 

 

 

Вариант 23

 

 

IA

 

R1

 

XL1

 

I1

 

 

 

 

 

 

 

A

 

 

 

 

 

 

 

 

 

 

R2

 

IB

XC1

I2

B

R3

 

 

 

 

 

 

 

 

 

 

 

 

 

 

 

 

C

XL3

XC3

 

 

IC

 

 

 

 

 

 

 

 

 

 

 

V

 

 

 

 

Дано: R1=R2=40 3 Ом;

R3=

80

Ом;

XL1=40

Ом; XL3=50 Ом; XС1=40 Ом;

 

 

 

3

 

 

 

 

XС3=50 Ом; UЛ=160 В.

Определить все токи, фазные напряжения, показания вольтметра V, активную, реактивную, полную мощности. Построить векторную диаграмму.

Вариант 24

A

B

C

 

 

A1

A2

 

 

 

R2

R3

IA

 

 

 

 

IC

 

 

 

 

 

IB

 

 

 

L

V1

 

 

C

V2

 

 

 

Дано: R2=R3=75 Ом; С =

1000

мкФ; UЛ=300 В; f=50 Гц; показания ампер-

 

π2

 

 

метров А1 и А2 одинаковы.

Определить L, все токи, фазные напряжения, показания вольтметров V1 и V2, активную, реактивную, полную мощности. Построить векторную диаграмму.

354