Вариант 5
A |
В |
C |
N |
IB |
IC |
|
IN |
IA |
|
|
|
R1 |
R2 |
R3 |
|
XC3
XL2 
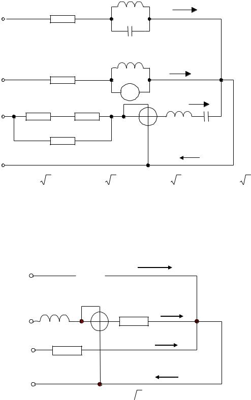
Дано: R1=40 Ом; R2=R3=20 Ом; XL2=XС3=20 |
3 Ом; UЛ=40 |
3 В. |
||
Определить все токи, фазные напряжения, активную, реактивную, полную |
||||
мощности. Построить векторную диаграмму. |
|
|
|
|
|
Вариант 6 |
|
|
|
A |
B |
C |
N |
|
IA |
IB |
|
IC |
|
|
|
|
|
|
|
R1 |
|
R3 |
IN |
|
|
|
|
|
XL2 XC2
V IL2
IC2
Дано: R1=R3=100 Ом; XL2=XС2=50 Ом; UЛ=300
3 В.
Определить все токи, фазные напряжения, показания вольтметра V, активную, реактивную, полную мощности. Построить векторную диаграмму.
345
Вариант 7
|
R1 |
|
|
XС1 |
IA |
|
|
|
|
||
A |
|
|
|
XL1 |
|
|
R2 |
|
|
XL2 |
IB |
B |
|
|
|
|
|
C |
R3 |
IR3 |
R4 |
XL3 |
XC3 |
|
|
|
|
|
|
* |
* |
R5 |
|
IC |
|
|
|
|
|
|
|
|
W |
|
IR5 |
|
IN |
|
|
|
|
||
N |
|
|
|
|
|
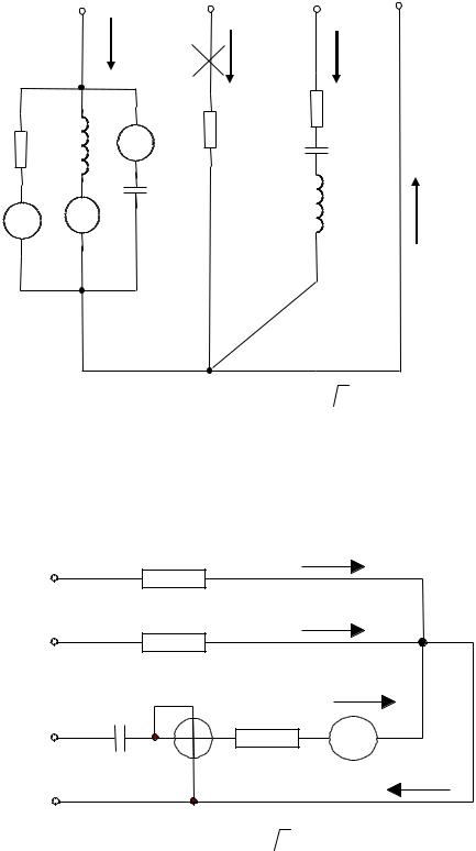
Дано: R1=R2=40 3 Ом; |
R3=50 |
3 |
Ом; R4=10 |
3 Ом; R5=120 3 Ом; |
|
XL1=20 Ом; XL2=40 Ом; XL3=90 Ом; XС1=40 Ом; XС3=50 Ом; UЛ=400
3 В.
Определить все токи, фазные напряжения, показания ваттметра W, активную, реактивную, полную мощности. Построить векторную диаграмму.
|
Вариант 8 |
|
|
A |
B |
C |
|
IA |
IB |
IC |
|
|
|
||
R1 |
|
R3 |
|
|
|
||
|
XL2 |
XC2 |
|
V |
IL2 |
||
IC2 |
|||
|
|
Дано: R1=R3=100 Ом; XL2=XС2=25
3 Ом, UЛ=200 В.
Определить все токи, фазные напряжения, показания вольтметра V, активную, реактивную, полную мощности. Построить векторную диаграмму.
346
Вариант 9
|
A |
|
B |
C |
N |
|
|
IA |
IB |
IC |
|
R1 |
|
|
R2 |
R3 |
|
XL1 |
|
|
|
||
|
A3 |
|
XC3 |
|
|
|
|
|
|
|
|
|
|
|
XC1 |
XL3 |
IN |
A1 |
A2 |
|
|
||
|
|
|
|
Дано: R1=R2=R3=10 Ом; XL3=XС3=20 Ом; UЛ=40
3 В; показания амперметров А1, А2 и А3 одинаковы; фаза В находится в обрыве.
Определить XL1, XC1, показания амперметров, все токи, фазные напряжения, активную, реактивную, полную мощности. Построить векторную диаграмму.
|
|
Вариант 10 |
|
|
|
R1 |
|
|
IA |
A |
|
|
|
|
|
|
|
|
|
B |
R2 |
|
|
IB |
|
|
|
|
|
|
XC3 |
|
|
IC |
C |
* |
R3 |
|
|
* |
|
|
A |
|
|
|
|
W |
IN |
N |
|
|
|
|
|
|
|
|
|
Дано: R1=R2=40 Ом; R3=10 Ом; XС3=10
3 Ом; показания амперметра А составляют 4 А.
Определить все токи, показания ваттметра W, фазные и линейные напряжения, активную, реактивную, полную мощности. Построить векторную диаграмму.
347
Вариант 11
|
|
IA |
|
|
XC1 |
IС1 |
|
|
|
|
|
|
|
|
|
|
|
|
|
|
A |
|
|
|
|
R1 |
|
|
|
|
|
|
|
|
|
|
|
|
|
|
|
|
|
|
XL1 |
|
|
|
|
|
|
|
|
|
|
IL1 |
|
|
|
|
B |
R2 |
XL2 |
XC2 |
IB |
|
|
|
|
|
|
|
|
|
|
|
|
||
|
|
|
|
|
|
|
|
|
|
|
C |
|
|
|
|
IC |
|
|
|
|
|
|
|
|
|
|
|
|
|
|
N |
|
|
|
|
|
IN |
|
|
|
|
|
|
|
|
|
|
|
|
Дано: R1=20 3 Ом; R2= |
80 |
Ом; |
XL1=20 |
Ом; XL2= |
80 |
Ом; |
XС1=80 Ом; |
||
XС2= 80 |
|
|
3 |
|
|
|
3 |
|
|
Ом; UЛ=100 В; фаза С находится в обрыве. |
|
|
|
||||||
3 |
|
|
|
|
|
|
|
|
|
Определить все токи, фазные напряжения, активную, реактивную, полную |
|||||||||
мощности. Построить векторную диаграмму. |
|
|
|
|
|||||
|
|
|
|
Вариант 12 |
|
|
|
|
|
|
|
A |
|
B |
|
C |
|
|
|
|
|
IA |
|
|
|
|
|
|
|
|
|
|
IB |
R2 |
IC |
R3 |
|
|
|
|
|
|
|
|
|
|
|
||
XL2
XC3
Дано: R2=R3= 20 Ом; XL2=XС3=20
3 Ом; UЛ=40 В.
Определить все токи, фазные напряжения, активную, реактивную, полную мощности. Построить векторную диаграмму.
348
Вариант 13
R1 |
|
XL1 |
IA |
|
|
|
|
||
A |
XC1 |
|
|
|
R2 |
XL2 |
|
IB |
|
|
|
|||
B |
|
|
|
|
|
V |
|
IC |
|
R3 |
R4 |
* |
||
XL3 |
||||
C |
* |
|
|
|
R5 |
W |
|
XC3 |
|
|
|
|
IN |
|
N |
|
|
|
|
Дано: R1=R2=40 3 Ом; |
R3=50 3 Ом; |
R4=10 3 Ом; R5=120 3 Ом; |
||
XL1=20 Ом; XL2=40 Ом; XL3=90 Ом; XС1=40 Ом; XС3=50 Ом; показания вольтметра V составляют 120 В.
Определить все токи, фазные и линейные напряжения, показания ваттметра
W, активную, реактивную, полную мощности. Построить векторную диаграмму. |
|||
|
|
Вариант 14 |
|
|
R1 |
|
IA |
A |
|
|
|
|
|
|
|
XL1 |
* |
* |
R3 |
IB |
B |
|
|
||
|
|
|
||
|
|
|
|
|
R2 |
|
W |
|
IC |
C |
|
|
|
|
IN
N
Дано: R1=R2=20 Ом; R3=10 Ом; XL1=10
3 Ом; показания ваттметра W составляют 250 Вт.
Определить все токи, фазные и линейные напряжения, активную, реактивную, полную мощности. Построить векторную диаграмму.
349