личают усилители медленно изменяющихся напряжений и токов или усилители постоянного тока (рис. 10.27,а), усилители низких частот (рис. 10.27,б), усилители высоких частот (рис. 10.27, в), широкополосные усилители (рис. 10.27, г) и узкополосные усилители (рис. 10.27,д).
Типовые значения нижней и верхней границ частот АЧХ усилителей различного типа приведены в табл. 10.1.
Таблица 10.1
Типовые значения нижней и верхней границ частот АЧХ усилителей различного типа
Тип усилителя |
Граница нижних |
Граница верхних |
|
частот fн, Гц |
частот fв, Гц |
Усилитель постоянного тока |
0 |
103–108 |
Усилитель низких частот |
20–50 |
104–2·104 |
Усилитель высоких частот |
104–105 |
107–108 |
Широкополосный усилитель |
20–50 |
107–108 |
Вусилителях с нелинейным режимом работы при увеличении амплитуды напряжения на входе больше некоторого граничного уровня изменение напряжения на выходе усилителя практически отсутствует.
Такие усилители применяются главным образом в устройствах импульсной техники, в том числе логических.
Внастоящее время усилительная техника основана на широком внедрении усилителей в интегральном исполнении. Поэтому актуальным становится не разработка самих усилителей, а их применение для реализации различных функциональных узлов систем автоматики, управления и измерения.
10.10. Усилительные каскады на биполярных транзисторах
На рис. 10.28 приведена типовая схема усилительного каскада на биполярном транзисторе, включенном по схеме с ОЭ.
В этой схеме общий провод входной и выходной цепей заземлен. Источник входного сигнала (показан на схеме штриховой линией) имеет ЭДС ec=uc и внутреннее сопротивление Rвт. С1 и С2 – разделительные конденсаторы, отделяющие постоянный ток (цепь питания) от переменного тока (цепи источника усиливаемого сигнала
245
Входное сопротивление усилительного каскада с ОК R |
= |
U&бк |
|
||
вх |
& |
|
|
|
Iб |
составляет 100–300 кОм, что значительно больше входного сопротивления усилительного каскада с ОЭ.
|
+Ек |
|
|
|
|
|
|
R1 |
|
|
|
Rвт |
Iб |
С1 |
T |
|
|
|
|
|
|||
|
|
|
С2 |
|
|
ec=uc |
|
|
|
|
|
uвх |
|
|
|
|
|
|
R2 |
Rэ |
uвых=uн |
Rн |
|
|
|
|
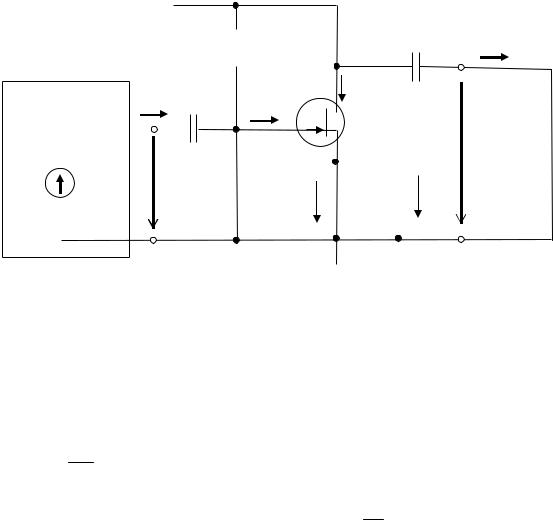
Рис. 10.30. Схема усилительного каскада на биполярном транзисторе с ОК
Коэффициент усиления по напряжению Кu = |
U&н |
составляет |
& |
||
|
Uc |
|
0,8–0,9, т.е. близок к единице. При этом сигнал на выходе усилительного каскада повторяет форму и фазу сигнала на входе.
Выходное сопротивление эмиттерного повторителя Rвых составляет (10–50) Ом, что значительно меньше выходного сопротивления усилительного каскада с ОЭ.
Усилительный каскад с ОБ имеет значение коэффициента усиления по напряжению, близкое к его значению для усилительного каскада с ОЭ. Однако ему присущи существенные недостатки: значение его коэффициента усиления по току меньше единицы и, вследствие этого, мал его коэффициент усиления по мощности. Кроме того, он имеет малое входное и большое выходное сопротивления. По этим причинам усилительный каскад с ОБ применяется редко.
10.11. Усилительные каскады на полевых транзисторах
По аналогии с усилительными каскадами на биполярных транзисторах с ОБ, ОЭ и ОК различают три типа усилительных каскадов на полевых транзисторах: с общим затвором (ОЗ), с общим истоком
248
(ОИ) и общим стоком (ОС). Чаще других используется усилительный каскад с ОИ.
На рис. 10.31 приведена типовая схема усилительного каскада на полевом транзисторе с ОИ. Назначения всех элементов схемы аналогичны их назначениям в усилительном каскаде на биполярном транзисторе с ОЭ.
+Ес
|
|
|
|
|
|
|
R2 |
|
Rс |
|
|
|
|
|
|
|
С2 |
iн |
|||||||
|
|
|
|
|
|
|
|
|
|
|
|
|
|
|
|||||||||||
|
|
|
|
|
|
|
|
|
|
|
|
|
|
|
|
|
|
|
|||||||
|
|
|
|
|
|
iз |
|
|
T |
|
|
|
Iсп+iк |
|
|
|
|
|
|
||||||
|
|
|
|
|
|
|
|
|
|
|
|
|
|
|
|
|
|||||||||
|
|
|
|
|
|
|
|
|
|
|
|
|
|||||||||||||
|
|
|
Rвт |
С1 |
|
Iзп+iз |
|
|
|
|
|
|
|
|
|
|
|
|
|
|
|
||||
|
|
|
|
|
|
|
|
|
|
|
|
|
|
|
|
|
|
Rн |
|||||||
|
|
|
|
|
|
|
|
|
|
|
|
|
|
|
|
|
|
|
|
|
|
|
|
||
|
|
|
|
|
|
|
|
|
|
|
|
|
|
|
|
|
|
|
|
|
|
|
|
|
|
|
|
|
|
|
|
|
|
|
|
|
|
|
|
|
|
|
|
|
|
|
|
|
|||
|
|
|
|
|
|
|
|
|
|
|
|
|
|
|
|
|
|
|
|
|
|
|
|
|
|
ec=uc |
|
|
|
|
|
uвх |
|
|
|
|
|
|
|
|
|
|
|
|
|
|
|
|
uвых=uн |
||
|
|
|
|
|
|
|
|
|
|
|
|
|
|
|
|
|
|
|
|
|
|
||||
|
|
|
|
R1 |
|
Iип |
|
|
|
|
Rи |
Си |
|
|
iи |
||||||||||
|
|
|
|
|
|
|
|
|
|
|
|
|
|
|
|
||||||||||
|
|
|
|
|
|
|
|
|
|
|
|
|
|
|
|
||||||||||
|
|
|
|
|
|
|
|
|
|
|
|
|
|
|
|
|
|
|
|
|
|||||
|
|
|
|
|
|
|
|
|
|
|
|
|
|
|
|
|
|
|
|
||||||
|
|
|
|
|
|
|
|
|
|
|
|
|
|
|
|
|
|
|
|
|
|
||||
|
|
|
|
|
|
|
|
|
|
|
|
|
|
|
|
|
|
|
|
|
|
|
|
|
|
|
|
|
|
|
|
|
|
|
|
|
|
|
|
|
|
|
|
|
|
|
|
|
|
|
|
|
|
|
|
|
|
|
|
|
|
|
|
|
|
|
|
|
|
|
|
|
|
|
|
|
|
Рис. 10.31. Схема усилительного каскада на полевом транзисторе с ОИ
При синусоидальном входном сигнале усилительного каскада с
ОИ:
▪входное сопротивление Rвх=102–103 кОм;
▪выходное сопротивление Rвых=Rс=10–100 кОм;
▪коэффициент усиления по напряжению в режиме холостого хо-
да Кu = U&и =10–100;
U&с
▪ коэффициент усиления по току Кi = I&и =50–500;
I&с
▪ коэффициент усиления по мощности К |
р |
= |
Ри |
= К |
u |
К |
= |
|
|||||||
|
|
Р |
i |
|
|||
|
|
|
с |
|
|
|
|
=(0,6–40)·103.
Главным достоинством усилительного каскада на полевом транзисторе с ОИ относительно усилительного каскада на биполярном транзисторе с ОЭ является большое входное сопротивление, основным недостатком – меньшее быстродействие. Последнее объясняется наличием больших емкостей между электродами полевого транзистора, влияние которых в приведенном выше анализе не учитывалось.
249