Материал: 2416

Внимание! Если размещение файла нарушает Ваши авторские права, то обязательно сообщите нам

крыт до тех пор, пока напряжение u2 не станет равным нулю (см. рис. 10.16). Угол α (α1, α2) называется углом отпирания тиристора. При изменении угла отпирания изменяется амплитудное значение тока Im, протекающего через тиристор и сопротивление нагрузки, а следовательно, изменяются среднее значение выпрямленного тока, т.е. постоянная составляющая тока нагрузки, и напряжение на нагрузке.

Нетрудно заметить, что средняя величина выпрямленного напряжения будет тем больше, чем меньше угол α отпирания тиристора. Если пренебречь падением напряжения на тиристоре, то зависимость среднего напряжения на нагрузке от угла отпирания определяется по выражению

U0 =

2U2

(1+cosα ).

(10.10)

 

 

 

Таким образом, изменяя угол α от π до нуля, можно регулировать напряжение на нагрузке от нуля до максимальной величины, составляющей 0,45U2, где U2 – действующее значение переменного напряжения.

10.5. Регулятор переменного тока

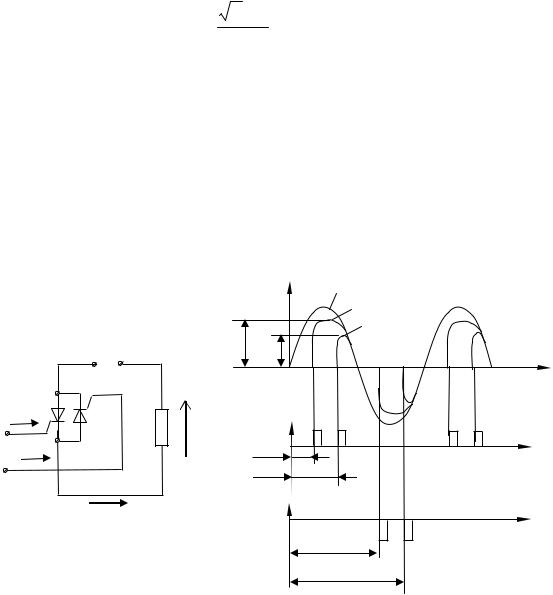
Регулятор содержит два триодных тиристора Д1 и Д2, включенных встречно-параллельно (рис. 10.17).

 

 

 

u2, i

u2

 

 

 

 

i

 

 

Im1

Im2

i

 

~u2

ωt

Iупр1

Д1

 

Iупр1

 

Д2 Rн

uн

ωt

Iупр2

 

 

α1

 

 

 

 

α2

 

 

i

 

Iупр2

ωt

 

 

 

 

 

 

π+α1

 

 

 

 

 

 

 

 

π+α2

Рис. 10.17. Регулятор переменного тока на двух тиристорах и его временная диаграмма

235

В момент времени, соответствующий фазовому сдвигу α1=ωt, управляющий импульс Iупр1 поступает на тиристор Д1, анод которого имеет положительный потенциал относительно катода. Тиристор Д1

открывается, в результате чего в течение времени π ωα1 через сопро-

тивление нагрузки Rн протекает ток. В следующую половину периода управляющий импульс Iупр2 поступает на тиристор Д2, который пропускает ток через сопротивление нагрузки Rн с момента времени π+α1

до момента 2π (т.е. в течение времени 2ωπ π +ωα1 = π ωα1 , как и тири-

стор Д1). Таким образом, ток и, следовательно, напряжение на сопротивлении нагрузки Rн являются переменными и имеют форму усеченных полуволн синусоиды. Действующее значение этого напряжения зависит от угла отпирания

U н =U 2

1

α

+ sin2α .

(10.11)

 

 

π

2π

 

Обычно в регуляторах переменного тока используют специальные симметричные тиристоры, называемые симисторами.

 

 

 

u2, i

u2

 

 

 

 

i

 

~u2

 

Im1 Im2

i

 

 

ωt

 

Д

 

Iупр

 

Iупр

Rн

uн

 

α1

ωt

 

 

 

 

 

 

α2

 

 

 

π+α1

 

 

 

 

 

i

 

 

π+α2

Рис. 10.18. Регулятор переменного тока на симисторе и его временная диаграмма

Симистор представляет собой два встречно-параллельно включенных тиристора с общим выводом управляющих электродов, выполненных в одном монокристалле кремния. Регулятор на симисторе (рис. 10.18) обладает такими же свойствами, что и регулятор на двух тиристорах.

Для управления симистором используются импульсы различной полярности.

236

10.6. Биполярные транзисторы

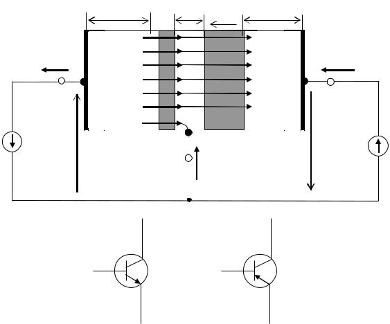
Работа биполярных транзисторов основана на явлениях взаимодействия двух близко расположенных p-n переходов. Различают плоскостные и точечные биполярные транзисторы.

Эмиттер

База

 

Коллектор

р-тип

 

n-тип

εкб

n-тип

 

 

+

 

 

Iэ

Э

– – – –

+

 

– – –

Iк

 

+

 

К

 

 

+

 

 

 

 

+

 

 

 

 

+

 

 

Еэ=Uэб

 

 

 

 

 

 

 

 

 

 

 

 

 

 

 

 

 

 

 

 

 

 

 

 

 

 

 

 

 

Б

 

 

 

 

 

Uкбк

 

 

 

 

 

 

 

 

Iб

 

 

 

 

 

 

 

 

 

 

 

 

 

 

 

 

К К

Б Б

Э Э

n-p-n

p-n-p

Рис. 10.19. Структура транзистора n-p-n и условное графическое изображение транзисторов

типа n-p-n и p-n-р на схеме

Плоскостной биполярный транзистор представляет собой трехслойную структуру типа p-n-p или типа n-p-n (рис. 10.19). Транзистор называется биполярным потому, что физические процессы в нем связаны с движением носителей заряда обоих знаков (свободных дырок и электронов). Средний слой транзистора называется базой Б, один крайний слой – коллектором К, а другой крайний слой – эмиттером Э. Каждый слой представляет собой электрод и имеет вывод. Посредст-

237

вом выводов транзистор включается в схему. В схемах транзисторных усилителей полярность напряжения Ек должна быть такой, чтобы коллекторный p-n переход был закрыт для основных носителей заряда (см. рис. 10.19). Таким образом, напряжение Ек является обратным для коллекторного p-n перехода. Полярность напряжения Еэ должна быть такой, чтобы эмиттерный p-n переход был открыт. Свободные электроны диффундируют из эмиттера в базу, создавая ток эмиттера Iэ. Если между коллектором и базой включен источник питания Ек, то большая часть электронов, поступивших из эмиттера в базу, втягивается сильным электрическим полем с напряженностью εкб коллекторного p-n перехода, создавая ток цепи коллектора Iк. Незначительная часть свободных электронов, поступивших из эмиттера в базу, образует ток базы Iб. Таким образом,

Iэ=Iк+Iб. (10.12)

В рассмотренном случае база является общим электродом для входной и выходной цепей. Такая схема включения биполярного транзистора называется схемой с общей базой (ОБ).

Однако чаще транзисторные каскады строятся по схемам с общим коллектором (ОК) и с общим эмиттером (ОЭ).

Наибольшее распространение на практике получила схема с общим эмиттером (рис. 10.20).

+

Uбэ

Iк

 

Iк

+

 

Iб

Iб

Uкэ

Uкэ

Iэ

Uбэ

Iэ

 

+

+

а

 

б

Рис. 10.20. Включение по схеме с общим эмиттером транзисторов:

а – типа n-p-n; б – типа p-n-p

Работу биполярного транзистора, включенного по такой схеме, определяют выходными статическими характеристиками Iк=f(Uкэ) при Iб=const и входными статическими характеристиками Iб=f(Uбэ) при

Uкб=const (рис. 10.21).

238

Iб

Uкэ1

Uкэ2

Iк

Iб4

 

 

 

 

 

 

Iб3

 

 

 

 

Iб2

 

 

 

 

Iб1

 

 

Uбэ

 

Uкэ

 

 

а

б

 

 

Рис. 10.21. Входные (а) и выходные (б) статические

 

характеристики биполярного транзистора

(Uкэ2>Uкэ1; Iб4>Iб3>Iб2>Iб1)

Биполярные транзисторы характеризуются h-параметрами. Эти параметры можно рассчитать по заданным статическим характеристикам. Каждый h-параметр имеет свой физический смысл.

Сопротивление со стороны входа транзистора

h =

dUбэ

при Uкэ=const.

(10.13)

 

11

dIб

 

 

 

 

 

Коэффициент передачи по напряжению

h =

dU бэ

при Iб=const.

(10.14)

 

12

dU кэ

 

 

 

 

 

Коэффициент усиления по току

h =

dIк

при Uкэ=const.

(10.15)

 

21

dIб

 

 

 

 

 

Проводимость со стороны выхода транзистора

h =

dIк

при Iб=const.

(10.16)

 

22

dU кэ

 

 

 

 

 

Численные значения h-параметров обычно составляют:

h11=103–104 Ом; h12=2·10-4–2·10-3; h21=20–200; h22=10-5–10-6 См.

Основное преимущество биполярных транзисторов состоит в высоком быстродействии при достаточно больших токах коллектора.

Недостатком биполярных транзисторов является относительно небольшое входное сопротивление при включении по схеме с ОЭ.

239