Материал: 2270

Внимание! Если размещение файла нарушает Ваши авторские права, то обязательно сообщите нам

6.4.Заполнение основной надписи на эскизах

Восновной надписи указывают шифр эскиза, наименование детали, материал детали (рис. 6.25).

С

 

 

 

№ графической работы

 

 

№ детали

 

 

 

 

 

 

 

 

 

 

 

 

 

 

 

 

 

 

 

 

 

 

 

 

 

 

 

 

 

 

 

 

 

 

 

 

 

 

 

 

 

 

 

 

 

 

 

 

 

 

 

 

 

 

 

 

ИГ.01.23

 

 

 

 

 

 

 

 

 

 

 

 

 

 

 

 

 

 

 

 

 

 

 

 

 

 

 

 

 

 

 

 

 

 

 

 

 

 

 

 

 

 

 

 

 

 

 

 

 

 

 

 

 

 

 

 

 

апо

лнение

 

 

 

 

 

 

 

Лит.

Масса

Масштаб

 

 

 

 

 

 

 

 

 

 

 

 

 

 

 

 

 

 

 

Изм

З

 

 

 

 

 

 

 

 

 

 

 

 

 

 

 

.Л ст

N докум. Подп.

Дата

 

Вал

 

 

 

 

 

 

 

 

 

Разраб.

Иванов А.

 

 

 

 

 

 

 

 

 

 

 

Пров.

Петрова М.И.

 

 

 

 

 

 

 

 

 

 

 

 

 

 

 

 

 

 

 

 

 

 

 

 

 

 

 

 

 

Лист

Листов

 

Н контр.

 

 

 

Сталь

 

СибАДИ, гр.НТС-17Т1

 

Утв.

бА

 

 

 

 

 

 

 

 

 

Петрова М.И.

 

 

 

 

 

 

 

 

 

 

 

 

 

 

 

 

 

 

 

Р с. 6.25.

 

 

основной надписи на эскизах

7. ПРИМЕРЫ ВЫПОЛНЕНИЯ ЭСКИЗОВ ДЕТАЛЕЙ

7.1. Последовательность выполнение эскиза детали «Вал»

1. На выбранном формате листа наносят (без линейки) рамку поля чертежа и основную надпись:

- проводят осевые линии с габаритными отметками для каждого намеченного изображения, предусматривая места для размещения

размерных линий;

 

-

определив на глаз соотношения размеров, наносят тонкими ли-

 

 

И

ниями основные очертания проекций детали (рис. 7.1 а, 7.1 б).

1.

Выполняют фаски, проточкиД, призматические элементы, эле-

менты шпоночных пазов, отверстия (рис. 7.1 в).

2.

Выполняют необходимые сечения участков вала (окружности

больших размеров можно проводить циркулем с последующей обвод-

кой или от руки) (рис. 7.1 г).

 

3.

Обводят толстой сплошной линией контуры всех элементов вала

(рис. 7.1 д).

 

4.

Наносят необходимые выносные и размерные линии и знаки

диаметра, радиуса, квадрата, типа резьбы (рис. 7.1 е).

41

5.Деталь обмеряют измерительными инструментами и наносят размерные числа над заготовленными размерными линиями. Заполняют основную надпись.

Си бАР с. 7.1 а. Наглядное изображение вала

Д И

Рис. 7.1 б. Нанесение осевой линии и очертания проекции вала

42

Си

Рис. 7.1бАв. Нанесение на контуре вала конструктивных элементов

Д И

Рис. 7.1 г. Выполнение сечений вала

43

Си

бАРис 7.1 д. О водка всех контурных линий

Д И

Рис. 7.1 е. Нанесение размерных линий

44

 

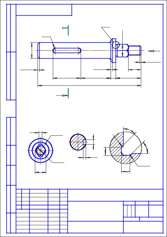
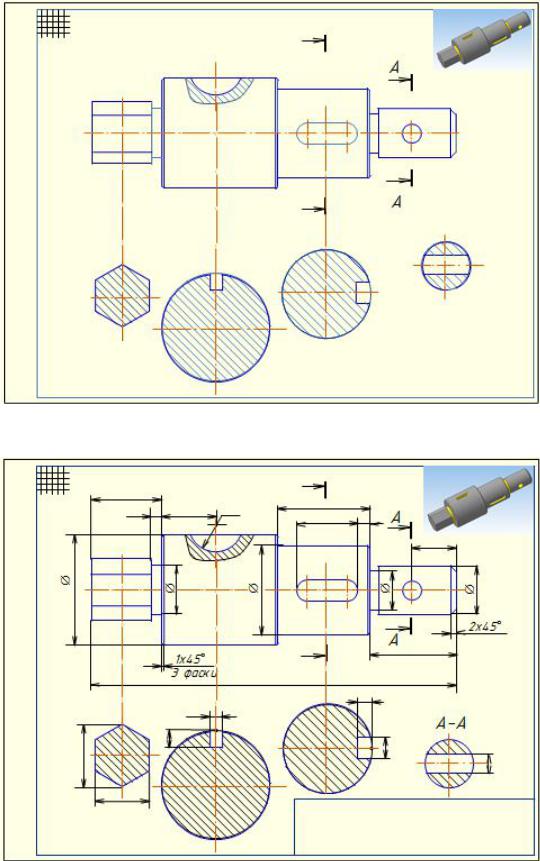
Примерывыполненияэскизовдеталитипа«Вал»(рис.7.2,7.3,7.4).

 

 

 

ГИ.ХХ.ХХ

 

Б

 

 

 

 

 

 

 

 

примен.

 

 

 

В

 

 

 

 

 

 

 

 

 

Перв.

 

 

R3

 

 

 

 

16

 

 

 

 

 

 

 

 

 

 

 

 

 

 

 

 

 

А

 

 

20

 

 

 

 

 

 

 

 

 

 

 

 

 

 

 

 

 

 

 

 

 

 

 

 

 

 

 

 

 

 

 

 

 

 

 

 

 

 

1,5•45

 

 

2•45

 

 

2•45

 

 

16

 

С

 

 

 

 

 

 

 

 

 

 

 

 

 

 

 

35

38

 

6

32

 

 

 

 

 

прав.

 

 

 

 

 

 

 

 

 

 

 

 

 

130

 

 

 

 

 

 

 

 

и

 

 

 

 

 

 

 

 

 

 

 

 

 

 

 

 

 

 

 

 

 

 

В

 

 

 

 

 

 

 

 

 

 

дата

 

А

 

В-В

 

 

Б(4:1)

 

 

 

 

 

 

 

 

 

 

4

 

 

 

 

 

 

 

 

 

 

 

 

 

5

 

 

 

 

 

 

 

 

 

 

 

 

 

 

 

 

 

 

 

 

 

 

 

 

 

 

 

 

 

 

 

 

4

 

 

 

 

 

 

 

 

 

 

защищены.

Подп. и

 

 

30

 

R0,5

 

 

 

 

 

 

 

 

 

 

 

 

 

 

 

 

 

 

 

 

6

 

 

 

 

 

 

 

4

 

 

 

 

 

 

 

 

 

 

 

5

 

 

 

 

 

 

 

 

 

 

 

 

 

 

 

 

 

 

 

 

 

 

 

 

 

 

 

 

 

 

 

 

 

 

 

 

 

 

 

 

 

 

 

 

 

 

 

 

 

 

 

3

 

 

 

 

 

 

 

 

 

 

 

 

 

3,5

 

 

 

 

 

 

 

 

 

 

 

 

 

 

 

 

 

 

 

 

 

 

 

 

 

 

 

 

 

 

 

 

 

 

АСКОН, Россияправа. Все

Взам. инв. № Инвдубл.№.

бА

 

 

 

 

 

 

 

 

M12

 

 

 

 

 

 

 

R0,5

 

 

 

 

 

 

 

3

 

 

 

 

14

 

 

 

 

 

 

 

 

 

 

 

 

 

 

Д

-2007 ЗАО

и дата

 

 

 

 

 

 

 

 

 

ИГ.ХХ.ХХ

 

 

 

 

 

 

 

 

 

 

 

 

 

 

 

 

 

) 1989

Подп.

Изм. Лист

№ докум.

Подп. Дата

Валик

 

 

Лит.

 

Масса

Масштаб

 

 

 

 

 

 

 

 

Разраб.

Иванов А.И.

 

 

 

 

 

 

 

1:1

 

 

 

 

 

 

 

 

 

 

 

Пров.

Петров А.Б.

 

 

 

 

 

 

 

-3DLT

подл.

Т.контр.

 

 

 

 

 

ИЛист Листов

КОМПАС

Инв. №

Н.контр.

 

 

 

Сталь

 

СибАД , НТС17-Т1

Утв.

Петров А.Б.

 

 

 

КОМПАС-3D LT V9 (некоммерческая версия)

Копировал

 

 

 

 

Формат

A4

 

 

Рис. 7.2. Пример выполнения чертежа вала с резьбовым концом

45