Материал: 2270

Внимание! Если размещение файла нарушает Ваши авторские права, то обязательно сообщите нам

надписи чертежа. Такое расположение чаще всего совпадает с рабочим положением детали в конструкции.

борочный чертеж – это конструкторский документ, содержащий изображение сборочной единицы и другие данные, необходимые

для ее сборки (изготовления) и контроля.

С

 

 

борочный чертеж (рис. 2.3) должен содержать:

- изображение сборочной единицы;

-

необход мые размеры;

-

номера поз ц й;

чертежи

-

техн ческ

е требования;

-

техн ческую характеристику изделия (при необходимости).

Кол чество

зо ражений должно быть наименьшим, но доста-

точным для представления расположения и взаимной связи составных

частей

 

сборочных

 

обеспеч вающим возможность осуществления сборки и кон-

троля сборочной ед н цы.

Сборочные

выполняют, как правило, с упрощениями,

соответствующ ми тре ованиям стандартов ЕСКД.

На

 

чертежах допускается не показывать:

 

 

 

А

а) фаски, скругления, проточки, углубления, выступы, накатки, насечки и другие мелкие элементы;

б) зазоры между стержнем и отверстием; в) крышки, кожухи и т.п., если необходимо показать закрытые

ими составные части изделия. ПриДэтом над изображением делают соответствующую надпись, например «Крышка поз. 3 не показана»;

г) изделия из прозрачного материала показывают, как непрозрачные.

На сборочном чертеже должны быть указаны:

установочные и присоединительные Иразмеры (размеры, определяющие величины элементов, по которым данное изделие устанавливают на месте монтажа или присоединяют к другому изделию);

размеры резьбы.

справочные размеры.

6

С

 

и

 

б

А

 

Д

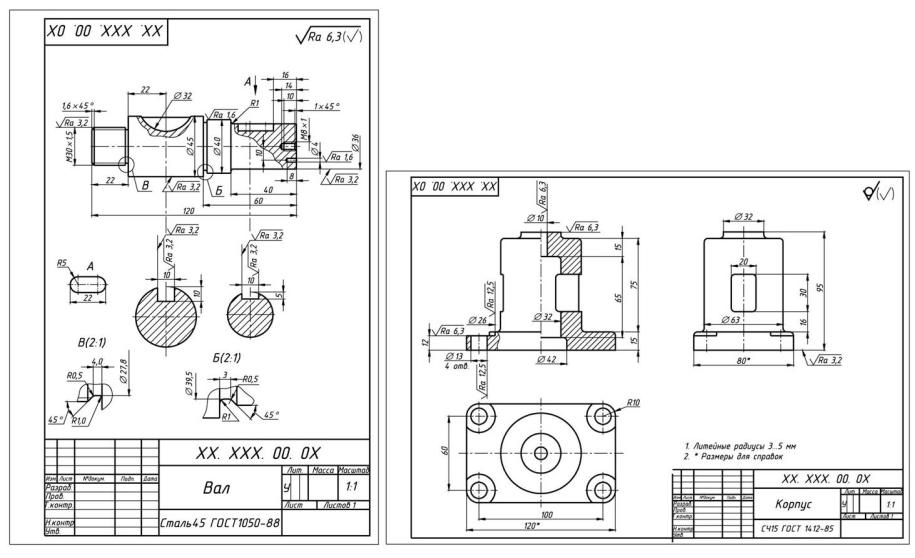
Рис. 2.1. Пример выполнения рабочего чертежа вала

И

Рис. 2.2. Пример выполнения рабочего чертежа корпуса

7

Чертежом общего вида в технике принято называть документ, имеющий графическое представление, который определяет конструкцию того или иного узла или агрегата. Из него становится ясно, каким образом взаимодействуют его основные компоненты, каков общий принцип функционирования устройства. Разработка чертежей общего вида осуществляется на самых ранних этапах конструирования.

точки зрения оформления чертежи общего вида практически не отл чаются от чертежей сборочных, однако они имеют совершен-

но другое назначен е. Основное отличие чертежей общего вида от

сборочных заключается в их предназначении. Состоит оно в том, что

на их основе каждый технически грамотный человек может составить

С

 

для себя карт ну того, какова конструкция изделия и принцип его ра-

боты. Кроме того,

о щего вида позволяют осуществить

сборку здел й проверить,

насколько правильно она произведена.

Для этого в н х зачастую вводятся такие элементы, как дополнитель-

ные сечен я

разрезы, а также некоторые необходимые размеры.

чертежи

Спец ф кац я – это текстовый документ, определяющий состав

изделия.

 

 

Спецификация состоит из разделов, которые располагаются в

следующей последовательности: документация, комплексы, сбороч-

ные единицы, детали, стандартные изделия, прочие изделия, материа-

лы, комплекты. Наличие их определяется составом изделия.

Первый

лист спецификации имеет основную надпись

(ГОСТ 2.104 – 2006) по форме 1, а последующие листы – по форме 1а

(рис. 2.4).

бА

 

Д

 

 

 

 

И

8

Си б А Д

Рис. 2.3. Пример выполнения сборочныхИчертежей

9

Си бА Д

аРис. 2.4. Спецификация: а – формаИ1;бб – форма 1а

3.УЧЕБНЫЕ ЧЕРТЕЖИ

Вкурсе черчения студенты изучают основные правила выполнения чертежей деталей, сборочных чертежей и спецификаций (для некоторых специальностей предусмотрено также выполнение схем). Выполнение этих видов конструкторских документов (КД), полностью отвечающих требованиям производства, возможно только после

10