Материал: 1978

Внимание! Если размещение файла нарушает Ваши авторские права, то обязательно сообщите нам

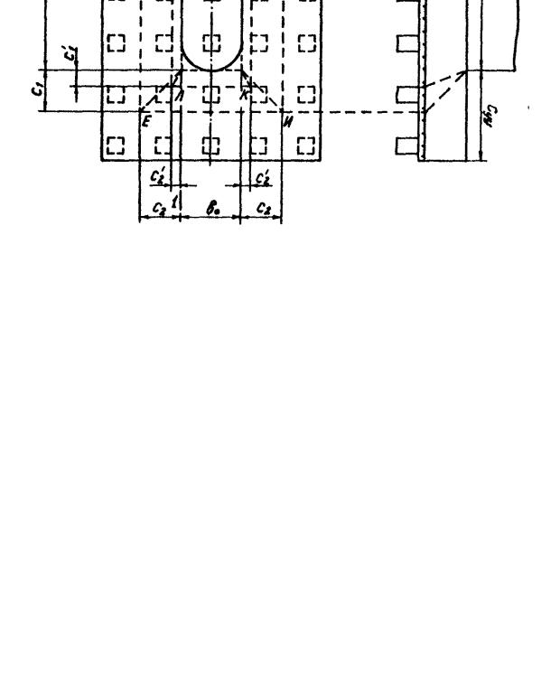
В условии (68) отношения h0 / c1, и h0 / c2 не должны превышать 2,5. В противном случае c1 и c2 принимаются равными 0,4 h0 .

Продавливающую силу Fper принимают равной удвоенной сумме про-

дольных усилий в несущих элементах, расположенных за пределами нижнего

основания пирамиды продавливания по одну сторону от оси опоры в наибо-

лее нагруженной части ростверка. При невыполнении условия (68) нужно

С

 

 

увеличить высоту ростверка hp или класс его бетона.

 

ечение арматуры определяют из условия работы плиты на изгиб по

формуле

 

 

 

 

 

As1(2) = M1(2)/(ν Rs h0).

(69)

б

 

где As1(2) -

сечен е арматуры, м2, на весь размер ростверка в плане в направ-

лении, перпенд кулярном расчетному (при расчете на нагрузки, действую-

щиевдоль оси моста, на размер aр , а при расчете на поперечные нагрузки

bр); M1(2) -

зг ающ й момент в сечении I (2) (см. рис. 2.4), кНм, определя-

 

 

А

 

ется как сумма моментов от продольных усилий в несущих элементах, приложенных в пределах ширины консоли Cyx(y) по одну сторону от сечения, проведенного по грани опоры (при этом учитывается сторона плиты, на которую действуют ольшие продольные силы от несущих элементов); Rs - расчетное сопротивление арматуры растяжению, кПа; ν - коэффициент, определяемый по табл. 2 пособия [13]Дв зависимости от коэффициента θ : для сечения 1 θ = M M1 /( Rb ap h0), а для сечения 2 θ =M2/( Rb bp h02) (приближенно можно принимать ν =0,90); Rb - расчетное сопротивление бетона осе-

вому сжатию, кПа; ap и bp - размеры ростверка в плане, м. И

31

Си б А Д И

Риc. 5. Схема к расчету железобетонной плиты ростверка

32

БИБЛИОГРАФИЧЕСКИЙ СПИСОК

1.СП 47.13330.2016. Инженерные изыскания для строительства.

Основные положения. Актуализированная редакция СНиП 11–02–96. – Введ. 2017–07–01. – М. : Стандартинформ, 2017. –169 с.

2. ГОСТ 25100–2011. Грунты. Классификация. Введ. 2013–01–01. – М. : Стан-

дартинформ, 2013. – 50 с.

С

3.

П 46.13330.2012. Основания зданий и сооружений. Актуализированная ре-

дакция

НиП 3.06.04-91. (с Изменениями N 1, 3). – Введ.2013–01–01. – М. : Стан-

дарт нформ, 2017. – 228 с.

4.

П 131.13330.2012. Строительная климатология. Актуализированная редак-

цияН П 23-01–99* (с Изменением N 2). – Введ. 2013–01–01. – М. : Стандартин – форм, 2013. – 120 с.

5. П 24.13330.2011. Свайные фундаменты. Актуализированная редакция. СНиП

2.02.03–85 (с Изменен ем N 1). – Введ. 2011–05–20. – М. : Минрегион России, 2011. – 90 с.

6. П б50-102-2003 Проектирование и устройство свайных фундаментов. – Введ. 2003–06–21. – М. : Госстрой России, ФГУП ЦПП, 2004. – 91 с.

7.ГОСТ 5180–2015. Грунты. Методы лабораторного определения физических характер ст к. – Введ. 2016–04–01.– М. : Стандартинформ, 2016. – 23 с.

А Д И

33

ПРИЛОЖЕНИЕ

 

 

 

 

 

 

 

 

 

Приложение 1

 

Классификация глинистых грунтов по числу пластичности J P

 

 

 

(извлечение из ГОСТ 25100-2011 [4])

 

 

 

 

 

 

 

 

 

Таблица П.1

 

Разновидность глинистых грунтов

 

Число пластичности Jp

 

 

С

 

 

 

 

 

 

 

 

 

 

 

Супесь

 

 

 

 

1 – 7

 

 

 

 

Суглинок

 

 

7 – 17

 

 

 

 

Гл на

 

 

 

 

>17

 

 

 

Класс ф кац я глинистых грунтов по показателю текучести J L

упеси

 

 

 

 

 

 

 

 

(

звлечение из ГОСТ 25100-2011 [4])

 

 

 

 

 

 

 

 

 

Таблица П.2

 

Разнов

дность глинистых грунтов

 

Показатель текучести JL

 

 

б

 

 

<0

 

 

 

- твердая

 

 

 

 

 

 

 

- пласт чная

 

 

0 – 1

 

 

- текучая

 

 

 

 

>1,0

 

 

 

Сугл нки гл ны:

А

<0

 

 

 

- твердые

 

 

 

 

 

 

 

- полутвердые

 

0 – 0,25

 

 

- тугопластичные

 

0,25 – 0,5

 

 

- мягкопластичные

 

0,5 – 0,75

 

 

- текучепластичные

 

0,75 – 1,0

 

 

- текучие

 

 

 

 

>1,0

 

 

 

 

 

 

 

 

 

 

 

 

 

 

 

Д

 

Классификация песков по коэффициенту пористости е

 

 

 

(извлечение из ГОСТ 25100-2011 [4])

 

 

 

 

 

 

 

И

 

 

 

 

 

 

 

 

 

Таблица П.3

 

Разновидность

 

 

Коэффициент пористости е

 

 

песков

 

Пески гравелистые:

 

Пески

 

Пески

 

 

 

 

 

крупные и средней

 

мелкие

 

пылеватые

 

 

 

 

 

крупности

 

<0,6

 

 

 

 

 

Плотный

 

 

<0,55

 

 

 

<0,6

 

 

 

Средней плотности

 

0,55 – 0,7

 

0,6 – 0,75

 

0,6 – 0,8

 

 

Рыхлый

 

 

>0,7

 

 

>0,75

 

>0,8

 

 

34

Приложение 2

Условное сопротивление R0 песчаных грунтов

(извлечение из СП 46.1333.2012)

 

 

 

 

Песчаные грунты и их влажность

 

 

Условное сопротивление R0 песча-

 

 

 

 

 

 

ных грунтов средней плотности в осно-

 

С

 

 

 

 

ваниях, кПа

 

 

 

 

 

 

 

 

 

 

 

 

 

 

 

 

 

 

 

 

Гравелистые и крупные независимо от их

 

 

 

343

 

 

 

 

 

влажности

 

 

 

 

 

 

 

 

 

 

 

 

редней крупности:

 

 

 

 

 

 

294

 

 

 

 

 

маловлажные

 

 

 

 

 

 

 

 

 

 

 

влажные

насыщенные водой

 

 

 

 

245

 

 

 

 

 

Мелк е:

 

 

 

 

 

 

 

 

 

196

 

 

 

 

 

маловлажные

 

 

 

 

 

 

 

 

 

 

 

влажные

насыщенные водой

 

 

 

 

147

 

 

 

 

 

 

 

б

 

 

 

 

 

 

 

 

Пылеватые:

 

 

 

 

 

 

 

 

 

 

 

 

ималовлажные

 

 

 

 

196

 

 

 

 

 

влажные

 

 

 

 

 

 

 

147

 

 

 

 

 

насыщенные водой

 

 

 

 

98

 

 

 

 

 

 

 

 

 

А

 

Приложение 3

 

 

 

 

 

 

 

 

 

 

 

 

 

 

 

Условное сопротивление R0 глинистых (непросадочных) грунтов основания

 

 

 

 

 

 

 

(извлечение из СП 46.1333.2012)

 

 

 

 

 

 

 

 

 

 

 

 

 

 

Грун-

Коэффиц. Условное сопротивление R0 глинистых (непросадочных)

 

 

пористос.

 

грунтов основания, кПа , в зависимости от показателя текуче-

 

 

 

ты

е

 

сти IL

 

 

 

 

 

 

 

 

 

 

 

 

 

 

 

 

 

 

 

 

 

 

 

 

 

 

 

 

 

0

0.1

0.2

0.3

0.4

0.5

0.6

 

 

 

Супеси

0.5

343

294

245

196

147

98

-

 

 

 

при IP

 

5

0.7

294

245

196

147

98

-

-

 

 

 

 

 

 

 

Д

98

 

 

 

Суглинки

0.5

392

343

294

245

196

147

 

 

 

при

 

 

0.7

343

294

245

196

147

98

-

 

 

 

10 IP 15

 

1.0

294

245

196

147

98

-

-

 

 

 

 

 

 

0.5

588

441

343

И294 245 196 147

 

 

Глины при

0.6

490

343

294

245

196

147

98

 

 

 

IP 20

 

 

0.8

392

294

245

196

147

98

-

 

 

 

 

 

 

1.1

294

245

196

147

98

-

-

 

Примечания: 1. Для промежуточных значений IL и е условное сопротивление R0 определяется по интерполяции.

2. При значениях числа пластичности IP в пределах 5-10 и 15-20 следует принимать средние значения R0, приведенные в приложении 3 соответственно для супесей, суглинков и глин.

35