Материал: 1851

Внимание! Если размещение файла нарушает Ваши авторские права, то обязательно сообщите нам

3. ОПРЕДЕЛЕНИЕ ГЛУБИНЫ ЗАЛОЖЕНИЯ РОСТВЕРКА

Для фундаментов наружного ряда колонн глубина заложения ростверка Нр (пп. 2.25–2.28 [1]) зависит от 2-х факторов: расчетной глубины сезонного промерзания грунтов df и конструктивных требований Нкон. Из этих двух значений выбирается наибольшее.

Для фундаментов под внутренние колонны зданий, с положительными температурами помещений, отметка подошвы ростверка определяется исключительно его конструктивной высотой.

3.1. Учет глубины сезонного промерзания грунтов

Подошва ростверка должна располагаться ниже расчетной глубины сезонного промерзания грунтов:

Hp > df ,

(12)

где df – расчетная глубина сезонного промерзания грунта [1].

 

df = khdfn, .

(13)

Здесь kh коэффициент, учитывающий влияние теплового режима здания; dfn нормативная глубина сезонного промерзания.

d fn d0 Mt ,

(14)

где d0 величина, принимаемая равной:

для суглинков и глин – 0,23;

супесей, песков мелких и пылеватых – 0,28;

песков гравелистых, крупных и средних – 0,3;

крупнообломочных грунтов – 0,34;

Mt – безразмерный коэффициент, численно равный сумме абсолютных значений среднемесячных отрицательных температур за зиму в данном районе строительства [3].

3.2. Конструктивные требования

Для обеспечения конструктивных требований необходимо, чтобы глубина заложения ростверка Нр принималась не менее конструктивных требований Н кон:

НР ≥ Нкон .

(15)

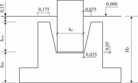
Верх монолитного стакана фундамента должен находиться ниже от-

метки пола как минимум на 0,15 м. Тогда (см. рис.5):

 

Hкон=0,15+hcm+h' ,

(16)

высота стакана для средней колонны

 

hcm= 0,33hk + 0,5;

(17)

высота стакана для крайней колонны

 

hcm> (1,0...1,5)hk;

(18)

3

Рис. 10. Схема к определению глубины заложения ростверка

 

толщина днища стакана

 

hдн = (0,6…0,8) м; hдн' = hдн+0,05.

(19)

4. ВЫБОР ДЛИНЫ СВАИ

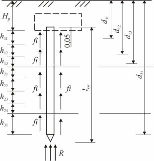
Минимальная длина сваи 1св должна быть достаточной для того, чтобы прорезать слабые грунты основания и заглубиться на минимальную величину ∆h в несущий слой (рис.11).

Величина ∆h зависит от показателя текучести глинистых грунтов IL:

при IL < 0,1; ∆hmin=0,5 м; при IL > 0,1 ∆hmin=1...1,5 м.

Для песчаных грунтов:

плотных – ∆h > 0,5 м;

песков средней плотности – ∆h > 1 м.

Минимальную длину сваи lсв устанавливают с учётом её заделки в ростверк на 5…10 см (шарнирное сопряжение).

Полную длину сваи устанавливают исходя из анализа результатов оценки грунтов основания, действующих нагрузок и конструктивных особенностей здания.

5. ОПРЕДЕЛЕНИЕ НЕСУЩЕЙ СПОСОБНОСТИ ВИСЯЧЕЙ СВАИ ПО СОПРОТИВЛЕНИЮ ГРУНТА

До определения несущей способности сваи Fd [4, п. 4.2] необходимо произвести вертикальную привязку сваи к грунтовым условиям на основе

4

определенных в п.3 глубины заложения ростверка Нр и длины сваи 1св (см.

рис.11).

Согласно п. 4.2 [4] имеем

Fd c( сRRA u cf fijhij),

(20)

где с – коэффициент условий работы сваи в грунте, с=1; R – расчетное сопротивление грунта под нижним концом сваи, кПа, принимаемое по табл.1 [4]; А – площадь опирания сваи на грунт, м2; и – периметр поперечного сечения сваи, м; fi расчетное сопротивление i-го слоя грунта основания на боковой поверхности сваи, кПа, принимаемое по табл.2 [4]; hi – толщина i-го слоя грунта, соприкасающегося с боковой поверхностью сваи, м; cR, сf коэффициенты условий работы грунта соответственно

под нижним концом и на боковой поверхности сваи, учитывающие влияние способа погружения сваи на расчетные сопротивления грунта и принимаемые по табл.3 [4].

При вычислении составляющих сил трения по боковой поверхности свай fij каждый слой грунта по высоте разбивают на участки не более

2-х м.

Расчет силы трения по боковой поверхности сваи (второе слагаемое формулы (20)) следует проводить в табличной форме (см.табл. 3).

 

 

 

 

 

 

Таблица 3

 

Расчет силы трения по боковой поверхности сваи

 

 

 

 

 

 

 

 

 

Номер

hij,

dij,

 

fij,

сf fijhij

 

слоя

м

м

 

кПа

 

 

 

1

 

 

 

 

 

 

 

2

 

 

 

 

 

 

 

3

 

 

 

 

 

 

 

….

 

 

 

 

 

 

 

п

 

 

 

 

 

 

 

 

 

 

 

 

...

 

 

 

 

 

 

 

n

 

 

 

 

 

 

и cf fijhij

 

 

 

 

 

 

n 1

Расчетное сопротивление сваи по грунту вычисляют по формуле [4]:

 

 

 

Рг=Fd / к ,

 

(21)

где к коэффициент надежности, равный 1,4 (если несущая способность сваи определена расчетом).

Для определения количества свай в фундаменте необходимо вычислить расчетное сопротивление сваи, уменьшенное на значение ее собст венного веса (полезную несущую способность сваи):

5

Рг' Рг gc f ,

(22)

где gс собственный вес сваи, кН, определяемый по формуле

 

gс = A lсв γb ,

(23)

Рис.11. Схема к определению несущей способности сваи:

dij расстояние от поверхности земли до середины участка сваи hij

где f коэффициент надежности по нагрузке, f 1,1; А – площадь попе-

речного сечения сваи, м2; lсв – длина сваи без учета величины заделки сваи в ростверк, м; γb удельный вес железобетона, равный 25 кН/м3.

6. ОПРЕДЕЛЕНИЕ КОЛИЧЕСТВА СВАЙ

Число свай в фундаменте и схему их размещения устанавливают расчетами по первой группе предельных состояний. Рекомендуется количество свай определять из условия несущей способности свай по грунту

Nicг',

где Nic среднее усилие в свае, кН (п. 6.3).

При этом следует обеспечить условие Nс max<1,2Pг', где Nc max – продольное усилие в голове наиболее нагруженной сваи от невыгодного сочетания нагрузок, кН (п. 6.3).

Число свай определяется методом последовательных приближений.

6

6.1. Предварительное определение количества свай в фундаменте и их размещение при центральной нагрузке

В первом приближении число свай определяется как для центрально нагруженного фундамента без учета действующего момента. При центральной нагрузке усилия между сваями фундамента распределяются равномерно.

Количество свай п определяется с последующим округлением до целого числа в большую сторону:

n

 

Nmax

 

 

 

 

,

(24)

P'

t2

H

p

 

cp

 

 

 

г

min

 

 

 

f

 

где Nmax – максимальное расчетное усилие, кН, из табл.1; tmin – минимальное расстояние между осями свай, принимаемое равным 3dc; dc – сторона сечения сваи, м; Hp – глубина заложения ростверка, м; ср

осредненный объемный вес бетона ростверка со стаканом и грунта на уступах ростверка, 20 кН/м; f =1,1 – коэффициент надежности по

нагрузке. После определения количества свай,

выполняется их

размещение (рис. 12).

 

6.2.Уточнение количества свай в фундаменте и их размещение

Расчету фундамента предшествует выбор положения центра тяжести свайного поля относительно оси надфундаментной части сооружения. При висячих сваях центр тяжести свайного поля целесообразно совмещать с точкой приложения равнодействующей постоянной и длительных нагрузок.

На фундамент действуют несколько сочетаний нагрузок, как правило, заранее неизвестно, какое из этих сочетаний является невыгодным. Поэтому на начальном этапе одно из сочетаний нагрузок (произвольно) принимается за невыгодное. По нему находят число свай и размеры ростверка, а потом выполняют проверочные расчеты на другие сочетания нагрузок (см. рис. 13).

Количество свай определяем по формуле

 

Nmax

 

Myo 0,5a

 

 

 

 

n

a2

mx

d

m

,

(25)

 

 

 

t2

 

 

 

 

 

 

1,2P'

H

p

cp

 

f

 

 

г

min

 

 

 

 

 

 

где Му0 обобщенный момент, определяемый по формуле

 

 

М уо М у Qx H p ,

(26)

7